Практическая работа № 34 тема «Компьютерное черчение»
Цель: познакомиться с основными возможностями программы для компьютерного черчения КОМПАС-3D LT; освоить навыки работы с программой для компьютерного черчения, изучить процесс построения и редактирование чертежа, зная его размеры в программе КОМПАС-3DLT.
Время выполнения:
Оснащение: персональный компьютер, конспекты, карточки-задания, учебники.
ХОД РАБОТЫ
Теоретическая часть:
Машинная графика – отрасль систем автоматизированного проектирования (САПР). В век компьютерных технологий она заняла твердые позиции в машиностроении, приборостроении, электронике, сфере информационных технологий и даже экономике. Машинная графика – это самый современный способ проектирования изделий в любой отрасли промышленности. Знание его может стать одной из преимущественных характеристик для получения работы, а также продолжения образования.
Программы для черчения на компьютере упрощают процесс
создания чертежей. Чертеж в подобных приложениях рисуется гораздо быстрее, чем
на реальном листе бумаге, а в случае совершения ошибки ее можно легко исправить
в пару кликов. Поэтому программы для черчения давно стали стандартом в этой
области.
В настоящее время получили широкое распространение следующие системы проектирования Pro/ENGINEER (США), Auto CAD («Auto Desk» США), КОМПАС («АСКОН» Россия) и многие др. КОМПАС – это комплекс Автоматизированных Систем, разработанный специалистами российской фирмы АО «АСКОН».
Инструментальные панели содержат кнопки вызова команд системы для настройки чертежа или детали.

Задание №1:
Откройте программу КОМПАС-3D LT. В пункте меню Сервис/Настройкаинтерфейса установить размер значков 24Х24.Установите книжную ориентацию листа Сервис/Параметры/параметры первого листа/Формат установить в диалоговом окне Ориентация: вертикальная и Обозначение: А3.
На инструментальной панели обязательно установить Округление.
Используя, панели инструментов построить чертеж по образцу и сделайте к нему размеры и основную надпись.
Ответьте на вопрос: каким образом добавляется основная
надпись и Технические требования в чертеж?
![]()
Скругление
21
Прямоугольник
22
Эквидистанта кривой
23
Штриховка
Задание №2:
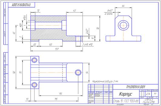
Откройте программу КОМПАС-3D LT. В пункте меню Сервис/Настройкаинтерфейса установить размер значков 24Х24.Установите альбомную ориентацию листа Сервис/Параметры/параметры первого листа/Формат установить в диалоговом окне Ориентация: горизонтальная и Обозначение: А3.
Используя, панель инструментов построить чертеж по образцу и сделайте к нему размеры и основную надпись.

Материалы на данной страницы взяты из открытых источников либо размещены пользователем в соответствии с договором-офертой сайта. Вы можете сообщить о нарушении.