Тест - карточка №1 по Электротехнике и электронике

  • docx
  • 21.10.2022
Публикация на сайте для учителей

Публикация педагогических разработок

Бесплатное участие. Свидетельство автора сразу.
Мгновенные 10 документов в портфолио.

Иконка файла материала Карточка №1.docx

Карточка №1 Трансформаторы

 

Вопрос 1. Укажите одно из важнейших достоинств цепей переменного тока по сравнению с цепями постоянного тока

 

1) Возможность передачи электроэнергии на дальние расстояния

2) Возможность преобразования электроэнергии в тепловую и механическую

3) Возможность изменения напряжения и тока в цепи с помощью трансформатора

Вопрос 2. При каком напряжении целесообразно:

а) передавать энергию; б) потреблять энергию?

1) а) Высоком; б) низком

2) а) Низком; б) высоком

3) Это зависит от характера тока

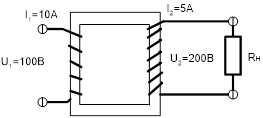
Вопрос 3. Какой это трансформатор?

1) Понижающий

2) Повышающий

Вопрос 4. Где применяют трансформаторы?

1) В линиях электропередач

2) В технике связи

3) В автоматике и измерительной технике

4) Во всех перечисленных и многих других областях техники

Вопрос 5. Какие трансформаторы используются для питания электроэнергией жилых помещений?

1) Силовые

2) Измерительные

3) Специальные

 

Преподаватель                              Казетов С.Н.