Логические элементы

  • Презентации учебные
  • Работа в классе
  • Разработки курсов
  • pptx
  • 19.11.2025
Публикация на сайте для учителей

Публикация педагогических разработок

Бесплатное участие. Свидетельство автора сразу.
Мгновенные 10 документов в портфолио.

Логические элементы
Иконка файла материала 8инф.pptx

Логические элементы

Логический элемент – это устройство (часть электронной логической схемы), которое после обработки двоичных сигналов выдаёт значение одной из логических операций.

Работу любого логического элемента математически удобно описать как логическую функцию.

Электронная логическая схема, выполняющая суммирование двоичных чисел, называется сумматором.

Из отдельных логических элементов можно составить устройства, производящие арифметические операции над двоичными числами..

Триггер - логический элемент, способный хранить один разряд двоичного числа.

Оперативная память современных компьютеров содержит миллионы триггеров. А в целом компьютер состоит из огромного числа логических устройств, образующих все его узлы и память.

Какой сигнал должен быть на выходе при каждом возможном наборе сигналов на входах?

A

B

F

0

1

0

1

0

1

0

1

0

Анализ электронной схемы

ЗАДАЧИ

Записать значение логической функции по заданной функциональной схеме при А=1, В=0,С=0.

F

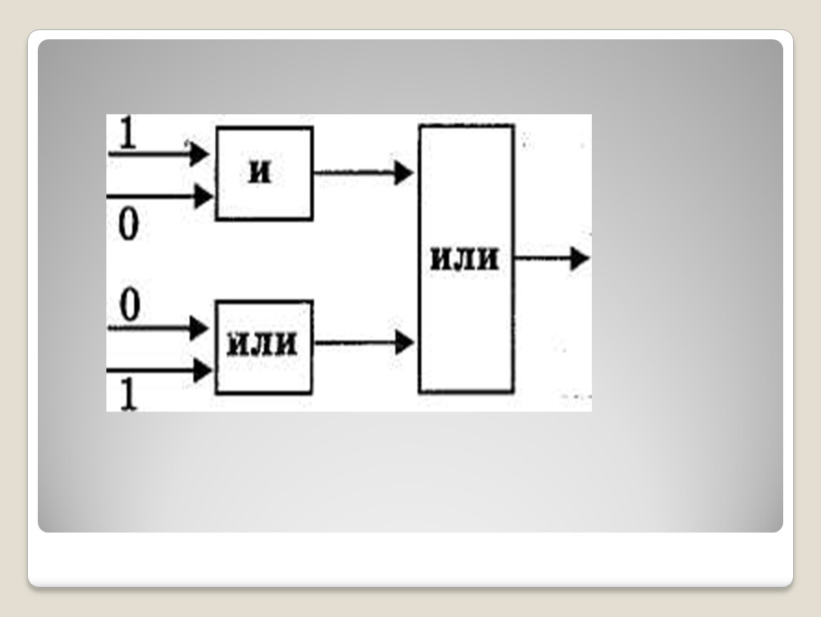
ЗАДАЧИ

Записать значение логической функции по заданной функциональной схеме при А=1, В=0,С=0.

F

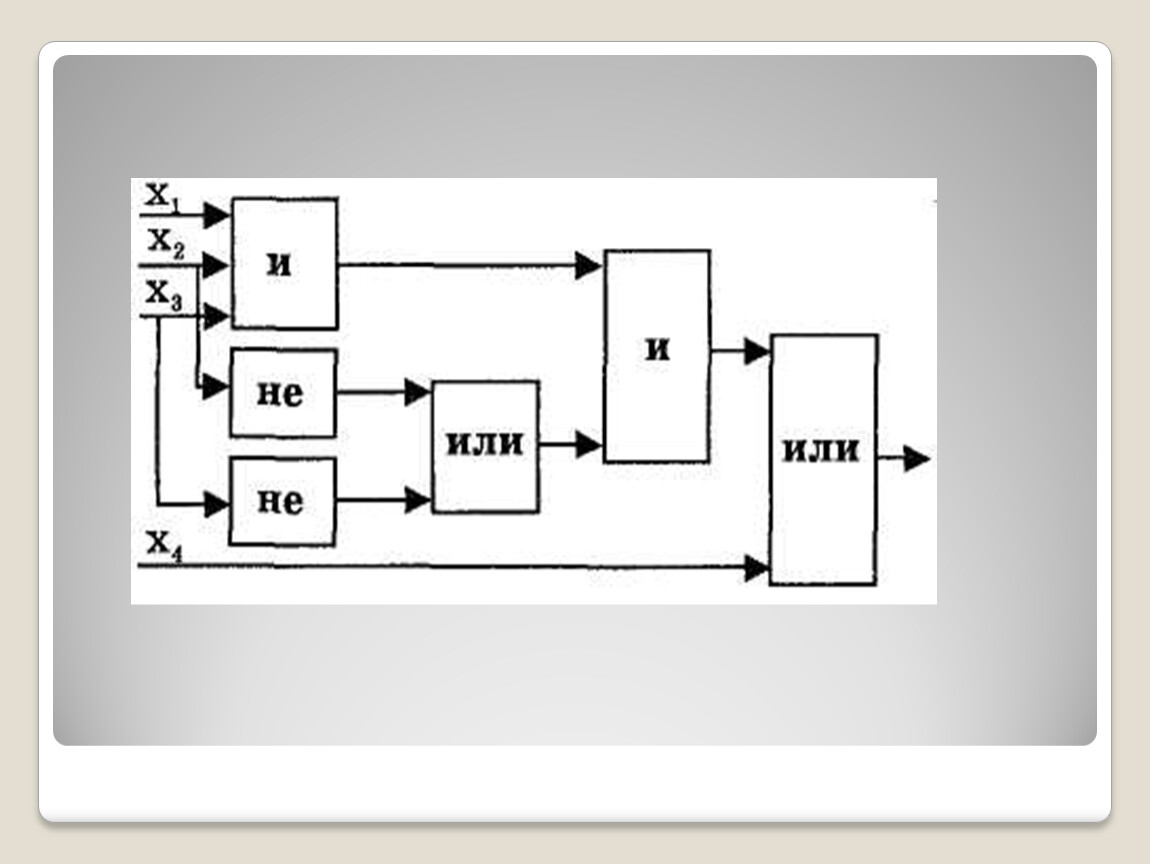
ЗАДАЧИ

Записать значение логической функции по заданной функциональной схеме при А=1, В=0,С=0.

F

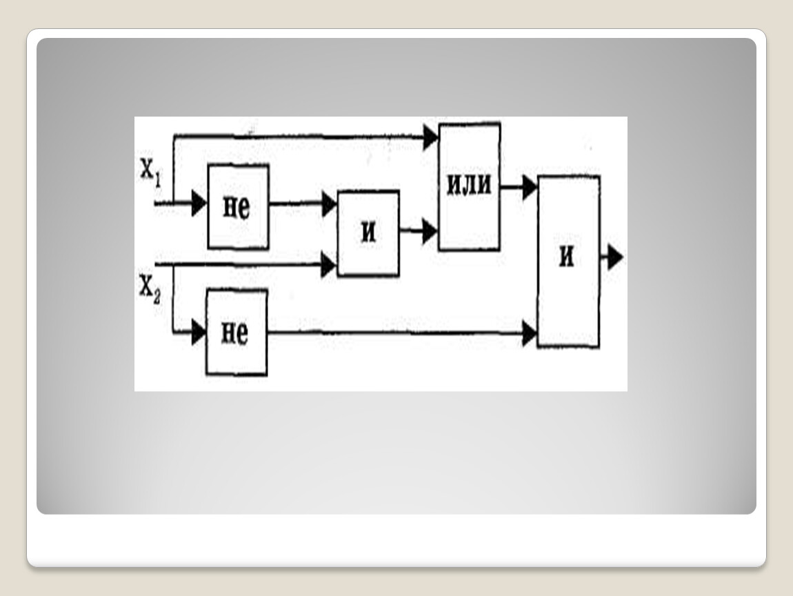
ЗАДАЧИ

Записать значение логической функции по заданной функциональной схеме при А=1, В=0,С=0.

F

ЗАДАЧИ

Записать формулу по заданной функциональной схеме и построить таблицу истинности.

Скачивание материала доступно только для авторизованных пользователей.

Посмотрите также