Самостоятельная работа 3.2
«Выполнение принципиальной электрической схемы и составление таблицы перечня элементов»
Цель выполнения:
- приобретение навыков оформления и чтения схем электрических принципиальных.
Время выполнения: 8 часов
Содержание:
На формате А3 выполнить схему ЭЗ с перечнем элементов.
Рекомендуемая последовательность выполнения:
- выполнить рамку и основную надпись, расположив её по длинной стороне листа;
- перечень элементов расположить над основной надписью, отступив от нее 12мм.;
- выполнить схему, заменяя окружности соответствующими условными графическими обозначениями элементов согласно таблице задания;
- обозначить элементы схем в соответствии с требованиями ГОСТ 2.712-81;
- заполнить перечень элементов в соответствии с ГОСТ 2.106-68;
- - заполнить основную надпись.
При выполнении элементов схем и линий электрической связи необходимо оставлять место для позиционных обозначений.
Перечень элементов можно выполнить в виде самостоятельного документа на формате А4. В этом случае необходимо помнить, что основная подпись выполняется по форме 2. При заполнении основной надписи необходимо указать наименование устройства, схемы, код документа.
Возможно выполнение задания с помощью компьютера.
Пример выполнения работы см. на рисунках 14 и 15.
Задание для графической работы см. в приложении А.
Приложение А
Задание для самостоятельной работы 5.1
«Выполнение принципиальных электрических схем и составление таблицы перечня элементов»
Вариант №1

|
Обозначение |
Наименование |
Количество |
|
|
Конденсаторы ...ТУ |
|
|
C1,C2,C4 |
KM-5б-H90-750 пФ... |
3 |
|
C3 |
КМ-5б-М47-68 nФ... |
1 |
|
|
Микросхемы |
|
|
D1 |
K155A6...ТУ |
1 |
|
D2 |
К553УД2 |
1 |
|
|
Резисторы |
|
|
R1,R3,R4,R7,R8 |
МЛТ-0,125-1кОм... ТУ |
5 |
|
R5 |
МЛТ-0,125-36кОм...ТУ |
1 |
|
R10 |
MЛT-0,125-62 кОм...ТУ |
1 |
|
R9 |
MЛT-0,125-330 кОм...ТУ |
1 |
|
R2 |
МЛТ-0,25-200 0м...ТУ |
1 |
|
R6 |
СПЗ-19б-0,5-1 кОм...ТУ |
1 |
|
VD1, VD2 |
СтабилитронД818A ...ТУ |
2 |
|
XI |
Вилка СНП59-96...ТУ |
1 |
Вариант №2

|
Обозначение |
Наименование |
Количество |
|
|
Конденсаторы КМ-5б...ТУ |
|
|
С1,СЗ |
КМ-5б-Н90-О,15мкФ... |
2 |
|
С2 |
КМ-5б-М1500-3300пФ... |
1 |
|
С4,С5 |
КМ-5б-М47-220пФ... |
2 |
|
|
Микросхемы |
|
|
D1 |
К553 УД1А…ТУ |
1 |
|
D2 |
К155ЛА6 ...ТУ „ |
1 |
|
|
Резисторы МЛТ…ТУ |
|
|
R1 |
МЛТ-0,5-470Ом... |
1 |
|
R4,R12 |
МТ-0,25-820 Ом... |
2 |
|
R2,R6 |
M/lT-0,25-1 мОм... |
2 |
|
R3,R5,R7...R11 |
МЛТ-0,25-6,8кОм |
7 |
|
|
Стабилитроны |
|
|
VD1 |
Д814В…ТУ |
1 |
|
VD2 |
Д818А…ТУ |
1 |
|
X1 |
Вилка СНП59-96…ТУ |
1 |
Вариант №3.

|
Обозначение |
Наименование |
Количество |
|
|
|
|
|
С1...С4 |
Конденсатор КМ-5б-H90-0,15мкФ…ТУ |
4 |
|
|
|
|
|
D1…D3 |
Микросхема KP140УД608…ТУ |
3 |
|
|
Резисторы |
|
|
R1,R5 |
СПЗ-19б..ТУ |
2 |
|
R8…R11,R16,R17 |
С2-29В-0,25-20 кОм...ТУ |
6 |
|
R2,R4,R6,R7 |
МЛТ-О,25-5,1кОм...ТУ |
4 |
|
R12…R15 |
МЛТ-0,25-510м...ТУ |
4 |
|
R3 |
МЛТ-0,25-20кОм…ТУ |
1 |
|
Х1 |
Вилка СНП59-96...ТУ |
1 |
Вариант №4

|
Обозначение |
Наименование |
Количество |
|
|
Конденсаторы КМ-5б...ТУ |
|
|
С1 |
КМ-5б-Н90-0,15мкФ… |
1 |
|
С2…С4 |
КМ-55-Н90-750 пФ... |
3 |
|
D1 |
Микросхема КР140УД608...ТУ |
1 |
|
|
Резисторы |
|
|
R1 |
СП5-14-1вт-22кОм…ТУ |
1 |
|
R2,R3,R5,R7,R9 |
МЛТ-0,25-1,3кОм…ТУ |
5 |
|
R11,R15 |
MЛT-0,25-2,7 кОм...ТУ |
2 |
|
R4,R6,R8,R13,R14 |
MЛT-0,25-180 Ом...ТУ |
5 |
|
R10,R12 |
МЛТ-0,5-1,0 Ом…ТУ |
2 |
|
VD1 |
СтабилитронД818А…ТУ |
1 |
|
|
Транзисторы |
|
|
VT1 |
КТ503Г...ТУ |
1 |
|
VT2.VT3 |
КТ315Б...ТУ |
2 |
|
XI |
Вилка СНП59-96...ТУ |
1 |
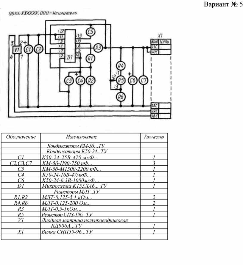
Вариант № 5

|
Обозначение |
Наименование |
Количество |
|
|
Конденсаторы КМ-5б…ТУ |
|
|
|
Конденсаторы К50-24...ТУ |
|
|
С1 |
К50-24-25В-470 мкФ... |
1 |
|
С2,СЗ,С7 |
KM-5б-H90-750 пФ... |
3 |
|
С5 |
KM-5б-M1500-2200 пФ... |
1 |
|
С4 |
К50-24-16В-47мкФ... |
1 |
|
С6 |
K50-24-6,3B-1000мкФ… |
1 |
|
D1 |
Микросхема K155ЛA6... ТУ |
1 |
|
|
Резисторы МЛТ...ТУ |
|
|
R1,R2 |
МЛT-0,125-5,1 кОм... |
2 |
|
R4,R6 |
МЛТ-0,125-200 Ом... |
2 |
|
R3 |
МЛТ-0,5-1кОм… |
1 |
|
R5 |
Резистор СПЗ-19б...ТУ |
1 |
|
V1 |
Диодная матрица полупроводниковая |
|
|
|
КД906А...ТУ |
1 |
|
Х1 |
Вилка СНП59-96...ТУ |
1 |
|
|
|
|
Вариант № 6

|
Обозначение |
Наименование |
Количество |
|
|
Конденсаторы КМ-5б...ТУ |
|
|
С1…С4 |
КМ-5б-М1500-1200 пФ... |
4 |
|
С5 |
KM-5б-M47-270nФ... |
1 |
|
D1 |
Микросхема К553УД2...ТУ |
1 |
|
|
Резисторы |
|
|
R1 |
СП5-5-1Вт-680м...ТУ |
1 |
|
R6 |
СП5-14-1Вт-10кОм...ТУ |
1 |
|
R2,R5,R7 |
МЛТ-0,125-510 0м...ТУ |
3 |
|
R3,R4,R8 |
МЛТ-0,125-10кОм…ТУ |
3 |
|
VD1,VD2,VD4,VD5 |
Диод КД521А...ТУ |
4 |
|
VD3 |
Стабилитрон Д818Д...ТУ |
1 |
|
|
|
|
|
VT1...VT3 |
Транзистор КТ503Г...ТУ |
3 |
|
Х1 |
Вилка СНП59-9б...ТУ |
1 |
|
|
|
|
Вариант № 7

|
Обозначение |
Наименование |
Количество |
|
С1...С4 |
Конденсатор КМ-5б-Н90-0,15мкФ...ТУ |
4 |
|
|
|
|
|
D1..D3 |
Микросхема КР140УД608..ТУ |
3 |
|
|
|
|
|
|
Резисторы |
|
|
R1…R4 |
MЛT-0,25-220 Ом...ТУ |
4 |
|
R7...R11 |
МЛТ-0,25-20к0м...ТУ |
4 |
|
R5.R6 |
СПЗ-19б...ТУ |
2 |
|
XI |
Вилка СНП59-96..ТУ |
1 |
|
|
|
|
Вариант №8

|
Обозначение |
Наименование |
Количество |
|
|
Конденсаторы КМ-5б... ТУ |
|
|
С1,СЗ,С4 |
КМ-5б-М1500-1200пФ... |
3 |
|
С2 |
КМ-5б-М47-270 пФ... |
1 |
|
D1 |
Микросхема К554САЗА ...ТУ |
1 |
|
|
Резисторы МЛТ...ТУ |
|
|
R1 |
МЛТ-0,125-5,6к0м... |
1 |
|
R3,R5 |
МЛТ-0,125-680Ом… |
2 |
|
R2,R4 |
МЛТ-0,25-2к0м... |
2 |
|
R6 |
МЛТ-0,25-200Ом… |
1 |
|
R7,R8 |
МЛТ-0,5-1к0м... |
2 |
|
|
Диоды |
|
|
VD1,VD2 |
КД522В ...ТУ |
2 |
|
VD3 |
КД510А ...ТУ |
1 |
|
|
Транзисторы |
|
|
VT1,VT3 |
КТ503А ...ТУ |
2 |
|
VT2 |
КТ313А ... ГУ |
1 |
|
X1 |
Вилка СНП59-96...ТУ |
1 |
Вариант №9

|
Обозначение |
Наименование |
Количество |
|
|
Конденсаторы |
|
|
С1,СЗ |
КМ-5б-М47-68пФ...ТУ |
2 |
|
С2 |
К50-24-25В-22 мкФ..ТУ |
1 |
|
С4 |
KM-5б-H90-1200 nФ... ТУ |
1 |
|
D1 |
Микросхема К140УД11...ТУ |
1 |
|
|
Резисторы |
|
|
R1…R3 |
С2-29В-0,125-2,21 кОм... ТУ |
3 |
|
R4…R6,R8 |
МЛТ-О,25-2,7кОм...ТУ |
4 |
|
R7,R9,R10 |
MЛT-0,25-120 Ом...ТУ |
3 |
|
R11 |
МЛТ-0,5-1кОм... ТУ |
1 |
|
R13,R14 |
МЛТ-2-З9Ом...ТУ |
2 |
|
R12 |
MЛT-2-2 0М...ТУ |
1 |
|
VD1 |
Диод КД521А ...ТУ |
1 |
|
VT1 |
Транзистор КТ502В...ТУ |
1 |
|
VT2 |
ТранзисторКТ315А ...ТУ |
1 |
|
X1 |
Вилка. СНП59-96...ТУ |
1 |
Вариант №10

|
Обозначение |
Наименование |
Количество |
|
|
Конденсаторы КМ-5б…ТУ |
|
|
С1,С2 |
КМ-5б-Н90-750пФ... |
2 |
|
С5 |
КМ-5б-М47-68пФ... |
1 |
|
СЗ.С4 |
КМ-5б-М47-270 пФ... |
2 |
|
D1 |
Микросхема 154УД3А…ТУ |
1 |
|
|
Резисторы МЛТ...ТУ |
|
|
R1,R7 |
МЛТ-0,125-100 Ом... |
2 |
|
R2,R5 |
МЛТ-0,125-1,6м0м... |
2 |
|
R3 |
MЛT-0,125-56 кОм... |
1 |
|
R4,R6,R8 |
МЛТ-0,125-220Ом.. |
3 |
|
R9 |
МЛТ-0,125-470 Ом... |
1 |
|
VD1, VD2 |
Диод КД522Б ...ТУ |
2 |
|
|
Транзисторы ...ТУ |
|
|
VT1 |
КТ315Б |
1 |
|
VT2 |
КТ315А |
1 |
|
X1 |
Вилка СНП59-96...ТУ |
1 |
|
|
|
|

Рисунок 14. Пример выполнения схемы электрической принципиальной
![]() |
![]() |
Материалы на данной страницы взяты из открытых источников либо размещены пользователем в соответствии с договором-офертой сайта. Вы можете сообщить о нарушении.