Конспект урока
на тему: Газораспределительный механизм
1. Распределительный вал — изготовляется из чугуна или стали — в задачу которого входит открывание/закрывание клапанов газораспределительного механизма при работе цилиндров. Он монтируется в картере, который перекрывает крышка газораспределительного механизма, или в головке блока цилиндра. При вращении вала на цилиндрических шейках происходит воздействие на клапан. На него воздействуют кулачки, расположенные на распределительном валу. На каждый клапан воздействует свой кулачек.
2. Толкатели, изготовленные также из чугуна или стали. В их задачу входит передача усилия от кулачков на клапаны.
3. Клапаны впускные и выпускные. В их задачу входит подача топливно-воздушное смеси в камеру сгорания и удаления отработочных газов. Клапан представляет из себя стержень с плоской головкой. Основным отличием впускных и выпускных клапанов является диаметр головки. Впускной состоит из стали с хромированным покрытием, а выпускной — из жаропрочной стали. Клапанный стержень изготавливается в виде цилиндра с канавкой, необходимой для фиксирования пружины. Клапана двигаются только по направлению ко втулкам. Чтоб масло не попадало в камеру сгорания цилиндра, производят установку уплотнительного колпачка. Его изготавливают из маслостойкой резины. На каждый клапан крепятся внутренняя и наружная пружина, для крепления используют шайбы, тарелки.
4. Штанги. Они необходимы для передачи усилия от толкателей к коромыслу.
5. Привод газораспределительного механизма. Он передает вращение коленвала на распредвал и тем самым приводит его в движения, причем движется он со скоростью в 2 раза меньше, чем скорость коленвала. На 2 вращения коленвала распредвал делает 1 вращение — это и называется рабочим циклом, при котором происходит 1 открытие клапанов.

Работа ГРМ
1. Впрыск топлива в камеру сгорания цилиндра.
2. Сжатие.
3. Рабочий ход.
4. Удаления газов из камеры сгорания цилиндра.
Рассмотрим подробнее принцип действия газораспределительного механизма.
1. Подача топлива в камеру сгорания цилиндра происходит за счет движения коленвала, который передает свое усилие на поршень и он начинает движения из так называемой ВМТ (это точка, выше которой поршень не поднимается) в НМТ (это точка, соответственно, ниже которой поршень не опускается). При этом движении поршня одновременно открывается впускной клапан и топливно-воздушная смесь заполняет камеру сгорания цилиндра. Впрыснув положенное количество топливно-воздушной смеси клапан закрывается. При этом коленвал поворачивается на 180 градусов от своего начального положения.
2. Сжатие. Дойдя до НМТ поршень продолжает свое движение. Меняя свое направление в ВМТ, в этот момент в цилиндре и происходит сжатие топливно-воздушной смеси. При подходе поршня к высшей точке фаза сжатия заканчивается. Коленчатый вал продолжает свое движения и поворачивается на 360 градусов. И на этом фаза сжатия закончена.
3. Рабочий ход. Воздушно-топливная смесь воспламеняется свечей зажигания, когда поршень находится в высшей точке цилиндра. При этом достигается максимальный момент сжатия. Затем поршень начинает двигаться к нижней точке цилиндра, так как на поршень оказывают огромное давление газы, образовавшиеся при горении воздушно-топливной смеси. Это движение и есть рабочий ход. При опускании поршня до НМТ фаза рабочего хода считается завершенной.
4. Удаления газов из камеры сгорания цилиндра. Поршень движется к высшей точке цилиндра, все это происходит при усилии, которое оказывает коленчатый вал газораспределительного механизма двигателя. При этом открывается выпускной клапан и поршень начинает избавлять камеру сгорания цилиндра от газов, которые образовались после сгорания топливно-воздушной смеси в камере сгорания цилиндра. После достижения высшей точки и освобождения ее от газов. Поршень начинает свое движение в низ. Когда поршень доходит да НМТ, то рабочая фаза удаления газов из камеры сгорания цилиндра считается законченной, а коленчатый вал совершает оборот на 720 градусов от своего начального положения.
Для точной работы клапанов газораспределительной системы происходит синхронизация с работой коленчатого вала двигателя.
Неисправности ГРМ
· Уменьшение компрессии и хлопки в трубопроводах. Как правило, происходит после появления нагара, раковин на поверхности клапана, их прогорания, причиной чего является не плотное прилегания впускных и выпускных клапанов к седлам. Также оказывают влияние такие факторы, как, поломка или износ пружин, заедание клапанного стержня во втулке, полное отсутствие промежутка между коромыслом и клапанами.
· Уменьшение мощности, троение мотора, а также металлические стуки. Появляются эти признаки, потому что впускные и выпускные клапана не полностью открываются, и часть воздушно-топливной смеси не попадает в камеру сгорания цилиндра. Следствием этого является большой тепловой зазор или поломка гидрокомпенсатора, что и становится причиной неполадки и не штатной работы клапанов.
· Механический износ деталей, таких как: направляющих втулок коленвала, шестерни распредвала
, а также смещение распредвала. Механический износ деталей, как правило, происходи при достаточном сроке работы мотора и работы двигателя в критических пределах.
· Так же происходит выход из строя двигателя по причине износа зубчатого ремня, который имеет свой гарантийный срок службы, цепи, которая при длительном сроке работы и постоянном на нее воздействии становится менее работоспособной, успокоителя цепи и натяжителя зубчатого ремня.
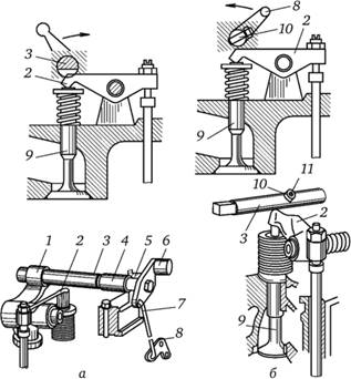
3. Декомпрессионный механизм
Чтобы облегчить прокручивание коленчатого вала, в некоторых случаях полость камеры сгорания сообщают с атмосферой. Для этого предназначен декомпрессионный механизм. С его помощью в период пуска двигателя вручную открывают впускные, а иногда и выпускные клапаны и удерживают их открытыми независимо от положения кулачков распределительного вала. Декомпрессионный механизм относится к системе пуска двигателя, но конструктивно объединен с механизмом газораспределения.
В двигателях СМД-14БН, СМД-18БН декомпрессионный механизм состоит из корпуса 5, валиков 3, оси 4, рычага 6 с фиксатором, тяги 7 и рукоятки 8. Валики установлены в приливах стоек коромысел и соединены между собой. На валиках сделаны лыски, которые расположены напротив коромысел. При нижнем положении рукоятки валики повернуты лысками в сторону коромысел и не мешают закрыванию клапанов, при верхнем — они повернуты и цилиндрической поверхностью упираются в коромысла, воздействуя на их длинное плечо, и открывают клапаны.

а — СМД-18БН; б — А-01МЛ: 1 — стойка; 2 — коромысло; 3 — валик; 4 — ось; 5 — корпус; 6 — рычаг с фиксатором; 7 — тяга; 8 — рукоятка; 9 — клапан; 10 — контргайка; 11 — винт
В двигателях СМД-14БН, СМД-18БН при включении декомпрессионного механизма открываются впускные и выпускные клапаны. Рукоятка удерживается в крайних положениях фиксатором, расположенным на рычаге. Рычаг соединен с рукояткой тягой.
Декомпрессионный механизм двигателя А-01МЛ, (рис. 34, б) работает аналогично. Отличие заключается в том, что на валиках напротив коромысел имеются винты 11. Когда механизм выключен, винт 11 занимает наклонное положение и не касается коромысла. При повороте рукоятки он располагается вертикально, при этом его закругленный конец нажимает на длинное плечо коромысла и открывает клапан. Степень открытия клапана регулируют этим же винтом.
Скачано с www.znanio.ru
Материалы на данной страницы взяты из открытых источников либо размещены пользователем в соответствии с договором-офертой сайта. Вы можете сообщить о нарушении.