Выражения с переменными
Цели: продолжить формировать умение находить значение выражения с переменными; формировать умение составлять выражение с переменными по условию задачи, в том числе формулы, и находить их значение.
Ход урока
I. Устная работа.
1. Назовите выражения, не имеющие смысла.
а) 2 · 4 – 8; б) 3 · 2
: (6 – 1,5 · 4); в)
;
г) 3 : 3 – 7 · 2; д)
;
е)
;
ж) 2 : 4 – 2; з) 3 :
.
2. Найдите значение выражения 3а – b, если:
а) а = 2 и b = –4; б)
а = 0 и b =
;
в) а = –4 и b = 5; г)
а = –
и b =
.
3. Сколько процентов составляет:
а) 50 от 200; б) 13 от 260;
в) 1,5 от 20; г) 240 от 80?
II. Объяснение нового материала.
Вводится понятие формулы.Приведу примеры различных формул, применяемых на практике (вычисление площадей, объемов, числовые формулы и т. п.). Также следует объясняю что есть стабильные формулы, которые уже выведены и могут использоваться для расчетов. А есть задачи, для решения которых необходимо самостоятельно выявить закономерности (зависимости), описанные в условии, ввести переменные, составить выражение с переменными (формулу) и использовать его для вычисления искомого задачи при конкретных исходных данных.
III. Формирование умений и навыков.
1. № 29.
Решение:
Если площадь первого участка а га, а с каждого га собрали 32 ц пшеницы, то со всего участка собрали 32а ц пшеницы. Аналогично получаем для второго участка урожай 40b ц пшеницы. Тогда с обоих участков был собран урожай 32а + 40b (ц). Если а = 120 и b = 80, то 32а + + 40b = 32 · 120 + 40 · 80 = 3840 + 3200 = 7040.
Ответ: 32а + 40b (ц); 7040 ц.
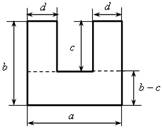
2. № 31.
Решение:
Фигура состоит из отдельных частей. её площадь можно найти двумя способами:
1-й способ. «Разбить» фигуру на отдельные фигуры, для которых можно легко найти площадь, и, сложив полученные результаты, получить общую площадь.

Площадь состоит из суммы площадей трех прямоугольников со сторонами: d и с; d и с; а и b – с. Их площади соответственно равны: сd; сd; а (b – с). Значит, площадь искомой фигуры составляет:
сd + сd + а (b – с) или 2сd + а (b – с).
2-й способ. Представить фигуру в виде прямоугольника со сторонами а и b с «вырезанным» прямоугольником со сторонами с и а – 2d. Их площади соответственно равны аb и с (а – 2d). Значит, площадь искомой фигуры составляет аb – с (а – 2d).

Ответ: 2сd + а (b – с) (см2) или аb – с (а – 2d) (см2).
3. № 33.
Решение:
После добавления 5
г соли в раствор масса его стала равна 255
г. Масса чистой соли в растворе также увеличилась на 5
г и стала составлять (х + 5) г. Концентрация соли, таким
образом, составляет
∙ 100 %.
Ответ:
∙
100 %.
4. № 35 (устно); № 36 (устно).
2-я группа
1. № 37 (устно); № 38.
2. № 39 (устно); № 40 (устно).
3. № 41 (устно); № 42.
iV. Проверочная работа.
Вариант 1
Составьте выражение для вычисления площади пола, уложенного п квадратными плитками со стороной а см. Вычислите эту площадь, если а = 20 и п = 500.
Вариант 2
Составьте выражение для вычисления пути, пройденного велосипедистом за время t ч со скоростью υ км/ч. Вычислите путь велосипедиста, если υ = 25, t = 1,2.
V. Итоги урока.
– Что называется значением выражения с переменными?
– В каком случае выражение с переменными не имеет смысла? Назовите выражение, которое содержит переменную х и которое не имеет смысла при х = –3,5.
– Назовите выражение, имеющее смысл при любых значениях входящей в него переменной у.
– Что представляет собой формула? Назовите формулу четного числа, нечетного числа.
Домашнее задание: 1. № 30, № 32, № 34, № 43.
Материалы на данной страницы взяты из открытых источников либо размещены пользователем в соответствии с договором-офертой сайта. Вы можете сообщить о нарушении.