МИНИСТЕРСТВО ОБРАЗОВАНИЯ И НАУКИ
ДОНЕЦКОЙ НАРОДНОЙ РЕСПУБЛИКИ
ГПОУ «ГОРЛОВСКИЙ КОЛЛЕДЖ ПРОМЫШЛЕННЫХ ТЕХНОЛОГИЙ И ЭКОНОМИКИ»
УТВЕРЖДАЮ:
Зам. директора по УВР
_________
___.___.20___
СБОРНИК ИНСТРУКЦИЙ
к выполнению лабораторных работ
по дисциплине ОП.09 «Электрические машины»
Специальность: 27.02.04 Автоматические системы управления
|
Рассмотрено на заседании цикловой комиссии профессиональной электромеханической подготовки Протокол №__ от «__» ___. 20 г. Председатель комиссии _________________Е.П.Бондаренко
|
Подготовили преподаватели А.В.Исаев, Н.С. Сологуб |
г. Горловка
Сборник инструкций к выполнению лабораторных работ по дисциплине ОП.09 «Электрические машины». Подготовили преподаватели
А.В. Исаев, Н.С. Сологуб - Горловка: ГПОУ «Горловский колледж промышленных технологий и экономики», 20__. - 70 с.
Представлены рекомендации к проведению лабораторных работ и оформлению отчетов по их выполнению.
Предназначены для использования при проведении лабораторных работ по дисциплине студентами специальности 27.02.04 Автоматические системы управления дневной формы обучения.
Для преподавателей и студентов
СОДЕРЖАНИЕ
Требования касающиеся составления отчета по лабораторным
работам и их защиты 4
Инструкция по технике безопасности при выполнении
лабораторных работ 5
Инструкция к лабораторной работе № 1 7
Отчет по лабораторной работе № 1 13
Инструкция к лабораторной работе № 2 18
Отчет по лабораторной работе № 2 22
Инструкция к лабораторной работе № 3 25
Отчет по лабораторной работе № 3 30
Инструкция к лабораторной работе № 4 33
Отчет по лабораторной работе № 4 37
Инструкция к лабораторной работе № 5 41
Отчет по лабораторной работе № 5 44
Инструкция к лабораторной работе № 6 47
Отчет по лабораторной работе № 6 49
Инструкция к лабораторной работе № 7 51
Отчет по лабораторной работе № 7 53
Инструкция к лабораторной работе № 8 56
Отчет по лабораторной работе № 8 58
Приложение А Критерии оценивания учебных достижений студентов
на лабораторных занятиях 60
ТРЕБОВАНИЯ ПО СОСТАВЛЕНИЮ ОТЧЕТА ИЗ ЛАБОРАТОРНЫХ
РАБОТ И ИХ ЗАЩИТЫ
1 Отчет по лабораторной работе оформляется на листе бумаги для письма формата А4 ГОСТ 2.105-79 и подшивается в скоросшиватель.
2 Отчет может быть выполнен как в рукописном виде так и на специальных бланках.
3 Отчет должен быть оформлен аккуратно, четко, без ошибок и исправлений.
4 Отчет по лабораторной работе должен содержать в себе:
- тему;
- цель;
- задания;
- приборы и оборудование;
- необходимые рисунки, схемы, описания, расчеты, таблицы, графики, векторные диаграммы и т.д.;
- вывод о выполнении работы.
5 Тема, цель, задачи, приборы и оборудование должны быть выполнены при подготовке к лабораторной работе.
ВНИМАНИЕ!
СТУДЕНТЫ, КОТОРЫЕ НЕ ВЫПОЛНИЛИ ТРЕБОВАНИЯ ПУНКТА 5 К ВЫПОЛНЕНИЮ ЛАБОРАТОРНОЙ РАБОТЫ НЕ ДОПУСКАЮТСЯ
6 Защита лабораторной работы осуществляется непосредственно во время ее проведения.
7 Студентам, которые не выполнили или не защитили работу по уважительным причинам, разрешается сделать это в течение недели во время дополнительного занятия, назначенного преподавателем.
8 Сборник отчетов сдается преподавателю на итоговом занятии.
9 Критерии оценивания учебных достижений студентов на лабораторных занятиях приведены в приложении А.
ВНИМАНИЕ!
СТУДЕНТЫ, КОТОРЫЕ НЕ ВЫПОЛНИЛИ ЛАБОРАТОРНЫЕ РАБОТЫ, НЕ ЗАЩИТИЛИ ЕЕ ИЛИ НЕ СДАЛИ СБОРНИК ОТЧЕТОВ В ПОЛНОМ ОБЪЕМЕ НЕ МОГУТ БЫТЬ ДОПУЩЕННЫЕ К ЭКЗАМЕНУ ИЛИ ЗАЧЕТУ ПО ДИСЦИПЛИНЕ.
ИНСТРУКЦИЯ
ПО ТЕХНИКЕ БЕЗОПАСНОСТИ ПРИ ВЫПОЛНЕНИИ ЛАБОРАТОРНЫХ РАБОТ
1. Приступая к работе с электромеханическим оборудованием, помните об опасности поражения электрическим током и будьте осторожны.
2. Прежде чем приступать к соединению оборудования, расположенного на стенде, убедитесь, что контакты автоматов сети разомкнуты, а указатели положения элементов регулирования лабораторных автотрансформаторов и источников питания расположены в позиции "НОЛЬ".
3. Нельзя проверять пальцами присутствие напряжения между зажимами источников питания или линейных проводов сети: для этого служит вольтметр или контрольная лампа.
4. Помните, что отключенный конденсатор может хранить опасный остаточный заряд и не забывайте разрядить его перед включением в цепь.
5. Убедитесь в исправности изоляции соединенных проводов. Не используйте провода без наконечников и штырей.
6. При соединении цепей избегайте пересечений проводов и обеспечьте высокую плотность контактов всех разъемных соединений. Неиспользованные провода уберите из монтажной панели в отведенное для них место.
7. При соединении цепей силового понижающего трансформатора, помните об опасности ошибочного соединения проводов обмотки низкого напряжения с проводами сети.
8. Включать автоматы сетей и проводить первое испытание цепей с регулирующими источниками питания можно только с разрешения руководителя лабораторного занятия.
9. Не прикасайтесь к неизолированным элементам соединений и коммутационных устройств, которые находятся под напряжением.
10. Особую осторожность храните при исследовании участков цепи с последовательным соединением дросселей и конденсаторов.
11. Остерегайтесь столкновения с валами, которые вращаются и соединительными муфтами электрических машин, а также с дисковыми роторами электромагнитных тормозов.
12. Категорически запрещается размыкать цепь вторичной обмотки трансформатора тока, если его предыдущая обмотка включена в сеть.
13. Прежде чем разобрать цепи или проводить любое пересоединения в них, убедитесь, что контакты автоматов разомкнуты, источники питания отключены, а роторы электрических машин находятся в неподвижном состоянии.
14. Найдя любое повреждение в электротехническом устройстве, находящимся под напряжением, немедленно отключить автомат сети и сообщишь об этом руководителю лабораторного занятия.
15. Замену и установку плавкой вставки предохранителя проводить при отключенном автомате только с разрешения руководителя лабораторного занятия
ВНИМАНИЕ!
К ЛАБОРАТОРНОЙ РАБОТЕ ДОПУСКАЮТСЯ СТУДЕНТЫ, КОТОРЫЕ ОЗНАКОМЛЕНЫ С ИНСТРУКЦИЕЙ ПО ТЕХНИКЕ БЕЗОПАСНОСТИ.
Лабораторная работа №1
1 Тема: исследования работы однофазного трансформатора.
2 Цель работы:
2.1 изучить устройство и принцип действия однофазного трансформатора;
2.2 научиться проводить испытания его в режиме холостого хода, короткого замыкания, рабочего режима.
3 Задание:
3.1 ознакомиться с приборами и оборудованием, необходимым для проведения работы;
3.2 записать основные технические характеристики трансформатора, собрать схему холостого хода;
3.3 подключить приборы и провести расчет U1, U2, Ін1, I0, РО.
3.4 собрать схему опыта короткого замыкания;
3.5 сделать измерения U1кз, I1кз, Ркз;
3.6 На основе измерений рассчитать U1кз%, I1кз, Rк, Zк. соsФ;
3.7 собрать схему опыта рабочего режима;
3.8 замерять U1, U2, I1, I2, Р1, Р2 на основе измерений рассчитать, соsφ;
3.9 по данным таблицы построить внешнюю характеристику.
4 Приборы и оборудование:
4.1 амперметр Э526 2,5А -1;
4.2 амперметр Э525 0,5А -1;
4.3 амперметр Э526 5А -1;
4.4 вольтметр Э533 ЗООВ-1;
4.5 ваттметр Д500 Д5004/3;
4.6 оборудованный блок "Трансформатор";
4.7 съемный блок "Резисторы";
4.8 комбинированный прибор;
5 Методические указания к выполнению работы
5.1 Ознакомиться с приборами и оборудованием, необходимыми для проведения работы.
5.2 Записать в таблицу 1.1 Основные технические характеристики трансформатора.
Таблица 1.1- Технические характеристики трансформатора
|
Тип трансформатора |
S |
U1 |
U2 |
Ін1 |
Ін2 |
|
кВА |
В |
В |
А |
А |
|
|
|
|
|
|
|
|
Если известна только номинальная мощность трансформатора и напряжения первичной и вторичной U1 и U2 обмоток, то для определения величины тока в любой из обмоток можно воспользоваться приблизительным вычислениям.
Iн1=S/U1
Iн2=S/U2
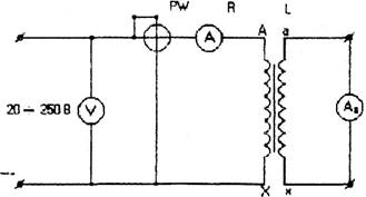
5.3 Собрать схему опыта
холостого хода и показать ее преподавателю.
Рисунок 1.1 – Схема опыта холостого хода
5.4 Изменяя автотрансформатором напряжение, установить в первичной обмотке трансформатора номинальное напряжение.
Провести следующие измерения:
- первичного и вторичного напряжения;
- ток холостого хода;
- мощность холостого хода
На основе этих измерений вычислить:
- коэффициент трансформации;
![]()
- ток холостого хода в процентах с соотношением к номинальному току трансформатора;
![]()
- коэффициент мощности трансформатора в режиме холостого хода;

Данные измерений и расчетов свести в таблицю1.2:
Таблица 1.2 - Результаты измерений и расчетов
|
измерено |
рассчитано |
||||||
|
U1 |
U2 |
Iн1 |
I0 |
P0 |
i0 |
K |
cosφ |
|
В |
В |
А |
А |
Вт |
% |
- |
- |
|
|
|
|
|
|
|
|
|
5.5 Собрать схему (рис. 1.2) опыта короткого замыкания и показать ее преподавателю.

Рисунок 1.2 – Схема опыта короткого замыкания
![]()
5.6 С помощью автотрансформатора изменять напряжение
на первичной обмотке трансформатора от нуля до любого значения, при котором ток
достигнет своей номинальной величины.
При этом сделать следующие измерения:
- напряжения при коротком замыкании;
- тока в первичной обмотке при исследовательском коротком замыкании;
- мощности короткого замыкания.
На основе измерений рассчитать:
- напряжение короткого замыкания в % по отношению к номинальному напряжению первичной обмотки трансформатора:
![]()
- первичный ток при аварийном коротком замыкании
![]()
- полное сопротивление короткого замыкания Zк и его активную составляющую Rк
![]()
- коэффициенты мощности в режиме короткого замыкания
5.7 Результаты измерений и расчетов занести в таблицу 1.3.
Таблица 1.3 - Результаты измерений и расчетов
|
измерено |
рассчитано |
||||||||
|
U1 |
U1кз |
U1н |
I1кз |
Pкз |
Uкз% |
I1кз |
Rк |
Zк |
cosφ |
|
В |
В |
В |
А |
Вт |
% |
А |
Ом |
Ом |
- |
|
|
|
|
|
|
|
|
|
|
|
5.8 Собрать схему (рис. 1.3) опыта рабочего режима и показать ее преподавателю:
![]()
![]()
![]()
![]()
![]()

Рисунок 1.3 – Схема опыта рабочего режима
5.9 Подать в схему напряжение, установить в первичной обмотке номинальное напряжение.
5.10 Изменяя ток нагрузки путем включения резисторов, получить 5-7 значений измерений.
5.11 Результаты измерений и расчетов занести в таблицу 1.4.
Таблица 1.4- Результаты измерений и расчетов
|
измерено |
рассчитано |
||||||
|
I1 |
I2 |
U1 |
U2 |
P1 |
P2 |
η |
cosφ |
|
А |
А |
В |
В |
Вт |
Вт |
% |
- |
|
|
|
|
|
|
|
|
|
|
|
|
|
|
|
|
|
|
|
|
|
|
|
|
|
|
|
|
|
|
|
|
|
|
|
|
|
|
|
|
|
|
|
|
|
5.12 По данным таблицы построить внешнюю характеристику:
![]()
5.13 Найти потери КПД трансформатора по данным опытом Х.Х. и К.З. Потери в меди обмоток соответствуют номинальной нагрузке трансформатора Рст = Р0, которая замеренная при проведении опыта холостого хода и не зависит от размера нагрузки трансформатора.
Потери в меди обмоток соответствуют номинальной нагрузке трансформатора
![]()
Поэтому КПД определяется:
![]()
![]()
6 Содержание отчета
6.1 Тема.
6.2 Цель.
6.3 Задание.
6.4 Приборы и оборудование.
6.5 Схемы опытов.
6.6 Таблицы измерений и расчетов.
6.7 Расчеты.
6.8 График внешней характеристики.
6.9 Вывод.
7 Контрольные вопросы
7.1 Устройство и принцип действия однофазного трансформатора.
7.2 Как вычислить мощность потерь в стали и меди трансформатора?
7.3 Как осуществить опыт короткого замыкания однофазного трансформатора?
7.4 Напишите формулу напряжения короткого замыкания трансформатора.
7.5 Напишите формулу КПД трансформатора.
8 Литература
8.1 Гаврилюк В.А., Гершунский Б.С., Общая електротехника с основами электроники - М, Высшая школа, 1980
8.2 Кацман М.М. Электрические машины – М, Высшая школа, 2002.
8.3 Кацман М.М. Электрические машины и электропривод автоматических устройств - М .: Высшая школа, 1987.
8.4 Харизаменов И.В., Харизаменов Г.И. Электрооборудование станков и автоматических линий - М .: Машиностроение, 1987.
.
Отчет по лабораторной работе № 1
Студента ___________________________, группы _____________
1 Тема: исследования работы однофазного трансформатора
2 Цель работы:
2.1 изучить устройство и принцип действия однофазного трансформатора;
2.2 научиться проводить испытания его в режиме холостого хода, короткого замыкания, рабочем режиме.
3 Задачи:
3.1 ознакомиться с приборами и оборудованием, необходимыми для проведения работы;
3.2 записать основные технические характеристики трансформатора;
3.3 собрать схему холостого хода;
3.4 подключить схему к сети, снять показания приборов и провести расчет U1, U2, Iн1, I0, P0;
3.5 собрать схему опыта короткого замыкания;
3.6 подключить схему к сети, снять показания приборов U1кз, I1кз, Ркз и провести расчет U1кз%, I1кз, Rк, Zк, соsφ;
3.7 собрать схему опыта рабочего режима;
3.8 подключить схему к сети, снять показания приборов U1, U2, I1, I2, Р1, Р2 и провести расчет соsФ;
3.9 построить внешнюю характеристику.
4 Приборы и оборудование:
4.1 амперметр Е 525 1 А- 1;
4.2 амперметр Е 526 2,5 А -1;
4.3 вольтметр Е532 60 В -1;
4.4 вольтметр Е533 300 В-2;
4.5 ваттметр Д5004/3;
4.6 оборудованный блок "Трансформатор";
4.7 съемный блок "Резисторы";
4.8 комбинированный прибор.
5 Методические указания к выполнению работы
5.1 Ознакомиться с приборами и оборудованием, необходимыми для проведения работы.
5.2 Записать в таблицу 1.1 Основные технические характеристики трансформатора
Таблица 1.1 - Основные технические характеристики трансформатора
|
Тип трансформатора |
S |
U1 |
U2 |
Iн1 |
Iн2 |
|
кВт |
В |
В |
А |
А |
|
|
|
|
|
|
|
|
Если известна только номинальная мощность
трансформатора и напряжения первичной и вторичной U1 и U2 обмоток, то для
определения величины тока в любой из обмоток можно воспользоваться
приблизительным вычислениям.
![]()
5.3 Собрать схему (рис.4.1) опыта холостого хода и показать ее преподавателю
5.4

Рисунок 1.1 - Схема опыта холостого хода.
5.4 Изменяя автотрансформатором напряжение, установить в первичной обмотке трансформатора номинальное напряжение.
5.5 Провести следующие измерения:
- первичного и вторичного напряжения;
- ток холостого хода;
- мощность холостого хода
На основе этих измерений вычислить
- коэффициент трансформации
K = U1/ U2
- ток холостого хода в процентах с соотношением к номинальному току трансформатора
i0 = I0/ Iн1* 100%
- коэффициент мощности трансформатора в режиме холостого хода
5.6 Результаты измерений и расчетов свести в таблицу 4.2.
cosφ = P0/S
Таблица 1.2 - Результаты измерений и расчетов
|
Измерено |
Рассчитано |
||||||
|
U1 |
U2 |
Iн1 |
I0 |
P0 |
i0 |
K |
cosφ |
|
В |
В |
А |
А |
Вт |
% |
- |
- |
|
|
|
|
|
|
|
|
|
5.7 Собрать схему (рис. 1.2) опыта короткого замыкания и показать ее преподавателю.

Рисунок 1.2 – Схема опыта короткого замыкания
![]()
5.8 С помощью автотрансформатора изменять напряжение
на первичной обмотке трансформатора от нуля до любого значения, при котором ток
достигнет своей номинальной величины.
При этом сделать следующие измерения:
- напряжения при коротком замыкании;
- тока в первичной обмотке при исследовательском коротком замыкании;
- мощности короткого замыкания.
На основе измерений рассчитать:
- напряжение короткого замыкания в% по отношению к номинальному напряжению первичной обмотки трансформатора:
![]()
- первичный ток при аварийном коротком замыкании
![]()
- полное сопротивление короткого замыкания Zк и его активную составляющую Rк
![]()
- коэффициенты мощности в режиме короткого замыкания
5.9 Результаты измерений и расчетов занести в таблицу 1.3.
Таблица 1.3 - Результаты измерений и расчетов
|
измерено |
рассчитано |
||||||||
|
U1 |
U1кз |
U1н |
I1кз |
Pкз |
Uкз% |
I1кз |
Rк |
Zк |
cosφ |
|
В |
В |
В |
А |
Вт |
% |
А |
Ом |
Ом |
- |
|
|
|
|
|
|
|
|
|
|
|
5.10 Собрать схему (рис. 1.3) опыта рабочего режима и показать ее преподавателю:
![]()
![]()
![]()
![]()
![]()

Рисунок 1.3 – Схема опыта рабочего режима
5.11 Подать в схему напряжение, установить в первичной обмотке номинальное напряжение.
5.12 Изменяя ток нагрузки путем включения резисторов, получить 5-7 значений измерений.
5.13 Результаты измерений и расчетов занести в таблицу 1.4.
Таблица 1.4- Результаты измерений и расчетов
|
измерено |
рассчитано |
||||||
|
I1 |
I2 |
U1 |
U2 |
P1 |
P2 |
η |
cosφ |
|
А |
А |
В |
В |
Вт |
Вт |
% |
- |
|
|
|
|
|
|
|
|
|
|
|
|
|
|
|
|
|
|
|
|
|
|
|
|
|
|
|
|
|
|
|
|
|
|
|
|
|
|
|
|
|
|
|
|
|
5.14 По данным таблицы построить внешнюю характеристику:
![]()
Вывод ______________________________________________________
___________________________________________________________________________________________________________________________________
Лабораторная работа №2
1 Тема: исследование работы генератора постоянного тока с параллельным возбуждением.
2 Цель:
2.1 ознакомиться с конструкцией машин постоянного тока;
2.2 научиться включать генератор в сеть и снимать основные его характеристики.
3 Задачи
3.1 ознакомиться с приборами и оборудованием необходимым для проведения работы;
3.2 собрать схему генератора;
3.3 снять характеристику холостого хода;
3.4 снять внешнюю характеристику;
3.5 снять регулировочную характеристику;
3.6 по данным опытов построить графики характеристик.
4 Приборы и оборудование:
4.1 амперметр Э526 5А - 1;
4.2 амперметр Э523 0,5А -1;
4.3 вольтметр Э533 300В -1;
4.4 съемный блок «Резисторы»;
4.5 двигатель-генераторная установка.
5 Методические указания к выполнению работы
5.1 Ознакомиться с приборами и оборудованием необходимыми для проведения работы.
5.2 Записать в табл. 2.1 основные теоретические характеристики генератора:
Таблица 2.1 – Основные теоретические характеристики генератора
|
Тип генератора |
№ |
P |
U |
I |
n |
cosφ |
КП изап |
ГОСТ |
|
- |
Вт |
В |
А |
об/хв |
- |
- |
- |
|
|
|
|
|
|
|
|
|
|
|
5.3 Собрать схему генератора и дать проверить преподавателю. Обмотки статора трехфазного двигателя соединить треугольником.

Рисунок 2.1 – Схема генератора
5.4 Снять характеристику холостого хода. Е = f(Iя), при Iн = 0. Для этого включить приводной трехфазный двигатель. Нагрузка в цепи генератора должна быть разомкнута. Увеличивая, через равные интервалы, реостатом возбуждения ток возбуждения, снимаем исходную ветку характеристики возбуждения Е = f(Iя), при Ін = 0. Желательно получить не менее 8-10 точек. Результаты измерений свести в таблицу 2.2:
Таблица 2.2- Результаты измерений
|
Iя |
mА |
|
|
|
|
|
|
|
|
|
|
|
Е |
В |
|
|
|
|
|
|
|
|
|
|
По результатам измерений построить характеристику холостого хода Е= f(Ія), при Ін - 0. По кривой холостого хода можно сделать вывод о свойствах магнитной цепи машины (о остаточное намагничивания, о степени использования стали и т.д.).
5.5 Снять внешнюю характеристику генератора.
Эксплуатационные свойства генератора постоянного тока определяются степенью изменения напряжения при изменении тока нагрузки. Для определения относительной величины изменения напряжения и снимается внешняя характеристика:
U = f(Ін), при Iв = const. Для снятия внешней характеристики необходимо запустить приводной электродвигатель.
При отключенной нагрузке генератора устанавливаем реостатом возбуждения напряжение 110 В, при этом силу тока возбуждения поддерживаем постоянным на всем протяжении опыта. Включаем нагрузку на генератор и увеличивая ее в 5-7 раз, снимаем показания приборов. Результат измерений сводим в таблицу 2.3:
Таблица 2.З – Результаты измерений
|
U |
В |
|
|
|
|
|
|
|
|
|
Ін |
А |
|
|
|
|
|
|
|
|
На основании результатов построить внешнюю характеристику:
U= f(Ін), при Ів = const
5.6 Снять регулировочную характеристику двигателя.
Чтобы сохранить напряжение на зажимах генератора постоянного тока при переменной нагрузке и постоянной скорости вращения якоря, приходится менять ток возбуждения. Кривая которая показывает, как нужно изменить ток возбуждения при изменении нагрузки, чтобы напряжение на зажимах генератора оставалась постоянной, называется регулирующей характеристикой: Ів = f(Ін), при U = const. Для снятия этой характеристики включив электродвигатель привода и при выключенном нагрузке устанавливаем напряжение Uн = 110В. Включить нагрузку и поддерживая напряжение 110В снять 5-7 измерений при разной нагрузке генератора. Результаты измерений свести в таблицу 2.4:
Таблица 2.4 – Результаты измерений
|
Ів |
mА |
|
|
|
|
|
|
|
|
|
|
|
Ін |
А |
|
|
|
|
|
|
|
|
|
|
5.7 По данным таблицы построить регулировочную характеристику.
6 Содержание отчета:
6.1Тема
6.2 Цель
6.3 Задачи
6.4 Приборы и оборудование
6.5 Схема опыта
6.6 Таблицы с данными исследований
6.7 Графики характеристик генератора постоянного тока
6.8 Вывод
7 Контрольные вопросы:
7.1 Начертите схему включения генератора с переменной нагрузкой.
7.2 Как снять характеристику холостого хода генератора?
7.3 Способы регулирования напряжения на зажимах генератора?
7.4 Начертите внешнюю характеристику генератора, которую можно определить по внешней характеристике?
7.5 Начертите регулирующую характеристику.
7.6 Роль регулирующего реостата в цепи обмотки возбуждения?
8 Литература
8.1 Гаврилюк В.А., Гершунский Б.С., Общая електротехника с основами електроники – М, Высшая школа, 1980
8.2 Кацман М.М. Электрические машины – М.: Высшая школа, 2002.
8.3 Кацман М.М. Электрические машины и электропривод автоматических устройств – М.: Высшая школа, 1987.
8.4 Харизаменов И.В., Харизаменов Г.И. Электрооборудование станков и автоматических линий – М.: Машиностроение, 1987.
Отчет по лабораторной работе № 2
Студента __________________________, группы _____________
1 Тема: исследование работы генератора постоянного тока с параллельным возбуждением.
2 Цель:
2.1 ознакомиться с конструкцией машин постоянного тока;
2.2 научиться включать генератор в сеть и снимать основные его характеристики.
3 Задачи
3.1 ознакомиться с приборами и оборудованием необходимым для проведения работы;
3.2 собрать схему генератора;
3.3 снять характеристику холостого хода;
3.4 снять внешнюю характеристику;
3.5 снять регулировочную характеристику;
3.6 по данным опытов построить графики характеристик.
4 Приборы и оборудование:
4.1 амперметр Э526 5А - 1;
4.2 амперметр Э523 0,5А -1;
4.3 вольтметр Э533 300В -1;
4.4 съемный блок «Резисторы»;
4.5 двигатель-генераторная установка.
5 Методические указания к выполнению работы
5.1 Ознакомиться с приборами и оборудованием необходимыми для проведения работы.
5.2 Записать в табл. 2.1 основные теоретические характеристики генератора:
Таблица 2.1 – Основные теоретические характеристики генератора
|
Тип генератора |
№ |
P |
U |
I |
n |
cosφ |
ГОСТ |
|
- |
Вт |
В |
А |
об/мин |
- |
- |
|
|
|
|
|
|
|
|
|
|
5.4 Собрать схему генератора и дать проверить преподавателю. Обмотки статора трехфазного двигателя соединить треугольником.

Рисунок 2.1 – Схема генератора
5.4 Снять характеристику холостого хода. Е = f(Iя), при Iн = 0. Для этого включить приводной трехфазный двигатель. Нагрузка в цепи генератора должна быть разомкнута. Увеличивая, через равные интервалы, реостатом возбуждения ток возбуждения, снимаем исходную ветку характеристики возбуждения Е = f(Iя), при Ін = 0. Желательно получить не менее 8-10 точек. Результаты измерений свести в таблицу 2.2:
Таблица 2.2- Результаты измерений
|
Iя |
mА |
|
|
|
|
|
|
|
|
|
|
|
Е |
В |
|
|
|
|
|
|
|
|
|
|
По результатам измерений построить характеристику холостого хода Е= f(Ія), при Ін - 0. По кривой холостого хода можно сделать вывод о свойствах магнитной цепи машины (о остаточное намагничивания, о степени использования стали и т.д.).
5.5 Снять внешнюю характеристику генератора.
Эксплуатационные свойства генератора постоянного тока определяются степенью изменения напряжения при изменении тока нагрузки. Для определения относительной величины изменения напряжения и снимается внешняя характеристика:
U = f(Ін),при Iв = const. Для снятия внешней характеристики необходимо запустить приводной электродвигатель.
При отключенной нагрузке генератора устанавливаем реостатом возбуждения напряжение 110 В, при этом силу тока возбуждения поддерживаем постоянным на всем протяжении опыта. Включаем нагрузку на генератор и увеличивая ее в 5-7 раз, снимаем показания приборов. Результат измерений сводим в таблицу 2.3:
Таблица 2.З – Результаты измерений
|
U |
В |
|
|
|
|
|
|
|
|
|
Ін |
А |
|
|
|
|
|
|
|
|
На основании результатов построить внешнюю характеристику:
U= f(Ін), при Ів = const
5.6 Снять регулировочную характеристику двигателя.
Чтобы сохранить напряжение на зажимах генератора постоянного тока при переменной нагрузке и постоянной скорости вращения якоря, приходится менять ток возбуждения. Кривая которая показывает, как нужно изменить ток возбуждения при изменении нагрузки, чтобы напряжение на зажимах генератора оставалась постоянной, называется регулирующей характеристикой: Ів = f(Ін), при U = const. Для снятия этой характеристики включив электродвигатель привода и при выключенной нагрузке устанавливаем напряжение Uн =110В. Включить нагрузку и поддерживая напряжение 110В снять 5-7 измерений при разной нагрузке генератора. Результаты измерений свести в таблицу 2.4:
Таблица 2.4 – Результаты измерений
|
Ів |
mА |
|
|
|
|
|
|
|
|
|
|
|
Ін |
А |
|
|
|
|
|
|
|
|
|
|
5.7 По данным таблицы построить регулировочную характеристику.
Вывод __________________________________________________________
____________________________________________________________________________________________________________________________________
Лабораторная работа №3
1 Тема: исследование работы двигателя постоянного тока с параллельным возбуждением.
2 Цель работы:
2.1 ознакомиться с конструкцией машины постоянного тока;
2.2 практически освоить пуск, регулирование скорости и реверсирования двигателя;
2.3 научиться снимать основные характеристики электродвигателя.
3 Задачи:
3.1 ознакомиться с приборами и оборудованием необходимым для
проведение работы;
3.2 собрать схему двигателя постоянного тока с параллельным возбуждением;
3.3 осуществить запуск двигателя постоянного тока с параллельным возбуждением;
3.4 снять рабочие характеристики двигателя постоянного тока;
3.5 вычислить М, Р1, Р2.
3.6 построить на одном графике рабочие характеристики двигателя.
4 Приборы и оборудование:
4.1 амперметр Э526 2,5А -1;
4.2 амперметр Э525 0,5А -1;
4.3 амперметр Э526 5А -1;
4.4 вольтметр Э533 ЗООВ-1;
4.5 двигатель-генераторная установка;
4.6 съемный блок «Резисторы»;
4.7 тахометр электронный ТЭ-30Р.
5 Краткие теоретические свидетельство
Основной задачей при испытании электродвигателя постоянного тока с параллельным возбуждением является получение его характеристик, по которым можно рассматривать его эксплуатационные свойства и характер физических процессов, происходящих в двигателе. Из уравнения равновесия ЭДС:
U=Е+ІяRя
определяется ток якоря двигателя:
Ія=(U-Е)/Rя,
где Е=Ся n Ф – противо эдс обмотки якоря.
При пуске: n=0, Е=0, следовательно пусковой ток: Іп = U/Rя.
Для современных двигателей при номинальных оборотах и полной нагрузке величина:
Е = (0,95 + 0,97) Uн, то есть Іо = (0,05÷0,03)Uя/Rя.
поэтому, если пусковой ток не ограничить, то его величина будет в 10-25 раз больше Ін. Для ограничения пускового тока последовательно с якорем включается пусковой реостат Rп, тогда пусковой ток:
Іп = Uп/(RяRп)
то есть двигатель пускается с пусковым током (2,0 - 2,5) Iн. По мере разгона двигателя пусковой реостат постепенно выводится, то есть уменьшается значение Rп и когда двигатель достигнет номинальной частоты вращения, пусковой реостат должен быть полностью выведен.
При пуске производственных механизмов с помощью двигателя постоянного тока параллельного возбуждения желательно иметь большой вращающийся (пусковой) момент, а так как:
М = С Іп Ф
то для создания максимального магнитного потока Ф следует получить максимальное значение тока возбуждения, для этого реостат в цепи возбуждения должен быть полностью выведен Rп =0, тогда: Iв=UІ/Rв.
Изменение направления вращения (реверс) осуществляется либо изменением направления тока в обмотке якоря или изменением направления магнитного потока.
В качестве нагрузки двигателя постоянного тока с параллельным возбуждением используется асинхронный двигатель с короткозамкнутым ротором, для чего в его статорную обмотку подается постоянный ток. Степень загрузки зависит от числа включенных резисторов в цепи статора.
6 Методические указания к выполнению работы
6.1 Ознакомиться с приборами и оборудованием необходимым для проведения работы.
6.2 Записать в таблицу основные технические характеристики двигателя:
Таблица 3. 1 – Основные технические характеристики двигателя
|
Тип двигателя |
№ |
Р |
U |
І |
n |
η |
ГОСТ |
|
- |
Вт |
В |
А |
об/мин |
- |
- |
|
|
|
|
|
|
|
|
|
|
6.3 Собрать схему двигателя и дать проверить преподавателю.

Рисунок 3.1 – Схема двигателя с параллельным возбуждением
6.4 Осуществить запуск двигателя, для чего:
- вывести реостат возбуждения, установив его на точку «О»;
- нажатием ввести пусковой реостат;
- подать в схему номинальное напряжение 220В и по мере разгона двигателя вывести пусковой реостат.
6.5 Снять рабочие характеристики двигателя постоянного тока. Для этого количество включенных резисторов в схеме динамического тормоза, меняет ток динамического торможения, то есть меняем механическую нагрузку на вале двигателя. Делаем 5-7 изменений нагрузки. Показания приборов и результаты вычислений сводим в таблицу 3.2:
Таблица 3.2- Результаты измерений и расчетов
|
измерено |
рассчитано |
||||||
|
U |
І |
Іо |
n |
М |
Р1 |
Р2 |
η |
|
|
В |
А |
А |
об/мин |
Н*м |
Вт |
Вт |
% |
|
|
|
|
|
|
|
|
|
|
|
|
|
|
|
|
|
|
|
|
|
|
|
|
|
|
|
|
|
|
|
|
|
|
|
|
|
|
|
|
|
|
|
|
|
|
|
|
|
|
|
Величина момента вращения на вале двигателя определяется из графика (рисунок 3.2):
М = Ф(і), которая приведена ниже.
По результатам измерений определяем:
мощность, потребляемую двигателем:
Р1 = UI *I1
полезную мощность двигателя:
Р2 = 0,10З*M*n
К.П.Д. двигателя:
η=Р2/Р1 * 100%
6.6 Построить на одном графике рабочие характеристики двигателя
Р1,І,n,М,(К.П.Д.) = Ф(Р2)
6.7 Изменить направление вращения двигателя:
- путем изменения направления тока в обмотке якоря;
- путем изменения направления тока (магнитного потока) в обмотке возбуждения.
7 Содержание отчета:
7.1 Тема
7.2 Цель
7.3 Задачи
7.4 Приборы и оборудование
7.5 Схема опыта
7.6 Таблицы измерений и расчетов
7.7 Расчеты
7.8 Графики характеристик двигателя постоянного тока
7.9 Вывод
8 Контрольные вопросы:
8.1 Способы регулирования частоты вращения двигателя.
8.2 Пуск двигателя с помощью пускового реостата.
8.3 Формула Э.Д.С., тока и частоты вращения, момента на валу, мощностей Рв, Ра.
8.4 Как осуществить реверс двигателя?
9 Литература:
9.1 Гаврилюк В.А., Гершунский Б.С., Общая електротехника с основами електроники – М, Высшая школа, 1980
9.2 Кацман М.М. Электрические машины – М.: Высшая школа, 2002.
9.3 Кацман М.М. Электрические машины и электропривод автоматических устройств – М.: Высшая школа, 1987.
9.4 Харизаменов И.В., Харизаменов Г.И. Электрооборудование станков и автоматических линий – М.: Машиностроение, 1987..

Рисунок 3.2 – График зависимости момента от тока
Отчет по лабораторной работе № 3
Студента ___________________________, группы _____________
1 Тема: исследование работы двигателя постоянного тока с параллельным возбуждением.
2 Цель работы:
2.1 ознакомиться с конструкцией машины постоянного тока;
2.2 практически освоить пуск, регулирование скорости и реверсирования двигателя;
2.3 научиться снимать основные характеристики электродвигателя.
3 Задачи:
3.1 ознакомиться с приборами и оборудованием необходимым для
проведение работы;
3.7 собрать схему двигателя постоянного тока с параллельным возбуждением;
3.8 осуществить запуск двигателя постоянного тока с параллельным возбуждением;
3.9 снять рабочие характеристики двигателя постоянного тока;
3.10 вычислить М, Р1, Р2.
3.11 построить на одном графике рабочие характеристики двигателя.
4 Приборы и оборудование:
4.1 амперметр Э526 2,5А -1;
4.2 амперметр Э525 0,5А -1;
4.3 амперметр Э526 5А -1;
4.4 вольтметр Э533 ЗООВ-1;
4.5 двигатель-генераторная установка;
4.6 съемный блок «Резисторы»;
4.7 тахометр электронный ТЭ-30Р.
5 Методические указания к выполнению работы
5.1 Ознакомиться с приборами и оборудованием необходимым для проведения работы.
5.2 Записать в таблицу основные технические характеристики двигателя:
Таблица 3. 1 – Основные технические характеристики двигателя
|
Тип двигателя |
№ |
Р |
U |
І |
n |
η |
ГОСТ |
|
- |
кВт |
В |
А |
об/мин |
- |
- |
|
|
|
|
|
|
|
|
|
|
5.3 Собрать схему двигателя и дать проверить преподавателю.

Рисунок 3.1 – Схема двигателя с параллельным возбуждением
5.4 Осуществить запуск двигателя, для чего:
- вывести реостат возбуждения, установив его на точку «О»;
- нажатием ввести пусковой реостат;
- подать в схему номинальное напряжение 220В и по мере разгона двигателя вывести пусковой реостат.
5.5 Снять рабочие характеристики двигателя постоянного тока. Для этого количество включенных резисторов в схеме динамического тормоза, меняет ток динамического торможения, то есть меняем механическую нагрузку на вале двигателя. Делаем 5-7 изменений нагрузки. Показания приборов и результаты вычислений сводим в таблицу 3.2:
Таблица 3.2- Результаты измерений и расчетов
|
измерено |
рассчитано |
||||||
|
U1 |
І1 |
Іо.в. |
n |
М |
Р1 |
Р2 |
η |
|
|
В |
А |
А |
об/мин |
Н*м |
Вт |
Вт |
% |
|
|
|
|
|
|
|
|
|
|
|
|
|
|
|
|
|
|
|
|
|
|
|
|
|
|
|
|
|
|
|
|
|
|
|
|
|
|
|
|
|
|
|
|
|
|
|
|
|
|
|
Величина момента вращения на вале двигателя определяется из графика (рисунок 3.2):
М = f(I), которая приведена ниже.
По результатам измерений определяем:
мощность, потребляемую двигателем:
Р1 = UI *I1
полезную мощность двигателя:
Р2 = 0,10З*M*n
К. П. Д. двигателя:
η=Р2/Р1 * 100%
5.6 Построить на одном графике рабочие характеристики двигателя
Р1,І,n,М,(К.П.Д.) = f(Р2)
5.7 Изменить направление вращения двигателя:
- путем изменения направления тока в обмотке якоря;
- путем изменения направления тока (магнитного потока) в обмотке возбуждения.

Рисунок 3.2 – График зависимости момента от тока
Вывод ____________________________________________________
__________________________________________________________________
Лабораторная работа №4
1 Тема: исследования механических характеристик двигателя постоянного тока с независимым возбуждением.
2 Цель:
2.1 осуществить пуск двигателя;
2.2 выполнить регулировку частоты вращения, реверсирование.
2.3 из полученных данных построить электромеханические характеристики двигателя.
3Задачи:
3.1 ознакомиться с приборами и оборудованием необходимым для проведения работы;
3.2 собрать схему двигателя;
3.3 осуществить запуск двигателя;
3.4 снять рабочие характеристики двигателя постоянного тока;
3.5 вычислить М,Р1,Р2;
3.6 построить на одном графике рабочие характеристики двигателя.
4 Приборы и оборудование:
4.1 вольтметр Е365;
4.2 амперметр Е364;
4.3 двигатель-генераторная установка;
4.4 тахометр электронный ТЭ-30 Р
5 Краткие теоретические свидетельства
Основная схема включения ДПС НЗ представлена на рисунке 4.1, а, где приняты следующие обозначения: І, Ів токи в цепях обмоток якоря и возбуждения ОВ (А); Е - ЕРС якоря (В); ω та М — угловая скорость (рад/с) и момент (Н м) двигателя; Rя = rоя + rдп + rко + rщ — сопротивление якоря, состоящий из сопротивлений обмотки якоря rоя, дополнительных полюсов rдп, компенсационной обмотки rко и щеточного контакта rщ; RОВ - сопротивление обмотки возбуждения; Lя и Lов — индуктивности обмоток якоря и возбуждения. На схеме показаны дополнительные резисторы в цепях обмоток якоря Rд и возбуждения Rв, а также отдельные источники тока обмоток якоря и возбуждения с напряжениями в соответствии U и UB.
Вывод уравнений для статических характеристик двигателя проведем при следующих допущениях: реакция якоря не учитывается; момент на валу двигателя равен электромагнитному моменту. Уравнение напряжений, выражение ЭДС якоря и электромагнитного момента записываются в таком виде:
U = E + IR
E = kФω
M = kФI
где R = Rя + Rд — полное сопротивление цепи якоря, Ом; Ф — магнитный поток, Вб; U — подводимое к якорю напряжение, В; k = рN/(2πа) — конструктивный коэффициент двигателя; р — число пар полюсов; N — число активных проводников обмотки якоря; а — число параллельных ветвей обмотки якоря.

Рисунок 4.1. Схема включения (а) и характеристики ДПС НЗ (б)
Уравнения электромеханической характеристики ω (I)
ω = (U – IR)/(kФ)
Уравнение механической характеристики ω(М) ДПТ НВ
ω = U/(kФ) – MR/(kФ)2
Электромеханическая и механическая характеристика ДПС НЗ представляют собой линейные зависимости угловой скорости (далее скорости) от тока и момента, вид которых для различных полярностей питательный якорь напряжения показан на рисунке 4.1, б. На рисунке электромеханическая и механическая характеристики соединены. Их характерными точками являются точка А холостой ход, в которой ω = ω0, а I = М = 0, и точка В короткого замыкания, где ω = 0, а I=Iкз и М=МК3. Отметим, что режим короткого замыкания для электрической машины соответствует неподвижному состоянию якоря при поданном на двигатель напряжении, а не замыканию его электрических цепей между собой или на корпус. Режим короткого замыкания называется также пусковым режимом, поскольку является начальным при включении (пуска) двигателя.
Сокращенная форма записи уравнений электромеханической и механической характеристик
ω = ω0 – Δω
где ω0 — скорость идеального холостого хода двигателя,
ω0 = U/(kФ);
Δω — изменение скорости относительно скорости идеального холостого хода, Δω = IR/(kФ) = MR/(kФ)2
На рисунку 4.1,б показана також характеристика ДПС НЗ при U = 0, рівняння якої :
ω = -IR/(kФ)
ω = -MR/(kФ)2
Зависимости ω(I) и ω(М) при U = 0 также являются линейными. Схема, в которой ДПС НЗ имеет такую характеристику, приведена на рис 4.2. Она называется схемой автономного генератора, работающего на автономной нагрузке R д, или схеме динамического торможения.

Рисунок 4.2. Схема динамического торможения ДПТ НВ
6 Методические указания к выполнению работы
6.1 Ознакомиться с техническими характеристиками двигателя постоянного тока.
Таблица 4.1 - Технические характеристики двигателя постоянного тока
|
Тип электродвигателя |
Зав. № |
Р |
U |
I |
n |
η |
Режим |
|
- |
кВт |
В |
А |
об/мин |
% |
- |
|
|
|
|
|
|
|
|
|
|
6.2 Собрать схему двигателя постоянного тока с независимым возбуждением (рисунок 4.3).

Рисунок 4.3 - Схема двигателя постоянного тока с независимым возбуждением.
6.3 Снять показания приборов, выполнить необходимые расчеты и занести их в таблицу 4.2.
Таблица 4.2 – Результаты измерений и расчетов
|
измерено |
рассчитано |
||||||||
|
U1 |
U2 |
I1 |
I2 |
P1 |
n |
M |
P2 |
η |
n0 |
|
B |
B |
A |
A |
Bт |
об/мин |
Н*м |
Вт |
% |
б/мин |
|
|
|
|
|
|
|
|
|
|
|
|
|
|
|
|
|
|
|
|
|
|
|
|
|
|
|
|
|
|
|
|
|
|
|
|
|
|
|
|
|
|
|
|
|
|
|
|
|
|
|
|
|
|
|
6.4 Расчетные формулы:
Р1=U1I1;
Р2 = 0,103 М·n;
η = Р2 / Р1 * 100%;
n0 = n / η * 100%
6.5 По данным таблицы построить характеристики
двигателя: M = f(P2);
I2 = f(P2); η = f(P2); n0 =
f(М).
6.6 Сделать обоснованный вывод.
7 Содержание отчета:
7.1 Тема
7.2 Цель
7.3 Задачи
7.4 Приборы и оборудование
7.5 Схема опыта
7.6 Таблицы измерений и расчетов
7.7 Расчеты
7.8 Графики характеристик генератора постоянного тока
7.9 Вывод
8 Контрольные вопросы:
8.1 Способы регулирования частоты вращения двигателя.
8.2 Пуск двигателя с помощью пускового реостата.
8.3 Формула ЭДС, тока и частоты вращения, момента на валу, мощностей Рв, Ра.
8.4 Как осуществить реверс двигателя?
9 Литература:
9.1 Гаврилюк В.А., Гершунский Б.С., Общая електротехника с основами електроники – М, Высшая школа, 1980
9.2 Кацман М.М. Электрические машины – М.: Высшая школа, 2002.
9.3 Кацман М.М. Электрические машины и электропривод автоматических устройств – М.: Высшая школа, 1987.
9.4 Харизаменов И.В., Харизаменов Г.И. Электрооборудование станков и автоматических линий – М.: Машиностроение, 1987..
Отчет по лабораторной работе № 4
Студента ____________________________,группа _____________
1 Тема: исследования механических характеристик двигателя постоянного тока с независимым возбуждением.
2 Цель:
2.1 осуществить пуск двигателя;
2.2 выполнить регулировку частоты вращения, реверсирование.
2.3 из полученных данных построить электромеханические характеристики двигателя.
3 Задачи:
3.1 ознакомиться с приборами и оборудованием необходимым для проведения работы;
3.2 собрать схему двигателя;
3.3 осуществить запуск двигателя;
3.4 снять рабочие характеристики двигателя постоянного тока;
3.5 вычислить М,Р1,Р2;
3.6 построить на одном графике рабочие характеристики двигателя.
4 Приборы и оборудование:
4.1 вольтметр Е365;
4.2 амперметр Е364;
4.3 двигатель-генераторная установка;
4.4 тахометр электронный ТЭ-30 Р
5 Методические указания к выполнению работы
5.1 Ознакомиться с техническими характеристиками двигателя постоянного тока.
Таблица 4.1 - Технические характеристики двигателя постоянного тока
|
Тип электродвигателя |
Зав. № |
Р |
U |
I |
n |
η |
Режим |
|
- |
кВт |
В |
А |
об/мин |
% |
- |
|
|
|
|
|
|
|
|
|
|
5.2 Собрать схему двигателя постоянного тока с независимым возбуждением (рисунок 4.3).

Рисунок 4.3 - Схема двигателя постоянного тока с независимым возбуждением.
6.3 Снять показания приборов, выполнить необходимые расчеты и внести их в таблицу 4.2.
Таблица 4.2 – Результаты измерений и расчетов
|
измерено |
рассчитано |
||||||||
|
U1 |
U2 |
I1 |
I2 |
P1 |
n |
M |
P2 |
η |
n0 |
|
B |
B |
A |
A |
Bт |
об/мин |
Н*м |
Вт |
% |
б/мин |
|
|
|
|
|
|
|
|
|
|
|
|
|
|
|
|
|
|
|
|
|
|
|
|
|
|
|
|
|
|
|
|
|
|
|
|
|
|
|
|
|
|
|
|
|
|
|
|
|
|
|
|
|
|
|
6.4 Расчетные формулы:
Р1=U1I1;
Р2 = 0,103 М·n;
η = Р2 / Р1 * 100%;
n0 = n / η * 100%
6.5 По данным таблицы
построить характеристики двигателя: M = f(P2);
I2 = f(P2); η = f(P2); n0 =
f(М).
6.6 Сделать обоснованный вывод.
Вывод ____________________________________________________
____________________________________________________________________________________________________________________________________
Лабораторная работа № 5
1 Тема: исследование работы трехфазного асинхронного двигателя с короткозамкнутым ротором.
2 Цель работы:
2.1ознакомиться с конструкцией асинхронного двигателя с короткозамкнутым ротором;
2.2 осуществить испытания асинхронного двигателя под нагрузкой;
2.3 научиться снимать его рабочие характеристики.
3. Задачи
3.2 собрать схему для снятия рабочих характеристик двигателя;
3.3 запустить АД;
3.4 сделать измерения величин при холостом ходе электродвигателя;
3.5 подключить нагрузку и меняя ее, сделать 5-7 замеров;
3.6 определить М, Р2, соsφ;
3.7 по полученным данным построить рабочие характеристики АД;
4 Приборы и оборудование:
4.1 амперметр Э526 2,5А -1;
4.2 амперметр Э525 0,5А -1;
4.3амперметр Э526 5А-1;
4.4 вольтметр Э533 ЗООВ-1;
4.5 ваттметр Д500 Д5004/3;
4.6 двигатель-генераторная установка;
4.7 съемный блок - "Резисторы";
4.8 тахометр электронный.
5 Методические указания к выполнению работы
5.1Ознакомиться с приборами и оборудованием, необходимыми для проведения работы.
5.2 Внести в таблицу 5.1 основные технические характеристики электродвигателя.
Таблица 5.1 - Основные технические характеристики электродвигателя
|
Тип двигателя |
№ |
Р |
U |
I |
КПД |
cosφ |
Режим |
гост |
|
- |
Вт |
В |
А |
% |
- |
- |
- |
|
|
|
|
|
|
|
|
|
|
|
5.3 Собрать схему для снятия рабочих характеристик асинхронного двигателя и дать проверить преподавателю.

Рисунок 5.1- Схема асинхронного двигателя
5.4 Запустить трехфазный двигатель, подав на него трехфазное напряжение.
5.5 Подать на обмотку возбуждения напряжения постоянного тока, повышая его, установить ток в обмотке, равный 0,25 А (во время опыта поддерживать постоянным).
5.6 Снятие рабочих характеристик электродвигателя осуществляется путем регулирования резисторов в цепи генератора. Сделать 5-7 степеней изменений нагрузки двигателя. Результаты измерений свести в таблицу 5.2
Таблиця 5.2 – Результаты измерений и расчетов
|
|
Измерено |
Рассчитано |
|||||||
|
U |
I |
Р |
n |
Iген |
М |
Р2 |
cosφ |
η |
|
|
В |
А |
Вт |
об/мин |
А |
Н*м |
Вт |
- |
% |
|
|
|
|
|
|
|
|
|
|
|
|
|
|
|
|
|
|
|
|
|
|
|
|
|
|
|
|
|
|
|
|
|
|
|
|
|
|
|
|
|
|
|
|
|
|
|
|
|
|
|
|
|
|
|
|
Момент на валу электродвигателя определяется количественным путем в зависимости от тока генератора по приведенному ниже графику (рисунок 5.2).
Мощность на валу электродвигателя
Р2 = 0,103 М·n;
коэффициент мощности
cosφ=P1/U1
КПД электродвигателя
η= Р2 / Р1 * 100%;
5.7 Включить электродвигатель на холостой ход. Во время работы под руководством преподавателя отсоединить одну из фаз. Сравнить показатель амперметра в цепи электродвигателя. Что происходит с двигателем? Сделать вывод.
5.8 Отсоединить одну из фаз, включить (временно) электродвигатель. Что происходит? Сделать вывод.
5.9 Осуществить изменение направления вращения ротора электродвигателя и сделать вывод об исследовании реверса.
5.10 По полученным данным построить на одном графике рабочие характеристики асинхронного двигателя.
6 Содержание отчета:
6.1 Тема
6.2 Цель
6.3 Задачи
6.4 Приборы и оборудование
6.5 Схема опыта
6.6 Таблицы измерений и расчетов
6.7 Расчеты
6.8 Графики характеристик асинхронного двигателя
6.9 Вывод
7
Контрольные вопросы:
7.1 Какова цель лабораторной работы?
7.2 Способы регулирования частоты вращения асинхронных двигателей.
7.3 Зависимость момента на валу асинхронного двигателя от напряжения.
7.4 Какое влияние оказывает повышение нагрузки на валу двигателя на мощность, потребляемую двигателем из сети?
7.5 Напишите формулу для расчета Рном, Мном, Іном двигателя.
7.6 Какое влияние оказывает на ток ротора снижения напряжения в сети?
8 Литература:
8.1 Гаврилюк В.А., Гершунский Б.С., Общая електротехника с основами електроники – М, Высшая школа, 1980
8.2 Кацман М.М. Электрические машины – М.: Высшая школа, 2002.
8.3 Кацман М.М. Электрические машины и электропривод автоматических устройств – М.: Высшая школа, 1987.
8.4 Харизаменов И.В., Харизаменов Г.И. Электрооборудование станков и автоматических линий – М.: Машиностроение, 1987.

Рисунок 5.2 - График зависимости момента вращения на валу электродвигателя переменного тока
Отчет по лабораторной работе № 5
Студента ___________________________, группы _____________
1 Тема: исследование работы трехфазного асинхронного двигателя с короткозамкнутым ротором.
2 Цель работы:
2.1 ознакомиться с конструкцией асинхронного двигателя с короткозамкнутым ротором;
2.2 совершить испытания асинхронного двигателя под нагрузкой;
2.3 научиться снимать его рабочие характеристики.
3. Задачи
3.2 собрать схему для снятия рабочих характеристик двигателя;
3.3 запустить АД;
3.4 сделать замеры по холостому ходу электродвигателя;
3.5 Подключить нагрузку и меняя ее, сделать 5-7 замеров;
3.6 определить М, Р2, соsφ;
3.7 по полученным данным построить рабочие характеристики АД;
4 Приборы и оборудование:
4.1 амперметр Э526 2,5А -1;
4.2 амперметр Э525 0,5А -1;
4.3амперметр Э526 5А-1;
4.4 вольтметр Э533 ЗООВ-1;
4.5 ваттметр Д500 Д5004/3;
4.6 двигатель-генераторная установка;
4.7 съемный блок - "Резисторы";
4.8 тахометр электронный.
5 Методические указания к выполнению работы
5.1 Ознакомиться с приборами и оборудованием, необходимыми для проведения работы.
5.2 Внести в таблицу 5.1 основные технические характеристики электродвигателя.
Таблица 5.1 – Основные технические характеристики электродвигателя
|
Тип двигателя |
№ |
Р |
U |
I |
КПД |
cosφ |
Режим |
гост |
|
- |
Вт |
В |
А |
% |
- |
- |
- |
|
|
|
|
|
|
|
|
|
|
|
5.3 Собрать схему для снятия рабочих характеристик асинхронного двигателя и дать проверить преподавателю.

Рисунок 5.1- Схема асинхронного двигателя
5.4 Запустить трехфазный двигатель, подав на него трехфазное напряжение.
5.5 Подать на обмотку возбуждения напряжения постоянного тока, повышая его, установить ток в обмотке, равный 0,25 А (во время опыта поддерживать постоянным).
5.6 Снятие рабочих характеристик электродвигателя осуществляется путем регулирования резисторов в цепи генератора. Сделать 5-7 степеней изменений нагрузки двигателя. Результаты измерений свести в таблицу 5.2
Таблица 5.2 – Результаты измерений и расчетов
|
|
измерено |
рассчитано |
|||||||
|
U |
I |
Р |
n |
Iген |
М |
Р2 |
cosφ |
η |
|
|
В |
А |
Вт |
об/мин |
А |
Н*м |
Вт |
- |
% |
|
|
|
|
|
|
|
|
|
|
|
|
|
|
|
|
|
|
|
|
|
|
|
|
|
|
|
|
|
|
|
|
|
|
|
|
|
|
|
|
|
|
|
|
|
|
|
|
|
|
|
|
|
|
|
|
Момент на валу электродвигателя определяется количественным путем в зависимости от тока генератора по приведенному ниже графику (рисунок 5.2).
![]()
Рисунок 5.2 - График зависимости момента вращения на валу электродвигателя переменного тока
Мощность на валу электродвигателя
Р2 = 0,103 М·n;
коэффициент мощности
cosφ=P1/U1
КПД электродвигателя
η= Р2 / Р1 * 100%;
5.7 Включить электродвигатель на холостой ход. Во время работы под руководством преподавателя отсоединить одну из фаз. Сравнить показатель амперметра в цепи электродвигателя. Что происходит с двигателем? Сделать вывод.
5.8 Отсоединить одну из фаз, включить (временно) электродвигатель. Что происходит? Сделать вывод.
5.9 Осуществить изменение направления вращения ротора электродвигателя и сделать вывод об исследовании реверса.
5.10 По полученным данным построить на одном графике рабочие характеристики асинхронного двигателя.
Вывод ____________________________________________________
____________________________________________________________________________________________________________________________________
Лабораторная работа № 6
1 Тема: фазировка обмоток трехфазного асинхронного двигателя.
2 Цель работы: Овладеть методикой фазировки обмоток статора асинхронного двигателя.
2.1 ознакомиться с конструкцией асинхронного двигателя;
2.2 научиться с помощью мультиметра и токоизмерительных клещей измерять напряжение и ток.
3 Задание:
3.1 ознакомиться с приборами и оборудованием, необходимым для проведения работы;
3.2 сделать фазировки обмоток статора асинхронного двигателя методом трансформатора;
3.3 сделать запуск асинхронного двигателя и измерить ток холостого хода с помощью токоизмерительных клещей.
4 Приборы и оборудование:
4.1 асинхронный двигатель;
4.2 мульиметр DIGITAL DT-838;
4.3 токоизмерительные клещи DT-266 CLAMP METER;
4.4 соединительные провода;
4.5 комплект бирок с пометками «Н1» , «Н2» , «Н3» , «К1» , «К2» , «К3»
5 Методические указания к выполнению работы:
5.1 Ознакомиться с приборами и оборудованием, необходимыми для проведения работы.
5.2 С помощью мультиметра сделать "прозвонку" обмоток двигателя, вызвонить по два проводника, которые принадлежат соответствующей обмотке.
5.3 Методом трансформатора сделать фазировки обмоток. Для чего обмотку 1 подключаем к сети, обмотку 3 маркируем произвольно один конец «Н3», второй соответственно «К3» и соединяем последовательно с обмоткой 2. После проверки преподавателем, подать напряжение на обмотку 1 и в зависимости от того, как будут соединены обмотки 3 и 2 (последовательно-согласно или последовательно навстречу) (мультиметр) будет показывать суммарное напряжение (E3 + E2 = E ) при соединении последовательно-согласно , а при встречном включении (E3-E2 = 0), тогда 2-ую обмотку можно маркировать «К2» и «Н2». «Н2» к клемме «К3» .

5.4 Сделаем переключения в схеме так, чтобы маркированная обмотка 2 была подключена к сети, а обмотка 1 (вывода Н1, К1) включена последовательно с обмоткой 3 (вывода Н3, К3). Далее определим начало и конец обмотки 1 аналогично предыдущему пункту. Установим бирки на обмотки.

5.5 Подключим асинхронный двигатель к трехфазной сети (звездой), соединив все концы обмоток «К1», «К2», «К3» к одной точке. А на начала обмоток «Н1», «Н2», «Н3» подадим трехфазное напряжение (фазы А, В, С).
5.6 Осуществляем запуск асинхронного двигателя, и измеряем ток в каждой фазе с помощью токоизмерительных клещей (ток должен быть одинаковым).
6. Контрольные вопросы:
6.1 Что называется асинхронным двигателем?
6.2 Чем отличается асинхронный двигатель от синхронного?
6.3 Как осуществляется фазировка 3-фазного асинхронного двигателя?
6.4 Для чего надо делать фазировку обмоток?
6.5 Где применяется асинхронный двигатель?
Вывод: ____________________________________________________________________________________________________________________________________
______________________________________________________________________________________________________________________________________________________________________________________________________
Отчет по лабораторной работе № 6
Студента ________________________, группы _____________
1 Тема:________________________________________________________
2 Цель работы : ______________________________________________________________.
2.1___________________________________________________________;
2.2______________________________________________________________________________________________________________________________
3 Задание:
3.1______________________________________________________________________________________________________________________________
3.2______________________________________________________________________________________________________________________________
3.3______________________________________________________________________________________________________________________________
4 Приборы и оборудование:
4.1 асинхронный двигатель;
4.2 мульиметр DIGITAL DT-838;
4.3 токоизмерительные клещи DT-266 CLAMP METER;
4.4 соединительные провода;
4.5 комплект бирок с пометками «Н1» , «Н2» , «Н3» , «К1» , «К2» , «К3»
5 Методические указания к выполнению работы:
5.1 Ознакомиться с приборами и оборудованием, необходимыми для проведения работы.
5.2 С помощью мультиметра сделать "прозвонку" обмоток двигателя, визвонившы по два проводника, которые принадлежат соответствующей обмотке.
5.3 Методом трансформатора сделать фазировки обмоток. Для чего обмотку 1 подключаем к сети, обмотку 3 маркируем произвольно один конец «Н3», второй соответственно «К3» и соединяем последовательно с обмоткой 2. После проверки преподавателем, подать напряжение на обмотку 1 и в зависимости от того, как будут соединены обмотки 3 и 2 (последовательно-согласно или последовательно навстречу) (мультиметр) будет показывать суммарное напряжение (E3 + E2 = E ) при соединении последовательно-согласно , а при встречном включении (E3-E2 = 0), тогда 2-ую обмотку можно маркировать «К2» и «Н2». «Н2» к клемме «К3».

5.4 Сделаем переключения в схеме так, чтобы маркированная обмотка 2 была подключена к сети, а обмотка 1 (вывода Н1, К1) включена последовательно с обмоткой 3 (вывода Н3, К3). Далее определим начало и конец обмотки 1 аналогично предыдущему пункту. Установим бирки на обмотки.

5.5 Подключим асинхронный двигатель к трехфазной сети (звездой), соединив все концы обмоток «К1», «К2», «К3» к одной точке. А на начала обмоток «Н1», «Н2», «Н3» подадим трехфазное напряжение (фазы А, В, С).
5.6 Осуществляем запуск асинхронного двигателя, и измеряем ток в каждой фазе с помощью токоизмерительных клещей (ток должен быть одинаковым).
I1 =
I2 =
I3 =
6. Ответить на контрольные вопросы:
6.1 Что называется асинхронным двигателем?
6.2 Чем отличается асинхронный двигатель от синхронного?
6.3 Как осуществляется фазировка 3-фазного асинхронного двигателя?
6.4 Для чего надо делать фазировку обмоток?
6.5 Где применяется асинхронный двигатель?
Вывод: ____________________________________________________________________________________________________________________________________
______________________________________________________________________________________________________________________________________________________________________________________________________
Лабораторная работа № 7
1 Тема: сборка и проверка работы схемы релейно-контакторного управления трехфазным асинхронным двигателем с короткозамкнутым ротором.
2 Цель работы:
2.1 ознакомиться с конструкцией магнитного пускателя;
2.2 научиться собирать простейшие схемы управления трехфазным асинхронным двигателем с короткозамкнутым ротором.
3 Задачи:
3.1 ознакомиться с приборами и оборудованием, необходимым для проведения работы;
3.2 собрать схему;
3.3 испытать эту схему и описать
порядок пуска и остановки.
4 Приборы и оборудование:
4.1 съемный блок «Магнитный пускатель»;
4.2 двигатель-генераторная установка.
5 Методические указания к выполнению работы
5.1 Ознакомиться с приборами и оборудованием, необходимыми для проведения работы.
5.2 Собрать схему и показать ее преподавателю.

Рисунок 6.1 – Схема релейно-контакторного управления АД
5.3 Испытать эту схему и описать порядок пуска и остановки.
5.4 Составить схему, удовлетворяющую следующим требованиям:
- нереверсивная схема управления двигателем;
- пуск и остановка с одного места;
- имеет тепловую защиту;
- предусмотрено световую сигнализацию пуска и остановки двигателя.
5.5 Описать порядок работы такой схемы.
6 Содержание отчета:
6.1 Тема.
6.2 Цель
6.3 Задачи
6.4 Приборы и оборудование
6.5 Схема опыта.
6.6 Описание порядка работы схемы.
6.7 Разработана схема
6.8 Описание работы разработанной схемы
6.9 Вывод.
7 Контрольные вопросы:
7.1 Устройство и принцип действия магнитного пускателя.
7.2 Какой порядок пуска и остановки двигателя?
7.3 Как нужно изменить схему, чтобы пуск и остановку двигателя можно было осуществить с трех мест?
7.4 Роль блок контакта КМ в работе схемы.
8 Литература:
8.1 Гаврилюк В.А., Гершунский Б.С., Общая електротехника с основами електроники – М, Высшая школа, 1980
8.2 Кацман М.М. Электрические машины – М.: Высшая школа, 2002.
8.3 Кацман М.М. Электрические машины и электропривод автоматических устройств – М.: Высшая школа, 1987.
8.4 Харизаменов И.В., Харизаменов Г.И. Электрооборудование станков и автоматических линий – М.: Машиностроение, 1987.
Отчет по лабораторной работе № 7
Студента ___________________________, группы _____________
1 Тема: сборка и проверка работы схем релейно-контакторного управления трехфазным асинхронным двигателем с короткозамкнутым ротором.
2 Цель работы:
2.1 ознакомиться с конструкцией магнитного пускателя;
2.2 научиться собирать простейшие схемы управления трехфазным асинхронным двигателем с короткозамкнутым ротором.
3 Задачи:
1.1 ознакомиться с приборами и оборудованием, необходимым для проведения работы;
1.2 собрать схему;
1.3 испытать эту схему и описать
порядок пуска и остановки.
4 Приборы и оборудование:
4.1 съемный блок «Магнитный пускатель»;
4.2 двигатель-генераторная установка.
5 Методические указания к выполнению работы
5.1 Ознакомиться с приборами и оборудованием, необходимыми для проведения работы.
5.2 Собрать схему и показать ее преподавателю.

Рисунок 6.1 – Схема релейно-контакторного управления АД
5.3 Испытать эту схему и описать порядок пуска и остановки.
5.4 Составить схему, удовлетворяющую следующим требованиям:
- нереверсивная схема управления двигателем;
- пуск и остановка с одного места;
- имеет тепловую защиту;
- предусмотрено световую сигнализацию пуска и остановки двигателя.
5.5 Описать порядок работы такой схемы
Вывод____________________________________________________
____________________________________________________________________________________________________________________________________
Лабораторная работа №8
1 Тема: сборка и проверка работы реверсивного магнитного пускателя.
2 Цель работы:
2.1 ознакомиться с конструкцией магнитного пускателя;
2.2 научиться собирать реверсивную схему управления трехфазным асинхронным двигателем с короткозамкнутым ротором.
3 Задание:
3.1 ознакомиться с приборами и оборудованием, необходимым для проведения работы;
3.2 собрать схему;
3.3 испытать эту схему и описать порядок
пуска и остановки.
4 Приборы и оборудование:
4.1 съемный блок «Магнитный пускатель»;
4.2 двигатель-генераторная установка.
5 Методические указания к выполнению работы:
5.1 Ознакомиться с приборами и оборудованием, необходимыми для проведения работы.
5.2 Собрать схему и показать ее преподавателю.

Рисунок 6.1 – Реверсивная схема управления короткозамкнутым АД
5.3 Испытать эту схему и описать порядок пуска и остановки.
5.4 Составить схему, удовлетворяющую следующим требованиям:
- реверсивная схема управления двигателем;
- пуск и остановка из одного места;
- имеет тепловую защиту;
- предусмотрена световая сигнализация пуска и остановки двигателя.
5.5 Описать порядок работы такой схемы
Вывод: ________________________________________________________________________________________________________________________________
____________________________________________________________________________________________________________________________________
Отчет по лабораторной работе №8
Студента ________________________, группы _____________
1 Тема: сборка и проверка работы реверсивного магнитного пускателя.
2 Цель работы:
2.1 ознакомиться с конструкцией магнитного пускателя;
2.2 научиться собирать реверсивную схему управления трехфазным асинхронным двигателем с короткозамкнутым ротором.
3 Задание:
3.1 ознакомиться с приборами и оборудованием, необходимым для проведения работы;
3.2 собрать схему;
3.3 испытать эту схему и описать порядок
пуска и остановки.
4 Приборы и оборудование:
4.1 съемный блок «Магнитный пускатель»;
4.2 двигатель-генераторная установка.
5 Методические указания к выполнению работы:
5.1 Ознакомиться с приборами и оборудованием, необходимыми для проведения работы.
5.2 Собрать схему и показать ее преподавателю.

Рисунок 6.1 – Реверсивная схема управления короткозамкнутым АД
5.3 Испытать эту схему и описать порядок пуска и остановки.
5.4 Составить схему, удовлетворяющую следующим требованиям:
- реверсивная схема управления двигателем;
- пуск и остановка из одного места;
- имеет тепловую защиту;
- предусмотрена световая сигнализация пуска и остановки двигателя.
5.5 Описать порядок работы такой схемы
Вывод: ________________________________________________________________________________________________________________________________
____________________________________________________________________________________________________________________________________
Лабораторная работа № 9
1 Тема: исследование системы автоматического управления в функции времени.
2 Цель работы:
2.1 ознакомиться с конструкцией электромагнитного реле времени;
2.2 научиться собирать и испытывать простые схемы управления трехфазным асинхронным двигателем с выдержкой времени
3 Задачи:
3.1 ознакомиться с приборами и оборудованием, необходимым для проведения работы;
3.2 собрать схему рисунок 6.1;
3.3 осуществить пуск АД с обеспечением паузы с момента пуска;
3.4 описать принцип действия данной схемы;
4 Приборы и оборудование:
4.1 съемный блок «Реле времени»;
4.2 двигатель - генераторная установка.
5 Краткие теоретические свидетельства
5.1 Изучить теоретический материал [5.5] с. 600-601; с. 614 – 616.
6 Методические указания к выполнению работы
6.1 Собрать схему (рисунок 6.1) и показать ее преподавателю

Рисунок 6.1 – Схема управления АД с выдержкой времени
6.2 Механизмы реле времени установить на время выдержки 5с/10 с.
6.3 Осуществить пуск АД с установленной выдержкой времени.
6.4 Описать порядок пуска АД.
7 Содержание отчета
7.1 Тема
7.2 Цель
7.3 Задачи
7.4 Приборы и оборудование
7.5 Схема опыта
7.6 Описание порядка работы схемы
7.6 Вывод
8 Контрольные вопросы:
8.1 Объясните строение реле времени.
8.2 Объясните принцип действия реле времени.
8.3 Как устанавливается время выдержки в реле времени?
8.4 Как осуществляют автоматическое управление в функции времени?
8.5 В каких случаях необходимо автоматическое управление в функции времени?
9 Литература
9.1 Гаврилюк В.А., Гершунский Б.С., Общая електротехника с основами електроники – М, Высшая школа, 1980
9.2 Кацман М.М. Электрические машины – М.: Высшая школа, 2002.
9.3 Кацман М.М. Электрические машины и электропривод автоматических устройств – М.: Высшая школа, 1987.
9.4 Харизаменов И.В., Харизаменов Г.И. Электрооборудование станков и автоматических линий – М.: Машиностроение, 1987.
Отчет по лабораторной работе № 9
Студента ___________________________, группы _____________
1 Тема: исследование системы автоматического управления в функции времени.
2 Цель работы:
2.1 ознакомиться с конструкцией электромагнитного реле времени;
2.2 научиться собирать и испытывать простые схемы управления трехфазным асинхронным двигателем с выдержкой времени
3 Задачи:
3.1 ознакомиться с приборами и оборудованием, необходимым для проведения работы;
3.2 собрать схему рисунок 6.1;
3.3 осуществить пуск АД с обеспечением паузы с момента пуска;
3.4 описать принцип действия данной схемы;
4 Приборы и оборудование:
4.1 съемный блок «Реле времени»;
4.2 двигатель - генераторная установка.
5 Краткие теоретические свидетельства
5.1 Изучить теоретический материал [5.5] с. 600-601; с. 614 – 616.
6 Методические указания к выполнению работы
6.1 Собрать схему (рисунок 6.1) и показать ее преподавателю

Рисунок 6.1 – Схема управления АД с выдержкой времени
6.2 Механизмы реле времени установить на время выдержки 5с/10 с.
6.3 Осуществить пуск АД с установленной выдержкой времени.
6.4 Описать порядок пуска АД.
Вывод ____________________________________________________
____________________________________________________________________________________________________________________________________
Критерии
оценивания учебных достижений студентов
на лабораторных занятиях
Лабораторные работы по дисциплине «Электрические машины» удобно оценивать в три этапа:
- допуск к лабораторной работе;
- непосредственное выполнение лабораторной работы;
- защита лабораторной работы.
Каждый этап оценивается отдельно по приведенным ниже рекомендациям.
1 Допуск к лабораторной работе (проверка знаний, необходимых для выполнения лабораторной работы)
|
Уровень учебных достижений |
количество баллов КМСО |
Оценка |
Критерии оценивания учебных достижений студентов |
|
Высокий |
1,6-2 |
5 |
Знания студента полностью соответствуют требованиям учебного материала по теме выполнения лабораторной работы. Студент осознает принцип работы разнообразного электрооборудования, элементов и приборов электрических схем в целом. Самостоятельно или под руководством преподавателя находит источники информации и работает с ними. Решает задачи повышенного уровня сложности с новым объяснением и обоснованием, проявляя при этом логичность мышления. |
|
Достаточ- ный |
1,1-1,5 |
4 |
Знания студента в достаточном объеме соответствуют требованиям учебного материала по теме выполнения лабораторной работы. Студент знает принцип работы разнообразного электрооборудования, элементов и приборов электрических схем в целом. Самостоятельно исправляет указаны ему ошибки. Решает задачи достаточного уровня сложности без дополнительных объяснений и обоснований в отведенное для этого время. |
|
Средний |
0,6-1 |
3 |
Знания студента в минимальном объеме соответствуют требованиям учебного материала по теме выполнения лабораторной работы. Студент формулирует основные положения по принципу работы разнообразного электрооборудования, элементов и приборов электрических схем в целом. Самостоятельно (полностью или частично) решает и кратко объясняет задачи (не менее 50%) средней сложности. |
|
Начальный |
0-0,5 |
2 |
Студент узнает разнообразное электрооборудование, элементы и приборы электрических схем в целом по приведенным схемам. С помощью преподавателя выполняет элементарные задачи. Объясняет принцип работы простого электрооборудования. Самостоятельно или с помощью преподавателя использует формулы для расчетов. |
2 Непосредственное выполнение лабораторной работы (наблюдение и текущее опросы о методах выполнения работы)
|
Уровень учебных достижений |
Количество баллов КМСО |
Оценка |
Критерии оценивания учебных достижений студентов |
|
Высокий |
10-12 |
5 |
Умения и навыки студента полностью соответствуют требованиям учебного материала по теме выполнения лабораторной работы. Студент осознает новые для него факты и идеи относительно принципа работы разнообразного электрооборудования, элементов и приборов электрических схем в целом. Умеет использовать знания, умения и навыки в незнакомых для него ситуациях. Решает задачи повышенного уровня сложности с тщательным объяснением и обоснованием результатов исследований, проявляя при этом логичность мышления. |
|
Достаточный |
7-9 |
4 |
Умения и навыки студента в достаточном объеме соответствуют требованиям учебного материала по теме выполнения лабораторной работы. Студент применяет основные понятия о принципе работы разнообразного электрооборудования, элементов и приборов электрических схем для решения задач в знакомых ситуациях. Самостоятельно исправляет указаны ему ошибки. Решает задачи достаточного уровня сложности без дополнительных объяснений и обоснований в отведенное для этого время. |
|
Средний |
4-6 |
3 |
Умения и навыки студента в минимальном объеме соответствуют требованиям учебного материала по теме выполнения лабораторной работы. Студент с помощью преподавателя применяет основные положения по принципу работы разнообразного электрооборудования, элементов и приборов электрических схем в целом. Самостоятельно (полностью или частично) решает и кратко объясняет задачи (не менее 50%) средней сложности. |
|
Начальный |
0-3 |
2 |
Умения и навыки студента не соответствуют требованиям учебного материала по теме выполнения лабораторной работы. Студент узнает отдельные части электрооборудования, элементы и приборы электрических схем и с помощью преподавателя выполняет элементарные задачи. |
3 Защита лабораторной работы (комплексная проверка знаний, умений и навыков отработанных во время выполнения лабораторной работы)
|
Уровень учебных достижений |
Количество Баллов КМСО |
Оценка |
Критерии оценивания учебных достижений студентов |
|
Высокий |
4,4-6 |
5 |
Знания, умения и навыки студента полностью соответствуют учебному материалу по теме выполнения лабораторной работы. Студент осознает новые для него факты и идеи относительно принципа работы электрооборудования, элементов и приборов электрических схем в целом. Самостоятельно или под руководством преподавателя находит источники информации и работает с ними. Умеет использовать знания, умения и навыки в незнакомых для него ситуациях. Решает задачи повышенного уровня сложности с новым объяснением и обоснованием, проявляя при этом логичность мышления. Свободно в объеме программы обладает навыками регулирования элементов электрооборудования. Умеет обобщать, систематизировать приобретении знания и применять их при изучении дисциплины профессионального направления. |
|
Достаточный |
2,9-4,5 |
4 |
Студент применяет определение понятий поводов для решения задач в знакомых ситуациях, знает принцип работы элементов электрооборудования. Самостоятельно исправляет указанные ему ошибки. Умеет решать задачи, определенные программой без достаточных объяснений и обоснований в отведенное для этого время. Владеет учебным материалом и умеет применить его при изучении дисциплин профессионального направления, возможно с некоторыми незначительными недостатками. |
|
Средний |
1,5-3 |
3 |
Студент воспроизводит и формулирует основные положения дисциплины. Полностью или частично решает задачи средней сложности с применением конкретных формул и схем (без использования информационных источников). Самостоятельно решает и кратко объясняет задачи (не менее 50%), связанные с работой электрооборудования. |
|
Начальный |
0-1,5 |
2 |
Студент узнает отдельные элементы электрооборудования по приведенным схемам. С помощью преподавателя выполняет элементарные задачи. Объясняет принцип работы простых приборов и элементов электрических схем. Самостоятельно или с помощью преподавателя использует формулы для расчетов. |
4 Итоговое оценивание учебных достижений студентов на лабораторных занятиях осуществляется по следующей схеме
|
Уровень учебных достижений |
Количество Баллов КМСО |
Оценка |
||||||
|
1 этап |
2 этап |
3 этап |
Итог |
1 этап |
2 этап |
3 этап |
Итог |
|
|
Высокий |
1,6-2 |
10-12 |
4,4-6 |
16-20 |
5 |
5 |
5 |
5 |
|
Достаточный |
1,1-1,5 |
7-9 |
2,9-4,5 |
11-15 |
4 |
4 |
4 |
4 |
|
Средний |
0,6-1 |
4-6 |
1,5-3 |
6-10 |
3 |
3 |
3 |
3 |
|
Начальный |
0-0,5 |
0-3 |
0-1,5 |
0-5 |
2 |
2 |
2 |
2 |
5 При оценке учебных достижений студентов на лабораторных занятиях по обычной 4 - балльной системе, влияние оценок за каждым этапом на итоговую оценку учитывается следующим образом:
1 этап – 10%
2 этап – 60%
3 этап – 30%
Преподаватель Исаев А.В.
Скачано с www.znanio.ru
Материалы на данной страницы взяты из открытых источников либо размещены пользователем в соответствии с договором-офертой сайта. Вы можете сообщить о нарушении.