Task 1
Fill in and translate from one number system to another table.
|
Binary |
Octal |
Decimal |
Hexadecimal |
|
110101 |
|||
|
247 |
|||
|
261 |
|||
|
4АС |
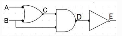
Task 2
According to
this scheme, fill in the truth table
|
A |
B |
C |
D |
E |
|
0 |
0 |
|
|
|
|
1 |
0 |
|
|
|
|
0 |
1 |
|
|
|
|
1 |
1 |
|
|
|
Test
1. A register that temporarily stores an instruction just retrieved from memory.
A)the program counter (PC)
B) memory address register (MAR)
C) memory buffer register (MBR)
D) current command register (CIR)
2. A register that stores location data in memory.
A)the program counter (PC)
B) memory address register (MAR)
C) memory buffer register (MBR)
D) current command register (CIR)
5. A register that stores data received from memory.
A)the program counter (PC)
B) memory address register (MAR)
C) memory buffer register (MBR)
D) current command register (CIR)
6. Counter which keeps track of the memory address which the instruction will be executed
following.
A)the program counter (PC)
B) memory address register (MAR)
C) memory buffer register (MBR)
D) current command register (CIR)
Task 3
|
Registers |
|
Characteristic |
|
1.The cycle of instruction execution (fetch decode execute) |
|
A) processor register, which is used to store intermediate results of arithmetic and logical operations and I / o instructions |
|
2.Register (register) |
B) the processor register, which contains data that will be stored in the computer memory (for example, RAM) after the command is selected. |
|
|
3.The program counter (PC register) |
C) the processor register that stores the current command. |
|
|
4.Address register (MAR) |
D) a processor unit that controls the operation of processor components like memory unit, ALU and input and output devices. |
|
|
5.An arithmetic logic unit (ALU) |
E) this is a sequence of actions that is performed by the processor when executing a single machine command. |
|
|
6.Battery (accumulator) |
E) a processor register that stores the memory address from which data will be retrieved or the address to which data will be sent and stored. |
|
|
7.The control unit (CU) |
G) the processor register containing the address of the current executed command. After the command is executed, the counter is automatically incremented to move to the next command. |
|
|
8.The command register (CIR) |
H) the processor unit, which is controlled by the UU is used to perform arithmetic and logical operations. |
|
|
9.Memory Data Register (MDR) |
I) this is a certain area of memory inside the processor itself, which is used for intermediate storage of information processed by the processor. |
|
|
10.The system bus (system bus) |
J) this is the Central device of the computer, which performs data processing operations and controls the peripheral devices of the computer. |
|
|
11.The memory block (memory) |
L) it is a " web " that connects all devices and is responsible for the transfer of information between them. |
|
|
12.Data bus (data bus) |
M) a computer hardware component responsible for controlling access to memory requested by the Central processor. |
|
|
13.Central processing unit (CPU) |
H) the part of the system bus intended for data transfer between components of the computer. |
|
|
14.Address bus (address bus) |
(O) a computer bus, which transmits signals that determine the nature of information exchange along the highway. |
|
|
15.The control bus (control bus) |
(N) a computer bus used by a Central processing unit or devices to indicate a physical address to which the device may refer for a read or write operation. |
Task 4
Draw a logical diagram that matches the following logical statement

Материалы на данной страницы взяты из открытых источников либо размещены пользователем в соответствии с договором-офертой сайта. Вы можете сообщить о нарушении.