FORMATIVE ASSESSMENT
Name _____________________________ Class _______________________
1.

Create a logical expression for a given logical scheme:
Answer: ____________________________________
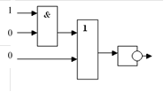
2. Create a logical expression for a given logical scheme:

Answer: ____________________________________
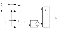
3. Create a logical expression for a given logical scheme:

Answer: __________________________________


Материалы на данной страницы взяты из открытых источников либо размещены пользователем в соответствии с договором-офертой сайта. Вы можете сообщить о нарушении.