Methodological Instructions
Theme: Logical operations (disjunction, conjunction, inversion) 1 lesson
Objective: 10.2.2.1 use logical operations (disjunction, conjunction, inversion)
Assessment criteria
• know the basic concepts of the algebra of logic;
• explain the basic logical operations
• explain the basic logic functions (conjunction, disjunction, implication, equivalence, negation)
Basic Level:
From a grade 7–9 course, students have an idea of logical operations and truth tables.
Key words and phrases:
• construct simple and complex statements
• Designation of logical operations;
• Priority of logical operations.
Dictionary of specific terms and terminology:
• it is applied for …
• to solve a logical problem with the help of the truth table it is necessary ...
I. THEORY
Logic elements can be simple and complex. The concept and examples of simple logical expressions have already been considered in the previous lesson. However, the basis of the logic of the computer, as a rule, is the transformation of complex logical expressions. Consider the five basic logical operations.
1. Conjunction (logical multiplication, & or ^, "And") - puts in correspondence to two simple logical expressions a new - a complex logical expression that will be true if and only if both of the original (simple) logical expressions are true.
This is the truth table for the conjunction operation.
|
A |
B |
A ^ B |
|
0 |
0 |
0 |
|
0 |
1 |
0 |
|
1 |
0 |
0 |
|
1 |
1 |
1 |
Two logical expressions are given. They can be either both false, or one false another true, or both true. Read the definition and tell what the result of the conjunction operation will be in the first case, when both simple expressions are false? ..
1. Disjunction (logical addition, v, "OR") - puts in correspondence to two simple logical expressions a new complex logical expression that will be true if and only if at least one of the original (simple) logical expressions is true.
This is the truth table for the disjunction operation.
|
A |
B |
A v B |
|
0 |
0 |
0 |
|
0 |
1 |
1 |
|
1 |
0 |
1 |
|
1 |
1 |
1 |
Two logical expressions are given. Their possible combinations. Either both are false, or one is false, or the other is true. Read the definition and tell me what the result of the operation will be the disjunction in the first case, when both simple expressions are false?..
1. Inversion (negation,, "WRONG THAT") - if the initial expression is true, then the result of its negation will be false, and vice versa if the initial expression is false, then its negation will be true.
This is the truth table for the inversion operation.
|
A |
|
|
1 |
0 |
|
0 |
1 |
1. Implication (logical following, =>, “if ..., then ...”) - its result is FALSE if and only if the condition is true and the result is false.
|
A |
B |
A => B |
|
0 |
0 |
1 |
|
0 |
1 |
1 |
|
1 |
0 |
0 |
|
1 |
1 |
1 |
Equivalence (equivalence, <=>) - sets in correspondence to two simple logical expressions a new complex logical expression that will be true if and only if both of the original (simple) expressions are simultaneously true or false.
This is the truth table for the equivalence operation.
|
A |
B |
A <=> B |
|
0 |
0 |
1 |
|
0 |
1 |
0 |
|
1 |
0 |
0 |
|
1 |
1 |
1 |
Two logical expressions are given. Read the definition and tell me what will be the result of the equivalence operation in the first case, when both simple expressions are false?..
A complex logical expression is a logical expression made up of one or more simple (or complex) logical expressions associated with the considered logical operations.
Let A, B, C be given are three simple logical expressions. One example of a complex expression made from them would be:
D = (A v B ^ C)
The order of performing logical operations in a complex logical expression:
1. Conjunction - (^)
2. Disjunction - (v)
3. Inversion - ()
4. Implication - (=>)
5. Equivalence - (<=>)
To change the order of performing logical operations, use parentheses.
П. TESTS AND ASSIGNMENTS FOR SELF-ASSESSMENT.

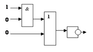
1. Create a logical expression for a given logical scheme:
Answer: ____________________________________
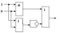
2. Create a logical expression for a given logical scheme:

Answer: ____________________________________
3. Create a logical expression for a given logical scheme:

Answer: __________________________________


VISUAL AIDS AND MATERIALS.
1. Slides
2. Video resource: https://www.youtube.com/watch?v=u8iuds3ky00
3. Exercise https://bilimland.kz/en/courses/computer-science/8th-grade/lesson/binary-numeral-system
4. Logical operation video http://www.studfiles.ru/html/2706/215/html_WFZ1Hw_bLl.irgH/htmlconvd-mAiNgI_html_m7a8c3c09.gif
5. Logical Operators and Expressions https://pages.mtu.edu/~shene/COURSES/cs201/NOTES/chap03/logical.html
6. Digital Logic Gates Tutorial https://www.electronics-tutorials.ws/logic/logic_10.html
7. Logical operation https://www.computerhope.com/jargon/l/logioper.htm
Скачано с www.znanio.ru
Материалы на данной страницы взяты из открытых источников либо размещены пользователем в соответствии с договором-офертой сайта. Вы можете сообщить о нарушении.