Практическое занятие № 4
Тема: «Изучение архитектуры и системы команд микроконтроллеров»
Цель: изучить архитектуру и принципы построения микроконтроллера AVR АТMEGA128.
Теория.
Воспользовавшись любым удобным вам браузером, ознакомится с основными характеристиками микроконтроллера AVR АТMEGA128.
Ход работы
Задание 1.
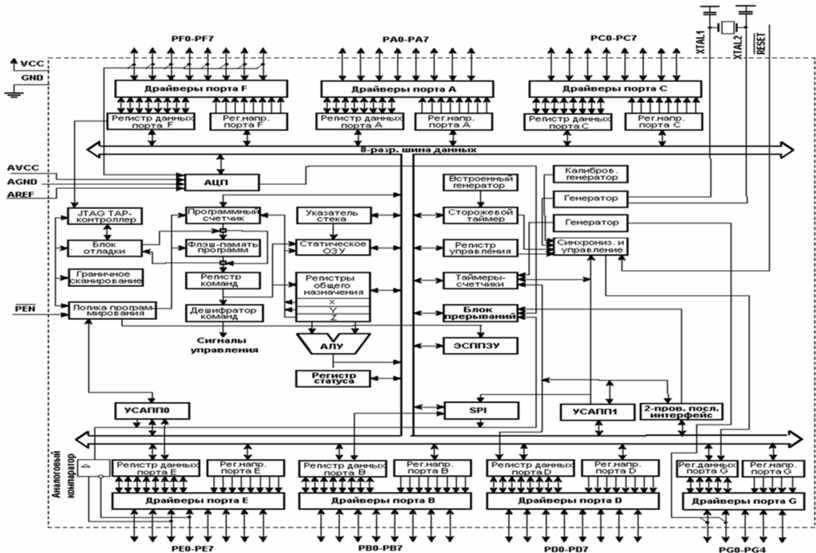
Проработайте теоретические материалы, найденные в интернете, ознакомитесь со структурой и принципами функционирования микроконтроллера AVR АТMEGA128.
Изобразите эскиз функциональной схемы микроконтроллера AVR АТMEGA128
Задание 2.
Подробно ответьте на контрольные вопросы с № 1 - № 43 (согласно заданному варианту). Вариант выбирается по последней цифре номера строки в журнале группы.
|
№ Вар. |
0 |
1 |
2 |
3 |
4 |
5 |
6 |
7 |
8 |
9 |
|
Вопрос 1 |
1 |
2 |
3 |
4 |
5 |
6 |
7 |
8 |
9 |
10 |
|
Вопрос 2 |
10 |
9 |
8 |
7 |
6 |
4 |
5 |
2 |
3 |
1 |
|
Вопрос 4 |
11 |
12 |
13 |
14 |
15 |
16 |
17 |
18 |
19 |
20 |
|
Вопрос 5 |
19 |
20 |
11 |
12 |
13 |
14 |
15 |
16 |
17 |
18 |
|
Вопрос 6 |
21 |
22 |
23 |
24 |
25 |
26 |
27 |
28 |
29 |
30 |
|
Вопрос 7 |
31 |
32 |
33 |
34 |
35 |
36 |
21 |
22 |
23 |
24 |
|
Вопрос 8 |
25 |
26 |
27 |
28 |
29 |
30 |
31 |
32 |
33 |
34 |
|
Вопрос 9 |
32 |
40 |
39 |
41 |
31 |
42 |
40 |
43 |
41 |
15 |
Контрольные вопросы
1. Какая архитектура лежит в основе данных микропроцессоров фирмы AVR?
2. Какая тактовая частота может устанавливаться для микропроцессоров?
3. Сколько каналов АЦП насчитывает микропроцессор?
4. Сколько разрядов в одном канале АЦП?
5. Количество регистров общего назначения?
6. Что такое АЛУ?
7. Объем статической памяти?
8. Объем Flash – памяти?
9. Объем электрически стираемой памяти?
10. Количество источников внутреннего прерывания?
11. Количество источников внешнего прерывания?
12. Какие интерфейсы программирования существуют у данного типа микропроцессоров?
13. Какие периферийные устройства входят в состав микроконтроллера?
14. В чем заключается гарвардская структура микроконтроллера?
15. Что такое программный счетчик?
16. Какие режимы уменьшения мощности существуют для микропроцессора
17. Какие возможности предоставляет режим холостого хода (Idle)?
18. Какие возможности предоставляет режим выключения (Powerdown)?
19. Какие возможности предоставляет экономичный режим (Power-save)?
20. Какие возможности предоставляет дежурный режим (Standby)?
21. Какие возможности предоставляет режим снижения шумов АЦП (ADC Noise Reduction)
22. Какие возможности предоставляет расширенный дежурный режим (Extended Standby)?
23. Какой интерфейс позволяет программировать встроенную Flash-память?
24. Назначение регистра SREG
25. Назначение флага C регистра SREG
26. Назначение флага Z регистра SREG
27. Назначение флага N регистра SREG
28. Назначение флага V регистра SREG
29. Назначение флага S регистра SREG
30. Назначение флага H регистра SREG
31. Назначение флага T регистра SREG
32. Назначение флага I регистра SREG
33. Что такое порт ввода вывода?
34. Назначение регистров PIN*.
35. Назначение регистров DDR*.
36. Назначение регистров PORT*.
37. Что такое система команд?
38. Какие виды команд существуют?
39. Какие команды относятся к командам пересылки данных и их назначение?
40. Какие команды относятся к арифметическим командам и их назначение?
41. Какие команды относятся к логическим командам пересылки данных и их назначение?
42. Какие команды относятся к инструкциям для работы с битами и их назначение?
43. Какие команды относятся к команды управления ходом исполнения программы и их назначение?

Материалы на данной страницы взяты из открытых источников либо размещены пользователем в соответствии с договором-офертой сайта. Вы можете сообщить о нарушении.