Министерство образования и молодежной политики
Ставропольского края
ГБОУ СПО АСХК
КОНСПЕКТ ЛЕКЦИЙ
ПМ 2 Эксплуатация сельскохозяйственной техники
МДК 02.03 Технология механизированных работ в животноводстве
АЛЕКСАНДРОВСКОЕ – 2015 Г.
Рецензенты:
¾ председатель цикловой комиссии – Полетунова Е.
¾ заведующая отделением механизации, преподаватель – Кочеткова И.Б.
Автор:
¾ преподаватель по механизации сельского хозяйства – Никитенко Н.Н.
При изучении ПМ 2 Эксплуатация сельскохозяйственной техники
МДК 02.03 Технология механизированных работ в животноводстве крайне актуально с самого начала лекций активно включаться в изучение раздела, т.к. материал каждой последующей лекции базируется на материале предыдущей. Поэтому после каждой лекции необходимо проработать полученные сведения по учебнику, лекциям и презентациям, и если возникли вопросы прояснить их с преподавателем на семинаре.
Для лучшего понимания материала по технологии механизированных работ в животноводстве очень полезен просмотр компьютерных анимаций, которые можно найти в Интернете.
Конспект лекций предназначен для изучения теоретического материала студентами очно и заочной формах обучения специальности механизация сельского хозяйства.
Печатается по решению научно-методического совета АСХК отделения механизации.
СОДЕРЖАНИЕ
1. Введение
2. Лекции
¾ Тема 3.1.Производственно-технологическая характеристика ферм и комплексов.
¾ Тема 3.2.Кормление сельскохозяйственных животных.
¾ Тема 3.3.Технология производства молока и говядины.
¾ Тема 3.4.Механизация первичной обработки и переработки молока.
¾ Тема 3.5.Технология производства свинины
¾ Тема 3.7.Технология производства шерсти и баранины.
¾ Тема 3.8.Поточные технологические линии в животноводстве.
¾ Тема 3.9. Технологии и машины для заготовки кормов
¾ Тема 3.10. Технологические схемы обработки кормов
¾ Тема 3.11.Механизация переработки и приготовления кормовых смесей.
¾ Тема 3.12.Гранулирование кормов.
¾ Тема 3.13.Технология и технологические средства механизированной раздачи кормов.
¾ Тема 3.14.Механизация водоснабжения животноводческих ферм и комплексов.
¾ Тема 3.15.Механизация уборки навоза на фермах и комплексах, машины и установки для удаления, транспортировки и обработки навоза
¾ Тема 3.16.Микроклимат в животноводческих помещениях.
3. Вопросы и задания для самопроверки
4. Список используемой литературы
1. ВВЕДЕНИЕ
Основной целью изучения модуля «Технология механизированных работ в животноводстве» является формирование знаний у студентов об устройстве, принципе работы и технологических регулировках машин и оборудования для механизации производственных процессов в животноводстве и птицеводстве; приобретение практических навыков по разборке, дефектовке, сборке машин, подготовке их к работе, управлению ими, обслуживанию и ремонту. Практические знания и навыки учащийся студент приобретает на производстве в период очной сессии на лекционно-практических занятиях, в процессе самостоятельного изучения курса в объеме программы.
Программа профессионального модуля является частью основной профессиональной образовательной программы по специальности СПО 110809
«Механизация сельского хозяйства» в части освоения основного вида профессиональной деятельности (ВПД): «Эксплуатация сельскохозяйственной техники» и соответствующих профессиональных компетенций
(ПК):
ПК 2.1. Определять рациональный состав агрегатов и их эксплуатационные показатели.
ПК 2.2. Комплектовать машинно-тракторный агрегат.
ПК 2.3. Проводить работы на машинно-тракторном агрегате.
ПК 2.4. Выполнять механизированные сельскохозяйственные работы.
Разработана в соответствии с ФГОС СПО по специальности 110809 «Механизация сельского хозяйства».
Программа профессионального модуля может быть использована в про-
фессиональной подготовке, при освоении профессии рабочего в рамках специ-
альности СПО 19205 «Тракторист – машинист сельскохозяйственного производ-
ства».
2. Цели и задачи модуля – требования к результатам освоения модуля
Цель профессионального модуля – формирование комплекса знаний,
умений и навыков по эксплуатации машинно-тракторного парка, освоение
приемов и методов при выполнении различных работ в сельскохозяйственном
производстве.
Задачи образовательной программы:
1. Образовательные:
- формировать знания о безопасном производстве работ в сельскохозяйственном производстве;
- формировать знания по эксплуатации машинно-тракторного парка и выполнению работ в сельскохозяйственном производстве;
- формировать знания по применению современных технологий в сельскохозяйственном производстве;
2. Воспитательные:
- способствовать формированию инициативной личности, обладающей
такими качествами, как ответственность, самостоятельность, коммуникабельность, трудолюбие;
- формировать культуру труда, технологическую и трудовую дисциплину.
3. Развивающие:
- развить память, внимание, воображение, нестандартное мышление,
творческие способности;
- расширять кругозор.
С целью овладения указанным видом профессиональной деятельности и
соответствующими профессиональными компетенциями обучающийся в ходе
освоения профессионального модуля должен:
иметь практический опыт:
Ø комплектования машинно-тракторных агрегатов;
Ø работы на агрегатах;
уметь:
Ø производить расчет грузоперевозки;
Ø комплектовать и подготовить к работе транспортный агрегат;
Ø комплектовать и подготавливать агрегат для выполнения работ по возделыванию сельскохозяйственных культур;
знать:
Ø основные сведения о производственных процессах и энергетических средствах в сельском хозяйстве;
Ø основные свойства и показатели работы машинно-тракторных агрегатов
(МТА);
Ø основные требования, предъявляемые к МТА, способы их комплектования;
Ø виды эксплуатационных затрат при работе МТА;
Ø общие понятия о технологии механизированных работ, ресурсо- и энергосберегающих технологий;
Ø технологию обработки почвы;
Ø принципы формирования уборочно-транспортных комплексов;
Ø технические и технологические регулировки машин;
Ø технологии производства продукции растениеводства;
Ø технологии производства продукции животноводства;
Ø правила техники безопасности, охраны труда и окружающей среды.
3. ЛЕКЦИИ
Раздел 3. Технология выполнения механизированных работ в животноводстве МДК 02.03 Технология механизированных работ в животноводстве
Тема 3.1.Производственно-технологическая характеристика ферм и комплексов.
План:
1. Определение понятий ферма и комплекс, их виды, направленность и размеры.
2. Основные определения при организации производства на промышленной основе.
3. Особенности структуры производства продукции животноводства.
4. Технология и способы содержания животных и птицы.
1. Определение понятий ферма и комплекс, их виды, направленность и размеры.
Животноводческая ферма является основной формой организации общественного животноводства.
В зависимости от вида животных и птицы фермы различают:
1. Фермы крупного рогатого скота.
2. Свиноводческие фермы.
3. Овцеводческие фермы.
4. Птицеводческие фермы.
5. Зверофермы.
6. Пасеки.
По направлению производства продукции фермы подразделяются на три категории:
1. Племенные – ведут работу по выведению новых и совершенствованию имеющихся пород скота и птицы.
2. Репродуктивные – для размножения ценных пород скота и птицы.
3. Товарные – для производства животноводческой продукции.
В свою очередь товарные фермы к. р.с. подразделяются на молочные, мясные и мясомолочные.
В птицеводстве имеются фермы для производства мяса и яиц. Птицефермы классифицируются:
а) по биологическому виду птицы (куры, утки, гуси, индейки…);
б) по возрастным группам: инкубаторные, бройлерные и взрослая птица.
Специализированные предприятия по выращиванию инкубаторных цыплят и утят называются инкубаторно-птицеводческими станциями (ИПС), а предприятия по производству мяса и яиц – птицефабриками.
Перевод животноводчества на промышленную основу – одно из главных направлений технического прогресса.
Животноводство по своей организационно – технологической структуре ближе к промышленному производству, чем полеводство.
Круглогодовой производственный процесс, строгая ритмичность в работе, постоянный распорядок дня, постоянный штат обслуживающего персонала, стационарное оборудование, размещенное в зданиях, электроэнергия – все это атрибуты промышленного производства.
Однако анализ показывает, что если затраты труда на производство 1ц пшеницы снизились за 25 лет в 5 раз, то на производство 1ц молока – на 20 %.
Что же такое животноводческий комплекс и в чем его принципиальное отличие от обычных комплексно-механизированных ферм?
Животноводческий комплекс – это крупное высокомеханизированное предприятие, предназначенное для равномерного круглогодового производства высококачественной животноводческой продукции на основе применения промышленной технологии, научной организации труда и управления, высокого уровня концентрации и специализации производства на базе автоматизации и поточной организации технологических процессов.
Животноводческий комплекс – принципиально новый тип предприятия, для которого характерны следующие признаки:
1. Научно-обоснованная поточная технология.
2. Прочная кормовая база.
3. Четкая структура предприятия и организация производства.
4. Централизация управления всеми процессами.
5. Применение более современных средств механизации на базе электрификации и автоматизации.
6. Полное соответствие машинной технологии объемно - планировочным и строительным решениям.
7. Строгий зооветеринарный надзор за производством.
8. Наличие предприятий для переработке животноводческой продукции на месте и доведение ее до товарных кондиций.
Животноводческий комплекс – совокупность зданий, земельных территорий(пастбищ, посевов кормовых культур), сооружений, оборудования и инженерных коммуникаций, объединенных технологическим процессом, общностью территории и предназначенных для производства определенного вида животноводческой продукции.
На комплексе непрерывно функционируют:
1. Сектор содержания животных (для всех комплексов).
2. Сектор молодняка с родильным отделением (молочный комплекс, свинокомплекс).
3. Сектор репродукции (доращивания).
4. Товарный сектор.
5. Сектор искусственного осеменения.
6. Сектор обработки продукции.
7. Сектор утилизации отходов производства.
8. Сектор кормопроизводства и кормоприготовления.
9. Ветеринарный сектор.
10. Жилищно–бытовой сектор.
Помимо высокого уровня концентрации, глубокой специализации и законченного цикла производства промышленные методы организации предусматривают наличие потока.
Строгая ритмичность производства может быть обеспечена при наличии постоянного и равномерного потока.
Ритмом или шагом производственного потока называется интервал времени, за который предприятие (или отдельная линия) выпускает партию готовой продукции.Комплексы бывают:
1. Для производства молока на 800; 1200; 2000 коров.
2. Для производства говядины на 10 тыс. голов в год.
3. Для производства свинины – 12 тыс.; 24; 54; 108; 216 тыс. в год – выращивание и откорм.
4. Для производства яиц (птицефабрики) – от 50 тыс. до 1 млн. кур-несушек.
5. Для производства мяса птицы (птицефабрики) – от 1 до 8 млн. цыплят в год.
2. Основные определения при организации производства на промышленной основе.
При рассмотрении вопросов, связанных с комплексной механизацией и автоматизацией сельскохозяйственного производства необходимо четко определить следующие понятия:
1. Производственный процесс.
2. Технологический процесс.
3. Режимы функционирования.
4. Технологическая операция.
Производственным процессом называют совокупность технологических процессов (вместе со всем технологическим оборудованием) направленных на создание конечного продукта или материала (откормочное содержание свиней, выращивание бройлеров, откорм овец).
Иными словами – производственный процесс – это производство животноводческой продукции. Каждый производственный процесс состоит из отдельных процессов, называемых технологическими, сочетаемых в определенном порядке.
Под технологическим процессом в сельскохозяйственном производстве понимают всю совокупность целесообразных явлений, возникающих в объекте выращивания или обработки путем воздействия на него инструментов рабочих органов машин и орудий или других физических, химических, или биологических агентов (запаривание кормов, измельчение …).
Режимы функционирования представляют собой ряд действий, направленных на подготовку и выполнение технологического процесса.
Различают 5 режимов функционирования:
1. Установочный – подготовка объектов обработки и машин к рабочему режиму (для обеспечения протекания процесса с заданным качеством).
2. Рабочий – взаимодействие объекта или материала с машиной или рабочей средой.
3. Биологический или физико-химический – специфический сельскохозяйственный режим, связанный с естественным процессом накопления растительной или животноводческой продукции.
4. Транспортный – перемещение машин, животных или материала.
5. Режим обслуживания – технический уход за машинами, уход за животными и др.
Режим состоит из технологических операций.
Технологическая операция – ряд организационных и технологических действий, способствующих нормальному протеканию режима функционирования.
Производственный процесс - производство животноводческой продукции (молока, мяса).
Технологические процессы – кормопроизводство, кормоприготовление, кормление животных, поение, уход за животными, получение продукции.
3. Особенности структуры производства продукции животноводства.
По организационно-экономической структуре животноводство близко подходит к промышленному производству с круглогодичным производственным процессом. Однако, если последнее (завод, фабрика) представляет собой замкнутую динамическую инженерно-техническую систему «человек - машина» с детерминированной обратной связью, то животноводческий комплекс (ферма) является биотехнической системой «человек – машина - животное» с независимым активно действующим биологическим звеном.
Ведущим и управляющим звеном здесь является человек-оператор, но наличие в ней животного – обращает всю систему в вероятностную, т. к. животные подчинены своим внутренним биологическим и физиологическим законам (мы не только не научились управлять этими законами, но и не знаем их полностью).
При фабрично-заводском производстве человек, используя средства труда (технику, здания…), воздействует на предметы труда (сырье) непосредственно превращая его в продукт производства (готовое изделие). В животноводстве на корм воздействует животное, которое в данном случае выступает одновременно как предмет труда (подвержено выращиванию, откорму), так и средство труда (обеспечивает производство мяса, молока…).
Это принципиальное отличие. На этом основании технологию производства продуктов животноводства можно условно разделить на две части:
1. Зооинженерную (биологическая).
2. Инженерно-техническую (машинная).
Зооинженерная технология включает в себя способы получения продукции при минимальных затратах сырья (корма), труда и материальных средств. Она предопределяет выбор системы содержания, способа кормления и ухода, воспроизводства стада и ветеринарно–санитарногообслуживания.
Основой для разработки новых технологических процессов и технических средств (машин) являются зоотехнические и физиологические требования. Они составляются как для системы машин в целом, так и для поточно-технологических линий (ПТЛ) и отдельных машин. Если машина не будет удовлетворять этим требованиям – она в производство не пойдет.
Зоотехнические требования являются официальным исходным документом обязательным для КБ, проектных организаций и научных учреждений.
Инженерно-техническая технология определяет процессы поточного производства, их механизацию и автоматизацию.
В животноводстве имеют место биологические, материальные, транспортные, энергетические и информационные потоки.
Каждый производственный процесс состоит из ряда взаимосвязанный операций протекающих в определенной последовательности.
Операции:
1. Технологические (основные) – включают прием и переработку исходного сырья в готовый продукт.
2. Транспортные – связаны с передачей сырья по ходу процесса переработки от одной машины к другой.
3. Вспомогательные – операции контроля, учета и управления.
4. Технология и способы содержания животных и птицы.
А. Способы содержания к. р.с.
Технология, как наука, разрабатывает способы содержания скота и птицы с позиций наименьших затрат на производство наибольшего количества продукции высокого качества, т. е. изыскивается оптимум между затратами на производство единицы продукции и ее качеством.
Молочные фермы по способу содержания разделяются на привязного и беспривязного содержания.
Привязное содержание предполагает, что корова находится в отдельном стойле, оборудованным привязью, кормушкой, поилкой, системой раздачи кормов и уборки навоза и доильной аппаратурой. Стойла в помещении размещают параллельно друг другу таким образом что они образуют ряд. Для привязи используются групповые привязи (ОСК - 25), полуавтоматические (ОСП - Ф - 26). В коровниках оборудована системавентиляции, отопления, освещения.
Беспривязное содержание – животные содержатся группами на глубокой подстилке, которая сменяется 1 раз в год. Кормление и поение организуются на выгульных площадках при свободном доступе к грубым кормам, силосу и воде.
Беспривязное содержание коров на обычных фермах снижает затраты труда на 1ц. молока почти вдвое по сравнению со стойловым, а себестоимость продукции на 30-40 %.
Недостатки беспривязного способа содержания:
1. Невозможность научно поставленного зооветеринарного контроля за количеством скармливаемых материалов и состоянием животных.
2. Загрязнение территории фермы.
3. Сверхнормативное загрязнение кожного покрова, особенно вымени (длительная мойка снижает рефлекс молокоотдачи).
Компромиссным решением явилось боксовое содержание коров. Это разновидность беспривязного содержания, когда животное располагается для отдыха в отдельном боксе. Кормление животных осуществляется в помещение нормировано.
При боксовом содержании:
а) себестоимость не выше чем при беспривязном содержание.
б) качество получаемого молока выше.
Недостаток – сложно перемещение каждой группы коров на доение и ее возвращение.
Стойлово-лагерное содержание. Особенность организации этого способа содержания заключается в том, что потребность в зеленом корме удовлетворяется за счет подножного корма с естественных и искусственных пастбищ.
Здесь коров до отела содержат в коровниках 1, откуда после случки и на последней стадии стельности по круглогодовому графику отправляют отдельными партиями в родильное отделение 2. Из родильного отделения коров после раздоя переводят в коровники 3, а телят - в телятники 4. После завершения лактации (период лактации 300 дней) здоровых сухостойных коров переводят в помещение 1, а подлежащих выбраковке направляют на откормочные площадки 5.
Телят, кроме ремонтных, после шестимесячного возраста из телятников 4, также переводят на откормочные площадки, а после достижения определенного веса отправляют на убой.
Большое внимание уделяется разработке установок конвейерного типа. Конвейер обеспечивает ритмичность и поточность производственного цикла, повышает производительность труда в 2-3 раза.
Особое место в системе конвейерных доильных установок занимают шведские системы «Юникар» и «Юнилактор».
Система «Юникар» основана на содержании коров в специальных передвижных стойлах – клетках, перемещаемых по определенному графику (по технологической линии обслуживания).
Разновидностью поточной линии является система «Юникар» фирмы «Альфа - Лаваль».
Средства механизации молочных ферм.
Кормораздача -
а) погрузка кормов – ПСН – 1М; пск – 5; фн – 1,2; пэ – 0,8; Пб -35;
б) измельчение – РСС -6Б; игк -30б; фн – 1,2;
в) раздача мобильными средствами – кТу– 10; рка – 8; кса – 5; рмм -5;
г) раздача стационарными средствами: ленточные; ленточно-троссовые; ленточно-цепные; цепочно-скребковые; платформенные раздатчики, а также раздатчики РК – 50; РКУ – 200, ТВК – 80Б, КЛО – 75, КЛК - 75.
Поение – поилки индивидуальные – ап – 1; па-1 (из расчета
1 – на 2 головы при привязном содержании,
1 – на 5 -10 коров – при боксовом содержании);
групповые – агк – 4; агк – 12; пап – 10а;
водораздатчик вр - 3м.
Уборка навоза – транспортер ТСН – 160А;
скреперные установки УС -15 (автоматизир.), УС – 10.
Доение - в родильных отделениях – ДАС – 2Б; АД – 100А;
в коровниках – АДМ – 8;
в доильных залах и на площадках – УДА – 16 «Елочка»;
УДА – 8 «Тандем»;
УДС – 3А «Карусель».
Б. Способы содержания свиней.
Основным способом содержания свиней является крупногрупповой свободно-выгульный способ.
При этом свиньи размещаются в секциях свинарника большими группами и имеют свободный доступ к кормушкам, размещенными в свинарнике или на выгульных площадках.
Применяются еще 3 способа содержания:
1. С кормлением и содержанием свиней в станках.
2. С кормлением в столовых и безвыгульным содержанием свиней в свинарнике.
3. С кормлением в столовых и свободновыгульном содержании на глубокой подстилке в свинарниках с использованием выгульных площадок с твердым покрытием.
Маточное поголовье свиней до опороса содержат крупными группами (250-500 гол.) в свинарниках 1. Перед опоросом свиноматок переводят в помещение 2, где после опороса их с поросятами размещают в индивидуальных, а через 7-10 дней – в групповых станках. Через 10-14 суток поросят отнимают от маток и размещают в брудергаузах 3 группами по 100 голов. В 2-х месячном возрасте поросят направляют на доращивание в помещение 4, а затем на откорм. Наиболее высоко-породных свиней из помещения 4 переводят для пополнения основного стада в помещении 1. Выбракованных свиноматок после откорма в помещении 5 направляют на убой.
В. Способы содержания овец.
С учетом климатических условий и зон страны используют пастбищный, пастбищно-стойловый и пастбищно-полустойловый способы содержания овец:
а) пастбищный – наивыгоднейший способ с круглогодовым содержанием овец на пастбище.
Применим он только в теплых районах страны.
Овцы круглый год содержатся на подножном корме.
б) пастбищно-стойловое содержание используется тогда, когда отсутствуют зимние пастбища.
При таком способе необходимы специальные постройки-овчарни.
В помещении овцы размещаются на глубокой подстилке. Уборку навоза производят механизированным способом после того, как овец выведут на пастбище.
в) пастбищно–полустойловое содержание применяется в хозяйствах обеспеченных пастбищами в течение года и имеющих возможность систематически подкармливать овец в зимнее время.
Г. Способы содержания птицы.
На птицефермах и фабриках распространены выгульный, интенсивный (безвыгульный) и комбинированный способы содержания птицы.
Выгульный способ содержания применяют в племенных хозяйствах и на фермах маточного стада, птицефабриках и птицесовхозах.
Интенсивный (на глубокой подстилке, в клетках, в птичниках с вольерами) – используются на фабриках яичного и мясного направления.
Комбинированный – выращивание цыплят до возраста 60, утят и гусят до 20, индюшат до 45 дней в клетках, а затем в лагерных условиях.
Широкое распространение получил способ содержание кур-несушек в широкогабаритных птичниках на глубокой подстилке.
Оборудование – транспортеры для корма и яиц, автопоилки, гнезда (располагаются в середине птичника). Птичники оборудуются приточно-вытяжной вентиляцией. Куры имеют свободный доступ к кормам, воде и к гнездам. Высокая подвижность несушек обеспечивает их полноценное биологическое развитие.
Клеточное содержание – куры находятся в клетках, расположенных в несколько рядов и ярусов. При этом площадь помещения используется в 3-4 раза эффективнее, чем при напольном содержание. Клеточные батареи марок: КБУ -3; ОБН; КБН.
Кормление, поение, уборка навоза и сбор яиц осуществляет комплекс машин, составляющих неотъемлемую часть клеточной батареи.
Технологические схемы производства мяса бройлеров и яиц показаны на рисунке 1.4.
Технология производства яиц сводится к следующему. В цехе 5 маточного стада в широкогабаритных птичниках (на 5000 каждый) на глубокой подстилке содержатся племенные куры-несушки и петухи (на 10 кур 1 петух). Яйца кур маточного стада направляются в цех инкубации 1, где имеются: отделение инкубаторов, моечная, сортировочная, помещение для хранения яиц.
Цыплята в суточном возрасте передаются в клеточный цех 2, где курочки и петухи раздельно выращиваются по периодам (1-й – с 1 до 30 и 2-й – с 31 до 60 дней). После этого цыплят пересаживают в цех 3 ремонтного молодняка (птичники на глубокой подстилке). Из цеха ремонтного молодняка петушки в возрасте 90 дней идут на убой, а курочки в возрасте 145 дней – на пополнения основного промышленного стада в цех 7.
Товарные яйца со всех птичников поступают на яйцесклад 6, где их считают, сортируют, клеймят и упаковывают.
Основное стадо кур-несушек обновляется в течение года на 120 %. Птица, предназначенная для забоя, поступает в убойный цех 4. Отходы направляются в утилизационный цех 8.
|
|
|
|
|
Рис.1.4. Технологическая схема производства мяса (а) и яиц (б)на птицеферме: I - сектор выращивания цыплят и молодняка; II - сектор маточного стада кур-несушек; III - сектор убоя птицы ипереработка отходов; IV - сектор промышленного стада кур-несушек; 1- цех инкубации; 2- цех выращивания цыплят; 3- цех ремонтного молодняка; 4- убойный цех; 5- цех маточного стада кур-несушек; 6- яйцесклад; 7- цех промышленного стада кур-несушек; 8- утилизационный цех. |
В технологию производства мясных цыплят (бройлеров) входит: содержание маточного стада в птичниках 5 на глубокой подстилке, инкубация яиц в инкубатории 1 и выращивание цыплят в широкогабаритных птичниках 2. За 70-80 дней цыплята достигают 1,2 -1,5 кг и поступают на убой.
Тема 3.2. Кормление сельскохозяйственных животных.
ПЛАН:
1. Значение полноценного нормированного кормления животных.
2. Корма, их классификация и питательная ценность
3. Зеленые и грубые корма. Сочные корма.
4. Концентрированные корма. Корма животного происхождения.
5. Минеральные подкормки и витаминные препараты. Комбинированные и кормовые добавки.
1. Значение полноценного нормированного кормления животных.
Полноценное кормление сельскохозяйственных животных является определяющим фактором в вопросе производства продукции животноводства.
О значении полноценного кормления сельскохозяйственных животных можно судить по тому факту, что в структуре себестоимости продукции доля кормов составляет при производстве молока 50 … 55 %, говядины – 65 … 70 %. Для животных важно не только количество, но главным образом качество кормов, которое определяется содержанием в них питательных веществ. От полноценного кормления зависят уровень продуктивности, качество продукции, здоровье животных, что в целом определяет эффективность животноводства, как отрасли сельскохозяйственного производства.
2. Корма, их классификация и питательная ценность.
Корма - продукты растительного, животного или минерального происхождения, используемые для кормления сельскохозяйственных животных.
Кормами называют специально приготовленные и используемые для кормления сельскохозяйственных животных продукты, содержащие питательные вещества в усваиваемой форме и не оказывающие вредного действия на здоровье животных и качество получаемой от них продукции.
Классификация кормов.
1. По энергетической ценности:
- объемистые (в 1 кг массы содержится до 0,6 корм. ед.);
- концентрированные (в 1 кг массы – более 0,6 корм. ед.).
2. По происхождению:
- растительные;
- животные;
- микробиологического синтеза;
- химического синтеза;
- комбинированные.
Для практических целей при¬нята следующая классификация кормов: зеленые (трава пастбищ и зеленых подкормок); грубые (сено, солома, мякина, веточный и древесный корм); сочные (силос, сенаж, корнеплоды, клубнепло¬ды, бахчевые и другие сочные плоды); концентрированные (зерно и семена, жмых, шрот и др.); животного происхождения (молоко цельное и обезжиренное, сыворотка, мясокостная и рыбная мука и др.); отходы технических производств (спиртового, сахарного, консервного пищевого, масложирового); пищевые отходы; мик¬робиологического синтеза (дрожжи, микробный белок); синтетическиеазотистые добавки; минеральные и витаминные добавки; комбикорма.
Под питательностью понимают свойство корма удовлетворять разносторонние естественные потребности животных в пище. В зависимости от того, какие потребности организма животного и в ка¬кой степени удовлетворяет корм, его питательность подразделяют на общую (энергетическую), протеиновую, минеральную и вита¬минную.Чтобы оценить питательность корма, необходимо знать химический состав, калорийность и переваримость корма, а также использование (усвояемость) животными питательных веществ.
Основную часть веществ растительного (96...98 %) и животного (около 95 %) происхождения составляют углерод, водород, кислород и азот. Причем в растениях больше содержится кислорода, а в теле животных — азота, углерода и водорода.
Любой корм состоит из сухого вещества и воды.
Сухое вещество. В сухом веществе различают минеральную и органическую части. Минеральная часть корма характеризуется наличием элементов минерального питания (кальций, фосфор, магний, калий, железо, медь и др.), находящихся в форме различных соединений. Органическая часть корма состоит из веществ двух видов: азотистый (сырой протеин) и безазотистых (сырой жир, сырая клетчатка, экстрактивные вещества).
Вода. Чем больше в корме воды, тем ниже его питательность. Содержание воды в кормах колеблется в широких пределах. Например, в зерновых, сене и соломе она составляет 14...15 %, в зеленых кормах — 60...85 %,а в корнеплодах — до 90 %.
Вода является основным растворителем и участником основных физиологических процессов, в ходе которых всосавшиеся из кишечника питательные вещества доставляются ко всем клеткам и тканям организма, а от них выносятся продукты жизнедеятельности.
Минеральные вещества. Входя в состав всех клеток и тканей тела животных, минеральные вещества выполняют в организме важные физиологические функции. Они являются структурными элементами ряда ферментов и гормонов, некоторые из них активизируют их действие, составляют основу костной ткани, принимают участие в регуляции деятельности нервной и сердечно-сосудистой систем, белкового, углеводного, жирового и водного обмена.
В тканях животных обнаружено более 60 минеральных веществ. Их делят на две группы — макроэлементы (кальций, фосфор, калий, натрий, магний, хлор, сера и др.) и микроэлементы (железо, медь, цинк, кобальт, марганец, йод и др.).
Белки имеют исключительно важное значение в жизни живого организма, являясь одним из основных элементов питания животных и служащих источником «строительных материалов» для организма. По сравнению с другими группами питательных веществ протеиновые соединения занимают особое место в кормлении скота и птицы, так как не могут быть заменены ни жирами, ни углеводами.
Протеин корма служит источником белка тела животных. К белкам относятся антитела, выполняющие защитные функции, и ферменты.
Основными составными частями белков корма, из которых организм синтезирует белок своего тела, являются аминокислоты, представляющие собой конечные продукты распада белков корма в пищеварительном тракте сельскохозяйственных животных.
Аминокислоты делят на заменимые и незаменимые. К незаменимым (жизненно необходимым) аминокислотам относятся лизин, метионин, триптофан, гистидин, лейцин, изолейцин, фенилаланин, валин, аргинин, треонин. Первые три аминокислоты называют критическими. Они особенно нужны для свиней и птицы, так как в зерновых кормах их содержание ничтожно мало.
Примерное содержание белка в различных кормах, %: сено злаковых растений — 6...8, сено бобовых — 12...16, зерно злаковых — 8...12, зерно бобовых —20...30, корнеплоды — 0,5…1, жмых, шрот —30...40, корма животного происхождения— 50…70. Высокую биологическую ценность имеют белки животного происхождения: рыбная, кровяная, мясная и мясо-костная мука, сыворотка, молоко. Хорошей биологической ценностью характеризуются белки бобовых растений — люцерны, клевера, гороха, сои и др.
Витамины. Нормальная жизнедеятельность живого организма невозможна без витаминов. Отсутствие или недостаток их в кормах ведет к расстройству обмена веществ и заболеваниям, называемымавитаминозами.
Уровень некоторых витаминов в продукции животноводства — молоке, яйце, мясе, сливочном масле — находится в прямой зависимости от их количества в рационах. На содержание витаминов в кормах влияют различные факторы: вид и сорт растений, почва, климат, период вегетации и др.
Изучено более 20 витаминов. Разработаны методы выделения их в чистом виде, а также методы искусственного синтеза некоторых витаминов. По химической природе витамины делят на две группы: жирорастворимые и водорастворимые. К жирорастворимым относятся витамины A, D, Е, К, к водорастворимым — витамины группы B и C.
Переваримость корма определяют по разности между питательными веществами, принятыми с кормом и выделенными из организма. Чем выше переваримость корма, тем больше его питательная ценность. Переваримость корма оценивают по коэффициенту переваримости, представляющему собой процентное отношение переваренных веществ к потребленным с кормом.
Для определения коэффициента переваримости органического вещества корма или его отдельных частей необходимо знать, сколько этих питательных веществ поступило с кормом и сколько выделено с калом, т. е. не усвоилось. Например, корова получила с кормом 10 кг органического вещества, а выделила 2 кг. Коэффициент переваримости составит
.
Оценка питательности кормов. Под общей питательностью корма понимают содержание в нем всех органических веществ или величину вносимой с ним энергии. Энергетическую питательность кормов оценивают по содержанию в них кормовых единиц. За кормовую единицу принята питательность 1 кг сухого (стандартного) овса, эквивалентная 1414 ккал (5920,4 кДж) энергии жироотложения или отложению в теле откормочного вола 750 г жира. Для научных исследовании питательность рекомендуется оценивать в энергетических кормовых единицах (ЭКЕ), отражающих потребность животных в обменной энергии. В качестве 1 ЭКЕ принято 2500 ккал (10467 кДж) обменной энергии.
Норма кормления — это количество питательных веществ, необходимое для удовлетворения потребности животных с целью поддержания жизнедеятельности организма и получения намеченной продукции хорошего качества при сохранении здоровья.
На основе норм кормления животных составляют суточный рацион.
Рацион — это набор кормов, соответствующий по питательности определенной норме кормления и удовлетворяющий физиологическую потребность животного в питании с учетом его продуктивности. К рационам для сельскохозяйственных животных предъявляют следующие требования. По питательности они должны соответствовать нормам кормления и биологическим особенностям определенного вида животных; содержать вещества, благоприятно влияющие на пищеварение; быть разнообразными по ассортименту кормов и достаточными по объему. В рацион целесообразно включать корма по возможности дешевые и производимые в основном в хозяйстве.
3. Зеленые и грубые корма.Сочные корма.
К зеленым кормам относятся травы естественных и культурных сенокосов и пастбищ. Молодая трава, несмотря на большое содержание воды (70...80 %), характеризуется значительной питательностью. По энергетической питательности и содержанию протеина в сухом веществе зеленая трава приближается к концентрированным кормам, а протеин ее отличается высокой биологической ценностью.
Зеленые корма содержат в большом количестве почти все необходимые для организма животного витамины и минеральные вещества.
Зеленый корм - основной источник корма в пастбищный период. В кормовом рационе животных он занимают 26 % и более.
Состав зеленых кормов в зависимости от вида и фазы вегетации растений, %: воды 60...80, протеина 20...25, клетчатки 10... 18, жира 4…5, безазотистых экстрактивных веществ 35...50, минеральных веществ 9…11 в пересчете на сухое вещество. Зеленая трава по стоимости кормовой единицы дешевле других кормов.
Сено — важнейший корм и один из главных источников протеина, минеральных веществ и витаминов для крупного рогатого скота, овец, лошадей в зимний период. Сено получают естественным или искусственным высушиванием трав до влажности 14...17 %. В 1 кг сена I класса содержится 0,45...0,55 корм. ед., 65...80 г переваримого протеина, не менее 30 мг каротина.
Оптимальные сроки скашивания злаковых трав на сено — начало колошения, бобовых — бутонизация, начало цветения. В этот период растения имеют большую облиственность и содержат максимальное количество питательных веществ и мало клетчатки.
Чтобы получить высокопитательное сено, уборку трав по каждому типу сенокосов следует начинать в оптимальные сроки и заканчивать через 8...10 дней. Даже если сушка сена происходит при благоприятных погодных условиях, общие потери питательных веществ составляют 20...30 %, а при неблагоприятных достигают 40...50 % исходного содержания их в траве.
Существует несколько способов сушки трав на сено:
1. заготовка рассыпного сена.
2. заготовка измельченного сена.
3. заготовка прессованного сена.
4. досушка трав методом активного вентилирования.
4. Сочные корма.
К основным сочным кормам относятся: силос, сенаж и корнеклубнеплоды.
Силос - основной вид корма в зимних рационах для крупного рогатого скота и овец. преимущества силоса - небольшие потери питательных веществ при его заготовке – 15…20 % (для сравнения: у сена - 30 %) и возможность получения его в любую погоду.
Сущность силосования заключается в том, что изоляция корма от доступа воздуха прекращает развитие всех аэробных бактерий и плесневых грибков, а образующаяся в результате жизнедеятельности молочнокислых бактерий молочная кислота, подкисляя корм, подавляет анаэробные гнилостные, маслянокислые и другие процессы.
Условия силосования. Для получения силоса высокого качества необходимо соблюдать ряд условий. Прежде всего уборку зеленой массы надо проводить в оптимальные сроки. Кукурузу следует скашивать в конце фазы молочной спелости зерна и в фазе восковой спелости, викогорохово-овсяные смеси — в фазе восковой спелости зерна в первых двух нижних ярусах бобов, подсолнечник — в период от начала до 50 %-ного цветения корзинок, многолетние злаковые травы — в фазе колошения. Скашивание трав в поздние фазы вегетации отрицательно сказывается на качестве силоса.
Влажность силосуемой массы должна быть оптимальной. Для силосования растений большинства видов оптимальной влажностью считается 65...75 %. Силосование кормов повышенной влажности (75...80 %) сопровождается большими потерями питательных веществ с вытекающим соком.
Измельчение силосуемой массы существенно влияет на качество корма, так как оно способствует выделению клеточного сока, который содержит сахара и питательные вещества, необходимые для нормальной жизнедеятельности молочнокислых бактерий. Основная силосуемая масса должна быть измельчена на частицы размером 2...4 см, а зеленая масса с высокой влажностью — 5...10 см (не более).
Сенаж — это измельченный и законсервированный в герметических башнях или траншеях корм из трав, скошенных и провяленных до влажности 45…55 %.
При заготовке сенажа консервация корма обусловливается физиологической сухостью растений, характеризующейся отсутствием в них влаги, необходимой для жизнедеятельности большинства бактерий. Вследствие этого в сенаже образуется значительно меньше органических кислот, чем в силосе, и сохраняется большее количество сахара.
Преимущества сенажа перед сеном и силосом следующие. Потери питательных веществ при его заготовке составляют 6...10 %. Кроме того, полностью сохраняются цветы и листья, которые содержат большое количество ценных питательных веществ. При использовании сенажа значительно облегчается механизация заготовки и раздачи кормов. По вкусовым и питательным свойствам сенаж ближе к зеленой массе, чем силос, и скот поедает его с большей охотой. Сенаж — пресный корм, рН 4,8...5,5. Благодаря относительно низкой влажности он не замерзает в зимнее время.
Чтобы получить высокопитательный сенаж, травы рекомендуется скащивать в более ранние фазы вегетации, чем при заготовке сена: бобовые — в начале бутонизации, злаковые — в период выхода в трубку, в начале колошения. Уборку трав следует заканчивать до начала цветения.
Сенаж приготовляют следующим образом. Травы скашивают и одновременно плющат (бобовые и бобово-злаковые травосмеси), провяливают, подбирают из валков с измельчением зеленой массы, грузят в транспортные средства, перевозят к башне или траншее, загружают, уплотняют и герметически закрывают. В прокосах траву оставляют при хорошей погоде не более чем на 4 ч. Обычно для провяливания зеленой массы до влажности 45...55 % при хорошей погоде требуется 6...7 ч, при пасмурной погоде без осадков — около суток. Корнеклубнеплоды делят на корнеплоды и клубнеплоды. К пер¬вым относятся: кормовая, сахарная и полусахарная свекла, турнепс, морковь,брюква; ко вторым — картофель, земляная груша (топи¬намбур). Корнеклубнеплоды входят в группу сочных кормов. В них содержится много воды (70...90 %), мало протеина (1...2 %), около 1 % клетчатки и почти нет жира.
В сухом веществе корнеклубнеплодов преобладают легкопереваримые углеводы (крахмал и сахар). Энергетическая питательность 1 кг сухого вещества корнеклубнеплодов и 1 кг концентратов при¬близительно одинакова.
Из всех видов используемых в нашей стране кормовых корне¬плодов наибольшая доля приходится на кормовую свеклу. В ней со¬держится в среднем 12 % сухого вещества (пределы изменения 7...25 %). Кормовая свекла — один из основных углеводистых кор¬мов в рационах крупного рогатого скота, овец и частично свиней.
4. Концентрированные корма. Корма животного происхождения.
Группа концентрированных кормов представлена в основном зерновыми кормами. Они обладают высокой питательностью (1…1,34 корм. ед. в 1 кг корма).
Зерновые корма делят на 2 группы:
1. богатые углеводами (овес, ячмень, рожь, кукуруза).
2. богатые протеином (бобовые культуры – горох, люпин, вика, соя).
Соя содержит до 30 … 45 % протеина и поэтому считается наиболее высокопитательным кормом.
Корма животного происхождения.
К кормам животного происхождения относятся молочные, мясные и рыбные корма, которые характеризуются высоким содержанием протеина и витаминов группы В.
Заменитель цельного молока (ЗЦМ) представляет собой смесь высо¬кокачественных продуктов — сухого и свежего обезжиренного моло¬ка, сухой молочной сыворотки, животных и кулинарных жиров, вита¬минных, минеральных и вкусовых добавок. Состав ЗЦМ: 80 % сухого обезжиренного молока, 15 % растительной саломассы (гидрогенизированный растительный жир) и 5 % фосфатидного концентрата.
Рыбная мука — один из лучших белковых кормов, содержащий до 60 % протеина. Этот продукт получают из пищевой рыбы и рыб¬ных отходов. Рыбную муку скармливают молодняку сельскохозяй¬ственных животных, свиньям и птице, используют для приготовле-ния комбикормов, в качестве добавок к рационам, балансирующих их по белку и минеральным веществам.
Мясную и мясо-костную муку производят из туш и внутренних органов животных, непригодных для питания человека, и используют для приготовления кормов. Содержание протеина 30...60 %.
Кормовые дрожжи — ценный белково-витаминный корм, отлич¬ный компонент комбикорма. Кормовые дрожжи выпускают пред¬приятия мясоперерабатывающей и сульфатно-целлюлозной про¬мышленности, а также спиртовые заводы из отходов в виде сухого продукта (8...10 % влаги).
Пищевые отходы (остатки предприятий общественного питания и домашней кухни). В среднем 5...6 кг отходов соответствуют 1 корм. ед. Пищевые отходы (в смеси с другими кормами) следует максимально использовать для откор¬ма свиней в сельскохозяйственных предприятиях, расположенных вокруг крупных городов и промышленных центров. Перед скарм¬ливанием пищевые отходы обеззараживают, т. е. пропаривают, и освобождают от посторонних предметов.
5. Минеральные подкормки и витаминные препараты. Комбинированные и кормовые добавки
Минеральные подкормки. К ним относятся поваренная соль, ра¬кушки, костная мука, кормовой фосфат, известняки, сапропель (озерный ил), фосфорно-кальциевые подкормки, трикальцийфосфат, преципитат кормовой и др. Промышленность выпускает спе-циальные брикеты, состоящие в основном из поваренной соли с до¬бавкой необходимых микроэлементов.
Витаминные препараты. Для удовлетворения потребностей жи¬вотных в витаминах в состав комбикормов вводят концентраты витамина А и каротина. Рыбий жир получают из печени трески, добав¬ляя концентраты витаминов А и D. Кормовые дрожжи, содержащие витамины D2 и группы В, вырабатывают при облучении ультрафио¬летовыми лучами дрожжевой суспензии.
Комбинированные и кормовые добавки.
Комбикорм представляет собой сложную однородную смесь кормовых средств (зерно, отруби, кор¬ма животного происхождения, минеральные добавки и др.). Сме¬шивание их и введение в рацион биологически полноценных премиксов и добавок позволяет повысить эффективность использова¬ния естественных кормов.
Комбикорма подразделяют на:
– полноценные (полнорационные);
– комбикорма – концентраты;
– балансирующие кормовые добавки (БВД);
– премиксы.
Балансирующие кормовые добавки (БВД, БМВД, карбамидный концентрат и др.) представляют собой однородные смеси измельченных до нужной степени высокобелковых кормо¬вых средств и микродобавок. Их используют главным образом для приготовления комбикормов на основе зернофуража. БВД и БМВД вводят в состав зерновой смеси в количестве 10...30 % ее массы.
Премиксы — смеси измельченных до нужной степени круп¬ности различных веществ (минеральных кормов, аминокислот ви¬таминов,антибиотиков и др.) и наполнителя, используемые для обогащения комбикормов и белково-витаминных добавок.
Тема 3.3.Технология производства молока и говядины.
ПЛАН:
1. Народнохозяйственное значение скотоводства.
2. Основные породы скота их характеристика
3. Технология производства молока.
4. Технология производства говядины.
5. Системы и способы содержания скота.
1. Народнохозяйственное значение скотоводства.
Скотоводство - одна из наиболее важных отраслей животноводства, так как от крупного рогатого скота получают такие ценные продукты питания, как молоко и мясо, а также сырье для легкой промышленности. Шкура скота, являясь лучшим сырьем для кожевенно-обувной промышленности, по количеству и качеству занимает первое место среди шкур сельскохозяйственных животных других видов. Получаемые после убоя крупного рогатого скота побочные продукты используют для изготовления пуговиц, расчесок и других товаров, кишки реализуют в колбасном производстве, из крови вырабатывают кровяную муку, богатую белком, из костей - костную муку.
Мясо крупного рогатого скота имеет важное значение в питании населения. В мясном балансе страны доля говядины и телятины составляет более 40 %. От крупного рогатого скота земледелие получает навоз - ценное удобрение, без которого невозможно достичь высоких урожаев.
Крупный рогатый скот (к. р.с.) относительно неприхотлив, он может переваривать большое количество дешевого грубого корма и превращать его в ценнейшие продукты питания – мясо и молоко. Его можно разводить в различных климатических условиях.
Различают молочную и мясную продуктивности крупного рогатого скота.
Молочная продуктивность — это количество молока, которое корова дает за определенный промежуток времени. Период, в течение которого корова дает молоко, называется лактацией. У коров нормальный лактационный период составляет 300...305 дней. Графическое изображение хода лактации называется лактационной кривой, для которой характерны нарастание интенсивности секреции молока в начале лактации, достижение максимума на 2...3-м месяце, последующее снижение и постепенное сокращение секреции.
При определении молочной продуктивности учитывают не только качество, но и состав молока. В молоке содержится в среднем, %:
- жира 3,7;
- белка 3,3;
- сахара 4,9;
- минеральных веществ 0,7;
- воды 87,4.
Молочная продуктивность коров колеблется в широких пределах и зависит от многих факторов, важнейшее значение из которых имеют наследственность, условия содержания и кормления.
На молочную продуктивность влияют возраст коровы, возраст первого осеменения, сервис-период и сухостойный период. Как правило, до 5...6-й лактации удои коров повышаются, затем в течение нескольких лет поддерживаются на одном уровне, а примерно с 8...9-й лактации резко снижаются.
Мясная продуктивность — это количество мяса, которое можно получить от одного животного. Мясную продуктивность коров можно оценивать по таким показателям, как убойная масса и убойный выход. Убойная масса - это масса туши без шкуры, головы, внутренних органов (за исключением нутряного жира) и ног, отрубленных по запястные и скакательные суставы. Отношений убойной массы к предубойной, выраженное в процентах, называется убойным выходом. Например при убое бычка живой массой 450 кг его убойная масса составила 207 кг. Следовательно, убойный выход будет (207/450)∙100 = 46 %. По этим показателям оценивают мясную продуктивность не только крупного рогатого скота, но и других сельскохозяйственных животных.
Ценность мяса определяется в основном содержанием в нем полноценного белка и жира. В говядине содержится в среднем 17…21 % белка и до 23 % жира; энергетическая ценность говядины в зависимости от упитанности животного составляет 5…12,6 МДж (1200…3000 ккал). Уровень мясной продуктивности зависит в первую очередь от породных особенностей, массы животного и степени его откорма, а качество мяса - от породных особенностей, пола, возраста животного и его упитанности.
По данным Ставропольского краевого комитета государственной статистики на начало 2003 года поголовье к. р.с. в крае составило 424,3 тыс. голов (в том числе коров 204,5 тыс. голов), что на 11 % меньше чем на начало 2002 года.
Производство мяса к. р.с. составило 199,5 тыс. тонн (возросло на 1,3 %), молока – 543,4 тыс. тонн.
На долю хозяйств индивидуального сектора (население и фермеры) приходится производство 71,5 % - мяса и 68,7 % - молока.
2. Основные породы скота.
Все породы крупного рогатого скота делят на молочные, комбинированные (мясомолочные, молочно-мясные) и мясные. При районировании породы учитывают физиологические и хозяйственно полезные признаки, которые должны соответствовать климатическим, экономическим и другим особенностям данной зоны.
Вблизи крупных городов и промышленных центров целесообразно разводить скот молочных или мясомолочных пород, в районах маслоделия - породы, дающие молоко с высоким содержанием жира, в юго-восточной части России при наличии больших площадей естественных угодий — скот мясного направления.
Молочные породы. Для коров молочных пород характерны высокая молочная продуктивность и небольшие затраты кормов на производство 1 кг молока.
Таблица 4.1. – Характеристики основных пород скота.
|
Вид к. р.с. |
Порода |
П о к а з а т е л и |
|
|
|
Живая масса, кг. |
Средний годовой удой, кг. |
Убойный выход, % |
|
|
|
1. Молочные |
1.1. Голландская |
550…650 |
4500…5000 |
- |
|
1.2. Голштино- фризская |
670…700 |
5000…6000 |
- |
|
|
1.3. Черно-пестрая |
500…650 |
4000…5000 |
- |
|
|
1.4. Холмогорская |
500…550 |
3600…4400 |
- |
|
|
1.5. Красная степная |
450…500 |
3000…3500 |
- |
|
|
2. Мясомолочные |
2.1. Симментальская |
600…700 |
3500…4400 |
- |
|
2.2. Швицкая |
500…550 |
3500…4500 |
- |
|
|
3. Мясные |
3.1. Казахская |
коров 450…570 быков 800…1000 |
- |
64 |
|
3.2. Герефордская |
коров 550…650 быков 700…800 |
- |
65 |
|
3. Технология производства молока.
Интенсивные технологии производства молока предусматривают:
- ускоренное повышение генетического потенциала разводимых пород скота на основе использования голштинской и других специализированных молочных пород, пригодных к интенсивной технологии;
- использование быков-улучшителей;
- интенсивное выращивание ремонтных телок и формирование животных молочного типа;
|
- расширенный ремонт стада первотелками, оцененными по собственной высокой продуктивности; |
- сбалансированное кормление коров и ремонтного молодняка с максимальным использованием грубых и сочных кормов;
- использование высокопродуктивных культурных пастбищ;
- применение на фермах прогрессивных способов содержания, комплексной механизации и рациональных технологических решений;
- выполнение комплекса ветеринарно-профилактических мероприятий, обеспечивающих высокий уровень здоровья животных;
- внедрение эффективных форм организации и оплаты труда;
- соблюдение технологической дисциплины, направленной на своевременное и качественное осуществление всех производственных процессов.
Основа интенсивной технологии — поточно-цеховая система производства молока и воспроизводство стада. Она предусматривает определенный порядок содержания, кормления животных и выполнения зооветеринарных мероприятий на ферме с учетом физиологического состояния и продуктивности скота.
|
|
Схема поточно-цеховой системы показана на
рисунке 4.4.
Рис.4.4. Схема движения животных при поточно-цеховой системе производства молока.
j - цех производства молока (≈ 50 … 55 % поголовья);
k - цех сухостойных коров (≈ 14 %);
l - цех отела (≈ 11 %);
m - цех раздоя и осеменения (≈ 20 … 25 %).
Первичная обработка молока осуществляется с целью сохранения его качественных показателей.
Показатели качества:
- кислотность, 0Т от – 16 …18;
- бактериальная загрязненность, млн. бакт./см3 - до 0,5;
- механическая загрязненность, группа чистоты - 1;
- плотность, град. ареом. - 29,5.
4. Технология производства говядины.
Промышленный способ производства говядины основан на поточности производства. Ритм потока составляет 360 голов через каждые 13 дней (Рис.4.6.).

Рис.4.6. Схема поточной технологии производства говядины:
1; 2; 3 - соответственно, первый, второй и третий периоды откорма.
Выращивание, откорм и нагул скота.
На площадках. Преимущества откорма скота на площадках - низкие производственные затраты, короткие сроки строительства площадок, высокие уровни механизации производственных процессов и производительности труда. Практика показала, что наиболее оптимальными являются площадки вместимостью 1600голов.
На выгульных дворах без твердого покрытия необходимо создавать возвышенные участки в виде курганов. Высота курганов в центре должна быть 2....3 м, длина склона - 15...20 м, угол наклона - 7...8°. Возвышения формируют в виде пирамиды, чтобы животным было легко заходить на него для отдыха. До наступления ненастной погоды на возвышениях периодически настилают подстилку. Навоз с возвышений 2 раза в год вывозят в поле. Каждый загон площадки со стороны господствующих ветров огораживают деревянным забором высотой 3...3,5 м. С целью предотвращения снегозаносов со стороны господствующих ветров площадки должны быть огорожены изгородью на расстоянии 40...50 м от центра.
В целях обеспечения ритмичности производства говядины поступление молодняка крупного рогатого скота на площадку должно быть равномерным, что позволяет комплектовать однородные технологические группы животных. При комплектовании групп разница в живой массе между животными в одном загоне должна быть не более 25 кг, что важно для организации правильного дифференцированного кормления.
На откорм ставят молодняк массой 200...250 кг и взрослых выбракованных животных. В первый день скоту дают сено и воду, а со второго дня его постепенно переводят на основной рацион. Весь цикл откорма молодняка делят на три периода: первый - выращивание до живой массы 300...310 кг (возраст 11...13 мес.); второй - до 360...365; третий (заключительный откорм) - до 420...440 кг и более. Корм раздают мобильными кормораздатчиками.
Возле загонов устраивают ветеринарный пункт, склад кормов, котельную и другие вспомогательные помещения.
На пастбищах. Откорм скота на пастбищах называется нагулом. Свободное движение при пастбищном содержании животных, обилие света и тепла, чистый воздух и прочие условия исключительно благоприятно влияют на организм животных.
Нагул проводят в хозяйствах, имеющих естественные или культурные пастбища. С целью успешного проведения нагула необходимо сформировать гурты скота по возрасту, живой массе и упитанности.
На пастбище скот необходимо выгонять, когда почва достаточно подсохнет, а травостой достигнет 10...12 см. Это необходимо для сохранения продуктивности пастбищ на всех периодах нагула.
Широко применяют загонную и порционную пастьбу. При загонной пастьбе требуемая для гурта площадь пастбища уменьшается на 15...20 %, а приросты скота увеличиваются на 25...30 % по сравнению с бессистемной пастьбой. Площадь загонов устанавливают с таким расчетом, чтобы в каждом из них травостой был использован за 4...6 дней, а на долголетних и сеяных пастбищах за 2...3 дня.
Территория площадки, как правило, имеет прямоугольную форму и со всех сторон ограничена помещениями легкого типа, в которых формируют глубокую подстилку или оборудуют боксы длиной 1,7…1,8 м и шириной 0,8…0,9 м.
5. Системы и способы содержания скота.
В скотоводстве применяются две системы содержания к. р.с.: привязная и беспривязная.
При беспривязной системе существуют следующие способы содержания крупного рогатого скота:
1. свободновыгульный на глубокой подстилке.
2. беспривязно-боксовый.
3. комбинированный.
Привязное содержание. Эта система наиболее распространена в нашей стране. Главное ее преимущество - обеспечение хороших условий для индивидуального нормированного кормления и раздоя животных, что способствует повышению их продуктивности.
При этой системе каждая корова находится на привязи в стойле с отдельной кормушкой и автопоилкой. Животных кормят в стойлах или доильном зале. Корма раздают с помощью транспортера или мобильных кормораздатчиков. Над стойлом каждого животного висит табличка, где указаны номер коровы, кличка, возраст и продуктивность за последнюю лактацию (рис.4.7.).
В случае привязного содержания коров необходимо выпускать на выгульные площадки или организовать активный моцион на прогонных дорожках.
Эта система содержания широко распространена в племенных хозяйствах, где необходимо обеспечивать индивидуальное нормированное кормление, раздой коров и тщательный уход за племенными животными.
Привязная система содержания имеет и ряд недостатков. В течение всего стойлового периода коровы большую часть времени проводят без движения в помещении. Строительство помещений для привязного содержания обходится весьма дорого, так как на устройство стойл, кормушек, поилок и другого оборудования расходуется много средств и материалов. При привязном содержании велики затраты труда, связанные с доением, раздачей кормов, уборкой навоза, отвязыванием и привязыванием животных. Поэтому в хозяйствах часто коров содержат на привязи, а доят в доильном зале с помощью установок типа «Тандем», «Елочка». Летом коров содержат на выгульно-кормовых площадках беспривязно, что позволяет сократить затраты труда на 18...20 %.
Беспривязное содержание. В этом случае животных содержат группами, организовывая перемещение их в помещениях и на выгульных площадках. Преимущества беспривязной системы - благотворное влияние на физиологическое состояние и воспроизводительные способности животных; снижение заболеваний пищеварительных органов и половой системы, уменьшение стоимости строительства ферм; снижение затрат труда на выполнение разных технологических процессов; улучшение зоогигиенических условий для животных (рис.4.8.).
Однако при этом способе на 15...20 % увеличивается расход кормов. Кроме того, для нормального отдыха животные нуждаются в большом количестве подстилки.
Беспривязное содержание дает хорошие результаты лишь при высоком уровне зоотехнической и селекционно-племенной работы, полноценном и сбалансированном кормлении животных и наличии высококвалифицированных кадров животноводов.
Способы содержания к. р.с.
Стойлово-пастбищный способ содержания коров применяют в хозяйствах, имеющих поблизости от фермы долголетние культурные пастбища. Животных в зимний и прохладный периоды содержат в помещениях, а в летнее время - на пастбищах. При хорошем состоянии травостоя на 1 га пастбища содержат не более трех коров.
Этот способ содержания наиболее распространен в небольших хозяйствах с фермами на 200...400 коров, но может быть успешно реализован и на комплексах при использовании долголетних культурных пастбищ. Его применяют в мясном и молочном скотоводстве.
Стойлово-лагерный способ содержания применяют в молочном и мясном скотоводстве при удаленности пастбищ от комплексов. В этом случае на пастбищах организуют летние лагеря, где животных подкармливают, доят. Этот способ целесообразно применять в хозяйствах, где расстояние между фермой и пастбищем составляет около 2 км.
При круглогодовом стойловом способе содержания животные круглый год находятся на комплексах, куда доставляют корма. В период вегетации растений используют корма зеленого конвейера. Такой способ содержания применяют при высокой концентрации животных на комплексах по производству молока и говядины, где нет возможности создать культурные пастбища.
Содержание новорожденных телят в профилактории. На молочной ферме строят профилакторий на 4...5 секций, каждая из которых рассчитана на 20 телят. Телят от отела до возраста 25 дней содержат в индивидуальных клетках, приподнятых от пола на 40...45 см. Над клетками размещают установки инфракрасного и ультрафиолетового излучения типа ИКУФ, «Луч», «Эрико». Для профилактики заболеваний телят и проведения очистки, дезинфекции секций используют принцип «свободно - занято».
В профилактории новорожденных телят в течение 6...7 дней кормят только материнским молозивом, а потом молоком от здоровых коров не менее 3 раз в сутки. С целью обеспечения иммунитета новорожденному теленку необходимо выпоить в течение 8...12 ч не менее 3,5...5 л материнского молозива. По составу молозиво является незаменимым кормом для новорожденных телят в первые дни жизни. В нем содержится в 2 раза больше сухих веществ, в 4 раза - белков (альбумина и глобулина), в 1,5 раза - минеральных веществ. Молозиво богато витаминами, гормонами и антителами, которые предохраняют теленка от различных заболеваний. В возрасте 7...10 дней телят приучают к сену и концентратам.
В родильном отделении и профилактории поддерживают температуру воздуха 15...18 °С, относительную влажность не более 75 %.
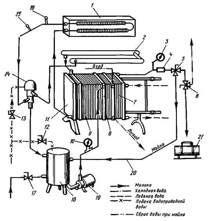
Тема 3.4.Механизация первичной обработки и переработки молока.
ПЛАН
1. Технологические схемы первичной обработки молока.
2. Очистка молока. Охлаждение молока
3. Пастеризация и гомогенизация молока. Новые методики обработки молока
4. Классификация, основы расчета и особенности электропривода молочных сепараторов
5. Производство сливочного масла, творога, сыра.
6. Оборудование для производства сливочного масла и приготовления кисломолочных продуктов.
1. Технологические схемы первичной обработки молока.
Молоко является ценным продуктом питания для всего живого. Его составные части усваиваются организмом на 95–98 %. В связи с этим молоко является прекрасной, благоприятной средой для развития всевозможных микроорганизмов, а следовательно является продуктом скоропортящимся. Поэтому качество молока зависит от своевременности его обработки.
Так свежее молоко не может храниться свыше 2-х часов без обработки.
При t = 24 0C молоко можно хранить 12 часов, а при t =4-5 0С до 24 часов.
Качество молока определяется ГОСТом «Молоко коровье. Требования при закупках.». Сюда относится жирность (%), кислотность (0Т), механическая загрязненность (группа чистоты), бактериальная обсемененность (млн. бакт/см3) и плотность (град. ареометра).
Для Ставропольского края за базисное молоко принято молоко с показателями:
Ж – 3,7 %; кислотность – 17 0Т; бактериальная обсемененность – 0,5 млн. бакт/см3; механическая загрязненность – 1 группа; плотность – 29,5град. ареометра.
В настоящее время в нашем крае в среднем сдается 60 – 65 % молока 1 –м сортом, а некоторые хозяйства сдают всего 20 % первосортного молока. В результате производители несут значительный материальный ущерб.
Основные причины: несоблюдение технологии первичной обработки молока; недостаток молочного оборудования для ферм малых размеров.
К первичной обработке относят:
1. очистку – для удаления механических примесей.
2. охлаждение – для замедления жизнедеятельности микроорганизмов, вызывающих порчу и скисание молока.
3. пастеризацию – для обеззараживания молока за счет уничтожения микроорганизмов.
Технологические схемы первичной обработки молока:
1. очистка → охлаждение (наиболее простейшая и распространенная).
2. очистка → пастеризация → охлаждение (при отправке молока непосредственно в торговую сеть для продажи на розлив или в случае неблагоприятной эпидемиологической обстановки на ферме).
3. очистка → нормализация (для получения молока определенной жирности) → пастеризация → охлаждение → расфасовка в пакеты (для непосредственной реализации).
Для обработки молока на каждой ферме оборудуют прифермскую молочную. Размер, планировка и оборудование прифермской молочной зависят от многих факторов: количества молока, подлежащего обработке, способа доения, количества коровников, применяемого оборудования и т. д.
На крупных фермах целесообразно иметь центральные прифермские молочные.
При проектировании и строительстве молочных необходимо соблюдать следующие основные правила:
1. Нельзя строить их возле источников загрязнения (навозохранилищ, кормохранилищ, выгульных площадок и т. д).
2. Отделение для приемки и хранения молока необходимо размещать в помещениях, в которые не проникают солнечные лучи.
3. Полы должны быть влагонепроницаемыми, прочными и удобными для ухода.
4. Молочная должна быть оборудована приточно-вытяжной вентиляцией.
5. Должно быть предусмотрено снабжение холодной и горячей водой, паром.
При производстве цельного молока наилучших результатов достигают, когда в коровниках создана единая поточная линия получения и обработки молока.
В этом случае поток осуществляется по следующей схеме:
доение – очистка – охлаждение до 10 0С – прием – учет – хранение – выдача (Рис.21.1,а).
|
|
|
|
|
|
|
Рис.21.1. Схемы поточно-технологических линий доения и обработки молока. |
Если молоко поступает в молочную из нескольких коровников, то схема такова (Рис.21.1,б):
доение – Транспортировка – прием – учет – очистка – Пастеризация – охлаждение до 10 0С – хранение – выдача.
При производстве питьевого молока (то есть при переработке цельного молока в питьевое) распространена следующая схема (Рис.21.1,в):
Доение – Прием – сортирование – очистка – нормализация до заданной жирности – пастеризация – охлаждение – разлив – Упаковка – Выдача.
2. Очистка молока. Охлаждение молока
Очистка молока.
Удаление из молока механических примесей (пыли, частиц корма, подстилки т. д.) сразу после выдаивания – важный фактор в повышении его санитарного качества.
В настоящее время различают 2 способа очистки молока от механических примесей:
1. фильтрация.
2. очистка центробежными молокоочистителями.
Фильтрация – наиболее распространенный способ очистки молока. Сущность его заключается в продавливании молока через фильтрующий элемент, размеры ячеек (пор) которого меньше размера механических включений. Твердые частицы проникают в капилляры фильтра и задерживаются в них. В результате этого живое сечение фильтра уменьшается и сопротивление в капиллярах, по которым движется жидкость, растет.
Условие фильтрации:
Qф=
,
где Qф – пропускная способность фильтра;
- подача насоса;
F - площадь «живого» сечения фильтра;
V - скорость движения молока через фильтр.
По мере загрязнения фильтра, величина F – уменьшается, следствием чего является пропорциональное увеличение скорости V, что приводит к возрастанию механических нагрузок на частицы загрязнений, их размыванию и попаданию в молоко.
Поэтому работа фильтра крайне ограничена во времени.
В качестве фильтрующих элементов используют вату, марлю, фланель, металлическую сетку и синтетические материалы (лавсан – обеспечивает более высокое качество очистки и высокую скорость фильтрования).
По принципу действия различают открытые и закрытые фильтры.
|
|
|
|
|
а) |
б) |
|
|
Рис.21.2. Схемы фильтров: а – открытого типа (самотечного); б – закрытого типа (напорного). |
На рисунке 21.3. показана схема самоочищающегося молочного фильтра.
|
|
|
Рис.21.3. Фильтр молочный самоочищающийся ФМС: 1 - ворона; 2 – трубопровод подводящий; 3 - преобразователь; 4 - обтекатель; 5 - крышка; 6 - фиксатор; 7 – обруч натягивающий; 8 – фильтрующий элемент; 9 - дно; 10 – трубопровод отводящий |
Открытые фильтры имеют низкую производительность и быстро засоряются.
Закрытые фильтры работают под давлениемПа; производительность их значительно выше, чем открытых.
По конструкции закрытые фильтры делятся на пластинчатые, дисковые и цилиндрические.
Количество продукта, которое можно пропустить через фильтр в течение одного рабочего цикла (дм3), определяется по формуле:
![]()
где q – нагрузка на 1м2 фильтра в течение цикла работы, дм3/м2;
F – поверхность фильтра, 1м2.
пропускная способность фильтра равна:
,
где ТЦ – длительность 1 цикла работы фильтра, с.
Цикл работы фильтра:
,
где
- длительность
подготовки фильтра к работе, с;
- длительность фильтрации, с;
- длительность промывки осадка, с.
Необходимо отметить, что фильтрация, как способ очистки молока, с применением даже современных фильтрующих элементов, не обеспечивает полной и достаточно качественной очистки молока. Происходит это вследствие размывания отфильтрованных загрязнений потоком молока до мельчайших частиц, которые проходят через поры фильтра.
Очистка молока центробежным путем – более совершенный способ. Достигается он за счет применения центрифуг или сепараторов. Основан на отделении механических включений за счет центробежных сил.
Важное преимущество этого способа заключается в очистке молока от спорообразующих бактерий, которые не гибнут даже после его пастеризации.
Установлено, что при очистке молока центробежным путем (при частоте вращения барабана n=8000 об/мин) бактериальная обсемененность его уменьшается в 1,5 раза.
Эффективность очистки возрастает с увеличением частоты вращения барабана, и при использовании ультрацентрифуг при n=14000 об/мин – степень очистки составляет 85 %, при n=25-30 тыс. об/мин она достигает 99%.
Однако время работы центробежного молокоочистителя также является ограниченным. Здесь имеет место закономерность, изображенная на рисунке 21.4.):
|
|
|
Рис.21.4. Изменение бактериальной обсемененности молока за время работы сепаратора-очистителя. |
Время непрерывной работы сепаратора – молокоочистителя будет зависеть от его конструкции и загрязненности исходного молока. Для непрерывных поточно-технологических линий выпускаются сепараторы-молокоочистители с самоочищающимся барабаном.
Охлаждение молока.
Одним из факторов, определяющих жизнедеятельность микробов, является температура. Холод не убивает бактерии, но временно прекращает их рост и размножение.
Чем ниже температура молока, тем дольше сохраняются его первоначальные свойства. При t = +1÷+5 0С молоко сохраняется в течение 2-х суток; а при t = -25 0С – 3 месяца. Низкая температура способствует лучшему сохранению основных витаминов молока.
Экономически не безразлично, до какой температуры следует охлаждать молоко. Так, если молоко с места производства отправляется на молочный завод после каждого доения коров, то не целесообразно его охлаждать до низких температур. Охлажденным считается молоко, имеющее температуру в момент сдачи не более 10 0С.
В качестве источников холода для охлаждения молока можно использовать естественные источники (холодную воду, снег, лед) и искусственный холод.
Количество льда которое не обходимо для охлаждения 1 т молока с 30 до 10 0С составляет 1,2 м3.
Способы охлаждения молока.
1. Охлаждение молока во флягах (Рис.21.5,а) – наиболее простой и доступный способ. Охлаждать молоко во флягах можно используя лед, холодную воду, а также холодильные машины.
Недостатки: высокая трудоемкость, низкий коэффициент теплопередачи, большой расход воды.
2. Охлаждение молока в оросительных охладителях (Рис.21.5,б).
Оросительные охладители молока – наиболее простые устройства. При кратности расхода воды 2,5 - 3 они обеспечивают охлаждение молока на 3-40 выше температуры хладоносителя. Выпускают оросительные охладители ООД–1000(1000 л/ч); ООД–2000(2000 л/ч); ООМ–1000А; ДФ.04.000А (для охлаждения молока на доильных установках с центральным молокоприводом).
|
|
|
|
|
|
а) |
б) |
в) |
г) |
|
Рис.21.5. Способы охлаждения молока: а – во флягах; б – в оросительных охладителях; в – в пластинчатых охладителях; г – в резервуарах. |
3. Охлаждение молока в пластинчатых охладителях (Рис.21.5,в).
Это наиболее совершенный тип охладителей молока, обеспечивающий высокую теплопередачу и производительность. Такие охладители пригодны при любом способе доения коров. Они обеспечивают охлаждение молока в замкнутом потоке без соприкосновения с окружающим воздухом.
4. Охлаждение молока в резервуарах (Рис.21.5,г).
Этот способ можно применять при любом способе доения коров: ручном; в переносные ведра; в центральный молокопровод. Резервуарный способ охлаждения молока позволяет организовать транспортировку его с ферм (горных пастбищ) по кольцевым маршрутам один раз в день.
Для этой цели выпускают танки-охладители и резервуары-охладители емкостью от 200 до 2500 кг.
По способу охлаждения ванны и танки делятся на два типа: охлаждение хладоносителем (водой, рассолом) и охлаждаемые непосредственным испарением хладщгента (фреона).
Выпускают молочные танки ТОВ–1; ТО–2; ТОМ–2А; молочные резервуары РПО–1,6 (2,5); РНО–1,6 (2,5); МКА–2000А.
5. Охлаждение молока при транспортировании его по трубам.
Охлаждение осуществляется за счет теплообмена молока с грунтом через стенку трубопровода.
оптимальная глубина прокладки молокопровода должна составлять 0,7-1,0 м.
|
|
|
Рис.21.6. Изменение температуры молока по длине трубопровода. |
Температура грунта в летние месяцы на глубине 0,7–1,0 м остается практически постоянной и находится в пределах от 10–12 0С.
Наиболее эффективное охлаждение молока происходит
на длине
(рис.21.6.). На последующих участках
температура транспортируемого молока приближается к температуре среды и
становится практически постоянной.
Высокая эффективность использования молокпроводного транспорта подтверждается опытом эксплуатации горных молокопроводов, как за рубежом, так и в нашей стране.
Охладители молока и их классификация.
Основные требования, предъявляемые к охладителям молока:
1. Универсальность в отношении возможности охлаждения жидких молочных продуктов с различными физико-механическими свойствами.
2. Не допускать бактериального загрязнения молока.
3. Не допускать испарения продукта во время охлаждения.
4. Быть удобными для проведения чистки, мойки и дезинфекции.
Существующие охладители могут работать отдельно или входить в состав комбинированных охладительно-пастеризационных или очистительно-охладительных установок.
Для охлаждения используют холодную воду родников, артезианских скважин, а также естественный холод.
Глубокое охлаждение проводят за счет искусственного холода, полученного от холодильных машин.
Современные охладители классифицируются по следующим признакам:
1. По характеру соприкосновения с окружающим воздухом – открытые оросительные и закрытые проточные.
2. По профилю рабочей поверхности – трубчатые и пластинчатые.
3. По числу секций – одно– и многосекционные.
4. По конструкции – одно - и многорядные (пакетные).
5. По форме – плоские и круглые.
6. По направлению движения теплообменивающихся сред - прямоточные, противоточные и с перекрестным движением сред.
7. По воздействиям, вызывающим продвижение продукта –напорные и самотечные.
Наибольшее распространение на фермах получили пластинчатые охладители ОМ–400; ООТ–М, вакуумные оросительные охладители, очистители-охладители ОМ–1; ООМ–1000А. Кроме того, используются танки-охладители и резервуары различных типов и емкостей.
С целью снижения энергозатрат на охлаждение молока все большее распространение получает использование естественного холода. Для этих целей используются аккумуляторы естественного холода (Рис.21.7. и 21.8.).
|
|
|
Рис.21.7. Двухсекционный аккумулятор естественного хода: 1, 2 - резервуары; 3, 4 – перегородки; 5 – рама; 6 - козырек; 7 – переливная труба; 8 – бачек постоянного уровня; 9 - теплоизолированный ввод; 10, 11 - водозаборная и подпитывающая трубы; 12 – водяной насос; 13 – труба отепленной воды; 14 - охладитель |
|
|
|
Рис.21.8. Малогабаритный аккумулятор естественного холода А-5: 1 - каркас; 2 - поддон; 3 – корпус теплообменника; 4 - оросительная насадка; 5 - форсунка; 6 – осевойвентилятор; 7 – сливная труба; 8 - выступ; 9 - компенсатор; 10 - пружина; 11,12 – трубы-воздуховоды; 13 – накопитель воды; 14 - клапан; 15 – водопровод подпитки; 16 - пластинчатый охладитель; 17 - насос |
3. Пастеризаторы молока и их классификация.
Пастеризация – процесс уничтожения в молоке бактерий (микроорганизмов). Аппараты, в которых проводят этот процесс, называются пастеризаторами.
К пастеризаторам предъявляются следующие основные требования:
1. Полное уничтожение микробов всех форм.
2. Аппарат должен быть универсальным.
3. Работа аппарата не должна вызывать изменения свойств обрабатываемого продукта.
4. Рабочие органы должны быть стойкими к химическому воздействию продукта и моющих жидкостей.
5. Быть простыми по устройству и в эксплуатации.
Пастеризаторы классифицируются по следующим признакам:
1. По способу тепловой обработки – термические и холодные.
2. По источнику энергии - паровые, электрические (с омическим или индукционным нагревом), инфракрасной радиации, ультрафиолетовые облучатели и высокочастотные вибраторы.
3. По характеру протекания процесса - непрерывного и периодического действия.
Режимы термической пастеризации: длительная, кратковременная и мгновенная.
Длительная пастеризация – нагрев молока до 60–65 0С и выдержка в течение 30 минут.
|
|
|
Рис.22.1. Температурный график пастеризации: Ⅰ - зона сохранения жизнедеятельности микроорганизмов; Ⅱ - нейтральная зона; Ⅲ - зона изменения свойств молока. |
Кратковременная – нагрев до 76-78 0С и выдержка в течение 20 секунд.
Мгновенная – нагрев до 87–89 0С без дальнейшей выдержки.
Решающим фактором, обеспечивающим гибель микроорганизмов в молоке, является длительность температурного воздействия на продукт. Зависимость между температурой и длительностью пастеризации показана на рисунке 22.1.
|
|
|
|
Рис.22.2. Схема пастеризационно - охладительной установки УОМ-ИК-1: 1-секция инфракрасного электрообогрева; 2 — выдерживатель; .3 - термометр манометрический; 4 - смотровой участок; 5. 6 - трехходовые краны; 7 - секция охлаждения ледяной водой; 8 - секция охлаждения 1-й ступени; 9 - секция рекуперации; 10 – электро-контактный манометр; 11 - пластинчатый теплообменник; 12, 13 - водопроводные вентили; 14 - перепускной клапан; 15 - термометр электроконтактный; 16 - термометр сопротивления; 17 - проходной кран для молока; 18 - уравнительный бак; 19 - молочный насос; 20 - моечный трубопровод; 21 - резервуар для хранения молока. Соотношение между температурой нагрева молока (t) и времени (Т) должно быть таковым, чтобы находиться в нейтральной зоне. Способы холодной пастеризации (без нагрева молока) заключаются в применении для этих целей ультрафиолетовых облучателей или магнитных вибраторов. В ультрафиолетовых облучателях гибель бактерий происходит под воздействием УФ лучей. В вибрационных пастеризаторах обеззараживание молока происходит в поле колебания звуковой частоты. При частоте колебаний (8-10)ž103 Гцдостаточна секундная выдержка. Перспектива за инфракрасными пастеризаторами (улучшается качество молока, резко снижаются затраты на строительство котельных, затраты на обслуживание). Оборудование для термической пастеризации молока. Схема комбинированной пастеризационно-охладительной установки с инфракрасным электронагревом показана на рисунке 22.2. Для длительной пастеризации применяются ванны длительной пастеризации типа ВДП различной емкости (ВДП–300; ВДП–600; ВДП-1000). Ванны оборудованы нагревателем, термометром и мешалкой для перемешивания молока (Рис.22.3.). |
|
|
|
|
|
Рис.22.3. Схема установки типа ВДП: 1- ванна; 2- нагреватель; 3- термометр; 4- мешалка. |
|
Кратковременную пастеризацию проводят в автоматизированных пластичных пастеризационно - охладительных установках (ОПУ–3МТ; Б6-ОП2-Ф-1).
Мгновенную пастеризацию осуществляют в пастеризаторах с вытесненным барабаном (ОПД–1М).
Эффективность пастеризации – отношение количества погибших микроорганизмов к их общему числу до обработки. В современных аппаратах она достигает 99,99 %.
Однако, несмотря на высокий процент эффективности пастеризации, она не может дать гарантированного уничтожения микроорганизмов.
С целью гарантированного уничтожения микроорганизмов и их спор проводят стерилизацию молока. Молоко сначала нагревают до 70 0С, а потом быстрый нагрев до 140 0С с выдержкой 4 секунды при высоком давлении (Выпускаются стерилизаторы непрерывного и периодического действия.). При стерилизации гибнут не только бактерии, но и их споры. Наиболее распространена тепловая стерилизация, однако можно использовать электричество и ультразвук.
Одним из способов уничтожения микроорганизмов является кипячение. Однако, при кипячении изменяется вкус, запах, разрушается частьвитаминов и солей.
Классификационная схема пастеризаторов
приведена на рисунке 22.4.
Рис.22.4. Классификация пастеризаторов.
Гомогенизация молока.
Гомогенизация – процесс механической обработки молока с целью раздробления молочного жира.
Питательная ценность гомогенизированного молока повышается, так как тонкодиспергированный молочный жир легче усваивается в организме человека. Также резко замедляется отстаивание жира.
Интенсивность процесса гомогенизации зависит от величины рабочего давления Р (Рис.22.9.).
|
|
|
|
|
а) |
б) |
|
|
Рис.22.9. Схема процесса гомогенизации (а) и зависимость диметра жировых частиц от величины рабочего давления (б). |
||
Осуществляют гомогенизацию в центробежно-распылительных эмульсорах, клапанных гомогенизаторах и ультразвуковых гомогенизаторах.
Мощность (кВт) на привод центробежно–распылительного эмульсора:
,
где N – мощность на сообщение кинетической энергии выбрасываемой жидкости;
N2 – мощность, расходуемая на трение в приводном механизме;
N3 – мощность, расходуемая на трение вращающейся поверхности (поверхность головки) о воздух.
Величина N1 – основная, она
равна:
,
где - производительность эмульсора, кг/с;
- скорость движения частиц молока, м/с.
Мощность на преодоление сопротивления воздуха для боковой поверхности вращающегося цилиндра:
,
где с – коэффициент (с=0,002);
- плотность воздуха ( = 0,132 кг•с2/м4);
- окружная скорость головки, м/с;
F – боковая поверхность трения, м2.
Величину N2 принимают равной 25 % от N1 + N3, тогда N = 1,25 (N1 + N3).
Мощность (кВт), потребляемая плунжерным гомогенизатором:
|
|
|
Рис.22.10. Схема плунжерного гомогенизатора. |
,5.
где
- производительность, м3/ч;
- давление гомогенизации, Па;
- механический к. п.д.
Схема плунжерного гомогенизатора показана на рисунке 22.10.
Новые методы обработки молока.
А. Актинизация молока.
Это новый процесс пастеризации молока за счет применения лучистой энергии.
|
|
|
Рис.22.11. Схема актинатора. |
Машины для осуществления этого процесса называются актинаторами (лучевой пастеризатор). Он состоит из прозрачных кварцевых труб по которым молоко прокачивается молочным насосом со скоростью 2,5 м/с (Рис.22.11.).
Молоко попадает под воздействие ламп с ультрафиолетовым спектром светового потока (лампы ДБ и ЛЭ или ДРТ).
Источником ИК – излучения может служить спираль из нихромового провода, намоточного на кварцевые трубки, внутри которых протекает молоко (Рис.22.12.).
|
|
|
Рис.22.12. Схема ИК излучателя: 1-кварцевая трубка; 2-спираль; 3-рефлектор. |
Расход мощности на 1 л молока составляет 12…16 Вт.
Сравнительные данные пастеризации молока паровым пастеризатором ОПУ–3М и электропастеризатором ИК - излучения.
Под влиянием инфракрасных лучей в молоке погибают все микроорганизмы и их споры, а ультрафиолетовое облучение способствует обогащению молока витаминомD3.
В зарубежных странах такие аппараты выпускают под маркой «Актинатор» производительность которых находится в широком диапазоне (от 150 до 25000 л/ч).
Установки не нуждаются в горячей воде и в паре для пастеризации и очень экономичны (расходуют не более 20 Вт электроэнергии на 1 лмолока).
Б. Механические пастеризаторы, использующие энергию молекулярного трения (молекулярные пастеризаторы).
Нагрев происходит превращением электрической энергии в механическую, а затем в тепловую, т. е. в энергию молекулярного трения. Общий к. п.д. их не ниже 75 %, n=4000…5000 об/мин. Схема такого пастеризатора показана на рисунке 22.13.
|
1 – корпус; 2 – диск. |
Здесь молоко подается под давлением 2-3 атм в зазор между кожухом и диском. За счет трения оно нагревается до t ≈ 140 0С.
Центробежные силы резко увеличивают давление на молоко, вследствие чего оно не пригорает. Молоко из пастеризатора выводится под давлением, что можно использовать для его транспортировки.
Такой пастеризатор можно использовать для обработки воды, сиропов, соков, дрожжей, фармоцептических продуктов.
В. Ультразвуковые пастеризаторы.
Различают два типа источников ультразвуковых колебаний – электрические и механические.
Электрические – преобразуют электрическую энергию в механические упругие колебания при помощи различных преобразователей: электродинамических, пьезоэлектрических, магнитострикционных (наиболее распространенных) и др.
Ультразвуковые пастеризаторы – дороги, и имеют низкую производительность и низкий к. п.д.
В механических центробежных пастеризаторах эффект достигается за счет действия центробежных сил, возникающих при быстром вращение, благодаря разности плотностей среды и микроорганизмов.
Для ультразвуковой пастеризации применяют гидродинамические и пьезоэлектрические вибраторы.
|
|
|
Рис.22.14. Схема действия гидродинамического вибратора. |
Действие гидродинамического вибратора: струя жидкости приводит в движение металлическую пластинку, частота колебаний которой зависит от скорости потока (Рис.22.14.).
В пьезоэлектрических вибраторах пластины изготовлены из титаната бария или кварца. При подаче к электродам (из алюминиевой фольги) переменного напряжения в следствие сжатия и расширения пластинок возникают ультразвуковые колебания.
Бактерии гибнут в следствие кавитации,
возникающей при гидравлических ударах огромной силы. Частота колебаний
составляет
, Гц.
4. Классификация, основы расчета и особенности электропривода молочных сепараторов
Успешное решение проблемы обеспечения населения нашей страны продуктами питания зависит от производства молока и молочных продуктов, являющихся ценнейшим пищевым продуктом.
Так, один литр молока или полученные из него продукты (масло, кефир, ряженка, творог) удовлетворяют почти половину суточной потребности человека в незаменимых аминокислотах.
|
|
В технологии производства сливок, сметаны, масла возникает необходимость разделения молока на две фракции с целью выделения жировой.
Сливки можно получить двумя путями: естественным отстоем и сепарированием молока. Оба способа основаны на разнице между плотностью жира и плазмы.
В покоящемся молоке жировые шарики всплывают на поверхность со скоростью (vс), несколько мм в час под действием сил Стокса (Рис.23.1.). Поэтому весь процесс отстоя молока для получения жира очень продолжителен – от 10 до 30 часов.
При замене поля силы тяжести полем центробежных сил получается огромный эффект:
- достигается быстрое и тщательное выделение жира;
- становится возможным непрерывно - поточное отделение жира.
Разделение молока на сливки и обрат, очистка его от механических примесей и нормализация с использованием центробежной силы осуществляются на аппаратах, называемых сепараторами.
Сепарирование позволяет получить обезжиренное молоко (обрат) практически с любым содержанием жира. Скорость выделения жира при этом в 2,5 – 3 млн. раз выше, чем при естественном отстое.
Молочные сепараторы классифицируют:
1. По назначению:
– сепараторы – сливкоотделители;
– сепараторы – очистители;
– сепараторы – нормализаторы - для получения в потоке молока определенной жирности;
– сепараторы – классификаторы – для очистки молока, а также раздробления и получения однородных по величине жировых шариков;
– универсальные сепараторы.
2. По исполнению:
– открытые (подача молока, выход сливок и обрата осуществляется свободным потоком при соприкосновении с окружающим воздухом). Они наиболее распространены в сельском хозяйстве.
– полузакрытые (полугерметические) в них подача молока осуществляется открытым потоком, а выход сливок и обрата – под давлением, создаваемым самим сепаратором;
– закрытые (герметические) – подача молока и выход продуктов сепарирования осуществляется под давлением (применяются в замкнутой системе охладительно – пастеризационных установок).
3. По конструкции привода:
– с ручным приводом;
– с электроприводом;
– с комбинированным приводом.
Необходимо отметить, что в полузакрытых и закрытых сепараторах в результате отвода молочных продуктов под давлением не происходит насыщения их воздухом и вспенивания. Это большое преимущество названных сепараторов в эксплуатации по сравнению с открытыми сепараторами.
Общее устройство сепаратора показано на рисунке 23.2.
Поток молока в барабанах разделен тарельчатыми вставками (тарелками), чем обеспечивается тонкослойность разделения молока и высокое качество процесса. Зазор между тарелками молокоочистительного барабана всегда больше, чем у сливкоотделителя. Величина его в различных конструкциях находится в пределах 0,8–2 мм (для молокоочистителей) и 0,35–0,5 мм (для сливкоотделителей).
|
|
|
|
Рис.23.2. Сепаратор - сливкоотделитель с электроприводом: 1 - отражатель; 2, 6 и 7 - приемники молока, сливок и обрата; 3 - кран с ручкой; 4 - поплавок; 5 - поплавковая камера; 8 - барабан; 9 - муфта; 10 и 21 - верхняя и нижняя опоры; 11 - щиток; 12 - электродвигатель; 13 - выключатель; 14 ~ втулка; 15 - шнур с вилкой; 16 - основание; 17 - амортизатор; 18 - фиксатор; 19 - доска; 20 - подпятник с контргайкой; 22 - щетка; 23 - сепаратор; 24 - основание барабана; 25 - тарелка; 26 - крышка барабана; 27 - зажимная гайка Приводные механизмы сепараторов, как правило, снабжаются фрикционными муфтами для обеспечения плавного и постепенного разгона барабана сепаратора. Работа. Под воздействием центробежной силы в быстровращающемся барабане тяжелая фракция – обрат или механические примеси – отбрасываются к периферии или так называемому грязевому пространству, а более легкая - жировые шарики – всплывают к оси барабана. Разделение потоков обеспечивает верхняя разделительная тарелка. В настоящие время наибольшее распространение в животноводстве получили следующие марки сепараторов СОМ–600, СОМ–7–600М. (открытие) СОМ–3–1000М; СПМФ–2000; ОСП–3М (закрытого типа, полузакрытые); ОМА–3М (очиститель молока). Все эти сепараторы снабжены электроприводом.
Основы технологического и энергетического расчета молочных сепараторов. |
|
|
|
|
Технологический расчет ставит целью определение пропускной способности сепаратора, которая всецело определяется пропускной способностью барабана (м3/с):
![]()
или
,
где
- к. п.д. барабана (
=0,6-0,7);
- приведенный радиус тарелок, м;
– высота тарелки, м (Рис.23.3.).
Приведенный радиус тарелок:
.
Энергетический расчет.
|
|
|
Рис.23.4. Режим работы сепаратора. |
При выборе привода сепаратора необходимо учитывать следующие режимы работы – пусковой (разгон до рабочих оборотов), рабочий ход и холостой ход сепаратора.
При выборе типа и мощности электрического двигателя для привода сепараторов основным режимом является пусковой, так как пусковая мощность в 1,5 –2 раза больше потребной для рабочего хода.
В период рабочего хода мощность распределяется следующим образом (Рис.23.4.):
- на трение в приводном механизме – 25 %;
- на трение барабана о воздух – 50 %;
- на сообщение кинетической энергии выбрасываемой жидкости – 25 %.
Пусковая мощность (Вт) определяется по формуле:
,
где
- момент инерции барабана относительно оси вращения, кг•м2;
- угловая скорость барабана, 1/с;
- механический к. п.д. передачи (
);
- время разгона барабана (t=100–300 с).
механическая характеристика барабана сепаратора выражается формулой (получена П. А. Рубцовым):
![]()
где М0 – начальный момент трогания, (М0=0,2-1,0 Н•м);
n – частота вращения барабана, об/мин;
.
.
|
|
|
Рис.23.5. Механическая характеристика сепаратора:
|
Всплески на кривой МС=f(n) объясняются явлением резонанса, т. к. практически невозможно добиться абсолютной балансировки барабана сепаратора (Рис.23.5.).
Квадратичная зависимость момента сопротивления сепаратора сохраняется при линейной скорости барабана до 70 м/с. Применительно к сепараторам сельскохозяйственного назначения это соответствует частоте вращения барабана 10000 об/мин.
Нагрузочная диаграмма [МС=f(n) или N=f(t)] при установившемся рабочем режиме сепаратора имеет слабо пульсирующий характер не значительного изменения мощности. Практически N=const во времени. Абсолютное значение N находится в кубической зависимости от частоты вращения барабана.
Особенности электропривода и эксплуатации молочных сепараторов.
1. Особенностью сепараторов (центрифуг) является наличие больших маховых масс и быстроходность. В следствие этого система электродвигатель-сепаратор имеет значительную продолжительность разбега. Продолжительный разбег позволяет устранить большие динамические напряжения в период разгона. Как правило в приводном механизме сепараторов устраивают фрикционную муфту, обеспечивающую плавный разгон барабана.
2. Рабочая частота вращения барабана не должна лежать в зоне резонансных колебаний. Это – основное условие нормальной работы сепаратора.
3. При работе сепаратора необходимо поддерживать постоянную частоту вращения барабана, так как уменьшение n приводит к ухудшению сливкоотделения, снижению Q, а увеличение – более быстрому износу червячной пары.
Поэтому для привода молочных сепараторов необходимо применять двигатели с жесткой механической характеристикой (трехфазные и однофазные короткозамкнутые конденсаторные асинхронные двигатели).
4. Повышенная влажность воздуха молочных требует установки (использования) для приводов сепараторов электродвигателей закрытого обдуваемого исполнения.
5. Электрический привод сепараторов при Q до 1000 л/ч целесообразно выполнять с однофазным конденсаторным двигателем (у него небольшой пусковой ток, высокий cosφ, высокий пусковой момент, жесткая механическая характеристика).
6. Для привода сепараторов при Q >1000 л/ч с непосредственным соединением валов целесообразно применять двухскоростные электрические двигатели, которые до половинной частоты вращения разгоняют барабан при увеличенном пусковом моменте, а затем до nном – при обычном пусковом моменте.
7. При питании электрического двигателя от индивидуальной станции необходимо следить за тем чтобы частота тока была постоянной и соответствовала паспортной.
8. Сепараторы и пусковая аппаратура должны быть тщательно заземлены.
5. Производство сливочного масла, творога, сыра.
Производство масла сливочного методом преобразования состоит в перемене качественных свойств жировых шариков с дальнейшим освобождением и концентрацией жировой фракции при параллельном создании структуры масла. Главными химико-физическими элементами маслообразования являются затвердение жировой фазы, кристаллизация липидов и образование структуры масла.
Сливки высокой жирности представляют собой довольно стабильную эмульсионную среду, жировые шарики которой разделяются водно-белковыми слоями дисперсионного материала. Перемена структуры сливок осуществляется в процессе маслобойки.
Маслобойка
B маслообразователе нагретые до высоких температур сливки высокой жирности подвергаются сплошному влиянию низко-положительных температур и активному механическому размешиванию. B ходе этого осуществляется интенсивный распад оболочек жировых шариков и освобождение не застывшей жидкой фазы жира, после чего происходит затвердение и кристаллизация липидов из жидкого жира.
При прерывистом охлаждении (до 20–22 °C и затем до 10-13 °C) выполняется этап раздельно-групповой кристаллизации липидов: первоначально в основном кристаллизируются высокоплавкие, потом – легкоплавкие липиды. Одновременно происходит переход наиболее нестабильных полиморфных видов липидов в стабильные. Затвердение рационального объема жира в оборудовании маслообразователя не осуществляется – продукт на выходе лишь на 12 % состоит из затвердевшего жира. Основное явление затвердения происходит в монолите сливочного масла в ходе термостатирования.
На заводах по производству сливочного масла затвердение жировой фракции осуществляется неоднородно, поскольку молочный жир является смесью липидов с разной температурой затвердения. Некоторое число оболочек жировых шариков в маслообразователе не распадается, кроме этого случается вторичная эмульгация жидкой фазы жира.
Параллельно с затвердением жира в маслообразователе выполняется перемещение прямой эмульсионной фракции в обратную, в ходе чего жидкий жир превращается в непрерывный поток, в котором равномерно распределяются различные компоненты и фазы.
Завод по производству сливочного масла
По окончании смешивания, когда объем вышедшего жира становится максимальным, доминирует обратная эмульсионная фаза. O перемене фаз делают вывод по числу свободной жировой фракции или по объему в масляной плазме эмульсионного жира. Перемене фаз сопутствует кристаллизация жировой фазы и полиморфные изменения липидов. В ходе этого полученные жировые кристаллы реагируют между собой и образовывают объемную масляную структуру. Доминирование в ней кристаллизированных или коагуляционных компонентов непосредственно влияет на масляную консистенцию.
Объем, однородность распределения, микродисперсность плазмы и воздушной фракции влияют на механические характеристики и сохранность сливочного масла. Масло, произведенное по технологии преобразования сливок повышенной жирности, отличается высоким уровнем дисперсности и наиболее гомогенной плазмой. В его составе преобладают (выше 90 %) капли радиусом 0,5…10, меньше содержание воздуха и больше объем эмульгированного жира. Степень раздробленности частиц плазмы в большей мере влияет на характер и активность окисления и микробиологической порчи сливочного масла.
Творог – это белковый кисломолочный продукт, приготовленный сквашиванием пастеризованного цельного или обезжиренного молока с последующим удалением из полученного сгустка части сыворотки. Выпускают следующие виды творога: нежирный и полужирный (9,0% жира), жирный (18,0%), «Крестьянский» (5,0%), «Столовый» (2,0%) и др. Значительное содержание в твороге белка (14÷16%) и минеральных веществ обусловливают его высокую питательную и биологическую ценность.
Творог получают кислотным, кислотно-сычужным, раздельным или непрерывным способами, а также способом самопрессования и охлаждения сгустка.
Производство творога традиционным кислотно-сычужным способом состоит из следующих операций: нормализации, очистки и пастеризации молока, охлаждения до температуры заквашивания, сквашивания молока, разрезания сгустка, отделения сыворотки, охлаждения творога, расфасовки, хранения и реализации.
Пастеризованное молоко охлаждают до температуры сквашивания (28÷32оС), направляют в специальные ванны, вносят закваску (чистые культуры молочнокислых бактерий) в количестве 1÷5%. Затем в молоко вносят 0,04% хлористого натрия и 0,1 мг% сычужного фермента для образования плотного, хорошо отделяющего сыворотку сгустка. Продолжительность сквашивания составляет 6÷8 часов. Чтобы ускорить выделение сыворотки, сгусток разрезают специальными проволочными ножами на кубики размером 2×2×2 см. Разрезанный сгусток оставляют в покое на 1 час для отделения сыворотки. Затем сгусток разливают в бязевые или лавсановые мешки (по 7÷9 кг) для более полного отделения сыворотки методом самопрессования при температуре 16оС в течение часа. Для доведения творога до готовности его подпрессовывают на пресс-тележках. По окончании прессования готовый продукт охлаждают до 8оС и фасуют на автоматах в мелкую потребительскую тару по 200, 250 и 500 г (пергамент, подпергамент, полимерные материалы и т. п.).
Срок хранения творога при температуре не выше 8оС и влажности 80÷85% составляет 36 часов. Допускается хранение творога в мороженом виде, так как под воздействием низких температур при быстром замораживании вода одновременно замерзает в виде мелких кристаллов по всей массе продукта. Мелкие кристаллы не разрушают структуру продукта. Замораживание производят при температуре минус 18оС в течение не более 1,5÷3,0 ч. После размораживания восстанавливается первоначальная консистенция творога.
Хранение расфасованного творога (блоки, брикеты) при температуре не выше минус 18оС не должно превышать 6 месяцев, при температуре не выше минус 25оС – 7÷12 месяцев.
Технология сыра
Сыр является одним из ценных пищевых продуктов благодаря высокой калорийности, пищевой и биологической ценности, разнообразию вкусовых свойств. Наибольшую ценность в сыре представляют белки (18÷25%), которые содержат весь комплекс аминокислот, необходимых человеку, в том числе незаменимые. Молочный жир в сыре (19÷30% от сухого вещества), как и в молоке, находится в виде мелких шариков, что способствует быстрому усвоению его организмом. Из молока в сыр почти полностью переходит витамин A, частично витамины В1, В2 и др.
Сыры в зависимости от особенностей технологии делят на сычужные, кисломолочные, переработанные (плавленые).
Производство натурального сычужного сыра. Молоко принимают по качеству, проводят его очистку, резервирование и направляют на созревание, т. е. длительную выдержку в течение 12÷16 ч с момента выдоя при температуре 8÷12оС. Созревание молока необходимо для развития в нем молочнокислых бактерий по окончании бактерицидной фазы, повышающих пригодность молока для производства сыра. Если молоко поступает издалека, то выдержку не производят.
Чтобы получить сыр требуемой жирности, молоко нормализуют. Для этого обычно используют сепараторы-нормализаторы. Молоко пастеризуют в течение 20÷25 с при температуре 71÷72оС. Термическая обработка молока снижает его сыропригодность, поэтому более предпочтительно пропускание его через сепараторы-бактериофуги с целью снижения микробиальной обсемененности. Так как в процессе обработки молока количество молочнокислой микрофлоры тоже снижается после пастеризации, в него вносят бактериальную закваску (чистые культуры молочнокислых бактерий). Чтобы увеличить в молоке содержание ионов кальция и обеспечить его нормальное свертывание, в молоко добавляют хлористый кальций. Для подавления развития газообразующей микрофлоры в молоко вносят азотнокислый калий или натрий. При выработке сыра в зимний и весенний периоды, когда в молоке снижается содержание каротина, придающего сыру желтый цвет, рекомендуют использовать нату-ральный краситель желтого цвета – аннато. Свертывание молока происходит при температуре 32÷34оС в течение 25÷30 мин и осуществляется при внесении в него сычужного ферментного препарата. Образовавшийся в результате свертывания молока сгусток разрезают, измельчают и вымешивают с целью удаления сыворотки в течение 20÷30 мин. Затем температуру сгустка повышают до 36÷38оС, а в некоторых случаях – до 47÷50оС в зависимости от вида сыра, после чего массу (сырное зерно) вновь вымешивают для ускорения обезвоживания. Сырное зерно помещают в формы, подпрессовывают и солят в рассоле до содержания хлористого натрия 1,5÷2,5% в течение 2÷7 суток при температуре 10÷12.С. Затем сыр направляют на созревание при температуре 10÷12оС в течение 1,5÷6 месяцев. В процессе созревания сыр покрывается коркой, после чего его дополнительно парафинируют.
Хранят твердые сыры в холодильниках при температуре 0 – минус 4оС и относительной влажности воздуха 85÷90% в течение 1÷4 месяцев, мягкие сыры – в течение 1÷2 месяцев.
Кисломолочные сыры вырабатывают из творога, полученного кислотным или кислотно-сычужным способом. После самопрессования или прессования творожную массу смешивают с солью и выдерживают в течение 20÷30 мин. В сливочные сыры добавляют фруктовые эссенции, сахар и др. Готовую массу формуют при помощи автоматов или вручную и реализуют. При производстве созревающих кисломолочных сыров их направляют на созревание в течение 1÷1,5 месяцев. Хранят сыр при температуре 0÷4оС в течение месяца, а при температуре 0 – минус 4оС – 2 месяцев.
Сырьем для производства плавленого сыра служат все виды сыров, имеющих какие-либо наружные механические повреждения (нестандартные), а также сливочное масло, натуральное, сгущенное или сухое молоко, сыворотка, пахта и др. В качестве наполнителей используют соль, сахар, перец, копченые колбасы, ветчину, различные эссенции и другие продукты. Плавленые сыры насчитывают более 50 наименований.
6. Оборудование для производства сливочного масла и приготовления кисломолочных продуктов.
Оборудование для производства сливочного масла делится на оборудование для подготовительных операций и оборудование для выработки сливочного масла.
Для выполнения подготовительных операций применяются заквасочники и емкости для созревания сливок. Схемы этих установок показаны на рисунках 23.6. и.23.7.
|
|
|
Рис.23.6. Заквасочннк Г6-03-40: 1 - наружная стенка; 2 - внутренняя стенка; 3- слой термоизоляции; 4 - переливная трубка - 5 - крышка; б - ушат; 7 - рукоятка слива воды; 8 - рукоятка вентиля подачи пара; 9 - рукоятка вентиля подачи хладогента; 10 - пульт управления; 11 - электрошкаф; 12 - датчик БРТ и БИТ; 13 - электронагревательный элемент; 14 - парораспределительная головка; 15 - вентиль; 16 - шток вентиля |
|
|
|
Рис.23.7. Емкость для созревания сливок: 1 - датчик количества продукта; 2 - люк со смотровым окном; 3 - моющая головка; 4 - кожух привода; 5 - привод; 6 - змеевик; 7 - мешалка; 8 - термоизоляция; 9 - опора |
Для выработки масла применяются маслоизготовители и маслообразователи, схемы которых показаны на рисунках 23.8. и 23.9.
|
|
|
Рис.23.8. Маслоизготовитель периодического действия РЗ-ОБЭ: 1 – опорная стойка; 2 –емкость; 3 - орошающее устройство (душ); 4 - ограждение; 5 – станина с коробкой скоростей; 6 - тележка |
|
|
|
Рис.23. 9. Маслоизготовитель Д1-ОЛО/1: 1 - тахогенератор; 2 - вентилятор; 3 - сбиватель; 4 - рубашка охлаждения; 5 - мешалка с лопастными билами; 6 - переходная насадка; 7 - устройство для промывки масляного зерна; 8 - подъемный переходник; 9 - вакуум-камера; 10 - ножи; 11 - насадка; 12, 13 - решетки; 14 - текстуратор; 15 - шнеки; 16 - рубашка охлаждения; 17 - устройство для промывки фильтра-сита; 18 - раздаточная коробка; 19 - редуктор; 20 - электродвигатель текстуратора; 21 - вариатор текстуратора; 22 - вариатор сбивателя; 23 - электродвигатель сбивателя |
|
|
|
Рис.23.10. – Маслобойка электрическая МЭ10-00: 1 - кожух; 2 - конденсатор; 3 - переключатель; 4 – клемная колодка; 5 - отражатель; 6 – шнур с вилкой; 7 - мешалка; 8 - валик; 9 - ручка; 10 – пластмассовый диск; 11 – защитное реле; 12 - электродвигатель |
Для сбивания масла в домашних условиях из созревших сливок или сметаны собственного приготовления выпускается электрическая маслобойка МЭ 10-00, схема которой приведена на рисунке 23.10.
В схеме маслобойки имеется реле РК 1-1, предназначенное для отключения электродвигателя при перегрузках.
Тема 3.5. Технология производства свинины.
ПЛАН:
1. Значение свиноводства. Виды откорма свиней.
2. Содержание свиней в летних лагерях.
3. Поточная система производства свинины.
4. Типы и размеры специализированных свиноводческих ферм и комплексов.
1. Значение свиноводства. Виды откорма свиней.
Разведение свиней позволяет в сравнительно короткие сроки производить большое количество мяса. Одна свиноматка может принести 18...20 поросят в год, откармливая которых получают 1,5...2 т свинины при затрате 0,5...0,6 тыс. корм. ед. на 0,1 т продук¬ции. Свинина составляет 35 % общего производства мяса в стране.
Этому способствуют следующие биологические особенности свиней:
1. Высокая плодовитость - 10...12 поросят (и более) за один опорос.
2. Короткий период супоросности (беременности) — 112...114 дней, благодаря чему можно получить два опороса в год.
3. Раннее половое и физиологическое созревание - половая зре¬лость у свиней наступает в 5...8 мес., а физиологическая - в 9...10 мес.
4. Скороспелость - первый опорос у свиноматок происходит в воз¬расте 13...14 мес. При оптимальных условиях содержания и кормле¬ния поросята быстро растут и к 2-месячному возрасту их живая мас¬са достигает 16...20 кг, а к 6...7-месячному - 100...110 кг, благодаря чему от каждой свиноматки можно получать ежегодно по 2 т свини¬ны и более.
5. Высокий убойный выход - 75...85 % в зависимости от степени упитанности, возраста, пола и природных особенностей (в тушах свиней примерно 55 % мяса, 35 % сала и 10 % костей).
6. Всеядность - они хорошо поедают растительные и животные корма, а также отходы технических производств и предприятий общественного питания.
7. Высокая оплата корма - на 1 кг прироста молодняка затрачивают 3,5...4 корм. ед. (для сравнения: молодняку крупного рогатого скота требуется 7...8 корм. ед.).
Помимо мяса и жира от свиней получают много побочных про¬дуктов (кожа, кишки, щетина, кровь и т. д.), используемых как сы¬рье для дальнейшей переработки. Из свинины приготовляют цен¬ные продукты (колбасы, окорока, корейку и др.) В отличие от мяса других животных свинина хорошо консервируется и выдерживает длительное хранение без снижения качества
Свиней, разводимых в России, относят к трем основным направлениям продуктивности:
1 мясному.
2 сальному.
3 Мясосальному (универсальному).
Породы свиней:
1. крупная белая (основная порода)
масса от 220 до 380 кг.
2. украинская степная белая
масса от 230 до 340 кг.
3. порода Ландрас
масса от 240 до 290 кг, убойный выход 75 %; за 6 месяцев достигает массы в 100 кг.
По данным Ставропольского краевого комитета государственной статистики на начало 2003 года в крае насчитывается 425,2 тыс. голов свиней (на 0,9 % больше, чем на начало 2002 года).
Доля производства мяса свинины в крае составляет ≈ 35 % от общего его производства.
На долю хозяйств населения и фермеров приходится 55,8 % свиней.
Виды откорма свиней.
Откорм - заключительная стадия всего производственного процесса в свиноводстве. Главная цель откорма - получить максимальные приросты живой массы при минимальных затратах труда, кормов и финансовых средств. На откорм поступают сверхремонтный молодняк в возрасте 3...4 мес, проверяемые матки после отъема от них поросят и выбракованные животные.
Основное условие успешного проведения откорма — создание прочной кормовой базы и полноценное кормление. Следует всегда иметь в виду, что расходы на корма составляют до 70 % себестоимости свинины. Успех откорма также зависит от породных особенностей и типа свиней, их возраста и развития, правильности подбора групп, продолжительности откорма и условий содержания. При укомплектовании групп животных подбирают одного пола и возраста. Разница в живой массе молодняка должна быть 3...5 кг (не более).
В практике хозяйств применяется откорм мясной, беконный и жирных кондиций.
Мясной откорм. Это основной вид откорма молодняка в нашей стране. Главная его цель - получение нежирной свинины в короткий срок при минимальных затратах кормов и средств.
На мясной откорм ставят молодняк после доращивания, т. е. в возрасте 3...4 мес, и продолжают откорм до 6,5...7 мес при достижении живой массы 95...110 кг. При интенсивном мясном откорме среднесуточные приросты живой массы достигают 600...650 г, причем в начале откорма прирост меньше, чем в конце.
При мясном откорме используют самые разнообразные корма и отходы общественного питания. На качество мяса и сала хорошо влияют такие корма, как ячмень, рожь, просо, а также зернобобовые (горох, люпин), богатые белками, имеющими высокую биологическую ценность. Из сочных кормов в рацион вводят морковь, комбинированный силос. Из кормов животного происхождения используют мясо-костную муку, обезжиренное молоко, сыворотку, пахту.
Один из лучших кормов - травяная мука искусственной сушки. В летний период необходимо давать молодую траву бобовых растений (клевер, люцерну). Меньшую ценность представляют собой такие концентрированные корма, как кукуруза и пшеничные отруби, ухудшающие качество сала и способствующие его усиленному отложению. При мясном откорме содержание зерна кукурузы должно быть не менее 30...40 % общего количества концентратов. Надо учитывать, что некоторые корма резко ухудшают качество продукции. Например, при скармливании свиньям соевого жмыха сало становится мягким. Рыбная мука, хотя и богата протеином, но придает мясу специфические вкус и запах и отрицательно влияет на консервирование. В последние 2 месяца откорма рыбную муку из рациона исключают.
Для успешного интенсивного мясного откорма свиньи должны получать минеральные вещества, витамины, белковые добавки.
В среднем структура зимнего рациона при отсутствии специальных комбикормов должна быть следующей, %: концентрированные корма - 60...70, сочные - 25...30, травяная мука - 5.
Корма скармливают в полужидком виде.
Беконный откорм. Разновидностью мясного откорма является беконный откорм. Для него отбирают подсвинков определенной породы и типа - длинных, пропорционально сложенных животных. При беконном откорме получают молодое, нежное, сочное мясо, пронизанное тонкими прослойками плотного зернистого жира. На беконный откорм ставят подсвинков не позднее 3-месячного возраста живой массой 25...30 кг. Для беконного откорма используют следующие породы: ландрас, крупная белая и др., а также их помесь.
Чтобы получить бекон высокого качества, свиней откармливают до возраста 6...6,5 мес. при достижении живой массы 80...95 кг и толщины шпика 30 мм. При этом важное значение имеет сбалансированность рационов по всем питательным веществам. Для беконного откорма разработаны специальные комбикорма, обеспечивающие потребность животных в питательных веществах. Поскольку качество бекона ухудшают овес, соя, жмых и отруби, то их необходимо исключить из рациона по достижении животными массы 60 кг.
В первые месяцы откорма доля сочных и зеленых кормов в рационе должна быть больше, чем в конце откорма, когда содержание концентрированных кормов увеличивают до 75 % обшей питательности рациона.
Откорм свиней до жирных кондиций. Такой откорм применяют, как правило, к выбракованным хрякам и свиноматкам. Цель откорма до жирных кондиций - получение большой живой массы при использовании наиболее дешевых объемистых кормов. Продолжительность откорма 90...100 дней до толщины шпика 4...6 см.
Организация и методы содержания свиней при откорме. Откорм свиней проводят в специализированных помещениях – свинарниках-откормочниках. Эти помещения рассчитаны на содержание свиней группами по 15...20 голов в станке с применением комплексной механизации всех технологических процессов. Хорошие результаты получают при выращивании, а затем при откорме подсвинков гнездом (всех поросят одного опороса от матки). При данном способе содержания устраняются стрессы, часто возникающие при перемещении и перегруппировке. Станки площадью 0,8...1 м2 на одну голову делят на две части. На одной стороне станка устраивают логово, на другой - кормушки.
При откорме важное значение имеют состав и величина группы свиней. Обычно свиней подбирают в группу одинакового возраста и массы. Желательно, чтобы состав группы на протяжении всего времени откорма оставался постоянным. Чем меньше животных в группе, тем выше приросты и лучше оплата корма.
2. Содержание свиней в летних лагерях.
При лагерном содержании свиней значительную часть продукции можно получить без капитальных затрат на строительство при эффективном использовании пастбищ. Лагерное содержание свиней в легких постройках широко применяют в южных районах страны.
Выбор места для лагеря. Для лагеря выбирают сухой возвышенный участок, желательно около проточных водоемов и леса или кустарника, где свиньи могли бы находиться в жаркое время дня. К лагерю должны примыкать пастбища с хорошим бобовым и бобово-злаковым травостоем. Летний лагерь должен снабжаться водой и электроэнергией.
В лагерях из дешевых местных строительных материалов устраивают навесы, закрытые с трех сторон и с покатой крышей. Высота задней стены навеса 1...1,2 м. Переднюю сторону оставляют открытой, но делают козырек, предохраняющий свиней от дождя и солнца. С передней стороны устраивают площадки с твердым покрытием. Кормушки ставят у края загонов для раздачи корма мобильным кормораздатчиком. Хряков, супоросных и подсосных маток содержат в индивидуальных станках, а все остальное поголовье - группами. В загонах устанавливают автопоилки.
Перед переводом в лагеря все поголовье осматривают, подвергают дегельминтизации, а при необходимости делают прививки.
Использование пастбищ. Свиньи хорошо поедают и усваивают зеленую массу молодых растений. Для выпаса свиней выделяют специальные посевы зеленых кормов или создают искусственные пастбища. Пастьба свиней сокращает затраты на уборку, транспортировку и раздачу кормов. Примерная суточная потребность свиней в пастбище на одну голову в день следующая (м2): для хряков и маток - 5...10, подсосных маток с поросятами - 10...12, для молодняка старше 4 мес - 2,5...5.
Свиней приучают к пастбищу постепенно, чтобы избежать расстройств пищеварения при переходе на зеленый корм и ожогов от солнечных лучей. В первые дни свиней выгоняют на пастбище на 20...25 мин, постепенно увеличивая время до 1 ч. После того как свиньи привыкнут к пастбищному содержанию, время пастьбы увеличивают до 6...8 ч. Свиней, как правило, пасут 2 раза в день: рано утром, до наступления жары, и во вторую половину дня. Для подсосных маток с поросятами следует отводить участки вблизи лагеря, а для маток в первый месяц супоросности, хряков и молодняка старше 4 мес. — на расстоянии до 1 км.
Когда свиньи наедаются, т. е. примерно через 1...1,5 ч на хороших пастбищах, они начинают рыть землю. Следовательно, надо следить за животными, чтобы они не портили землю. С этой целью их переводят на непродуктивные участки или загоняют в лагерь. Пастбище делят на загоны, каждый из которых используют в течение 2...3 дней. Между загонами необходимо использовать электроизгородь (электропастух). Не съеденную траву подкашивают и убирают.
Следует иметь в виду, что пастьба животных не обеспечивает их потребности в питательных веществах, поэтому в рацион свиней вводят концентрированные корма, минеральные добавки, а осенью и корнеплоды.
3. Поточная система производства свинины.
Поточная система производства свинины - обязательное условие интенсивной технологии. При этом производственный процесс должен быть непрерывным в течение года с ритмом 1...4 дня для комплексов на 24, 54, 108 тыс. свиней в год и с ритмом, кратным 7 дням (7, 14 и т. д.), для остальных ферм и комплексов, что обеспечивает выпуск продукции партиями определенной величины и хорошего качества как за установленный период, так и в целом за год.
При поточной технологии объемы производства должны быть постоянные в течение всего периода эксплуатации предприятия. Поточная система производства свинины позволяет повысить эффективность использования маточного стада, помещений, оборудования, средств механизации, рабочей силы.
В зависимости от мощности предприятия различают четыре этапа (участка) технологического процесса:
1) воспроизводство - осеменение маток, супоросный период, подготовка к осеменению ремонтных свинок;
2) репродукция - получение поросят и лактация;
3) доращивание - выращивание молодняка посте отъема;
4) откорм - откорм свиней.
В основу поточной системы производства свинины заложено получение, выращивание и реализация крупных одновозрастных групп молодняка свиней через определенные промежутки времени. Это обеспечивается:
1. Непрерывным ритмичным подбором однородных по числу и срокам осеменения групп свиноматок и получением одновозрастных партий молодняка.
2. Формированием необходимого числа групп маток и свиней других возрастных групп.
3. Осеменением маток каждой группы в короткий, четко определенный промежуток времени (ритм) без паузы.
4. Наличием специализированных помещений для каждого этапа производственного процесса, разделенных на секции и используемых по принципу «свободно - занято».
Профилактический перерыв между заполнениями секций животными должен быть не менее 5 суток.
Для выращивания и откорма молодняка применяют одно-, двух - и трехфазную систему. При однофазном содержании маток переводят в цех осеменения, а молодняк оставляют в этих же станках, доращивают и откармливают. Преимущества этого способа - исключаются стрессы, связанные с перемещением поросят, улучшается рост молодняка, уменьшаются затраты корма на 1 кг прироста. Однако при однофазном содержании сложно проводить дезинфекцию - она возможна лишь после сдачи молодняка на мясо. Для содержания животных по однофазной системе необходимы реконструируемые станки.
При двухфазной системе поросят оставляют до передачи на откорм (до 3 мес.) в тех же станках, где происходит опорос. Отъем поросят проводят в 30 дней. В возрасте 3 месяцев их переводят в цех откорма. При такой системе содержания поросят перемещают только один раз, вследствие чего не требуются специальные помещения для доращивания.
Для свиней каждой возрастной группы предусматривают отдельные секции, вместимость которых определяют в зависимости от численности поголовья в технологических группах. Число секций должно соответствовать продолжительности производственного цикла с учетом подготовительных ветеринарно-санитарных работ, проводимых до постановки стада животных.
Чтобы обеспечить непрерывность технологического процесса, помещения делят на участки на всех фермах с двух - и трехфазной системой выращивания и откорма молодняка независимо от их мощности.
При трехфазном содержании поросят отнимают в возрасте 26, 30 и 42 дней и переводят в цех доращивания, а затем в возрасте 105...120 дней - в цех откорма.
4. Типы и размеры специализированных свиноводческих ферм и комплексов.
Типовые проекты свиноводческих ферм приведены в таблице 5,1.
Таблица 5.1 - Типовые проекты свиноводческих ферм.
|
Н а и м е н о в а н и е |
Обозначение типового проекта |
|
1 |
2 |
|
1. Ферма выращивания и откорма 12000 свиней в год |
№ 000 – 01 – 1 |
|
2. Ферма выращивания и откорма 24000 свиней в год |
№ 000 – 02 – 1 |
|
3. Откормочная ферма на 12000 свиней в год |
№ 000 – 01 – 3 |
|
4. Откормочная ферма на 24000 свиней в год |
№ 000 – 01 – 4 |
|
5. Репродукторная ферма выращивания 24000 поросят в год |
№ 000 – 01 – 5 |
|
6. Ферма выращивания и откорма 12000 свиней в год при содержании на подстилке |
№ 000–01–7.83 |
|
Продолжение таблицы 5.1. |
|
|
1 |
2 |
|
7. Ферма выращивания и откорма 3000 свиней в год |
№ 000 – 018.83 |
|
8. Ферма выращивания и откорма 6000 свиней в год |
№ 000 – 019.84 |
|
9. Ферма выращивания и откорма 3000 свиней в год с кормлением поголовья влажными кормовыми смесями |
№ 000–01–11.84 |
|
10. Ферма выращивания и откорма 6000 свиней в год с кормлением поголовья влажными кормовыми смесями |
№ 000–01–10.84 |
|
11. Ферма выращивания и откорма 6000 свиней в год с использованием мобильного кормораздатчика КУТ – 3.0 А |
№ 000–01–12.84 |
|
12. Ферма откорма 3000 и 6000 свиней в год с использованием пищевых отходов |
№ 000–01–13.84 |
|
13. Ферма выращивания и откорма 1000 и 2000 свиней в год |
№ 000–01–14.84 |
|
14. Племенная свиноферма на 200 основных свиноматок |
№ 000–01–15.85 |
|
15. Ферма выращивания и откорма 1500 свиней в год |
№ 000–01–18.86 |
|
16. Репродукторная ферма выращивания 6000 поросят в год |
№ 000 – 01- |
|
17. Ферма выращивания и откорма 1000 свиней в год |
№ 000–01–24.86 |
|
18. Ферма выращивания и откорма 2000 свиней в год |
№ 000–01–25.86 |
|
19. Свиноводческая племенная ферма на 200 основных маток |
№ 000 – 01- |
|
20. Свиноводческая племенная ферма на 300 основных маток |
№ 000 – 01- |
|
21. Ферма выращивания и откорма 1000 свиней в год для южных районов |
№ с. 33.87 |
|
22. Блок производственных зданий для семейной откормочной свинофермы на 150 мест |
№ 000 –7 – 3.91 |
|
23. Блок производственных зданий для семейной откормочной свинофермы на 150 мест |
№ 000 –7 – 3.92 |
Тема 3.6. Технология производства яиц и мяса птицы.
ПЛАН:
1. Значение птицеводства. Технология промышленного производства куриных яиц.
2. Технология промышленного производства мяса бройлеров.
3. Технология и режимы инкубации яиц.
4. Птицеводческие предприятия и требования санитарно - ветеринарной безопасности к ним.
1. Значение птицеводства. Технология промышленного производства куриных яиц.
Птицеводство - одна из важнейших отраслей, обеспечивающая население высококачественными диетическими продуктами питания: яйцами и мясом птицы, а также пухом и пером. Сельскохозяйственная птица характеризуется скороспелостью, интенсивным ростом, высокими воспроизводительностью, продуктивностью и жизнеспособностью. Все это в сочетании со сравнительно небольшими затратами кормов на единицу продукции способствует высокой доходности отрасли.
Для современного птицеводства характерны узкая специализация, концентрация, повсеместное внедрение новейших достижений науки и передовой практики, применение прогрессивной технологии, полная механизация трудоемких процессов.
Известно более 8000 видов птиц. В сельском хозяйстве используют в основном кур, индеек, гусей, уток, цесарок, перепелов и голубей. Все многочисленные породы сельскохозяйственной птицы классифицируют по направлению основной продуктивности. Породы кур и уток делят на яичные, мясо-яичные и мясные. Все породы гусей и индеек принадлежат к мясному направлению, цесарки - к мясо-яичному, а перепела - к яичному.
Яичная продуктивность. Половая зрелость птицы наступает ко времени снесения первого яйца. Куры начинают нестись в возрасте 120...180 дней (17...26 нед.), индейки - 200...250, утки - 210...240, гусыни - 270...300, перепелки - 34...35 дней. Яйценоскость зависит от наследственности птицы (вида и породы), ее возраста и факторов внешней среды.
От кур получают за год в среднем 250...290 яиц, индеек - 100...150, уток -120...180, гусынь - 60, перепелок - 200...250, цесарок - 100...120 яиц.
Мясная продуктивность. Мясо птицы характеризуется хорошими пищевыми и вкусовыми качествами, что обусловлено, с одной стороны, высоким содержанием в нем экстрактивных веществ (1,5...2 % в сыром мясе), а с другой - нежностью и сочностью. Так, в мясе кур содержится (%):
- воды – 65;
- жира - 13,7;
- белка – 39;
- золы - 1.
С целью производства мяса используют кур специализированных мясных пород и линий, а также гусей, уток и индеек. Основные показатели мясной скороспелости - масса и интенсивность роста молодняка. Живая масса птицы зависит от вида, пола, породы и возраста. Большой живой массой отличаются гуси и индейки. Масса взрослых индюков составляет 16...18 кг, гусей - 6...8, уток мясных пород - 3...4, кур - 2, цесарок - 1,5.. 2, перепелов - 0,12...0,15 кг.
По данным Ставропольского краевого Комитета государственной статистики на начало 2003 года в крае насчитывается 11 млн. голов птицы, что на 6,5 % больше, чем на начало 2002 года.
На долю хозяйств населения и фермеров приходится 60,1 % поголовья птицы.
Доля мяса птицы в общем балансе составляет 17 %.
Технология промышленного производства куриных яиц.
Производство яиц осуществляется на птицефабриках яичного направления и птицефермах в специализированных хозяйствах.
Современные птицефабрики яичного направления - это высокорентабельные предприятия, на которых выращивают от 250000 до 1000000 кур-несушек, производящих 63,5...250 млн. яиц в год.
Основные составляющие технологии промышленного производства яиц:
1) периодическое круглогодовое комплектование промышленного стада кур-несушек для равномерного производства продукции в течение года;
2) выращивание высокопродуктивной гибридной птицы с яйценоскостью 285...290 яиц в год;
3) содержание птицы в клеточных батареях при максимальной механизации и автоматизации всех производственных процессов;
4) кормление птицы сухими полнорационными комбикормами;
5) обеспечение оптимальных условий микроклимата и строгое соблюдение всех ветеринарно-санитарных мероприятий.
Птицефабрики работают по принципу замкнутого цикла производства, сущность которого заключается в том, что все основные технологические процессы осуществляются непосредственно в хозяйстве.
Главные технологические звенья птицефабрик – производственные цехи: родительского стада, инкубации яиц, выращивания ремонтного молодняка и промышленного стада кур-несушек, откорма птицы, сортировки и упаковки яиц, убоя и переработки птицы. Обслуживают их вспомогательные подразделения: котельная, кормоцех, транспортное хозяйство и др. Все цехи и подразделения объединены четким технологическим процессом.
Цех родительского стада (8…20 % от общего поголовья) – обеспечивает цех инкубации гибридными высококачественными яйцами. Сочетание родительских форм 10:1.
В цехе инкубации получают ремонтный молодняк как промышленного назначения, так и родительского стада. Для инкубации берут яйца от кур, достигших 7...8-месячного возраста.
В цехе выращивания молодняка содержат ремонтный молодняк родительского (курочки, петушки) и промышленного (только ку¬рочки) стад. Суточных цыплят из цеха инкубации передают в цех выращивания молодняка и размещают в клеточных батареях, где их выращивают без пересадки до 140-дневного возраста. Для нор¬мального роста и развития цыплят важно соблюдать оптимальные температурно-влажностный и световой режимы. В 1-ю неделю выращивания световой день длится 23,5 ч, во 2-ю - 15,5, с 3-й по 18-ю - 9, в 19-ю – 10 ч. Освещенность клеток на уровне среднего яруса батарей должна составлять 25...30 лк.
Цех откорма имеется только в тех хозяйствах, в которых петуш¬ков яичных пород кур не уничтожают в суточном возрасте, а выра¬щивают на мясо. Петушков откармливают до 60...90-дневного возраста и сдают на убой живой массой 700…1200 г.
Цех промышленных или клеточных несушек - основной на фабрике, специализирующейся на производстве пищевых яиц. В этом цехе не содержат петухов, так как для производства пищевых яиц не требуется оплодотворения кур. С целью равномерного про¬изводства яиц в течение года стадо кур-несушек комплектуют мно¬гократно. Молодняк переводят в промышленное стадо в возрасте 140 дней. Продолжительность продуктивного периода кур-несушек в этом цехе не более 12 мес. Эффективность работы цеха зависит от качества, продуктивности и жизнеспособности молодок, условий содержания и кормления, а также от микроклимата и воздухообме¬на в помещении. Рекомендуемая освещенность клеток на уровне среднего яруса батарей - 20...30 лк.
Цех обработки яиц предназначен для временного хранения пи¬щевого яйца.
Технологический процесс производства яиц завершается на складе, где их сортируют по массе и качеству скорлупы на четыре категории.
2. Технология промышленного производства мяса бройлеров.
Годовая мощность бройлерных фабрик - 1...6 млн. голов, производственных бройлерных объеди-нений - 5...25 млн. голов, колхозных и совхозных бройлерных ферм - 0,5...3 млн. голов. Значительный объем мяса птицы произ¬водят бройлерные птицефабрики, технологический процесс в кото¬рых осуществляется по замкнутому циклу. Как правило, бройлер¬ные птицефабрики имеют цехи маточного стада, инкубации, откор¬ма, убоя и обработки.
Плотность посадки выращиваемых цыплят составляет на глубо¬кой подстилке 18 гол/м2, на сетчатом полу - 30...35, в клетках - 34,5 гол/м2.
Наиболее распространена система выращивания бройлеров крупными партиями (10...20 тыс. голов) на глубокой подстилке в безоконных помещениях с регулируемым микроклиматом при ме¬ханизации и автоматизации процессов поения и кормления. Для этих целей используют серийно выпускаемые комплекты обору¬дования ЦБК-12 и ЦБК-18. Каждый бройлерник заполняют в те¬чение дня партией цыплят одного возраста и разного пола, кото¬рых выращивают до 49...63 дней. Под каждым брудером размеща¬ют 500 голов. Суточных цыплят сажают в продезинфицированный птичник из расчета 12...14 голов на 1 м2 площади. На пол, посы¬панный сухой гашеной известью (норма 0,5...1 кг на 1 м2), уклады¬вают подстилку слоем 10...15 см. За 1...2 дня до приема цыплят включают отопительную систему с таким расчетом, чтобы темпе¬ратура в помещении находилась на уровне 24...25 0С, а под бруде¬рами - 33...35 0С. В первые 10 дней площадь пола под брудерами (на расстоянии 70 см по периметру брудеров) огораживают съем¬ными ограждениями. С 14...16-дневного возраста цыплята пользу¬ются автопоилками, а с 18...20-дневного - автокормушками. При выращивании бройлеров применяют дифференцированный све¬товой режим: круглосуточный (продолжительность светового дня составляет 24 ч) или чередующийся (с 8-го дня - 1 ч света + 2 ч темноты).
На птицеводческих предприятиях широко внедряют технологию выращивания цыплят-бройлеров в клеточных батареях КБМ-2, КБУ-3, Р-15 с использованием специальных комбикормов. После 49...63 дней цыплята-бройлеры поступают в цех убоя и обработки. До убоя птицу выдерживают без пищи 6...8 ч. Убой цыплят-бройле¬ров и обработку тушек осуществляют на специализированных авто¬матизированных конвейерных линиях.
3. Технология и режимы инкубации яиц.
Инкубация яиц бывает естественная (под наседкой) и искусственная (в специальных аппаратах - инкубаторов). В современном птицеводстве применяют только искусственную инкубацию, благодаря чему устранена сезонность и увеличены объемы вывода молодняка, выведены породы птицы без инстинкта высиживания, снижена себестоимость. Для этих целей используют инкубаторы ИУП-Ф-45-21 и ИУП-Ф-15-21.
Различают инкубационные и выводные инкубаторы; последние устанавливают в отдельном помещении.
Отбор яиц. Перед закладкой в инкубатор яйца оценивают по морфологическим и биологическим признакам, обращая внимание на их величину, форму, плотность и состояние скорлупы. Для инкубации используют яйца правильной овальной формы массой около 58 г. Слишком мелкие (45...47 r) и очень крупные (70 г) яйца выбраковывают. Диаметр воздушной камеры в яйце должен быть 1,8 см (не более). Для инкубации отбирают яйца с гладкой матовой однородной скорлупой, окраска которой характерна для данной породы. На скорлупе не должно быть утолщений, наростов или насечек.
Чтобы определить пригодность яиц к инкубации, их просвечивают на овоскопе, обращая внимание на положение, подвижность и окраску желтка, положение и величину воздушной камеры, качество скорлупы. Яйца со смешенным воздушным пространством (пугой), свободно перемещающимся желтком, двух – или трехжелтковые и с кровяными включениями выбраковывают. Более полно качество яиц оценивают в лабораториях, вскрывая 10...15 яиц из всей партии. Чтобы не допустить проникновения инфекции внутрь, яйца дезинфицируют парами формальдегида, аэрозолями йодистого алюминия, озоном и облучают ультрафиолетовыми лампами ДРТ в течение 2...4 мин.
Чем раньше яйцо заложено в инкубатор, тем лучше развивается зародыш. В лучших инкубаторных станциях яйца закладывают в день доставки с птичников. Яйца хранят на складе, оборудованном вентиляцией и холодильной установкой. Рекомендуемые сроки хранения куриных яиц не более 5...6 дней с момента снесения, индюшиных - 7...8, гусиных и утиных - 8...10 дней. После указанного срока вывод молодняка снижается на 2...3 % за каждый последующий день хранения. Чем больше срок хранения, тем хуже инкубационные качества яиц.
Режим инкубации - это условия, в которых находятся яйца во время инкубации. Технология инкубирования яиц включает следующие операции: прием и сортировку, укладку в инкубационные лотки, хранение и обработку, закладку в инкубатор. При массовом наклеве (70 %) яйца перекладывают в выводной шкаф, где их уже не переворачивают. После вывода осуществляют выборку, сортировку и разделение молодняка по полу, кратковременно содержат его в цехе, а затем передают на выращивание.
Режим искусственной инкубации максимально приближается к режиму естественного насиживания яиц наседкой. В естественных условиях температура под наседкой достигает 37,4...37,7 °С. Курица периодически встает с яиц. При этом происходит их кратковременное охлаждение за счет интенсивного поступления свежего воздуха. Наседка регулярно поворачивает яйца, что способствует их равномерному обогреву.
В инкубаторе для яиц создают условия, аналогичные естественным. Изменение параметров микроклимата осуществляется автоматически.
Оптимальное время закладки яиц в инкубаторе 18...20 ч. В этом случае на 22-е сутки утром вывод цыплят практически заканчивается и молодняк в течение дня готовят для передачи на выращивание.
Для успешного инкубирования яиц важное значение имеет точное соблюдение температурно-влажностного режима.
Биологический контроль инкубации — это система мероприятий по оценке качества яиц и контролю за эмбриональным развитием птиц. Биологический контроль включает в себя просвечивание яиц, определение потери массы по периодам инкубации, учет начала и продолжительности вывода, оценку суточного молодняка, учет результатов инкубации, вскрытие отходов инкубации и выяснение причин гибели эмбрионов.
Яйца просвечивают на овоскопах: куриные - на 6, 11 и 19-й день, утиные, цесариные и индюшиные - на 7, 13 и 25-й, гусиные - на 8, 15 и 28-й день. С целью контроля за развитием зародышей из разных мест инкубатора берут 10...15 % яиц со всех лотков. Просвечивание позволяет своевременно удалять яйца неоплодотворенные и с погибшими зародышами. Количество яиц с хорошо развитыми зародышами должно быть 70...80 % и более.
При правильном течении инкубации вывод цыплят происходит дружно и продолжается от 18 до 24ч после первого наклева, который при нормальном развитии зародыша происходит между тупым концом и серединой яйца.
Результаты инкубации выражают отношением (в процентах) вывода суточного молодняка к общему числу заложенных яиц.
4. Птицеводческие предприятия и требования санитарно-ветеринарной безопасности к ним.
По назначению различают следующие птицеводческие предприятия:
- товарные - яичного и мясного направления соответственно по производству яиц и мяса птицы; к ним относятся также птицефабрики и фермы сельскохозяйственных предприятий (без птицы, родительского стада), функционирующие на основе технологической кооперации в составе объединений;
- с замкнутым циклом производства - птицефабрики и объедине¬ния;
- племенные - для совершенствования существующих и выведе¬ния новых специализированных пород и сочетающихся линий пти¬цы, производства прародительских и родительских форм, а также гибридов для снабжения ими товарных предприятий и инкубаторно-птицеводческих станций;
- специализированные - по выращиванию гибридных кур-моло¬док товарных хозяйств;
- инкубаторно-птицеводческие станции.
Размеры товарных предприятий (табл.6.1.) яичного направления определяют по среднегодовому поголовью кур-несушек и самок перепелов промышленного стада и годовому производству пищевых яиц от них, а мясного направления - по числу сдаваемых в год бройлеров (цыплят, индюшат, утят, гусят, цесарят, перепелят) и го¬довому производству мяса в живой массе, племенных - по числу посадочных птицемест для взрослой птицы и выходу суточного племенного молодняка или инкубационных яиц в год для реализации;
специализированных — по числу выращиваемых в год гибридных кур-молодок и по годовой их реализации; инкубаторно-птицеводческих станций - по числу яйцемест (куриных).
Таблица 6.1. - Размеры товарных птицеводческих предприятий.
|
Специализация предприятия |
Поголовье птицы, тыс. голов |
Годовое производство основной продукции |
|
|
млн. яиц |
т. мяса |
|
|
|
Производство пищевых яиц Производство мяса: цыплят-бройлеров при клеточном содержании при напольном содержании утят-бройлеров индюшат-бройлеров гусят-бройлеров |
50…600 250…6000 250…6000 125…1000 50…250 100…250 |
127…153 412,5…9900 375…9000 275…2200 625…3125 400…1000 |
125…150 387…5430 387…5430 275…2200 550…2750 380…950 |
Птицеводческие предприятия следует отделять от жилой заст¬ройки санитарно-заградительными зонами. Расстояние от птице¬водческой фермы до границы жилой застройки должно быть не ме¬нее 300 м; от птицеводческого предприятия размером 1…3 млн. бройлеров в год или 100…400 тыс. кур-несушек и от племенного предприятия - не менее 1000 м; от птицеводческого предприятия размером более 400 тыс. кур-несушек или более 3 млн. бройлеров в год - не менее 1200 м.
С целью уменьшения опасности распространения заболевании птиц, повышения эффективности профилактики и обеспечения ритмичной работы предприятия предусматривают строгое зонирование территории, а также ограничивают концентрацию поголовья в одной зоне.
Тема 3.7. Технология производства шерсти и баранины.
ПЛАН:
1. Значение овцеводства. Технология выращивания ягнят. Системы содержания овец.
2. Организация и технология стрижки овец.
3. Овцеводческие комплексы и откормочные механизированные площадки.
1. Значение овцеводства. Технология выращивания ягнят. Системы содержания овец.
Овцеводство обеспечивает народное хозяйство разнообразной ценной продукцией - шерстью, шубными и меховыми овчинами, смушками, мясом (бараниной), салом, молоком. Самая главная и ценная продукция овцеводства – это тонкая шерсть. Только из нее можно приготовить высококачественные текстильные материалы. Доля наиболее ценной тонкой и полутонкой шерсти в общих заготовках составляет 72...75 %.
Овцеводство - важный источник производства мяса. Среднегодовое производство баранины (в убойной массе) составляет 6 % общего производства мяса в стране, а по Ставропольскому краю эта цифра составляет 11 %.
Виды шерсти овец.
Шерсть - это волосяной покров овец, состоящий из следующих волокон: пуха (тонкие извитые шерстинки тониной 15...30 мкм), ости (прямые или малоизвитые длинные волокна тониной 30...35 мкм), переходного волоса (промежуточного по длине и тонине между пухом и остью), кроющего волоса и песиги. Кроющий волос расположен на конечностях, голове и хвосте. Песига представляет собой длинные, толстые, малоизвитые шерстяные волокна в шерстном покрове ягнят тонкорунных и полутонкорунных пород. Разновидность ости - мертвый и сухой волос. Наличие мертвого и сухого волоса сильно ухудшает качество шерсти.
В зависимости от входящих в состав шерстного покрова волокон различают однородную и неоднородную шерсть. К однородной шерсти относится тонкая и полутонкая шерсть, к неоднородной - грубая и полугрубая. В зависимости от однородности волокон и их тонины шерсть овец бывает следующих видов:
тонкая — все волокна относятся к пуху, их тонина не более 25 мкм. Ее получают от овец тонкорунных пород. Шерсть имеет длину в штапеле 7...9 см. Выход чистого (мытого) волокна составляет 45...48 % и более. Эти волокна извитой формы обладают большой прочностью и эластичностью. Из 1 кг тонкой шерсти получают примерно в 3 раза больше ткани, чем из грубой;
полутонкая — все волокна состоят только из грубого пуха (тонина 25...30 мкм) или из смеси грубого пуха и трудноотличимого от него переходного волоса. Длина шерсти 7...12 см и более. Выход чистого волокна 52...60 % и более. Полутонкую шерсть получают от полутонкорунных пород (цигайской, куйбышевской и др.);
грубая — состоит из пуха, переходного волоса и остей, иногда со значительной примесью сухого и мертвого волоса. Основную массу грубой шерсти дают овцы грубошерстных пород (каракульской, сокольской, гиссарской и др.). Овец грубошерстных пород стригут 2 раза в год. Выход грубой шерсти составляет 55...75 %;
полугрубая — состоит из пуха, переходного волоса и тонких остей. Отличается от грубой шерсти большим содержанием пуха и наличием более тонких остей, более высоким содержанием жиропота. Длина шерсти колеблется от 8 до 19 см. Овец грубошерстных пород стригут 2 раза в год. Полугрубая шерсть - ценное сырье для выработки технических сукон, ковров, трикотажной пряжи.
Весь шерстный покров овцы называется руно.
Тонина — один из важных систематических признаков в оценке и классификации овец и шерсти. Ее определяют измерением диаметра поперечного сечения шерстного волокна и выражают в тысячных долях миллиметра - микрометрах (мкм).
В зависимости от тонины однородную шерсть в нашей стране делят на 13 классов, которые называют качествами и обозначают цифрами 80, 70, 64, 58, 50, 48, 46, 44, 36, 32. Качества показывают, сколько мотков пряжи длиной 512 м можно получить из 1 английского фунта (454 г) шерсти. Так, если при прядении из 1 фунта вымытой шерсти получают 50 мотков пряжи, каждый длиной 512 м, то эта шерсть 50-го качества.
Шерсть, полученную после стрижки (грязная шерсть), промывают, очищая от жиропота и механических загрязнений. Отношение массы чистой шерсти к массе грязной в процентах называется выходом чистой шерсти.
Породы овец.
Породы овец классифицируют по двум системам - зоологической и производственной (хозяйственной). Согласно хозяйственной классификации все породы овец делят на следующие группы: тонкорунные, полутонкорунные, полугрубошерстные и грубошерстные.
Тонкорунные породы (самая распространенная порода – советский меринос; рис.7.1.):
- средний настриг шерсти 4 … 5 кг;
- выход чистой шерсти – 40 …42 %;
- длина шерсти 7 …8,5 см.
Полутонкорунные породы (цигайская порода):
- средний настриг шерсти 3,5 … 5 кг;
- выход чистой шерсти – 50 …55 %;
- длина шерсти 9 …11 см.
Полугрубошерстные породы (таджикская порода):
- средний настриг шерсти 2,5 … 3 кг;
- выход чистой шерсти – 65 …75 %.
Грубошерстные породы (каракульская, романовская породы (рис.7.2.)). Это породы мясо-шубного направления. Смушка – шкурка ягненка в возрасте 1 … 3 дня.
На начало 2003 года в Ставропольском крае насчитывалось 1267,9 тыс. голов овец и коз, что на 1,7 % меньше, чем на начало 2002 года.
На долю хозяйств индивидуального сектора в крае приходится 33,6 % овец и коз.
Технология выращивания ягнят.
К ягнению готовятся тщательно, разделяя овчарню щитами на три секции: первая служит родильным отделением, вторая - для содержания сакманов (групп), третья - для суягных маток.
Температура воздуха в родильном отделении должна быть в пределах 8…10 0С, а относительная влажность - 75...80 %. Для поддержания необходимой для ягнят температуры используют инфракрасные облучатели, в частности установку ИКУФ.
Основную часть тепляка разгораживают переносными щитами на клетки, в которых содержатся матки с ягнятами первые 2 дня. Как правило, окот продолжается 30...50 мин. Через 15...20 мин после рождения ягненок встает на ноги и может сосать молоко. Ягненку и матке на боку ставят номер. Через 2 дня маток с ягнятами объединяют в группы по 7...10 голов - сакманы. По мере роста ягнят сакманы укрупняют. Маток со слабыми ягнятами, а также с двойнями формируют в отдельный сакман меньшего размера. При 5...8-дневном возрасте ягнят в сакман помещают 25...30 маток, при 20...30-дневном возрасте - до 250 маток.
В молочный период в первые недели жизни ягненка единственным источником питания является материнское молоко. Поэтому его рост и развитие в основном зависят от молочности маток, а следовательно, от их кормления. С этой целью маткам дают корма высокого качества. С 2...3-недельного возраста ягнят приучают к поеданию концентратов, сена и сочных кормов. Лучшим концентрированным кормом для ягнят является овсянка, смесь овсянки и жмыха, из сочных кормов - корнеплоды и силос. Ягнят подкармливают в так называемых «столовых» - огороженных специальными щитами площадках с лазами для ягнят шириной 20...25 см и высотой 35...45 см.
С 3-недельного возраста ягнят можно выпускать зимой на прогулку. Ранней весной при неустойчивой погоде ягнята на пастбище могут простудиться. Поэтому во многих хозяйствах на пастбище выгоняют только маток, а ягнят оставляют на выгонах около овчарни, чтобы в случае непогоды их можно было быстро загнать в помещение. Такой метод выращивания ягнят называется кошарно-базовым.
Ягнят из многоплодных пометов, а также ягнят-сирот в молочный период выращивают искусственно, т. е. на заменителях цельного молока (ЗЦМ). При 45...60-дневной продолжительности искусственного выращивания ягненку требуется 8...12 кг сухого ЗЦМ, а при более длительном - 12...15 кг. Порошок ЗЦМ перед выпаиванием ягнятам разбавляют в теплой воде в соотношении 1:4 или 1:5.
В возрасте 5...7 дней у тонкорунных ягнят обрезают хвост между 3-м и 4-м позвонками, иначе грязь, навоз и сорняки, налипающие на хвост, будут загрязнять шерсть задних ног. Отъем ягнят (отбивку) проводят в возрасте 3,5...4,5 мес. Молодняку после отъема предоставляют лучшие пастбища.
Системы содержания овец.
Различают следующие системы содержания овец: летнее пастбищное, стойлово-пастбищное и зимнее стойловое.
Летнее пастбищное содержание и кормление овец. Переход от зимнего стойлового содержания к пастбищному организуют постепенно, так как резкая замена сухих кормов на зеленую траву может вызвать расстройство пищеварения. С этой целью в первые дни пастьбы по утрам, до выгона на пастбище, овцам дают немного сена. Выпас начинают как можно раньше. В жаркие дни пастьбу прерывают с 10...11 до 14...16 ч. С наступлением прохлады пастьбу возобновляют. Если пастбища плохие и овцы не наедаются, то практикуют ночную пастьбу до 24...1 ч ночи. Овец пасут большими группами - отарами (маток по 600...700 голов, молодняк по 1000...1200 голов). В южных регионах страны овец пасут круглый год.
На хороших пастбищах взрослые овцы поедают в день 6...7 кг травы, молодняк - 3...4 кг, что позволяет обходиться без подкормки концентратами. Овцам необходимо давать соль-лизунец, раскладывая ее на тырле - месте для отдыха овец. Летом овца выпивает в день до 5 л воды. Овец желательно поить 2 раза в сутки.
На случай непогоды, особенно в зимний период, для овец строят укрытия. На юге это помещения, состоящие из трех стен и односкатной крыши, имеющей козырек. В районах с более суровой зимой необходимы утепленные постройки. Овцеводческие хозяйства южных регионов страны, где возможна круглогодичная пастьба овец, должны иметь страховой запас кормов - в основном грубых.
Стойлово-пастбищное содержание и кормление овец. Эту систему в основном применяют в регионах с продолжительным зимним периодом при наличии пастбищ, непригодных для зимнего использования. Летом животных содержат на естественных или долголетних культурных пастбищах. Зимой в непогоду, а иногда и летом овец содержат в овчарнях и кормят из кормушек, устанавливаемых в открытых загонах (базах) при овчарнях или лагерях. Лагерь представляет собой участок, огороженный щитами с навесом у одной из сторон. Лагерь располагают поблизости от колодцев, запасов грубых и сочных кормов и посевов кормовых культур. Участок выбирают из расчета 4 м2 на 1 голову.
Овчарни или кошары обычно располагают буквой П, чтобы место выгона овец было защищено от ветра. Пол в кошарах делают земляной или глинобитный: овец содержат на несменяемой подстилке, к которой следует постоянно добавлять свежую солому. Овцы хорошо переносят холод, поэтому температура в кошаре может находиться в пределах от 5 0С для тонкорунных овец до - 3 0С для романовских; влажность воздуха должна быть не более 80 %. В ясную безветренную погоду овец выгоняют на выгоны (базы).
Зимнее содержание и кормление овец. С пастбищного кормления на стойловое овец переводят постепенно, в течение 7...10 дней. За 1...1,5 недели до начала стойлового содержания продолжительность пастьбы постепенно сокращают. Животных содержат в базах или овчарнях и скармливают сено и небольшое количество концентратов. Зимой овец поят из поилок с автоматическим подогревом воды, установленных в овчарне.
2. Организация и технология стрижки овец.
Сроки стрижки овец зависят от природно-климатических условий и породы животных. Стрижку тонкорунных и полутонкорунных овец проводят 1 раз в год, как правило, весной, так как тонкая и полутонкая шерсть ценится не только по тонине, но и по длине. Молодняк этих пород стригут в возрасте 1 года, когда их шерсть достигает необходимой длины. Первую стрижку овец с неоднородной шерстью проводят в 5...6-месячном возрасте и получают поярковую шерсть.
Грубошерстных овец стригут 2 раза в год, весной и осенью.
Не допускается стричь овец до наступления весенней устойчивой погоды, иначе остриженные овцы могут простудиться. Нельзя также затягивать сроки стрижки, так как овцы страдают от жары, у подсосных маток резко снижается удой, что непосредственно отражается на здоровье молодняка. Запаздывание со стрижкой грубошерстных овец приводит к потере части шерсти, так как с наступлением теплой погоды животные линяют, теряя самое ценное волокно - пух. Осенью стрижку рекомендуется заканчивать в сентябре, чтобы животные могли обрасти до наступления зимних холодов.
Подготовка к стрижке, организации стригальных пунктов. Овец стригут на стригальных пунктах, построенных по типовым проектам. При отсутствии типовых стригальных пунктов приспосабливают имеющиеся в хозяйстве помещения. На стригальном пункте необходимо иметь отделения для стрижки овец, классировки и упаковки шерсти, лабораторию по определению выхода чистой шерсти и склад.
Стригальные пункты бывают стационарными или передвижными. Применение передвижных пунктов предохраняет овец от лишних перегонов, а пастбища от вытаптывания. Существует также скоростной способ стрижки, при котором овец стригут не на столах-стеллажах или столах-тележках, а непосредственно на полу.
Проведение стрижки. Отары овец поступают на стрижку в том составе, в каком они закреплены за бригадой чабанов. Подсосных маток с ягнятами стригут по сакманам. На время стрижки ягнят отде¬ляют от маток. За 12...14 ч до стрижки овцам не дают корм и воду, чтобы они легче переносили стрижку. Стрижку начинают с наименее ценных животных. Если в хозяйстве имеются овцы разных по качеству шерсти пород, то стрижку начинают с грубошерстных овец, а заканчивают тонкорунными. Если имеются только тонкорунные овцы, то стрижку начинают с молодняка. Стригали, не имеющие опыта стрижки, проходят специальные курсы.
Зоотехнические требования к стрижке овец. При стрижке необходимо соблюдать следующие требования: работать только исправной и отрегулированной стригальной машинкой; осуществлять захват шерсти на полную ширину гребенки и не допускать перекосов машинки; не оставлять на теле животного несрезанную шерсть и не допускать подстрижку шерсти; обеспечить сохранность (целостность) руна; не допускать порезов кожи овцы и грубого обращения с животными.
Стрижку начинают с живота, затем поворачивают овцу, переходят на бок, а потом на спину.
Шерсть с тонкорунной или полутонкорунной овцы должна быть снята в виде руна. Шерсть с головы, хвоста, внутренней поверхнос¬ти ляжек и с ног овцы состригают и кладут отдельно. Снятое руно по конвейеру подается на весы, а затем на стол, где классировшик оп¬ределяет качество и длину шерсти. Затем руно свертывают и упако¬вывают в тюки.
Технология обработки овец после стрижки. После стрижки овец внимательно осматривают, места порезов смазывают дезинфици¬рующей жидкостью, при необходимости подрезают копыта. Боль¬ных овец изолируют в отдельные помещения, а здоровых выпуска¬ют на баз. Несколько первых дней стриженных овец нельзя далеко отгонять от кошар, чтобы в случае похолодания, дождя, сильного ветра быстро загнать животных в помещение.
Для лечения и профилактики кожных болезней, в частности че¬сотки, овец через 2...3 недели после весенней стрижки обрабатывают дезинфицирующим раствором, используя для этой цели стационарные и передвижные опрыскиватели, а также бассейны.
Схема технологического процесса показана на рисунке 7.4.
Рис.7.4. Схема технологического процесса стрижки овец и обработки шерсти.
3. Овцеводческие комплексы и откормочные механизированные площадки.
При производстве продукции овцеводства на промышленных фермах и комплексах учитываются следующие основные принципы:
– максимальное производство продукции с единицы земельной площади;
– резкое повышение (в 2...3 раза) производительности труда;
– снижение себестоимости продукции;
– повышение качества продукции.
Промышленная прогрессивная технология включает в себя концентрацию отрасли и специализацию производства, интенси¬фикацию кормопроизводства и полноценное кормление живот¬ных, строительство крупных комплексно-механизированных ферм, высокий уровень квалификации обслуживающего персона¬ла, внедрение наиболее прогрессивных форм организации произ¬водства.
Промышленная технология производства продукции овцевод¬ства базируется на следующих основных принципах:
1. Создание прочной и устойчивой кормовой базы за счет коренного и поверхностного улучшения естественных кормовых угодий, организации многолетних культурных пастбищ, расширения площадей под кормовыми культурами на прифермских участках и в по¬левом кормопроизводстве, рационального использования сенокосов и пастбищ, применения рациональной системы пастьбы овец.
2. Интенсификация кормопроизводства - улучшение технологии заготовки, переработки и хранения кормов, подготовки их к скармливанию.
3. Кормление овец в стойловый период кормами, приготовленны¬ми с использованием промышленных методов.
4. Использование животных, имеющих высокий генетический по¬тенциал продуктивности и крепкую конституцию, пригодных к эксплуатации в жестких условиях индустриального производства.
Откормочные площадки. По производственному назначению, интенсивности использования и технико-экономическим показа¬телям можно выделить фермы-плошадки двух основных типов ис¬пользования:
1) сезонного (летнего и осеннего) - для откорма сверхремонтного молодняка и взрослых выбракованных овец;
2) круглогодового - для откорма и выращивания молодняка.
Площадка сезонного использования представляет собой баз с навесом и водопойным местом, огороженный по всему периметру или его части односторонней кормушкой. Площадки размещают на участке с уклоном не менее 6° для отвода дождевых вод и разбивают на секции. На базу из простых конструкций строят теневой навес с кровлей из асбоцементных листов для отдыха животных. Высота навеса 1,8...2 м. На базу устанавливают автопоилки на 50...60 голов и односторонние кормушки, регулируемые по высоте в зависимос¬ти от возраста и размеров откармливаемых животных.
Площадки круглогодового использования в летний период предназначены для выращивания и интенсивного откорма сверхре¬монтного молодняка, а в зимний период - для содержания ремонт¬ного молодняка. Площадка круглогодового использования состоит из двух зон: производственной и подсобно-вспомогательной. В производственной зоне располагают две облегченные овчарни на 5 тыс. мест каждая и кормовой навес для приготовления рассыпных кормосмесей, силосо - и сенажехранилища, склад для гранулиро¬ванных кормов и др. Между овчарнями и кормовым навесом пре¬дусматривают выгульные дворы, огороженные с торцевых сторон глухой изгородью из асбоцементных листов.
На площадках обоих типов предусматривают механизированную раздачу кормов с помощью мобильных средств, поэтому все подъездные пути и кормовые проезды имеют твердое покрытие. Для уборки навоза используют трактор с бульдозером-навеской.
При отъеме ягнят в 4-месячном возрасте маток зимнего и весеннего сроков ягнения и полученный от них молодняк ставят на откорм соответственно в июле-августе. При отъеме в 2-месячном возрасте комплектование ферм-площадок проводят в конце мая-июня. Длительность содержания на площадках сверхремонтного молодняка при раннем отъеме от маток составляет 135...150 дней. Откармливаемый молодняк реализуют в 7-месячном возрасте в ноябре. Стрижку поярка проводят с применением гребенки высокого среза за 1,5...2 месяца до сдачи на мясо или непосредственно перед сдачей. К этому времени живая масса ягнят тонкорунных пород достигает 38...42 кг. Взрослое поголовье содержат на площадке в течение 60...70 дней. При хорошем кормлении живая масса животных увеличивается за это время на 8...12 кг и они достигают высоких кондиций упитанности.
На площадках поголовье делят по группам в соответствии с полом, возрастом и развитием. Величина групп молодняка текущего года рождения в одном загоне может достигать 1000 голов. На фермах-площадках круглогодового использования площадь база на одно животное при откорме взрослых овец составляет 3 м2. Под навесами и в овчарнях в летнее время на одно животное приходится 0,3 м2 площади.
При откорме взрослых животных на одну овцу должно приходиться не менее 35 см кормового фронта, а на одну голову молодняка - 25...30 см. Овцы должны быть обеспечены водой со свободным доступом к ней в любое время суток.
В летний период на фермах-площадках эффективен откорм овец свежескошенной зеленой массы с подкормкой концентрированными кормами.
В осенний период рацион может состоять из грубых сочных и концентрированных кормов следующей структуры (кг): сено – 0,5, силос - 3...3,5, корнеплоды - 1, концентраты - 0,5 или сено – 1, силос – 4.
Размеры овцеводческих предприятий представлены в таблице 7.1.
Таблица 7.1. - Размеры овцеводческих предприятий разного производственного назначения, тыс. голов.
|
Назначение предприятия |
Направление продуктивности |
|
|
|
Тонкорунное и полутонкорунное |
Шубно-шерстное и мясо-молочное |
Каракульское и мясо-сальное |
|
|
Специализированные: маточные ремонтного молодняка откорма молодняка и взрослого поголовья Неспециализированные с законченным оборотом |
3; 6; 9 3; 6; 9 5; 10; 20 1,5; 3; 6; 9 |
0,5; 1,2 1; 2 1; 2; 4 1; 2; 3 |
3; 6; 9 3; 6; 9 5; 10; 20 1,5; 3; 6; 9 |
Тема 3.8. Поточные технологические линии в животноводстве
План:
1. Понятие поточной технологии производства продукции.
2. Поточные технологические линии.Производительность машин и установок.
3. Основные условия осуществления поточной автоматизированной технологии в животноводстве.
1. Понятие поточной технологии производства продукции.
Технология – совокупность методов, применяемых в процессе производства для получения готовой продукции.
Технологический процесс – совокупность технологических операций, выполняемых планомерно и последовательно во времени и пространстве над однородными или аналогичными материалами или объектами.
Промышленная технология производства – совокупность взаимосвязанных способов и приемов изготовления определенного продукта на базе применения средств комплексной механизации и автоматизации.
Промышленная технология предполагает поточное производство.
Поточное производство – передовой метод организации производства при котором обеспечивается согласованность и непрерывность производственного процесса путем разделения производственного процесса на отдельные, относительно короткие операции, выполняемые на поточных линиях.
Поточная линия – комплекс машин взаимосвязанных и работающих в определенном (заданном) ритме по единому технологическому процессу.
Поточным называют такой метод производства, при котором операции закреплены за определенным оборудованием, которое расположено в порядке выполнения операций, а обрабатываемый продукт (объект) переходит с одной операции на следующую сразу после выполнения предшествующей операции.
Основная техническая политика в области механизации животноводства – переход от производства и применения отдельных машин к созданию и применению их комплектов, ПТЛ, позволяющих перевестиживотноводство на промышленную основу.
Поточная линия в животноводстве существенно отличается от поточной линии в промышленности, так как включает в себя животных. Воздействие животных неравномерно, нерегулярно, случайно и это накладывает свой отпечаток на функционирование всей ПТЛ.
Наиболее просто электрифицировать и автоматизировать работу стационарных машин, образующих поточную линию. Поэтому комплексную механизацию производственных процессов в животноводстве предпочитают строить на базе электрифицированных стационарных машин.
ПТЛ - это система взаимосвязанных самоходных и стационарных электрифицированных машин, которые в определенной последовательности обрабатывают и передают продукт.
Основной структурной единицей материально – технической базы на фермах и комплексах является ПТЛ как организационная форма эффективного использования средств механизации и автоматизации.
2. Поточные технологические линии.Производительность машин и установок.
Под ПТЛ в животноводстве следует понимать совокупность целесообразно расставленных, в соответствии с технологической последовательностью, машин, оборудования и обслуживаемых животных в сочетании с животноводческими помещениями и инженерно – строительными сооружениями, совместно обеспечивающих поточно-непрерывное или поточно-прерывное выполнение данного технологического процесса.
В животноводстве преобладают поточно-прерывные, т. е. циклические процессы.
ПТЛ должны:
1. Осуществлять технологические процессы с минимальными затратами труда, энергии, средств.
2. Полностью удовлетворять зооветеринарным требованиям
3. Быть максимально надежными.
4. Обслуживать все поголовье животных на ферме.
5. Отвечать требованиям техники безопасности и экологическим требованиям.
Автоматизированные ПТЛ
Автоматизированные ПТЛ могут быть: сблокированными (с жесткой связью) и с гибкой связью (рис.9.1.).
Число машин входящих в автоматизированные ПТЛ, определяется исходя из технологического процесса и из конструктивных соображений.
Чем длиннее линия и больше она имеет машин, тем при всех прочих равных условиях она менее надежна в работе. Поэтому для сокращения простоев и повышения эксплуатационной надежности автоматизированные ПТЛ обычно разбивают на отдельные участки.
ПТЛ могут быть со сходящимися потоками и с параллельным соединением.
Так, потребление корма (воды и др.) неравномерно во времени, что накладывает свой отпечаток на поточность этой линии.
Ритм потока – это равномерное повторение выхода продукта через определенные промежутки времени.
Электрические схемы поточных линий (также и линий приготовления и раздачи кормов) довольно сложны. Здесь необходимо учитывать, что наиболее рациональный пуск группы электрических двигателей по схеме лавинного пуска, т. е. включение двигателей происходит с задержкой во времени. Установлено, что при лавинном пуске электрических двигателей общее снижение напряжения на 20 % меньше, чем при одновременном пуске.
При разработке электрических схем управления ПТЛ необходимо учитывать следующие основные требования:
1. Электрические двигатели всех последовательно соединенных машин нужно включать в порядке, обратном направлению движения продукта, а останавливать по направлению движения продукта во избежание завала машин продуктом
2. При аварийной остановке одной из машин поточной линии, должны останавливаться все машины, загружающие вышедшую из строя. Машины, разгружающие ее, должны продолжать работать.
3. Оборудовать сигнализацию, которая должна следить за состоянием машин, за отклонением параметров от нормы и т. д.
4. Предусматривать защиту электрооборудования от перегрузок и вредных воздействий.
Набор машин превращается в поточные линии в случае объединения их в единое целое, с центральным управлением и автоматизацией.
Производительность машин и установок.
Производительностью машин называют объем работы или количество продукции установленного качества, выполненные в единицу времени (Q).
Теоретическая производительность (QT) – количество продукции, которое способна выдать машина в единицу времени, если она будет работать непрерывно с номинальной нагрузкой в течение определенного времени, когда затраты времени на выполнение внецикловых операций равны нулю (т. е. это расчетное или плановое количество продукции, получаемое в единицу времени).
В зависимости от единицы времени Q бывает: секундной, часовой, сменной, суточной и т. д.
Виды производительности
- теоретическая (плановая, расчетная) QT;
- технологическая QTЕХН – за час чистой работы;
- цикловая QЦ – за цикл;
- техническая QTЕХ – при полной работоспособности машин, не учитывая затраты времени на проведение ТО, подготовительно–заключительные операции и т. п.
Операционная (эксплуатационная, фактическая) производительность определяется с учетом всех видов потерь времени
- на подготовительно – заключительные операции;
- на техническое обслуживание;
- на простои по организационным причинам (прекращение подачи энергии, перебои в подачи топлива, кормов и т. д.);
- простои по техническим причинам (поломки, нарушение регулировки и т. д.).
Наработка машины (ПТЛ) – производительность машины (ПТЛ) в течение анализируемого времени (года, сезона, месяца):
Прямая наклонная линия показывает, что при бесперебойной работе машины до времени t1, количество продукции пропорционально времени.
(
- простой)
Фактическая производительность
,
где
- сменное время;
и
– время работы и простоев.
3. Основы расчета ПТЛ.
Суммарное суточное задание QC определяют так:
,
где
- разовое количество продукта;
– количество животных разного вида, типа;
– коэффициент суточной кратности потока;
(кормление – 3х кратное, доение - 2х кратное).
Или:
,
где
– суточная норма в расчете на одно животное.
Производительность должна быть такой, чтобы требуемый объем
был выполнен в установленный зоотехнический срок
, т. е.
.
Это величена является основной для подбора машин. Потребное количество машин:
,
где
- часовая производительность машин, т/ч;
- коэффициент использования рабочего времени машин
Для вновь проектируемых ПТЛ находим требуемую производительность машин:
.
Ритмом (шагом) потока r ПТЛ называется интервал времени, через который линия или машина выпускают единицу готовой продукции:
, ч/т,
где
-
операционное время, затрачиваемое на производство партии (единицы) продукции,
ч;
–
партия продукции, т.
Тактом (темпом) Т потока называют величину обратную ритму:
.
Пример: МТФ за сутки дает 20т молока, тогда:
ритм
равен
, ч/т,
такт
равен
, т/ч.
Машины сложно подобрать по производительности. Кроме того, чаще полный поток подачи отличается от потока расхода, в следствие чего образуется их разность, называемая регулирующей массой.
.
Вместимость промежуточной емкости ПТЛ (компенсатора) будет тем больше, чем больше разность между потоками подачи и расхода. Если регулирующая масса достигает своего max значения, то процесс приостанавливается и обращается в разрывный. Линия, работающая в разрывном режиме, должна иметь регулирующую емкость, рассчитанную на размещение max значения полного потока, т. е.:
.
Вместимость компенсатора:
, м3,
где
-
полный (max) поток расхода, м3/ч;
–
средний поток подачи, м3/ч;
–
время расхода, ч .
Пример:
=2ч,
=5
м3,
=1 м3,
м3..
Для
бесперебойной работы ПТЛ кроме регулирующей емкости требуются запасные емкости
(на
случай непредвиденных простоев):
,
где
-
производительность ПТЛ, т/ч;
-
продолжительность работы на запасе сырья (материала)
=3…30, ч;
-
объемная масса, т/м3 ;
-
коэффициент заполнения емкостей, К=0,7…0,9.
Полная емкость бункера (бака):
V=Vрег+Vзап, м3.
3. Основные условия осуществления поточной автоматизированной технологии в животноводстве.
1. Наличие высокопродуктивных животных, подобранных в соответствии с требованиями машинной технологии.
2. Новейшие прогрессивные объемно – планировочные решения, отвечающие требованиям промышленной технологии производства животноводства.
3. Разработка ферм с конвейерным содержанием животных (для крупного рогатого скота).
4. Создание ферм – автоматов (свиноводческие и птицеводческие).
5. Замена мобильных транспортных средств непрерывными автоматизированными транспортерами.
6. Создание непрерывных, поточно–автоматических линий раздачи кормов, поения, уборки и переработки навоза, получения и обработки продукта.
7. Обеспечение надежной биологической защиты птицы (микроклимат).
8. Резкое повышение уровня технической эксплуатации оборудования и надежности его работы, создание систем централизованного и диспетчерского управления производством.
Тема 3.9. Технологии и машины для заготовки кормов
ПЛАН:
1. Агротехнические требования и технологические схемы заготовки кормов.
2. Инновационные технологии и машины, современные технологии для заготовки силоса и сенажа.
3. Косилки и косилки-плющилки.
4. Грабли. Подборщики, стогообразователи и погрузчики.
5. Технология прессования тюков
6. Машины и оборудование для прессования тюков.
7. Технология прессования силосных культур
8. Машины для уборки трав и силосных культур
1. Агротехнические требования и технологические схемы заготовки кормов.
Зеленый конвейер - это организация бесперебойного снабжения животных зеленым кормом в течение всего пастбищного периода в размерах, полностью удовлетворяющих потребность скота.
Зеленый корм считается биологически наиболее полноценным для животных. В пастбищный период молодняк животных всех видов нормально развивается, приобретает устойчивость к заболеваниям. Зеленый корм наиболее дешевый. Себестоимость животноводческой продукции в летний период в 1,5—2 раза ниже, чем в зимний.
Культуры зеленого конвейера должны отвечать следующим основным требованиям: давать стабильный высокий урожай зеленой массы высоких кормовых достоинств и хорошо поедаемой животными, иметь разные сроки годности к стравливанию, оказывать благоприятное действие на здоровье и продуктивность животных, быть пригодными к механизированной уборке, давать дешевый корм.
Основными культурами зеленого конвейера во многих районах являются многолетние травы: из бобовых — клевер луговой, гибридный и ползучий (на пастбище), люцерна, эспарцет, донник; из злаковых — тимофеевка луговая, ежа сборная, кострец безостый, овсяница луговая, канареечник тростниковый, житняк и др. Ежа, кострец, могут давать ранний зеленый корм. Травы высевают в чистом виде и в смесях.
Из ранних яровых культур в зеленый конвейер включают вику яровую, горох, кормовой люпин, чечевицу, чину, рапс, райграс однолетний, горчицу, яровые хлеба в зависимости от местных условий.
Из пропашных культур в зеленый конвейер включают корнеплоды, капусту, бахчевые, топинамбур.
Различают три типа зеленого конвейера: 1. естественный при использовании только природных пастбищ и сенокосов; 2. искусственный при использовании сеяных многолетних и однолетних трав, кормовых культур; 3. комбинированный, при использовании естественных и культурных пастбищ, а также полевых кормовых культур.
Смешанный тип конвейера получил наибольшее распространение во всех зонах нашей страны. Основную часть зеленого корма в этом случае животные получают с культурных пастбищ и естественных угодий, в периоды плохого отрастания трав—с посевов многолетних и однолетних трав и культур.
При построении зеленого конвейера важно правильно недобрать кормовые культуры, способные обеспечить бесперебойное поступление зеленого керма в течение пастбищного периода.
При организации зеленого конвейера важно определить способ использования травостоя. Известны три способа: пастбищный, стойловый и комбинированный. Пастбищный способ предусматривает стравливание травы на корню, он дешевле остальных. Стойловый способ предполагает скармливание свежескошенной массы в кормушках; он требует дополнительных средств на скашивание, транспортировку и раздачу массы, но зеленая масса лучше поедается. При комбинированном способе пастьба сочетается с подкормкой зеленой массой в кормушках. Внедрение зеленого конвейера способствует бесперебойному обеспечению скота полноценным кормом в течение всего летнего сезона.
2. Инновационные технологии и машины, современные технологии для заготовки силоса и сенажа.
Технологии уборки силосных культур и заготовки зеленых кормов заключаются в совмещенном выполнении операций скашивания растений, измельчения и за-грузки массы в транспортное средство одной машиной - кормоуборочным комбайном.
Технологии приготовления сенажа и заготовки сена повышенной влажности в измельченном виде
отличаются от предыдущих тем, что в начале производится скашивание трав и укладка их в валки дляп ровяливания, а затем производится подбор массы из валка, ее измельчение и загрузка в транспорные средства. На первом этапе работы выполняются валковой косилкой-плющилкой, на втором - кормоуборочным комбайном.
Качество сена и сенажа значительно улучшается, а потери снижаются при интенсификации сушки
скошенных трав. Это достигается такими операциями, как плющение трав, ворошение и оборачивание валков, выполняемыми ротационными граблями-ворошилками. В приготовленном по такой технологии сенаже содержание кормовых единиц увеличивается в 1,5 раза.
ВНИИКОМЖ проводит работы по созданию комплекса машин для выполнения указанных технологий заготовки кормов. На основании анализа конструкций отечественных и зарубежных машин, а также проведения теоретических и экспериментальных исследований, были обоснованы оптимальные кинематические и геометрические параметры рабочих органов кормоуборочных машин: ротационных косилок и граблей-ворошилок, кондиционеров, кормоуборочного комбайна.
Результаты этих исследований были использованы при разработке конструкций кормоуборочных
машин совместно с некоторыми машиностроительными заводами.
Так, совместно с Тульским комбайновым заводом были разработаны и внедрены в производство ротационные двухроторные грабли-ворошилки ПН-600 и ПН-610 захватом 4,2 и 5,0 м.
На Людиновском машиностроительном заводе также освоено производство ротационных граблей-
ворошилок: однороторных ГР-Ф-3,6 захватом 3,6 м и двухроторных ГВД-Ф-6,0 захватом 6 м. Модернизированные двухроторные грабли ГВД 1-Ф-6,0 выпускаются ОАО "Нефтекамский автозавод" (Башкорто-стан).
Таким образом созданы базовые модели семейства универсальных граблей-ворошилок захватом 3;
4,2 и 6 м. Совместно с Люберецким заводом сельхозмашиностроения выполнены работы по оснащению ротационных косилок динамического действия, которые позволяют снизить потери корма на 2025%. В дальнейшем предусматривается создание семейства многобрусных ротационных косилок.
Существенное развитие в последнее время получила технология заготовки грубых кормов в прессованном виде. Свою лепту в развитие рулонной технологии внес и ВНИИКОМЖ, который разработал пресс-подборщик ПР-1200 Эта конструкция освоена производством на заводе ОАО "Нефтекамский автозавод".
Большую актуальность имеют работы по завершению комплексной механизации рулонной технологии созданием погрузчиков, транспортировщиков и раз-датчиков кормов из рулонов животным. На перспективу должны быть направлены работы в сравнительно новом направлении в кормопроизводстве - заготовке грубых кормов в крупных прямоугольных тюках массой 300-500 кг.
3. Косилки и косилки-плющилки.
Косилки для скашивания естественных и сеяных трав в зависимости от рельефа местности бывают различных видов. По типу режущего аппарата они делятся на колики с пальцевым режущим аппаратом и косилки с ротационным режущим аппаратом.
Они могут быть навесными (на трактор или самоходное шасси) или прицепными. Основной рабочий орган таких косилок - стальной пальцевый брус шириной захвата 2,1 м. Выпускаются одно-, двух - и трехбрусные косилки.
Режущий аппарат однобрусной косилки навешивают на колесный трактор или самоходное шасси справа (средненавесная косилка), сзади (задненавесная косилка) илиспереди (фронтальная косилка). Режущие аппараты двух- и трехбрусных косилок располагают с выносом вправо.
Косилка скоростная КС-2,1 — однобрусная навесная, предназначена для скашивания естественных и сеяных трав, а также для уборки бобовых культур на скоростях до 12 км/ч. Ее основные сборочные единицы: рама, режущий аппарат с рычагом подъема 3, тяговая штанга 2 с шарниром башмака и кронштейном наклона, шпренгель 10, шатун, привод, навесное устройство 9.
Режущий аппарат состоит из пальцевого бруса 15 и ножа 14. Брус представляет собой стальную полосу переменного сечения, на которой закреплены пальцы 13. Нож имеет спинку, сегменты и головку. Сегменты — стальные пластинки трапецеидальной формы с острыми боковыми гранями, они приклепаны к спинке, изготовленной из полосовой стали. К спинке в свою очередь приклепана головка, соединяющая шатун с ножом.
Нож режущего аппарата приводится от карданного вала трактора с помощью шкива-эксцентрика, клиноременной передачи, закрытой кожухом 8, и коробки ведущего шкива, а шкив-эксцентрик с помощью кривошипно-шатунного механизма преобразует вращательное движение эксцентрика в возвратно-поступательное движение ножа. Шатун металлический сборный, один его конец соединен пальцем шатуна с головкой ножа, а другой через навинчивающийся шток — с пальцем шкива-эксцентрика.
Для качественного среза травы необходимо, чтобы при крайнем левом или крайнем правом положении кривошипа оси симметрии сегментов совпадали с осями симметрии пальцев режущего аппарата. Это достигается изменением длины шатуна путем его навинчивания на державку или свинчивания с нее. Допускаемое отклонение от соосности не более 3 мм.
На концах пальцевого бруса установлены внутренний 12 и наружный башмаки. Под башмаками крепятся стальные полозки, по которым во время работы режущий аппарат скользит, копируя поверхность поля. С помощью полозков (поднимая или опуская их) можно регулировать высоту среза травы в пределах 5-7 см. К наружному башмаку шарнирно прикреплена полевая доска с отводными прутками, сдвигающими срезанную траву влево и образующими проход для внутреннего башмака при последующем прокосе. На внутреннем башмаке закреплены направляющие для движения головки ножа и пруток 11 для отвода травы влево от головки. Производительность косилки 2,5 га/ч при скорости движения 12 км/ч.
Косилка двухбрусная полунавесная КДП-4служит для скашивания естественных и сеяных трав на скоростях до 9 км/ч. Косилка работает в агрегате с колесными тракторами типа Т-40 или «Беларусь», оборудованными раздельно-агрегатной гидросистемой. Основные сборочные единицы и механизмы: сварная рама, кронштейн навески, два режущих аппарата с механизмом подъема, тяговый предохранитель и механизм привода с трансмиссией. Раму присоединяют с правой стороны в двух точках — к скобе прицепа трактора и к лонжеронам с помощью кронштейна навески. Полевая часть рамы опирается на пневматическое колесо. Чтобы облегчить и ускорить присо единение косилки к трактору, на передней стороне рамы имеется домкрат винтового типа, а на задней — стойка с опорной плитой. Режущие аппараты стандартные, нормального резания, унифицированные с режущим аппаратом косилки КС-2,1. Они поднимаются выносными гидроцилиндрами. Производительность косилки 3,4 га/ч прискорости 9 км/ч.
Косилка ротационная навесная предназначена для скашивания как сеяных, так и естественных высокоурожайных полеглых и сильно перепутанных трав. Ее можно использовать также для подкоса травы на пастбищах, скашивания бурьяна и мелкого кустарника. Агрегатируется с колесными тракторами. Косилка состоит из рамы-навески, подрамника, режущего аппарата с полевыми делителями, механизмами блокировки тягового предохранителя и привода.
Рама представляет собой трехплечий рычаг с кронштейнами, установлена на механизме навески трактора. На раме крепят предохранитель и подрамник, предназначенный для смещения режущего аппарата за габариты трактора.
Режущий аппарат состоит из четырех дисковых роторов 1, на которых шарнирно закреплено по два пластинчатых ножа 2 с двумя рабочими кромками каждый. Роторы вращаются попарно навстречу друг другу. Привод рабочих органов от вала отбора мощности трактора — через карданную или клиноременную передачу, конический редуктор и шестерни на вертикальных осях. Поднимается режущий аппарат гидроприводом трактора. Косилка оснащена тяговым предохранителем. Он состоит из двух тяг с клиновыми фиксаторами, которые удерживаются в зацеплении с помощью пружин. При достижении критических нагрузок пружина сжимается, клиновой фиксатор выходит из зацепления и тяга разъединяется, поворачивая косилку вокруг оси -а 30-45°.
Косилки-плющилки. Один из путей повышения качества как отмечалось ранее,— ускорение сушки скошенных трав в поле до требуемой влажности (сена — 25 %, сенажа — 50-55 %). Сушку трав в поле можно значительно ускорить путем использования косилок — плющилок, позволяющих сократить продолжительность естественной сушки зеленой массы до 4-6 часов, вместо 2-4 дней при использовании обычных косилок.
Косилка-плющилка прицепная применяется для скашивания, одновременного плющения стеблей и укладки массы в валок или в расстил. Основные сборочные единицы косилки: рама 1, ротационный аппарат 4, плющильные вальцы 5, механизм уравновешивания трансмиссии 2.
Режущий аппарат состоит из шести дисковых роторов, в каждом из которых шарнирно закреплены два пластинчатых ножа. Роторы установлены в корпусе основного бруса и вращаются попарно навстречу друг другу. Брус закреплен на раме косилки. Снизу он закрыт крышкой и снабжен башмаками, с помощью которых аппарат опирается на почву.
Механизм уравновешивания состоит из пружин, уравнивающих давление башмаков на почву. Плющильный аппарат представляет собой вращающийся верхний и нижний ребристые вальцы. Давление между ними регулируют, перемещая верхний валец с помощью специальных пружин.
Режущий аппарат поднимается и опускается гидросистемой. Рабочие органы приводятся от вала отбора мощности трактора.
Косилка-плющилка может работать на полях с высокой урожайностью, с полеглым и перепутанным травостоях на повышенных скоростях (до 15 км в час).
Самоходная валковая косилка-плющилка Е-301 предназначена для скашивания трав с одновременным плющением и укладкой плющеной массы в валок или в расстил.
Машина состоит из шасси, жатки сплошного среза, плющильного аппарата с валкообразующим устройством, механизма привода и транспортной тележки жатки.
Основа машины — самоходное шасси, на котором смонтированы дизель Д-50, трансмиссия, плющильный аппарат и кабина водителя с механизмами управления рабочими органами и приборами контроля. На переднюю часть шасси с помощью верхних и нижних подъемных рычагов навешивается жатка 1 сплошного среза. Жатка выполнена в виде платформы с боковинами. На платформе смонтированы: режущий аппарат 2 нормального резания, мотовило 8 и шнек 3. Режущий аппарат 2 состоит из двух ножевых полотен с насеченными сегментами и такими же противорежущими пластинами. Привод ножей от механизма качающихся шайб с обеих сторон жатки.
Над режущим аппаратом расположено четырехграбельное мотовило с пружинными пальцами. Мотовило можно регулировать относительно режущего аппарата в вертикальной и горизонтальной плоскостях. Шнек 3 изготовлен в форме трубы с приваренными витками левого и правого вращения. Его можно перемещать относительно днища жатки в вертикальной и горизонтальной плоскостях. Для транспортировки жатку отсоединяют от шасси и укладывают на четырехколесную тележку, прицепляемую к машине.
Плющильный аппарат состоит из двух ребристых, одинаковых по длине и диаметру вальцов 4 и 5, сжатых между собой пружинами. За вальцами устанавливают валкообразующее устройство, состоящее из двух щитков 6 и 7. Щитки можно раздвигать и сближать, получая необходимую ширину валка.
Ширина захвата косилки-плющилки 4,26 м. Производительность 4,2 га за 1 ч чистой работы при скорости движения 10 км/ч.
Преимущества и недостатки разных типов косилок. Косилки с пальцевым режущим аппаратом обеспечивают точный и ровный срез, имеют низкую потребность в мощности (около 2 кВт на метр ширины захвата), не загрязняют кормовую массу, сравнительно дешевы. Недостатком этого типа косилок является низкая производительность (около 0,45 га в расчете на час и метр ширины захвата), частая заточка и смена ножей, высокая опасность забивания при кошении полеглых и густых трав, частые механические повреждения и высокие затраты на обслуживание. Дисковые косилки обладают более высокой производительностью (около 0,9 га в расчете на час и метр захвата), высокой надежностью, практически не забиваются, быстрая замена ножей и настройка вальцев плющилки, простота обслуживания. Недостатком дисковых косилок является: повышенные требования к тяговой силе (около 12 кВт на метр ширины захвата), повышенная опасность травм (частое попадание посторонних предметов), возможное загрязнение кормовой массы, высокая стоимость.
4. Грабли. Подборщики, стогообразователи и погрузчики.
Для сгребания сена из прокосов в валки применяют боковые и поперечные тракторные грабли. Валки, образованные боковыми колесно-пальцевыми граблями, располагаются вдоль движения агрегата, а поперечные грабли сгребают сено в поперечные валки. Грабли агрегатируются с тракторами типа Т-25,Т-40 и «Беларусь» всех модификаций, обслуживающий персонал - один тракторист.
Грабли-валкообразователи колесно-пальцевые прицепные(рис. 6.4) предназначены для сгребания сена, провяленных и свежескошенных трав из прокосов в валки, а также для ворошения и оборачивания валков с целью ускорения их сушки.
Граблисостоят из левой и правой секций одинаковой конструкции, соединенных сцепкой9. Каждая секция может работать самостоятельно. В ее состав входят рама 2, опорная труба, передний 3 и задний 4 брусья, три опорных пневматических колеса 1, пальцевые рабочие колеса 7 и винтовой механизм подъема. На каждой секции установлено по шесть рабочих колес и дополнительно два центральных пальцевых колеса 5. Все пальцевые колеса имеют пружинную подвеску, что обеспечивает копирование микрорельефа поверхности поля.
Для сгребания сена в валок раму каждой секции устанавливают так, чтобы грабли образовывали угол, направленный раствором вперед, а пальцевые колеса располагались под углом 45° к линии движения агрегата. При ворошении сена в прокосах секции должны быть соединены со сцепкой так, чтобы образовывался угол, направленный раствором назад . Оборачивают валки одной секцией — правой или левой, установив ее углом вперед.
Грабли-ворошилка роторные ГВР-6,0Бпредназначены для сгребания провяленной и свежескошенной травы из прокосов в валки, ворошения сена в прокосах, оборачивания и разбрасывания валков.
Грабли состоят из двух роторов 1, 7, смонтированных на раме двухколесных опорных тележек, левой и правой поперечин 3, 5, сницы 9 и валкоформирующих щитков 8, 13. На снице смонтирован цилиндрический редуктор 10 и карданный вал привода 11 от вала отбора мощности трактора.
Ротор состоит из корпуса, зубчатой передачи, направляющих профилированных дорожек и граблин, снабженных пружинными пальцами. Каждый ротор опирается на два колеса, имеющих телескопические стойки. Подъем и опускание роторов осуществляются гидроцилиндрами.
Граблины с пружинными пальцами с помощью кулачка, перемещающегося по круговой дорожке, при вращении ротора поворачиваются из вертикального положения в горизонтальное и обратно. Кулачки можно устанавливать в два положения -сгребание или ворошение.
Вращение роторов осуществляется клиноременной передачей от конических редукторов.
При работе роторы с граблинами вращаются навстречу один другому. Граблины вращаются вместе с ротором и одновременно копирующим механизмом поворачиваются вокруг своей оси. Поэтому пальцы граблин вначале опускаются на поверхность и сгребают траву к центру, а затем поднимаются вверх и выходят из соприкосновения с валком. Скорость вращения роторов задается в зависимости от вида работы переключением передач с помощью цилиндрического редуктора. При сгребании зубья граблин подхватывают спереди лежащую скошенную траву и сбрасывают ее между роторами, образуя непрерывный валок.
При ворошении травы в прокосах или разбрасывании сена из валков кулачки устанавливают в режиме «ворошение» и увеличивают обороты ротора. В этом случае граблины подхватывают впереди лежащую массу из прокоса или валков и разбрасывают ее сзади роторов. При движении граблей по одному валку с включенным ротором в режиме «сгребание» валок оборачивается, а при движении по двум смежным валкам,расположенным на расстоянии до 5 м, их можно сдвигать. Ширину валка регулируют валкообразующим щитком в пределах 1,0-1,4 м.
Ширина захвата граблей 5 м, рабочая скорость до 12 км/ч, производительность при сгребании 7 га/ч, при ворошении 5 га/ч.
Широкозахватные грабли для образования валков.Основой для высокой произвольности прессов, полевых подборщиков - измельчителей или кормоуборочных комбайнов при заготовке силоса, сенажа или сена являются прямые, равномерные, хорошовспушенные большие валки. Валкообразователи, например, компании GLAAS прекрасно справляются с этой задачей (рис. 6.6). Грабли LINER 1550TWIN являются универсальной машиной (рис. 6.6, а). Грабли можно отрегулировать таким образом,что они будут укладывать скошенную траву в два валка. Это необходимо делать в том случае, если корма очень много и его надо быстрее провялить. Можно настроить и на образование одного большого валка. Например, валкообразователь укладывает траву в один большой валок для мощного полевого измельчителя с большой производительностью. Одним из основных узлов граблей валкообразователей LINER является механизм управления захватами зубьев, размещенный в герметично закрытой головке, в которой стальные направляющие ролики вращаются в консистентной смазке или в масле. Благодаря этому, они совершенно не нуждаются в техническом обслуживании. Направляющие ролики движутся по большой криволинейной дорожке и на них действуют небольшие отталкивающие силы. Вследствие этого они имеют мягкий ход в любых рабочих условиях и тем самым заметно продляют срок службы криволинейной дорожки. Прочное крепление опор зубов в головке обеспечивает максимальный срок службы механизма.
Грабли LINER 1550 TWIN имеют ширину захвата 6,8-7,5 (в зависимости от установки), частота вращения вала отбора мощности 540 об/мин. Количество рабочих колес 2. Для формирования одного большого валка с большой площади при уборке, например, трав кормоуборочным комбайном JAGAR фирма GLAAS выпускает грабли LINER 3000 с шириной захвата 9,9-12,5 м и 4 рабочими колесами.
Подборщики, стогообразователи и погрузчики
Ранее для подбора сена из валков, сформированных конными или тракторными перечными граблями, для копнения и перевозки использовали конные волокуши. Затем на смену им пришли тракторные подборщики- копнители, которые подбирали сено из валка, формировали круглую копну и укладывали ее на поле. В настоящее время для подбора, транспортировки и выгрузки травы, сена, силоса, сенажа или соломы применяют крупнотоннажные подборщики - полуприцепы.
Подборщик-полуприцеп ТП-Ф-45 предназначен для подбора подвяленной травы (влажностью до 45 %), сена и соломы из валков, транспортирования собранной массы к месту хранения и ее механической выгрузки. Подборщик снабжен устройством предварительного измельчения массы. Тележка-подборщик ТП-Ф-45 стоит из рамы 1, смонтированной на двухосном колесном ходу 4, камеры-емкости, обраразованной двумя боковинами 2, передней и задней 14 стенками, тента 13, выгрузного транспортера 3, подборщика 6, набивающего механизма 5, сницы 8, привода рабочих органов 9, гидросистемы 11, тормозной системы 10 и электрооборудования 12. Все механизмы подборщика-полуприцепа приводятся в действие от вала отбора мощности и гидросистемы трактора.
Технологический процесс работы агрегата осуществляется следующим образом. При перемещении тележки-подборщика трактором по валку масса перехватывается пружинными пальцами подборщика и подается в набивающий механизм, который проталкивает ее в камеру прессователя, где масса уплотняется и проталкивается далее в емкость полуприцепа. При заполнении массой передней части емкости до упора в канаты тента включается транспортер и масса перемещается в глубь полуприцепа. В процессе работы для окончательного заполнения емкости транспортер выгрузки по мере набора массы включается 3-4 раза.
После заполнения камеры-емкости полуприцепа подборщик поднимается, привод отключается и тележка транспортируется трактором к месту разгрузки. На месте разгрузки открывают заднюю стенку полуприцепа и, включив выгрузной транспортер,. массу выгружают.
Устанавливаемый на тележке-подборщике режущий механизм, состоящий из 16 ножей, работает во взаимодействии с механизмом набивателя. Он позволяет измельчать массу на частицы длиной до 100 мм. Ножи режущего механизма подпружинены, что исключает их поломку при попадании инородных включений и перегрузках за счет выхода ножей из зоны резания. Через каждые 500 т подобранной массы ножи затачивают. Режущий механизм при необходимости может быть выключен. При этом он отводится назад. Подъем сницы, подборщика, тента и задней стенки осуществляется гидроцилиндрами, управляемыми специальным гидрокраном. Продольный транспортер приводится в действие гидромотором, включаемым в работу от гидросистемы трактора. Подборщик-полуприцеп оснащен сигнализатором заполнения емкости массой, сблокированным со звуковым сигналом трактора, а также имеет фонари световой сигнализации.
Подборшик-полуприцеп может быть использован для перевозки силоса и других кормов.
Ширина захвата подборщика 1,6 м. Рабочая скорость до 9 км/ч. Вместимость кузова 45 м3, Грузоподъемность 5 т. Объем камеры подборщика 12 м, масса сформированной копны 300-400 кг.
Погрузчик фронтальный П-Ф-0,5 применяют для скирдования сена и соломы, а также для укладки копен в транспортные средства. Может быть использован для выгрузки навоза и силоса из буртов. Основные сборочные единицы: грабельная решетка, рама подъема 8 с двумя гидроцилиндрами 9 одностороннего действия, тяги 7 и раскосы 10.
Грабельная решетка состоит из вертикальной сварной пустотелой опорной рамы 11 с горизонтальными пальцами, сталкивающей стенки 2 и захватывающего устройства 4, представляющего собой прижимную шарнирную рамку с когтевыми зубьями. На шарнирной рамке установлены три выносных гидроцилиндра, один из которых поднимает захватывающее устройство, а два других передвигают сталкивающую стенку.
Рама 8 подъема представляет собой две сварные балки переменного сечения, соединенные двумя поперечными пустотелыми балками жесткости. Задняя стенка рамы подъема соединена с опорной рамой 11, нижняя часть которой опирается на кронштейны полуосей трактора. Для уравновешивания погрузчика служит ковш 12, в который загружают балласт (до 900 кг).
При работе опускают вниз грабельную решетку, поднимают в верхнее положение прижимную рамку и переводят в заднее положение механизм сталкивания сена. Трактор движется в сторону массы, и решетка заполняется сеном. После заполнения решетки прижимная рамка опускается на набранную порцию и зажимает ее. После этого грабельный аппарат слегка поднимают, агрегат отъезжает назад и отрывает порцию сена от общей массы. В таком положении он подъезжает к скирде, поднимает эту порцию и при открытой верхней прижимной рамке сталкивающей стенкой сбрасывает ее на скирду. Затем агрегат отъезжает от скирды и направляется за следующей порцией.
Стогометатель навешивают на тракторы типа МТЗ. Рабочими органами управляет с помощью гидросистемы трактора.
Производительность агрегата 18 т/ч, максимальная высота подъема копны 7 м.
Стогообразователь СПТ-60предназначен для подбора валков сена и соломы с образованием стогов. Он состоит из рамы-платформы на двухосном пневматическом ходу, подборщика 1, вентилятора-швырялки 2, стогообразующей камеры 6 с крышей-прессом 4 и задней стенкой 7, сталкивающего механизма с рамкой 3 и цепью 8, пневмотрубопроводов и гидравлической системы с гидроцилиндрами 5.
При движении агрегата пальцы подборщика 1 захватывают сено из валка и подают к вентилятору 2. Вращающийся ротор вентилятора швыряет массу в камеру 6 стогообразователя и равномерно распределяет по всему объему. При наполнении камеры агрегат останавливают, включают гидроцилиндры 5, которые опускают крышу-пресс 4 и уплотняют сено. Затем вновь включают агрегат на подборку сена и после заполнения камеры снова уплотняют массу.
Процесс прессования повторяют 3-4 раза до полного формирования и уплотнителястога. Сформированный стог выгружают на поле, для чего платформу наклоняют, поднимают заднюю стенку 7, включают привод сталкивающей рамки 3 и медленно продвигают агрегат вперед. Стогообразователь СПТ-60 формирует стог массой до 5,4т.
Прицеп-стоговоз СП-60предназначен для подбора и перевозки стогов сена и соломы,сформированных стогообразователем СПТ-60, к месту их хранения. Он состоит из платформы 10, транспортера 12, гусеничного хода, гидроцилиндра 11 и привода. Для самозагрузки стоговоз подводят задним ходом к торцу стога и гидроцилиндром 11 переводят платформу в наклонное положение. Включив привод на транспортер 12 и гусеничный ход, стог 9 постепенно затягивают на платформу 10. После транспортировки на место хранения стог выгружают транспортером, изменив -управление его движения на противоположное.
5. Машины и оборудование для прессования тюков
Для прессования сена в тюки применяют мобильные пресс-подборщики ППЛ-Ф-1,6 и ПР-Ф-75,0 и др. Они подбирают сено из валков, образованных боковыми или поперечными граблями, и прессуют его в тюки, обвязывая в два обхвата. Подбор тюков с поля осуществляется подборщиком тюков ПТ-Ф-500.
На месте хранения прессованное сено скирдуют с помощью фронтального погрузчика. Уложенные в скирды тюки укрывают слоем соломы 0,8-1 м.
Пресс-подборщик ППЛ-Ф-1,6предназначен для подбора сена (или соломы) из валков, прессования его в тюки прямоугольной формы с автоматической обвязкой тюков шпагатом. Пресс оснащен лотком для погрузки тюков в прицеп или сбрасывания на поле. Пресс-подборщик ППЛ-Ф-1,6 состоит из следующих основных сборочных единиц подборщика 2, прессовальной камеры 8, с вязальным аппаратом 6, поршня с шатуном 9, главной карданной передачи 1 с редуктором 10, механизма упаковщиков 3, лотков для параллельной погрузки 4 и выгрузки 5 на поле тюков и ходовой части 7.
Основная часть пресс-подборщика — прессовальная камера. В ней формируются тюки сена, и одновременно она служит рамой машины.
На прессовальной камере крепятся все детали и сборочные единицы пресса. Внутри прессовальной камеры, в средней ее части, к боковинам болтами закреплены уголки, которые вместе с салазками на днище камеры служат направляющими поршня. Поршень с опорными роликами совершает по ним возвратно-поступательное движение. За каждый рабочий ход поршень уплотняет подаваемые упаковщиками в камеру сено или солому и проталкивает тюк вдоль камеры. Входное отверстие в прессовальную камеру во время рабочего хода поршня автоматически перекрывается заслонкой.
Через пазы в боковинах поршня проходят иглы вязального аппарата во время вязки тюка. К поршню прикреплен нож-отсекатель, а к прессовальной камере — противорежущий нож. Нож-отсекатель обрезает охвостья сена у каждой подаваемой порции. Зазор между ножом и противорежущим ножом должен быть не более 0,8 мм. На лобовой стенке поршня закреплены пластины, которые во время прессования создают повышенные местные давления на сено в местах его связывания, чтобы предупредить разрыв шпагата. Шатун упаковщиков шарнирно соединен с шатуном поршня, что обеспечивает синхронность работы поршня и упаковщиков. Последние во время холостого хода поршня подают отдельные порции сена в прессовальную камеру, в которой размещены защелки, удерживающие сено в спрессованном состоянии.
Сзади прессовальной камеры расположен регулятор плотности, принцип работы которого основан на изменении выходного отверстия прессовальной камеры по высоте. Прессовальная камера постепенно сужается к выходу, поэтому тюк в ней защемляется, образуя упор для следующего тюка. Плотность тюка регулируется вращением рукоятки с целью получения необходимой плотности прессования.
Вязальный аппарат состоит из литой рамы, крючков-узловязателей, зажимов, прижимов и направляющих предохранителей, механизма включения, двух игл и механизма привода. Его устанавливают вверху средней части прессовальной камеры.
Подборщик-транспортер шарнирно присоединен к камере шнека. Он собран из каркаса, верхнего ведущего вала, нижнего вала, транспортера с пружинными зубьями, прижимных полос и опорного колеса. Сверху транспортер вместе с валами закрыт хомутами. Они одновременно являются столом транспортера, по которому пружинные зубья перемещают сено под витками шнека. Подъем и опускание подборщика осуществляются выносным гидроцилиндром, работающим от гидросистемы трактора.
Механизм подачи сена в прессовальную камеру состоит из поперечного цепочно-планчатого транспортера и упаковщиков в виде плоских пальцев, прикрепленных к кривошипам. Концы пальцев упаковщиков движутся по эллиптической траектории, входят в слой сена по вертикали и подают его в прессовальную камеру во время холостого хода прессующего поршня. Ходовой частью пресса служат два пневматических колеса.
Привод рабочих органов машины осуществляется от вала отбора мощности трактора.
При движении пресс-подборщика в агрегате с трактором вдоль валка пружинные зубья транспортера подхватывают сено из валка и подают его на цепочно-планчатый транспортер и далее пальцами упаковщика в прессовальную камеру. В результате возвратно-поступательного движения поршень проталкивает поданные упаковщиком порции сена и прессует их.
Поршень продвигает очередную порцию сена за защелки прессовальной камеры, которые удерживают формируемый тюк в прессованном состоянии после отхода поршня назад. По мере продвижения спрессованной массы сена по камере она вращает мерительное колесо, и как только колесо сделает один оборот, включается в работу вязальный аппарат и сформированный тюк обвязывается шпагатом в два обхвата.
Связанные тюки продвигаются последующими тюками к выходу из прессовальной камеры на лоток. Для изменения направления выхода тюков из прессовальной камеры на конце ее устанавливается клин. Перестановка клина позволяет направлять тюки в лоток для погрузки в транспортные средства или в каток для сброса их на поле.
Пресс-подборщик оснащен предохранительной (обгонной) муфтой, установленной на маховике. При резком превышении нагрузок на механизмы происходит срезание шпильки маховика и механизмы пресс-подборщика останавливаются. Ширина захвата подборщика 1,6 м. Производительность до 15 т/ч. Плотность прессования 80-180 кг/м.
Пресс-подборщик рулонный безременный ПР-Ф-750предназначен для подбора сена (или соломы) из валков, прессования его в тюки цилиндрической формы и автоматической обмотки шпагатом.
Пресс-подборщик ПР-Ф-750 состоит из подборщика 7, основания камеры с колесным ходом 9, прессовальной камеры, включающей заднюю 23 и переднюю 25 части и механизм прессования 27, карданной передачи 34, гидросистемы 35, тормозной системы 2 и электрооборудования. Сено в рулоны формируется в прессовальной камере постоянного объема при помощи механизма прессования 27, сделанного в виде двух замкнутых цепочных контуров, соединенных между собой поперечными скалками, на концах которых установлены опорные ролики. В зависимости от вида и характера прессуемой массы плотность рулона можно регулировать механизмом регулирования плотности прессования 4. При сжатии пружин механизма плотность прессования увеличивается, при уменьшении сжатия — снижается. По достижении заданной плотности в рулоне срабатывает звуковой или световой сигнал. Все механизмы пресс-подборщика защищены от поломок при перегрузках и неисправности агрегата предохранительными муфтами (муфта привода, муфта подборщика).
Перед началом работы необходимо правильно отрегулировать положение подборщика относительно поверхности земли и механизма вывески подборщика. Плавность подъема и опускания регулируется натяжением или ослаблением пружины механинизма вывешивания. В рабочем положении расстояние от конца пружинных зубьев подборщика до поверхности пола ровной площадки при горизонтальном положении сницы 7 должно быть 10-20 мм.
Работает пресс-подборщик следующим образом. Агрегат направляют таким образом, чтобы валок проходил строго между колесами трактора. Масса из валка подхватывается пружинными пальцами подборщика и подается в прессовальную камеру, где нижними вальцами и скалками механизма прессования закручивается в рулон. С помощью прижимной решетки осуществляется предварительное уплотнение рулона. После достижения заданного объема и плотности прессования формируемого рулона от переднего вальца подается сигнал трактористу для подачи шпагата в камеру прессования.
Обмотка рулона и обрезка шпагата происходят автоматически при остановленном агрегате. После обмотки рулона шпагатом тракторист открывает прессовальную камерус помощью гидроцилиндра и путем вращения нижних вальцов сбрасывает рулон на землю. Прессовальная камера закрывается, и цикл повторяется.
В процессе формирования рулона плотность его сердцевины меньше, чем на периферии, что позволяет досушивать сено в поле при благоприятной погоде или стационаре с помощью активного вентилирования. Производительность до 18 т/ч. Плотность прессования 100-200 кг/м. Масса рулона 450-750 кг. Агрегатируется с тракторами МТЗ всех модификаций, ЮМЗ-6.
Пресс-подборщик рулонный фирмы GLAAS благодаря своей прочной конструкции, идеально подходит для наиболее высокой пропускной производительности при прессовании как сена, соломы, так и сенажа с постоянной высокой плотностью прессования.
Специальные профильные валики предотвращают пробуксовывание тюков и потери, связанные с крошением сухой массы корма. Прессующие валики смонтированы на подвижном качающемся сегменте на задней крышке, при работе вдавливают массу внутрь камеры пресса, обеспечивая более высокую плотность прессования. Эта конструкция позволяет добиться более раннего начала вращения тюков и более равномерного распределения слоев при прессовании во время процесса уплотнения. Даже при очень сухой соломе или сене и высоких температурах воздуха, предотвращается простой техники.
При упаковке тюка используют сетку, что позволяет экономить много времени как при работе в поле, так и при растаскивании тюка на ферме.
Фирма предлагает две модели хорошо зарекомендовавших себя. Привод подборщика и механизма прессования осуществляется с помощью коробки передач от вала отбора мощности трактора. Всегда сохраняется точная синхронность хода при сгребании прессуемого материала, формирование его в тюк и связывание. Техническое обслуживание пресса ограниченно до минимума.
Небольшие аграрные предприятия предпочитают скашивание трав производить навесными дисковыми косилками с дальнейшим подбором скошенной массы из сформированных валков и транспортировку к месту хранения или раздачи корма. При заготовке трав на сено скошенную массу подвергают естественной сушке в поле. Для ускорения сушки часто осуществляют ворошение или разбрасывание скошенной травы, особенно при высокой урожайности и больших валках, а также при переменчивой погоде, что может значительно ускорить сушку. Однако следует заметить, что этот прием сушки оборачивается минусом при ненадлежащей технологии уборки, так как каждая дополнительная обработка влечет за собой дополнительные потери (около 1,5 % от сухой массы). Одновременно каждая дополнительная технологическая операция увеличивает опасность загрязнения корма и перерасход горючего.
Высушенное сено подбирают и прессуют в рулоны или в прямоугольные тюки. В отличии от рулонных пресс-подборщиков, машина для квадратных тюков позволяет регулировать плотность и размеры тюка. Выходные габариты и масса получаемого ока намного меньше, что позволяет разгружать и раздавать сено не только с помощью техники, но и вручную. Поэтому эта технология предназначена, в основном, для использования в небольших фермерских хозяйствах, где низкий уровень механизации. В целом эксплуатационные преимущества тюковых прессов по сравнению с рулонными весьма значительны. Погрузка, транспортировка и хранение тюков прямоугольной формы намного проще.
6. Технология прессования силосных культур
Силосование - один из распространенных и надежных способов консервирования зеленых кормов. По сравнению с другими способами силосование в меньшей мере зависит от погодных условий.
Успех консервирования зеленых кормов зависит как от агротехнических, так и от технологических приемов. К числу таких приемов относятся: определение силосуемости растений, установление оптимальных сроков их уборки, регулирование влажности сырья, сроков закладки и температурного режима, приемов уплотнения и герметизации силосуемой массы, использование препаратов для улучшения качества и сохранности питательных веществ, проведение организационно-технических мероприятий и др.
Силосование кормов
Основные силосные культуры в хозяйствах - кукуруза, подсолнечник и их смеси с бобово-злакрвыми травами, однолетние горохово-вико-злаковые смеси, многолетние злаковые травы, отходы овощеводства и др.
Все эти растения характеризуются высокой степенью силосуемости. К моменту силосования они имеют, как правило, избыточную влажность, которая в значительной мере отрицательно отражается на качестве силоса и величине потерь. Поэтому одна из задач при организации силосования кормов - выбор оптимальной фазы развития растений и использования приемов снижения их влажности.
Оптимальные сроки уборки на силос кукурузы - конец молочного состояния и восковая спелость зерна, викогорохово-овсяных смесей - фаза восковой спелости зерна в первых двух нижних ярусах бобов, подсолнечника - от начала до 50%-ного цветения, корзинок, многолетних злаковых трав - фаза колошения. Промедление с уборкой силосных культур отрицательно сказывается на качестве силоса. Если, например, питательность 1 кг сухого вещества злаковых трав в фазе выхода в трубку составляет 0,95-1,0 корм. ед., то в фазе цветения - около 0,70 корм. ед. при одновременном резком снижении содержания переваримого протеина и витаминов.
Технология заготовки силоса
Силосование зеленых кормов повышенной влажности, как правило, сопровождается большими потерями питательных веществ с вытекающим соком. Кукуруза в период молочной спелости имеет влажность 82-87%, поэтому потери массы с соком достигают 30%, а силос имеет низкое качество. Регулировать влажность и силосуемость сырья можно с помощью совместного силосования высоковлажного сырья с сухими компонентами, смешанных посевов силосных культур с зернофуражными и бобовыми культурами, провяливания силосуемого сырья.
Для предотвращения потерь с вытекающим соком целесообразно добавлять в силосуемую массу соломенную резку. При влажности массы 85% и выше необходимо добавлять 15-20% сухой измельченной соломы, при влажности сырья 80% - 10-12%. В этом случае влажность готового силоса будет в пределах 70-75%.
Заготовка силоса
Силосование можно проводить послойно. На дно траншеи укладывают измельченную солому слоем 40-50 см, затем слой зеленой массы 30-40 см и опять слой соломы. Каждый слой соломы и зеленой массы тщательно перемешивают и уплотняют бульдозером с одновременным внесением различных консервирующих препаратов.
Использование при заготовке силоса смешанных посевов культур повышенной влажности (кукуруза, подсолнечник) с овсом, горохово-вико-овсяными смесями - эффективный способ снижения потерь, влажности и кислотности силоса, а также повышения его питательности.
Однолетние и многолетние бобово-злаковые травосмеси целесообразно предварительно провяливать до влажности 70-75%. Силос из подвяленной массы имеет более благоприятные биохимические и органолептические показатели, чем силос из трав с высокой влажностью.
Величина потерь с вытекающим соком зависит и от размера частиц резки. При влажности массы в пределах 75% величина резки может быть более мелкой (до 30 мм), при влажности 80% и выше измельчение должно быть более крупным (до 50 мм и более).
При загрузке траншей нельзя допускать заезда транспортных средств на ранее уложенную силосуемую массу. Массу лучше сгружать в конце траншеи и бульдозером перемещать в нужное место. Это предотвратит загрязнение корма землей и значительно ускорит разгрузку транспорта.
При силосовании сырья влажностью до 75% зеленую массу надо сильно уплотнять с самого начала и до конца загрузки хранилища. Это необходимо для быстрого вытеснения воздуха из массы, предотвращения ее разогревания, меньшей осадки корма и более рационального использования хранилищ. Ежедневно после окончания работ массу необходимо дополнительно уплотнять не менее 3-4 ч, особенно у стен траншеи. Необходимо следить за тем, чтобы в период закладки не повышалась температура массы, т. к. это ведет к резкому снижению переваримости, особенно протеина.
Силосование
При силосовании массы с избыточным содержанием воды (80% и выше) без добавления соломы трамбовку следует проводить умеренно, лишь в процессе ее укладки и разравнивания по поверхности траншеи. Дополнительно уплотнять такую массу не следует, т. к. это приводит к повышенным потерям за счет вытекания сока.Срок закладки одного хранилища высотой 3-3,5 м и емкостью 2-3 тыс. т не должен превышать четырех дней. После заполнения траншеи массу быстро укрывают полиэтиленовой пленкой и слоем земли или торфа толщиной до 10 см.
Особое внимание следует уделять правильному формированию поверхности бурта, с тем, чтобы атмосферные осадки не задерживались в углублениях и не проникали в глубину массы. Края пленки вдоль стен траншеи надо тщательно заделывать грунтом в виде полосы шириной 25-30 см и толщиной около 15 см. Способ укрытия имеет исключительно важное значение для качества и сохранности корма.
Однолетние и многолетние бобово-злаковые травы в ранние фазы развития имеют повышенную влажность и относятся к группе трудносилосующихея трав. Для получения из них доброкачественного силоса целесообразно в сухую жаркую погоду перед силосованием подвяливать травосмеси до влажности 70-75%. Это особенно важно, когда нельзя приготовить сенаж, тем более сено. Рекомендуется добавлять в силосуемую массу химические консерванты из расчета: пиросульфит натрия 4-5 кг/т, бензойную кислоту 3-4 кг/т, муравьиную 4-5 л/т, пропионовую 4-5 л/т или уксусную 5 л/т. Консерванты можно добавлять во все виды силосуемой массы, а в трудносилосующиеся культуры добавлять 2-3% мелассы, растворенной в 3-5-кратном количестве воды. Эти культуры рекомендуется силосовать в смеси с кукурузой, подсолнечником и другими легкосилосующимися культурами, которые содержат избыточное количество легкосбраживаемых сахаров и мало протеина. Поэтому для обогащения силоса азотом можно использовать мочевину из расчета 4-5 кг/т (2,3 кг азота), одно- и двухзамещенные фосфорнокислый аммоний и натрий (1,2-2,2 кг/т), сернокислый натрий и аммоний (4-5 кг/т).
Химические консерванты, вносимые в силосуемую массу влажностью до 75%, необходимо растворять в воде в соотношении 1:3. При силосовании кукурузы и другого сырья влажностью более 80% химические консерванты вносить нецелесообразно.
СИЛОСОВАНИЕ В РУКАВА
Любой вид сельскохозяйственного корма может быть сохранен в полимерных рукавах. Процесс силосования начинается прямо после наполнения рукава, при этом значение pH стремительно понижается, что позволяет сохранять качество кормов на высоком уровне. Потери в таком случае получаются на уровне 3%, редко достигая значения 5%.
Силосование оказывает очень большое влияние на повышение производственной эффективности кормового рациона и, не в последнюю очередь, на экономичность производства молока. Результатом является наибольшая экономия по сравнению с хранением силоса в силосных ямах. Производственные затраты полностью окупаются за счет сохранения качества кормов. Заготавливают в пластиковых мешках кормовое зерно, кукурузу, силос кукурузный и сорговый, сенаж одногодичный и многолетний жом, люцерну и др.
Оптимальные условия консервирования и низкие потери питательных веществ достигаются благодаря моментальному прекращению доступа воздуха (холодное брожение), надлежащему уплотнению силосной массы, отсутствию потерь силоса в поверхностных и крайних пластах силосной массы, поглощению силосного сока в рукаве, уменьшению потерь питательных веществ, что является возможным при повторном брожении. Сохранение силоса в полимерных рукавах является наиболее благоприятным методом для воспрепятствования попадания кислорода в корм.
Процесс силосования осуществляется следующим образом:
Кормовой материал при помощи перевозчиков зеленой массы доставляется к силосному прессу и выгружается на закладочный стол. Погруженная масса на ленте-транспортере подается на прессовочный ротор. Ротор прессует кормовой материал и закладывает его в полимерный рукав. При этом силосуемая масса уплотняется. После того, как мешок полностью набивается, его сразу герметизируют. Свежий качественный корм извлекают по мере надобности на протяжении всего года.
7. Машины для уборки трав и силосных культур
|
|
Косилка ротационная навесная серия 2850 предназначена для скашивания высокоурожайных и полеглых трав на повышенных поступательных скоростях с укладкой скошенной массы в покос. |
|
|
|
Косилка ротационная прицепная Berkut предназначена для скашивания полеглых и высокоурожайных трав (даже при условии, что урожайность свыше 150 ц/га) на повышенных поступательных скоростях (9-18 км/ч), предусмотрено одновременное плющение скошенной массы с укладкой её в валок |
|
|
|
Измельчитель соломы Kiwi Измельчитель соломы Kiwi многофункционален в своем использовании |
|
|
|
Грабли роторные навесные Kolibri производят тщательное сгребание трав из прокосов в ровные валки, легкое ворошение скошенной массы в прокосах, оборачивание, разбрасывание и сдваивание валков сена |
|
|
|
Грабли роторные прицепные Kolibri Duo необходимы, если Вы хотите получить образцовый корм и при этом избежать даже минимальных потерь |
|
|
|
Пресс-подборщик рулонный Pelikan предназначен для подбора валков сена естественных и сеянных трав или соломы, прессования их в рулоны с последующей обмоткой шпагатом |
|
|
|
Пресс-подборщик рулонный Pelikan Max предназначен для подбора валков сена естественных и сеянных трав или соломы, прессования их в рулоны цилиндрической формы с последующей обмоткой шпагатом |
|
|
|
Прицепной кормоуборочный комбайн Sterh компании KLEVER предназначен для получения кормов высокого качества |
|
|
|
Косилка ротационная навесная Strige самая легкая косилка в своем классе – её вес составляет всего 420 кг. Это позволяет ей работать с минимальным расходом топлива и давления на почву, а так же копировать рельеф поля. |
|
|
|
Косилка роторная с кондиционером SapSun поможет Вам добиться образцового качества сена. Она создана для работы с высокоурожайными и полеглыми травами |
|
|
|
Пресс-подборщик тюковый Tukan создан с этой целью: он подбирает валки сена естественных и сеяных трав или соломы, прессует травяную массу в прямоугольные тюки и обвязывает их шпагатом. |
|
|
|
Картофелесажалка Л-201 Предназначена для рядковой посадки непророщенных клубней картофеля на медкоконтурных участках. Картофелесажалка состоит из следующих основных узлов: рамы, опорно-приводных колес, высаживающих аппаратов, сошников, бороздозакрывателей, загрузочного бункера, |
|
|
|
Картофелесажалка Л-202 Предназначена для рядковой посадки непророщенных клубней картофеля. Картофелесажалка состоит из следующих основных узлов: рамы, опорно-приводных колес, высаживающих аппаратов, сошников, бороздозакрывателей, загрузочного бункера, редуктора изменения густот |
|
|
|
Измельчитель рулонов Н-186 Измельчитель рулонов Н-186 предназначен для измельчения круглых рулонов соломы сена и зеленой массы |
|
|
|
Комбинация косилок GigaCUT Комплекс косилок GigaCUT состоит из навесных дисковых двухсторонних косилок KDD 860 или 940 |
|
|
Навесные обмотчики Z-274, Z-274/1 Навесные обмотчики Z-274 и Z-274/1 предназначены для малых и средних сельских хозяйств |
|
|
|
Самозагрузочная Z-281 Обмотчик рулонов Z-281 имеет боковой разгрузочный грейфер, который обеспечивает быструю и эффективную работу |
|
|
|
Самозагрузочная Z-557 В 2002 году мы ввели на рынок наиболее современный, самозагружающийся полунавесной обмотчик рулонов Z-557 |
|
|
|
Обмотчик рулонов MAJA Z-583 Обмотчик рулонов MAJA Z-583 является самозагружающейся прицепной машиной |
|
|
|
Крупногабаритный пресс-подборщик Пресс-подборщик крупногабаритный высокой степени прессования является высокопроизводительной машиной |
|
|
|
Пресс-подборщики серии CLASSIC Серия Classic - это простые и дешевые машины, гарантирующие постоянную и надежную работу |
|
|
|
Пресс-подборщики серии FARMA Серия Farma - это пресс-подборщики, предназначенные для уборки соломы и сена |
|
|
|
Пресс-подборщики FARMA II Серия Farma II - это специально разработанные модели пресс-подборщиков для более требовательных фермеров П |
|
|
|
Пресс-подборщик POWER CUT Система Power Cut основана на резке собранного материала перед прессованием |
|
|
|
Тюковые прессы Z-224 Пресс-подборщики тюковые Z-224 - это машины, предназначенные для уборки соломы и сена |
|
|
|
Прицепы для перевозки рулонов от 7 до 13 тонн Прицепы для перевозки рулонов от 7 до 13 тонн |
|
|
|
Самозагрузочная Тележка T-150/1 Тележка T-150/1 является универсальным самозагружающимся низкорамным прицепом грузоподъемностью 6,5 т. |
|
|
|
Смеситель-раздатчик MIKS T-614 Смеситель-раздатчик MIKS T-614 объемом в 10 м3, предназначен для сельских хозяйств с поголовьем от 50 коров |
|
|
|
Смесители-кормораздатчики WP Смесители-кормораздатчики предназначены для приготовления и раздачи кормов |
|
|
|
Роторные косилки Дисковые косилки с нижним приводом PRERIA Z-184 используются для кошения всех зеленых культур |
|
|
|
Валкообразователи однороторные Однороторные валкообразователи идеальное решение для малых и фермерских хозяйств |
|
|
|
Ворошилки Ворошилки с рабочей шириной захвата 5,3 м или 6,50 м для фуражной массы, предназначены для разбрасывания покоса и для оборачивания зеленой и сохнущей фуражной массы |
Тема 3.10. Технологические схемы обработки кормов.
План
1. Способы и технологические схемы обработки кормов.
2. Измельчение, как процесс образования новых поверхностей.
3. Классификация, устройство и рабочий процесс молотковых дробилок.
1. Способы и технологические схемы обработки кормов.
При скармливании кормов животным они должны отвечать определенным зоотехническим требованиям по степени их измельчения:
1. Размеры частиц соломы и сена:
для коров - 30 – 40 мм;
для лошадей - 15 – 25 мм;
для овец - 10 – 20 мм.
2. Толщина резки корнеклубнеплодов:
для коров - 10 – 20 мм;
для свиней - 5 – 10 мм;
для птицы мм.
3. Размеры концентрированных кормов:
для к. р.с. - 2 – 3 мм;
для свиней, птицы - мм (мелкий помол);
1.0 – 1.8 мм (средний помол).
4. Раз.меры частиц сенной муки:
для животных - 2 мм;
для птицы - 1.1 мм.
Технологический процесс обработки и подготовки кормов зависит от их вида и зоотехнических требований, предъявляемых к ним.
Все способы обработки кормов разделяют на 4 основные группы: механические, тепловые, химические и биологические.
Химическая подготовка предусматривает обработку с применением химических веществ.
Биологический способ основан на деятельности различных видов микроорганизмов с целью консервации кормов или улучшения их качества.
Тепловая обработка улучшает усвояемость кормов и уничтожает вредные бактерии и грибки.
Иногда применяют совмещенные способы обработки кормов (одновременно сочетают измельчение и запаривание и т. д.).
I. Грубые корма обрабатывают по одной из следующих схем:
1. резка.
2. резка (измельчение) – смешивание.
3. резка – запаривание – смешивание.
4. резка – обработка химическими реактивами – смешивание.
5. резка – сушка – размол в муку – смешивание.
II. Для обработки корнеклубнеплодов существуют такие схемы:
1. мойка – резка (иногда только мойка).
2. мойка – запаривание – смешивание.
3. мойка – запаривание – мятие – смешивание.
4. мойка – резка – запаривание – смешивание.
Первые два варианта применяются только при кормлении к. р.с., третий и четвертый – при кормлении свиней.
III. Концентрированные корма приготавливают по следующим схемам:
1. очистка – замачивание (запаривание).
2. очистка – дробление.
3. очистка – дробление – смешивание.
4. очистка – дробление – дрожжевание – смешивание.
2. Измельчение, как процесс образования новых поверхностей.
Измельчением называется процесс разделения твердого тела на части механическим путем, т. е. путем приложения внешних сил, превосходящих силы молекулярного сцепления. В результате измельчения образуется множество мелких частиц с сильно развитой поверхностью.
Образование новых поверхностей составляет основное содержание всякого процесса измельчения. Другими словами: измельчение – процесс производства новых поверхностей частиц корма.
Для сравнения развитости поверхности частиц сыпучих материалов пользуются величиной удельной поверхности Sуд.
Удельной поверхностью называется суммарная поверхность всех частиц, заключенных в единице массы (м2/кг) или объема (м2/м3).
Куб с ребром L
Объем куба = L3 Площадь куба = 6L
Удельная поверхность для куба:
![]()
Чем меньше L, тем больше Sуд.
Однако, для энергетической оценки процесса измельчения знания удельной поверхности недостаточно. При этом требуется знать степень измельчения.
Степенью
измельчения λ материала называется отношение средних размеров D кусков
исходного материала к среднему размеру d частиц продукта измельчения, т. е.:
.
С
уменьшением размеров частиц удельная поверхность возрастает, поэтому степень
измельчения равна отношению удельной поверхности частиц конечного продукта Sк к
удельной поверхности кусков исходного материала Sн, т. е.:
.
В теории измельчения, кроме относительных величин, также используют абсолютные значения вновь образованной при измельчении поверхности, определяя приращение удельной поверхности:
,
м2/кг или м2/м3.
Энергоемкость процесса измельчения зависит от выбора способа воздействия рабочих органов машин на материал.
Схемы различных способов измельчения кормов.
1. Плющение(по этому принципу работают вальцевые зерноплющилки).
а) б)
Рис. 10.2. Схемы плющения кормов:
а– поверхностью; б – вальцами.
Зерно m расплющивается гладкими поверхностями n1 и n2 под действием сил Р (а), или попадая в зазор h, увлекается вращающимися вальцами и расплющивается (б) (Рис.10.2.).
2. Крошение (жмыходробилки)
|
|
|
а) б) |
|
Рис. 10.3. Схемы крошения корма: а – вальцами; б – зубчатыми поверхностями. |
Продукт крошится зубьями вращающегося рабочего органа под действием силы Р (а), или разрушается двумя зубчатыми поверхностями под действием сил Р (б) (Рис.10.3.).
3. Разлом или истирание (вальцевые зернодробилки, кукурузные дробилки).
|
|
|
а) б) |
|
Рис. 10.4. Схемы истирания (разлома) корма: а – зубчатыми поверхностями; б – зубчатыми вальцами. |
Зерно m подвергается сдавливанию силами Р и одновременному перетиранию в результате движения одной поверхности относительно другой (а) или вращающимися зубчатыми вальцами
4. Измельчение ударом (молотковые дробилки).
Зерно разбивается на лету быстро вращающимися, шарнирно подвешенными молотками
Все измельчающие машины должны удовлетворять следующим основным требованиям (не зависимо от способа измельчения):
1. равномерность измельчения.
2. возможность регулировать степень измельчения.
3. наименьший расход энергии.
4. быстрое удаление измельченного продукта из рабочей зоны машины.
5. непрерывная разгрузка машины.
6. легкая замена быстро изнашивающихся деталей.
7. наименьшее пылевыделение.
Метод определения степени измельчения кормов.
В практике сельскохозяйственного производства для определения средневзвешенного диаметра частиц используют ситовой анализ. Ситовой анализ – это рассев сыпучего материала с целью определения его гранулометрического состава.
Для рассева применяют сита с различными диаметрами отверстий.
Средневзвешенный
диаметр частиц (мм):
.
В
производственных условиях степень размола определяется по ГОСТу 8, подсчитывая
модуль помола (мм):
,
|
|
|
Рис.10.6. Схема классификатора |
где Р0 - остаток на поддоне, %;
Р1;Р2;Р3 – остатки на ситах с отверстиями диаметром 1; 2 и 3 мм, определяемые с помощью рассева дерти на классификаторе (Рис.10.6.);
0,5; 1,5; 2,5; 3,5 - средний размер частиц каждого остатка между двумя смежными ситами, мм.
Степень измельчения:
.
Показатель степени измельчения λ характеризует, главным образом, технологический процесс дробления, а не крупность частиц дерти.
образованной в результате дробления поверхности, т. е.
![]()
или
.
Объемная теория (разработана русским ученым В..Л. Кирпичевым в 1874г. и немецким ученым Ф. Киком).
.
Она увязывала энергозатраты с объемом деформируемого материала.
Но между теоретическими и экспериментальными данными были довольно большие расхождения, особенно при грубом помоле.
Советский академик П. А. Ребиндер (1928г.) предложил оценивать работу измельчения формулой:
.
Здесь учитываются положения обеих теорий.
Уравнение Ребиндера в развернутом виде:
,
где
- работа,
затраченная на деформацию материала, Дж.;
-
работа на образования новых поверхностей, Дж;
-
коэффициент пропорциональности;
-
деформированная часть объема разрушаемого куска;
-
коэффициент пропорциональности, учитывающий величину энергии поверхностного
натяжение твердого тела;
-
приращение удельной поверхности материала.
Окончательно формула для определения работы на измельчение материала представлена в виде (по Мельникову С. В.):
,
где
- степень
измельчения.
Постоянные коэффициенты С1 и С2 определяются из опытных данных. Так для ячменя
С1=(10
13)•103 Дж/кг и С2=(6
9)•103 Дж/кг.
3. Классификация, устройство и рабочий процесс молотковых дробилок.
Основными машинами для измельчения концентрированных кормов являются измельчители ударного действия - молотковые дробилки, отличающиеся простотой, высокой производительностью, надежностью и т. д.). Классифицируются дробилки следующим образом:
1. По назначению:
а) простые (или специализированные);
б) универсальные (оборудуются режущим устройством для измельчения стебельчатых кормов).
2. По организации рабочего процесса (Рис.10.7.):
|
|
|
а) б) |
|
Рис.10.7. Схемы дробилок: а – открытого типа; б – закрытого типа. |
а) открытого типа – материал не совершает оборот в камере (нет дек и решет) и измельчается только за счет прямого удара.
б) закрытого типа (их делят по расположению вала: с вертикальным или горизонтальным валом). Здесь есть решета и деки и материал циркулирует в камере.
|
|
|
Рис.10.8. Схема универсальной дробилки: 1 - ротор; 2 - молоток; 3 - решето; 4 - отсасывающий патрубок; 5 - приемный бункер; 6 - регулировочная заслонка; 7 - режущий барабан; 8 - противорежущая пластина; 9 - нажимной транспортер; 10 - питающий транспортер; 11 - дека. |
3. По конструктивным признакам: одно – и двух барабанные; с радиальным, тангенциальным или центральным подводом материала; с подачей материала принудительно или самотеком; с отводом готового продукта без вентилятора или с вентилятором. Принципиальная схема универсальной дробилки показано на рисунке 10.8.
Каждая дробилка имеет дробильную камеру с загрузочным устройством, которое может иметь очистители, сепараторы и т. д.
По внутренней поверхности дробильной камеры расположены деки (рабочая часть дробильной камеры) и решето.
Внутри дробильной камеры размещен ротор с молотками, которые подвешены шарнирно.
Рабочий процесс дробилки.
При установившемся режиме работы дробилки в продвижении материала через рабочую камеру можно отметить 3 последовательные этапа:
1. подача сырья (питание).
2. переработка материала (измельчение).
3. отвод готового продукта (эвакуация).
Барабан с молотками вовлекает материал в круговое движение. При измельчении зерна первичный удар лишь вводит его в сферу действия молотков, отбрасывая на периферию, но не разрушая.
Материал измельчается путем многократного ударного воздействия молотков и истирания при проходе его в среде рыхлого движущегося слоя. Помимо молотков, разрушающее воздействие на материал оказывают и пассивные рабочие органы – деки и решето, которые работают как резцы (противорежущая часть).
Измельченные частицы проходят через отверстия решета и уносятся потоком воздуха. Воздушный поток создается вентилятором.
Из описания рабочего процесса следует, что эффективность работы молотковой дробилки зависит от многих факторов, которые можно разделить на технологические, механические и конструктивные.
Технологические факторы:
1. физико-механические свойства корма.
2. степень измельчения.
3. качество конечного продукта.
Механические:
1. ударный импульс и обусловленная им величина работы деформации при ударе.
2. окружная скорость молотков.
3. скорость движения материала по решету.
4. воздушный режим в дробильной камере.
5. динамические свойства барабана.
Конструктивные:
1. размеры дробильной камеры.
2. конструкция рабочих органов.
3. зазор между концами молотков и решет.
4. способ подачи материала в камеру и отвода готового продукта.
К рабочим органам, изменяющим качественное состояние продукта, относятся: молотки, решета и деки. Классификация молотков показана на рисунке 10.9.
|
|
|
|
|
Рис.10.9. Классификационная схема молотков. |
Более эффективны молотки со ступенчатыми гранями. Наличие 2-х отверстий и симметричность позволяют удлинять срок службы. Молотки изготавливаются различной толщиной.
· Тонкие молотки (толщиной 2-3 мм.) – для измельчения зерна.
· Толщиной 6-8 мм. – для измельчения стебельчатых кормов.
· Толщиной 8-10 мм. – для измельчения крупнокусковых материалов (жмых, початки и др.).
Решета. Служат для отвода готового продукта из дробильной камеры и регулируют степень измельчения корма.
В дробилках применяют пробивные решета с круглыми отверстиями (а), чешуйчатые с прямоугольными или полуовальной формой отверстиями и комбинированные.
Наиболее эффективными являются чешуйчатые решета. Острые кромки решет работают как резцы, будучи направлены навстречу движущемуся потоку. При этом производительность дробилки резко возрастает. Однако такие решета быстро изнашиваются.
В дробилках сельскохозяйственного назначения применяют преимущественно гладкие решета с пробивными отверстиями Ø 3; 4; 6; 8 и 10 мм., изготовленные из листовой стали толщиной 2-3 мм.
Угол охвата решетом барабана – 1
Деки. При неполном охвате решетом барабана в дробильной камере укрепляют отражательные поверхности, называемые деками. Деки бывают чугунные рифленые или стальные с пробивными отверстиями.
Рифли
на деке располагаются под углом
, задняя грань под
углом
, передняя под углом
-
к радиусу
барабана.
Это обеспечивает возврат частиц материалов в зону действия молотков после удара их о деку.
|
|
|
Рис.10.12. Потребное число ударов молотка для разрушения зерна в зависимости от скорости молотка. |
Одним из факторов, влияющих на интенсивность процесса измельчения, является окружная скорость движения молотков.
С повышением окружной скорости молотков растет производительность дробилки и степень измельчения материала; увеличивается эффективность ударов молотков; увеличивается скорость движения слоя, циркулирующего в камере, что приводит к переизмельчению материала и перерасходу энергии на дробление; резко возрастает расход энергии на холостой ход дробилки, так как барабан работает подобно вентилятору.
Следовательно, увеличение рабочей скорости не может быть без предельным, так как оно сопровождается не только положительными сторонами, но и отрицательными. Рекомендуется принимать Vокр=40-80 м/с.
Тема 3.11.Механизация переработки и приготовления кормовых смесей.
ПЛАН:
1. Зоотехнические требования к технологии приготовления кормовых смесей.
2. Дозаторы, их классификация и эксплуатация.
3. Смесители и запарники кормов, их эксплуатация.
4. Кормоприготовительные линии и кормоцеха для приготовления объемных кормовых смесей.
5. Машины и оборудование для измельчения, мойки и смешивания кормов
6. Вспомогательное технологическое оборудование кормоцехов и кормовых линий. Современные технологии и машины для приготовления кормосмесей и комбикормов.
7. Инновационные машины и технологии в процессе комбикормов. Комбикормовые мини-заводы.
1. Зоотехнические требования к технологии приготовления кормовых смесей.
Необходимость приготовления кормовых смесей определяется тем, что ни в одном виде корма нет полного набора питательных веществ.
Скармливание полнорационных смесей повышает продуктивность животных на 25 … 30 % при сокращении сроков откорма на 15 … 20 %. Снижается также и расход кормов.
Сбалансированные кормосмеси для свиней содержат до 15 – 20, а для птиц до 40 – 50 различных компонентов.
Зоотехнические требования к дозированию и смешиванию компонентов (дозирование и смешивание – заключительные операции в приготовлении кормосмесей):
1. Компоненты необходимо точно дозировать и вводить в смесь в определенном порядке. Это особенно важно при включении в состав смеси микроэлементов, витаминов и антибиотиков.
2. Тщательное перемешивание компонентов.
3. Кормосмесь не должна иметь посторонних запахов и вредных примесей.
2. Дозаторы, их классификация и основы расчета.
Дозаторами называются устройства, которые способны автоматически отмеривать и производить выдачу определенного количества кормов.
На процесс дозирования и выбор типа дозатора влияют такие свойства материалов:
1. Объемная масса.
2. Размеры частиц.
3. Угол естественного откоса.
4. Влажность.
5. Смешиваемость.
6. Комкуемость.
7. Склонность к сводообразованию.
С. П. Орлов предлагает классифицировать дозируемые материалы по размерам частиц и плотности. Все материалы делятся на 3 группы:
- кусковые;
- зернистые (порошкообразные);
- жидкие.
Типы дозаторов.
В зависимости от способа дозирования (по объему или весу) дозаторы делятся на объемные и весовые.
Объемные дозаторы (массовое дозирование) по своему устройству проще, чем весовые, но дают меньшую точность дозирования. Так, погрешность объемных дозаторов достигает%, а весовых – 1 – 3 %.
По способу выдачи заданного количества вещества различают дозаторы порционные и непрерывного действия.
По уровню автоматизации: с ручным управлением, полуавтоматические и автоматические. У дозаторов с ручным управлением процесс дозирования производится оператором. Полуавтоматические дозаторы часть работы оператора выполняют с помощью механизмов (отсчет количества порций, подача материала в дозатор и т. д.).
По способу регулирования расхода: путем изменения площади поперечного сечения потока продукта, рабочей длины барабана или путем изменения скорости движения дозирующего органа.
Большее распространение в комбикормовой промышленностиполучили объемные дозаторы.
Основы расчета дозаторов.
а) Объемный порционный дозатор для сыпучих кормов.
Такие дозаторы, как правило, устанавливают под бункером.
Расход (пропускная способность) дозатора определяется по формуле:
,
где
- объем полости дозатора, м3;
- время выдачи одной порции
(
=30 – 120 с).
б) Объемный дозатор непрерывного действия барабанного типа.
Корм
поступает в приемный патрубок, разрыхляется и поступает в карманы барабана.
Барабан, вращаясь, сбрасывает корм в выходное отверстие. Частота вращения не
должна превышать 30 – 40 об/мин. Расход дозатора изменяется за счет изменения
частоты вращения барабана и определяется по формуле (кг/ч):
,
где
- рабочая длина барабана, м;
- площадь поперечного сечения ячейки, м2;
- число ячеек;
- насыпная плотность корма, кг/м3 ;
- коэффициент наполнения ячеек (φ = 0,8 – 0,9);
- частота вращения барабана, об/мин.
Мощность на привод дозатора зависит от силы трения корма, захватываемого барабаном, о вышележащие слои корма. Сила трения при скольжении корма определяется по формуле:
.
Мощность для привода барабана:
или
,
где
- давление корма на поверхность барабана, Н/м2;
- площадь поперечного сечения горловины бункера над
барабаном, м2;
- коэффициент трения корма о корм;
- окружная скорость барабана, м/с;
- коэффициент, учитывающий сопротивление корма дроблению; для
порошкообразных материалов k1=1,0; для
кусковых k1=2,0;
- коэффициент, учитывающий потери на трение рабочих органов
дозатора (k2 = 1,1 – 1,2);
- к. п.д. передачи.
Окружная скорость барабана:
,
где
- радиус барабана, м.
Нагрузочные диаграммы показаны на рисунке 12.4.
в) Тарельчатый дозатор.
Тарельчатые дозаторы отличаются высокой точностью и широким диапазоном регулирования производительности. Их используют для дозирования основных компонентов сухих кормов, минеральных добавок и микроэлементов. Технические характеристики дозаторов приведены в таблице 12.1., а принципиальная и расчетная схемы показаны на рисунке 12.5.
Таблица 12.1. - Технические характеристики тарельчатых дозаторов.
|
Н а и м е н о в а н и е |
М а р к а |
|
||
|
ДТТ |
ДТ |
ДТК (жидкостный) |
МТД –3А |
|
|
1. Производительность, кг/мин |
10 –130 |
1-7 |
0,15-3,0 |
0,5-12 |
|
2. Диаметр диска, мм |
1000 |
700 |
- |
350 |
|
3. Диаметр манжеты, мм |
400 |
375 |
- |
196 |
|
4. Частота вращения диска, об/мин |
4-16 |
1 |
25 |
5-170 |
|
|
|
|
||
Дозируемый материал поступает из бункера 1 на вращающийся диск 2, с которого сбрасывается скребком 3. Толщина слоя материала на диске регулируется кожухом 4.
За один оборот диска с него снимается порция материала, имеющая объем кольца с треугольным сечением (Рис.12.5, б).
Подача
дозатора (кг/ч) определятся так:
,
где
- объем материала, сброшенного с диска за его один оборот, м3.
Величину объема ”
” определим таким образом:
,
где
- площадь поперечного сечения кольцевого слоя, м2;
- расстояние от оси вращения тарелки до центра тяжести
сечения, м.
Величена
равна:
, т. к.
.
Тогда
.
Таким образом
.
Подача тарельчатого дозатора окончательно равна:
,
где
- высота подъема кожуха над диском, м;
- радиус кожуха, м;
- угол естественного откоса материала при движении, град.
Предельная
угловая скорость диска определяется из условия, что центробежная сила инерции
должна быть меньше силы трения продукта о диск:
; отсюда
,
где
- радиус нижнего основания конуса материала, м;
- коэффициент трения материала о диск.
Мощность на привод тарельчатого дозатора:
,
где
- мощность на преодоление сопро-
тивления корма от трения его о
тарелку;
- мощность на преодоление со-
противления корма от трения
его о скребок;
- мощность, потребляемая доза-
тором в режиме холостого хода.
Мощность на преодоление сопротивления корма от трения о тарелку:
,
где
- сила трения, возникающая при движении корма по тарелке
(
), Н;
- скорость движения корма по тарелке, м/с.
.
Мощность, расходуемая на преодоление трения корма о скребок:
,
где
- угол установки скребка (при
,
).
Тогда: ![]()
3. Смесители кормов, их классификация и основы расчета.
Смешиванием называется такой процесс перемещения частиц материала, в результате которого в любом объеме смеси будет содержаться заданное количество ее составляющих.
Процесс смешивания является конечным при производстве комбикормов, так как только в процессе смешивания получают комбинированные корма или кормосмеси.
Эффективность смешивания оценивается
степенью неоднородности смеси:
,
где
- доля меньшего компонента в пробе;
- доля меньшего компонента в идеальной (расчетной) смеси;
- число проб.
Однородной считают такую смесь, в которой в любом малом объеме соотношение компонентов соответствует соотношению компонентов в целом для смеси.
Если Q > 30 % - смеситель работает плохо. При идеальном смешивании Сi = С0 , поэтому Q = 0.
Классификация смесителей.
Смесители бывают периодического и непрерывного действия.
В зависимости от расположения рабочего органа - вертикальные и горизонтальные.
По скорости вращения рабочих органов – тихоходные и быстроходные.
Тихоходные, у которых показатель кинематического режима
.
Быстроходные – у которых
,
где ![]()
-
угловая скорость;
-
радиус вращения.
По типу мешалок (рабочих органов):
- лопастные – для смешивания жидких и сухих кормов;
- пропеллерные – для смешивания жидких кормов;
- турбинные – для смешивания жидких кормов;
- шнековые – для смешивания сухих кормов;
- барабанные - для смешивания сухих кормов.
Расчет вертикально – шнекового смесителя периодического действия.
Конструкции таких смесителей бывают с открытым шнеком (а) и со шнеком, частично закрытым кожухом (б). Смесители с открытыми шнеками применяются для смешивания стебельных кормов, с закрытыми – для смешивания концентрированных кормов.
Обозначим массу порции, загружаемую в смеситель через М (кг). Опытом установлено, что время смешивания составляет tсм = 5 - 8мин.
Тогда пропускная способность смесителя определяется по формуле (кг/ч):
,
где
-
время цикла, ч:
.
Уменьшая
мы
увеличиваем производительность. Обычно
, мин.
Полный объем смесительной камеры равен:
,
где
-
коэффициент использования объема (
=
0,8 – 0,85).
Задавшись
величиной диаметра
,
определим “
”
из соотношения:
.
Диаметр
шнека
.
Шнек
в процессе работы должен неоднократно перебрасывать массу вверх. Исходя из
кратности перебрасывания материала “
”
и его массы
,
определим требуемую часовую производительность шнека:
,
где
-
кратность перебрасывания материала,
=6…10.
Мощность на привод шнековых смесителей:
а)
горизонтального
,
б)
вертикального
,
где
-
приведенный коэффициент сопротивления движению корма по кожуху шнека (для зерна k = 1,2;
корнеплодов ;
-
длина шнека, м.
Мощность на привод лопастного смесителя:
,
где
и
-
соответственно, окружное и осевое усилие, Н;
и
-
окружная и осевая скорости перемещаемой массы, м/с;
-
число работающих лопастей.
Величину
определим
так:
,
где
-
средний радиус лопасти, м.
Осевая скорость равна:
,
где
-
угол наклона лопасти к оси вращения вала мешалки (Рис.12.10.).
Смесители непрерывного действия.
Такие смесители обычно применяются в поточных линиях. Как правило, это горизонтальные смесители. Рабочим органом может быть шнек или лопасти.
Также бывают комбинированные смесители.
На качественные показатели работы смесителей непрерывного действия оказывают влияние следующие факторы:
1. Рабочая длина смесительной камеры.
2. Коэффициент заполнения.
3. Окружная скорость вращения рабочего органа.
4. Угол постановки лопастей.
5. Размеры частиц смешиваемых материалов.
Фактор № 1. Опытом
установлено, что для смесителей непрерывного действия (лопастных и шнековых),
оптимальная длина рабочего органа, при которой достигается наибольшее значение
степени однородности, составляет
, м.
При этом предельный коэффициент однородности составляет:
-
для шнековых смесителей:
;
-
для лопастных смесителей:
.
Фактор № 2. Исследованиями установлено, что коэффициент заполнения, при котором достигается наивысшая степень однородности смеси, составляет:
-
для шнековых смесителей -
;
-
для лопастных смесителей -
.
Поэтому производительность у лопастных смесителей выше, чем у шнековых.
Фактор № 3. Установлено,
что наилучшее качество работы достигается при скорости рабочих органов
, м/с.
Фактор № 4. Угол
постановки лопасти относительно продольной оси смесителя
влияет
как на показатель качества смеси
,
так и на производительность смесителя Q (Рис.12.11.)
Исследованиями
получены 2 графические зависимости между углом
и
предельным показателем качество смеси
и
производительностью смесителя
.
|
|
|
|
а) |
б) |
|
Рис.12.11. Установка лопасти
относительно оси смесителя (а) и зависимость |
Средний
размер частиц (
)
влияет на
,
как показано на рисунке 12.12.
|
|
|
Рис.12.12. Влияние среднего размера частиц материала на предельный показатель качества смеси. |
Мощность на привод лопастной мешалки:
,
где
-
соответственно, окружное и осевое усилия, Н;
-
соответственно, окружная и осевая скорости движения перемешиваемой массы, м/с;
-
число одновременно работающих лопастей.
Окружная скорость равна:
,
где
-
средний радиус равнодействующей сил сопротивления, м.
Осевая скорость:
,
где
-
угол установки лопасти.
4. Кормоприготовительные линии и кормоцеха для приготовления объемных кормовых смесей.
КОРМОПРИГОТОВИТЕЛЬНЫЕ ПРОИЗВОДСТВА , специализир. произ-ва, осуществляющие приём , хранение, обработку разл. видов кормов, приготовление многокомпонентных кормовых смесей, а также произ-во комбикормов. Оснащены кормоприготовителъными машинами и оборудованием. Обслуживают одно (хоз. К. п.) или неск. х-в (межхоз. К. п.), в х-ве — одну или неск. близлежащих ферм. Осн. виды К. п.: на небольших фермах — кормокухня и произ-ва, работающие на базе кормоприготовителъного агрегата или поточной технол. линии (т. н. упрощённый кормоцех); на крупных фермах и комплексах — кормоцех , комбикормовый агрегат или цех. Кормокухня располагает варочно-смесит. оборудованием для приготовления полувлажных и влажных кормовых смесей. Кормоприготовительный агрегат используется для приготовления влажных кормосмесей путём измельчения и смешивания предварительно отдозированных компонентов корма. Поточные технологические линии, выполняя одну или неск. последоват. операций (физ., хим. или биол. подготовка корма), готовят отд. виды кормов, к-рые не смешивают с др. компонентами, а раздают непосредственно ж-ным или направляют в кормоцех для ввода в кормосмеси. Кормоцех осуществляет полный технол. цикл подготовки и выдачи корма — от доработки отд. компонентов на неск. вспомогат. технол. линиях до приготовления на осн. технол. линиях многокомпонентных кормосмесей и выдачи их ж-ным. В комбикормовых цехах (на агрегатах) готовят искусств, смеси кормов, сбалансир. по содержанию питат. и минеральных веществ, а также витаминов.
Специфика работы К. п. обусловливается типом обслуживания ферм или комплексов (комплексы кр. рог. скота, свиноводч., овцеводч., птицеферма, птицефабрика), технологией подготовки кормов (кормосмеси сухие, влажные до 17 — 20%, полувлажные до 50%, влажные до 75% и жидкие до 88%), уровнем механизации (наличие только кормоприготовит. агрегата, поточной технологич. линии или полного комплекта машин и оборудования).
К. п. создают в кормовой зоне фермы в центре тяжести транспортных нагрузок, что позволяет сократить объём транспортных работ. При этом предусматривают блокировку К. п. со зданиями и сооружениями осн., подсобного, складского и вспомогат. назначения. Кормоцех по переработке пищ. отходов размещают на линии ограждения терр. ферм с подветренной стороны по отношению к зданиям для содержания ж-ных. Для разгрузки и сортирования пищ. отходов на терр. фермы создают твёрдое покрытие, а также необходимые уклоны и лотки для стока и отвода смывных вод. Здания, в к-рых размещаются К. п., м. б. одноэтажными или многоэтажными (в зависимости от схемы транспортировки исходного сырья и готовой продукции). Внутр. высота помещений зависит от габаритов оборудования, размеров грузоподъёмных механизмов и допустимой высоты складирования готовой продукции. Помещения обору дуют водопроводом, отоплением, канализацией, обеспечивают вентиляцию и аспирацию, молние-и противопожарную защиту.
Для подготовки влажных полнорационных кормосмесей на животноводческих фермах и комплексах применяют кормоцехи, построенные по типовому проекту на базе серийно выпускаемого оборудования. Использование кормоцехов для приготовления смесей дает возможность увеличить кормовые ресурсы за счет скармливания животным грубых кормов, отходов растениеводства, пищевой промышленности и производств, перерабатывающих сельскохозяйственную продукцию.
Кормоцехи для приготовления влажных кормосмесей по технологии приготовления кормов и наличию технологических линий подразделяют на три основных типа:
кормоцехи для приготовления кормосмесей из различных компонентов путем механического измельчения и смешивания; эти кормоцехи применяют в хозяйствах, располагающих доброкачественными кормами, не требующими специальной обработки;
кормоцехи для приготовления кормовых смесей с применением тепловой обработки кормов; эти кормоцехи имеют технологические линии для запаривания, стерилизации кормов и смешивания их с концентратами, мелассой и другими добавками;
кормоцехи для приготовления смесей с применением термохимической и биологической обработки кормов; в этих цехах компоненты обрабатывают химическими веществами, подвергают дрожжеванию и ферментации.
Широкое распространение получили кормоцехи КЦС-100/1000. КЦС-200/2000, КЦС-2000, КЦС-3000, КЦС-6000 («Маяк-6») с использованием серийно выпускаемого комплекта оборудования. Утверждены новые типовые проекты кормоцехов 801-460, КЦК-5, КЦО-5, КПО-150 и др.
Комплекты тина КЦС предназначены для оборудования кормоцехов специализированных свиноферм с концентратно-корне-плодным типом кормления. Благодаря высокой степени унификации из 19 машин формируется пять комплексов по 12 ... 14 машин, отличающихся друг от друга производительностью и видом приготавливаемых кормов.
В кормоцехах готовят высококачественные кормовые смеси влажностью 65 ... 75 % с запариванием отдельных компонентов, варят каши поросятам и др. Кормоцехи КЦС-2000, КЦС-6000 («Маяк-6») применяют на откормочных фермах с поголовьем 2, 3 и 6 тыс. свиней, а КЦС-100/1000 и КЦС-200/2000 — на смешанных свинофермах соответственно на 100 и 200 свиноматок со шлейфом и на 1000 и 2000 голов откорма.
Машины кормоцехов увязаны между собой в технологические линии.
Технологический процесс завершается на линии приготовления смеси и выгрузки готового корма, куда входят смеситель 14, варочный котел 13, сборный выгрузной шнек 12 и скребковый транспортер 11.
Комплект оборудования кормоцеха КОРК-15 для приготовления влажных кормовых смесей крупному рогатому скоту поставляется потребителю в трех вариантах: КОРК-15 (в комплекте с ОМК-2) для приготовления кормовых смесей с внесением карбамида и мелассы; КОРК-15-1 (без ОМК-2); КОРК-15-2 с линией термохимической обработки.
В состав КОРК-15 входят линии соломы, сенажа и силоса, корнеклубнеплодов, концентрированных кормов, обогатительных добавок (ОМК-2), термохимической обработки соломы (ЛОС-1), а также линии сбора, смешивания и выдачи готовой продукции.
Солома подается в приемный бункер питателя соломы 18, откуда поступает на транспортер 2, который направляет ее в измельчитель 3. После измельчения солома загружается в камеру 17 термической обработки соломы, а из нее поступает на сборный транспортер 13.
Силос из самосвального транспортного средства выгружается в бункер питателя 19 силоса, откуда через дозирующие битеры подается на транспортер 6 точной дозировки силоса, а затем на сборный транспортер 13.
Корнеклубнеплоды загружаются в бункер 15, откуда транс-портером перемещаются в мойку-измельчитель 12, где очищаются от загрязнений и измельчаются до нужных размеров. Из мойки-измельчителя корнеклубнеплоды поступают в бункер-дозатор 4 сочных кормов, а затем на сборный транспортер 13.
Концентрированные корма из бункера 16 по транспортеру 11 поступают в бункер-дозатор 5, а с него тоже на транспортер 13. Мелассу и водный раствор карбамида приготавливают в смесителе 10 и вводят в кормосмесь через форсунки в измельчителе 7.
Все компоненты рациона по сборному транспортеру 13 поступают в измельчитель-смеситель 7, где тщательно измельчаются и перемешиваются. Готовая смесь выгружается транспортером 8 в кормораздатчик 9 готовой продукции. Оборудование имеет производительность 15 т/ч и используется на молочнотоварных фермах и комплексах на 800 ... 2000 голов, а также на откормочных фермах с поголовьем до 5000 голов крупного рогатого скота.
Кормоцех для комплексов по производству молока на 400 ... 800 коров строится по типовому проекту 801-460. Он предназначен для приготовления влажных кормовых смесей из силоса, сенажа, грубых кормов, корнеклубнеплодов и выдачи их в мобильные или стационарные раздатчики. Кормоцех работает по непрерывному способу. В его состав входят линии I — силоса, сенажа и соломы; II — корнеклубнеплодов; III — комбикормов; IV — карбамида и мелассы. Линии состоят из серийных машин и оборудования.
Корма после внецеховой подготовки доставляют в кормоцех в бункера-накопители. Затем их дозируют, измельчают, тщательно смешивают и в готовом виде выгружают в кормораздатчики. Производительность кормоцеха 10 ... 15 т/ч, мощность электродвигателей — 102 кВт. Кормоцех обслуживает 2 человека.
Комплект оборудования кормоцеха для обработки пищевых отходов КПО-150 используют для механизированной обработки пищевых отходов и приготовления кормовых смесей на свинофермах с поголовьем 12 ... 24 тыс. единовременной поставки. В комплект оборудования входит четыре погрузчика кормов ПКК-20, две дробилки пищевых отходов ДПО-20, семь запарников-смесителей, три продувочных котла КП-5,1, шнековый загрузчик ЗШ-40, семь механизмов переключения, магнитные колонки сепараторов пищевых отходов и другие механизмы.
Технологическая переработка пищевых отходов заключается в следующем. Отходы доставляют к кормоцеху и разгружают в приемные бункеры, туда же подают жидкие и минеральные добавки. При помощи магнитных сепараторов отходы очищают от металлических примесей и подают в измельчители, а затем в емкости для накопления вместимостью до 150 т. Из емкостей отходы подают ковшовыми погрузчиками на дальнейшую переработку для смешивания, запаривания, стерилизации и охлаждения. Охлажденные отходы смешивают с комбикормами и различными жидкими добавками. В состав кормосмеси включают примерно 1/3 пищевых отходов и 2/3 комбикорма, жидких кормовых добавок, рыбы, мела, соли и других компонентов. Влажность кормосмеси 75 ... 80 %. За смену кормоцех с обслуживающим персоналом 5 человек выпускает около 150 т кормосмеси. Мощность установленных электродвигателей 157 кВт.
Комплекты машин и оборудования кормоцехов КЦК-5 и КЦО-5 предназначены для приготовления многокомпонентных рассыпных кормовых смесей из грубых, концентрированных кормов, сенажа, силоса и питательных добавок. Комплекты состоят из питателей грубых кормов и силоса, транспортеров, сушильных агрегатов, смесителей кормов и мелассы.
Кормоцех КЦК-5 используют при приготовлении кормов крупному рогатому скоту и овцам. Кормоцех КЦО-5 применяют для приготовления полнорационных смесей для овец в районах с интенсивным ведением животноводства. Он дополнительно включает в себя серийное оборудование для гранулирования кормовых смесей.
Производительность кормоцехов при подготовке рассыпных смесей 10 т/ч. Линия гранулированных кормов кормоцеха КЦО-5 имеет производительность 1 т/ч. Обслуживающий персонал кормоцехов — 3 человека.
Оборудование для приготовления кормовых дрожжей состоит из емкостей, снабженных шнековыми мешалками, котла-парообразователя для подогрева смеси паром, установки для охлаждения смеси, компрессорной установки для продувки емкостей, насосов для перекачки питательного раствора, кранов, трубопроводов и накопительных резервуаров.
Технология подготовки дрожжей предусматривает создание более благоприятных условий для жизнедеятельности дрожжей, чем для бактерий. Один из основных факторов, создающих такие условия — кислотность среды, значение которой должно быть таким, чтобы дрожжи могли размножаться, а бактерии не развивались.
Хорошо измельченный продукт поступает в емкость, в которую предварительно наливают воду в количестве 200 % от массы продукта, подлежащего дрожжеванию. Поступивший продукт тщательно перемешивается сжатым воздухом, нагнетаемым компрессором, после чего массу подогревают до 70 ... 80 °С и оставляют на 1,5 ... 2 ч для осолаживания. Наливают в емкость холодную воду в количестве 80 % от массы корма и тщательно перемешивают; затем температуру смеси снижаюг до 27 ... 28 °С при помощи холодильной установки. После этих операций в емкость со смесью вводят следующие компоненты (% от массы продукта): материнскую дрожжевую закваску — 20, вытяжку суперфосфата— 10, сульфат аммония — 32 ... 34, соляную кислоту — 0,15
Материнская закваска служит засевом для размножения дрожжевых клеток, вытяжка — питательной средой, а соляная кислота препятствует размножению бактерий.
Для улучшения размножения дрожжей, а также предотвращения образования спиртов и накопления углекислого газа через каждые 1 ... 1,5 ч массу продувают сжатым воздухом в течение 10 ... 15 мин. Через 10 ... 12 ч дрожжи готовы к использованию, их перекачивают в накопительные резервуары. Жидкие дрожжи сразу же скармливают животным, так как они плохо хранятся, быстро прокисают и плесневеют.
Применение цехов дает возможность более рационально использовать кормовые ресурсы и избежать непроизводительных затрат на перевозке фуражного зерна.
Кормоцехи для производства сухих кормовых смесей (комбикормов) строят на базе комплекта серийного оборудования. В настоящее время промышленность выпускает комплекты оборудования автоматизированных кормоцехов ОЦК-4 и ОЦК-8.
Комплект оборудования комбикормового цеха ОЦК-4 предназначен для приготовления комбикормов из зернофуража хозяйства и промышленных белково-витаминных добавок. Оборудование обеспечивает прием, очистку, накопление исходного сырья, дозирование и порционное смешивание всех компонентов.
Технологический процесс ОЦК-4 осуществляется так. Зерновые компоненты из автотранспортных средств сгружают в приемный бункер 1 (рис. 10.4). Из бункера при помощи приемного шнека и нории 2 компоненты подаются для очистки от металлических и крупных механических примесей на магнитную колонку 3 и решетный стан 4, а затем шнеком 5 направляются в бункер 6.
5. Вспомогательное технологическое оборудование кормоцехов и кормовых линий. Современные технологии и машины для приготовления кормосмесей и комбикормов.
В ряде хозяйств для приготовления кормосмесей используют бывшие здания, построенные в 80-е годы прошлого столетия для размещения оборудования КоРК-15, устаревшего и металло-энергоемкого. В качестве основной машины используют современные раздатчики-кормосмесители, работающие в стационарном режиме (рис. 10.5). Все работы по приготовлению и раздачи кормов выполняют 3 машины: раздатчик-смеситель кормов 1, фронтальный погрузчик 2, мобильный раздатчик кормов 3.
Технологический процесс работы кормоцеха организован следующим образом. Рулоны или тюки сена подвозят на тракторе, сгружают и складируют фронтальным погрузчиком в помещение кормоцеха. Покупной комбикорм подвозят автомобильным загрузчиком типа ЗСК-10 и высыпают в один из отсеков. Силос, картофель, минеральные кормовые добавки и другие компоненты кормосмеси подвозят и выгружают также в отдельные отсеки.
В соответствии с технологией принят следующий порядок загрузки кормов фронтальным погрузчиком из отсеков в раздатчик-смеситель: сено (или солома), комбикорм, силос, корнеклубнеплоды, минеральные добавки и др. Рулоны (или тюки) сена сначала освобождают от шпагата (обвязки) и слегка разваливают вручную с помощью вил. Механизатор-оператор включает раздатчик-смеситель, затем ковшом фронтального погрузчика из отсека набирает требуемый по рациону другой корм, подъезжает к смесителю и медленно загружает его в бункер, при этом следит за количеством высыпаемого корма по показаниям весоизмерительного устройства, высвечиваемым на дисплее.
Остаток корма механизатор возвращает обратно в отсек. Таким образом загружаются все остальные корма в соответствии с рационом. Через 5-10 мин. после загрузки кормосмесь готова. В результате измельчения и смешивания крупных частиц и длинностебельчатых кормов получается однородная кормосмесь, слегка вспушенная, отличающаяся от силоса, как структурой, так и плотностью. Другой механизатор подгоняет в это время кормораздатчик КТУ-10 А под наклонный транспортер. Первый механизатор-оператор включает выгрузной транспортер, открывая шибер выгрузного окна раздатчика-смесителя и заполняет кузов мобильного кормораздатчика КТУ-10 А кормосмесью.
После загрузки кормосмесь транспортируется к месту раздачи. Продолжительность всего цикла работы по приготовлению кормосмеси от загрузки кормовых компонентов до выгрузки кормосмеси мобильный кормораздатчик не более 30 мин.
Производство сбалансированных кормосмесей в хозяйственных условиях.Многие хозяйства успешно круглогодично готовят сбалансированные кормовые смеси из собственных кормов: сена, силоса (сенажа) или зеленых трав, корнеклубнеплодов, комбикормов. В качестве балансировочных комбикормовых смесей предпочитают использовать собственные зерновые, бобовые и другие культуры, подготовленные методом измельчения на молотковой дробилке и сдобренные покупными мелассой, карбомином и белково-минераль-ными и витаминными добавками (БМВД). В этом случае комбикормовый мини-завод может быть размещен в одном здании с раздатчиком-смесителем кормов, работающем в стационарном режиме.
6. Инновационные машины и технологии в процессе комбикормов. Комбикормовые мини-заводы.
На данном историческом этапе развития комбикормовой структуры производства мобильные комбикормовые заводы фирмы Buschhoff (Германия) являются высшим классом.
Базовой моделью нового типового ряда мобильных комбикормовых заводов является TOURMIX02-VE с весовым смесителем в 8300 литров.
Мобильный завод работает по отработанной и зарекомендовавшей себя схеме автоматического процесса загрузки, измельчения, взвешивания и смешивания кормов, гарантирующей высокую производительность труда игомогенную структуру производимого комбикорма (рис. 10.7, б). Зерно, шрот и другие корма пройдя через дробилку 2 (или плющилку) и через сито превращаются в требуемую измельченную массу, которая через пневматический комбинированный шлюз 11 попадает в смеситель 5. БМВД и прочие компоненты смеси, как например, соевый шрот, по желанию могут направляться, минуя дробилку (или плющилку), в необработанном виде, прямо в смеситель через загрузочную воронку 12.
У модели TOURMIX02-V-VE верхняя часть смесителя выполнена в виде двух цилиндров, вставленных один в другой. Внутренний цилиндр телескопически может выдвигаться четырьмя гидроцилиндрами, в результате вместимость емкости увеличивается с 8200 литров до 11700 литров. Такая конструкция уменьшает габариты, что позволяет проезжать машине практически под любым мостом.
Мобильные заводы TOURMIXоборудованы молотковыми дробилками HF 400 производительностью до 25 т зерна в час, оснащенных 72 молотками из особо твердого сплава. Просеивающая поверхность сит составляет 0,8 м2 , ширина размольной секции 400 мм. Дырочные или сеточные сита дробилки легко и быстро заменяются. Молотковая дробилка хорошо работает и с кормами повышенной твердости, например жмых.
Зерноплющилка производительностью до 20 т зерна. Диаметр вальцов 400 мм, длина рабочих поверхностей 600 мм. Вальцы имеют предварительное гидравлическое натяжение, что позволяет посторонним твердым примесям беспрепятственно проходить через зерноплющилку, не вызывая ее поломку.
Точность взвешивания обеспечивается весовой системой, работающей с помощью трех тензодатчиков. Большой поворачиваемый цифровой дисплей с подсветкой делает рабочий процесс наглядным, надёжным и более легким при эксплуатации машины. Только пять минут требуется для полного заполнения смесителя в соответствии с рецептурой, приэтом выполняются все нормативные требования по запылению, низкой степени расслаивания кормосмеси и ее однородности.
На установке работает автоматическая аспирация по отделению мучнистой пыли от измельченного корма, не требующая особого ухода.
Все модели мобильных комбикормозаводов типоряда TOURMIX02 могут быть оснащены различными измерительными приборами и оборудованием для облегчения эксплуатации, обслуживания и эффективности работы.
Дополнительно можно заказать специальное дозирующее приспособление для точной и автоматической дозировки обогащенных жидких кормовых добавок (кормового масла). Емкость для дозирования масла изготовлена из высококачественной пищевой стали. Объем емкости составляет 150 л.
Освещаемый цифровой дисплей весов указывает точное наполнение или расход емкости для дозирования. Масло подается за счет пониженного давления, создаваемого ротационной воздуходувкой TOURMIX - CONTROL. Это дозировочно-взвешивающий компьютер, имеющий цифровую память комбикормовых смесей. В его памяти заложено более 1500 рецептов комбикормов для разных животных и птицы и около 250 адресов потребителей. Для каждого клиента он позволяет обрабатывать до 8 рецептов.
Компьютер управляет процессом ввода компонентов корма в соответствии с рецептом и подает оператору звуковой и световой сигнал при достижении требуемого количества и конца загрузки или выгрузки комбикорма. Компьютер отпечатывает накладные об отпуске корма прямо в кабине водителя.
TOURMIX - PILOT это прибор дистанционного управления работой приготовления кормосмесей, работой двигателя и величиной всасывания. Независимо от того, где в данный момент находится оператор, на складе или чердаке, он всегда может контролировать уровень заполнения смесителя и его работу по светящемуся цифровому дисплею прибора.
Тема 3.12. Гранулирование кормов.
ПЛАН:
1. Уплотнение кормов. Общие сведения о гранулировании кормов.
2. Способы и технологический процесс гранулирования кормов.
3. Классификация пресс – грануляторов.
4. Оборудование производства травяной муки и гранулирования кормов
1. Уплотнение кормов. Общие сведения о гранулировании кормов.
Для обеспечения лучшей сохранности питательных веществ и витаминов, снижения стоимости перевозок, экономичного использования складских помещений корма уплотняют.
Уплотнением называется процесс сближения частиц зернистого или волокнистого материала под действием приложенных внешних сил с целью повышения его плотности.
Уплотнение осуществляется следующими способами:
1. сжатием.
2. скручиванием.
3. виброутряской.
4. экструзией (АКО).
5. окатыванием.
Процесс уплотнения сжатием в закрытой камере называется прессованием. В зависимости от плотности монолита в результате прессования стебельных кормов получают тюки (пл. 120 – 160 кг/м3), требующие обвязки; брикеты (пл. 600 – 900 кг/м3), сохраняющие свою форму без обвязки. При прессовании комбикормов или травяной муки получают гранулы (пл. 1200 – 1300 кг/м3).
Кроме того способы прессования различают в зависимости от значений приложенного давления:
1. прессование с присадкой связующих веществ при малых давлениях (5 … 10 МПа).
2. прессование без связующих добавок при средних давлениях (15 … 20 МПа);
3. прессование без связующих добавок при высоких давлениях (30 … 35 МПа);
Наиболее совершенными способами прессования являются гранулирование и брикетирование кормов, позволяющие получить высокую степень уплотнения.
Гранулированием называется процесс превращения сыпучего или тестообразного материала в твердые тела, имеющие форму шариков или цилиндриков определенного размера. Гранулирование – от латинского слова granulare – превращать в зернышки.
Чем вызывается потребность гранулирования кормов.
1. Создание вида корма с определенными физико-механическими свойствами (объемная масса, сыпучесть, исключение сводообразования).
2. Создание крупных механизированных комплексов и необходимость автоматизации процесса кормления.
3. Высокая питательная ценность, так как в них равномерно распределены и сконцентрированы различные питательные компоненты и добавки (меласса, витамины).
4. Облегчается механизация и автоматизация раздачи кормов.
5. Сокращаются расходы кормов в результате снижения потерь мучнистой части комбикорма при транспортировке и раздаче.
6. Отсутствие самосортирования (расслоения) отдельных компонентов.
7. Лучшая сохранность питательных веществ, витаминов и антибиотиков за счет сокращения поверхности соприкосновения продукта с внешней средой и уменьшения гигроскопичности.
8. Сокращение площадей складирования.
9. Возможность введения в состав кормосмеси кормов низкого качества.
Показатели качества гранул.
Размеры гранул (диаметр и длина) должны иметь определенную величину.
Диаметр гранул должен быть:
|
Для цыплят 1 – 7 дн. |
1 – 2 мм |
|
7 – 30 дн. |
2,2 мм |
|
старше 30 дн. |
3 мм |
|
Взрослая птица и рыба |
5 мм |
|
Свиньи |
10 мм |
|
Овцы |
8 – 10 мм |
Длина гранулы должна равняться 1,5 – 2 ее диаметрам, то есть:

Гранулы должны соответствовать целому ряду требований или качественных показателей.
|
Запах – |
соответствовать набору доброкачественных ингредиентов, без плесенного, гнилостного запаха или запаха распада. |
|
Цвет - |
соответствовать цвету рассыпного комбикорма или несколько темнее. |
|
Влажность - |
не более 14,5 %. |
|
Крошимость - |
не более 5 %. |
(Крошимость – способность сопротивляться разрушающим нагрузкам).
Требования к технологии гранулирования.
1. В состав гранул должны входить все питательные вещества, витамины, антибиотики и микроэлементы.
2. Все компоненты, входящие в кормосмесь, должны быть тщательно перемешаны, так как все гранулы должны иметь одинаковый состав.
3. В процессе гранулирования не должно быть потерь питательных веществ кормовой смеси.
4. Поверхность гранул должна быть гладкой, блестяще
2. Способы и технологический процесс гранулирования кормов.
Существует два способа гранулирования кормов (Рис.13.1.):
а) окатыванием; б) прессованием.
В зависимости от влажности исходных материалов способ прессования, в свою очередь, подразделяют на влажный и сухой.

Рис.13.1. Способы гранулирования кормов
Приготовление гранул окатыванием.
Сущность заключается в том, что частицы пылевидных, мучнистых и волокнистых материалов, смоченные жидкостью, при многократном окатывании сбиваются в шарики за счет поверхностного натяжения смачивающей жидкости (влажность перед гранулированием должна быть 30 – 35 %).
Такие гранулы пористые и поэтому легко поддаются сушке.
Образование гранул происходит в грануляторе, представляющим собой цилиндр диаметром 1,5 – 3 м, укрепленный на станине, которая обеспечивает его установку под углом до 450. Частота вращения цилиндра 16 – 30 об/мин.
Преимущества – простота, малая энергоемкость и высокая производительность (до 7 т/ч при Ø 3 м).
Недостатки - необходимость нулевого помола и сушка гранул до 12 – 14 %.
Прессование гранул «влажным» способом.
Исходная влажность 35 – 50 %.
Гранулы из таких смесей получают на шнековых прессах, применяемых в макаронной промышленности. Такие гранулы прочны и способны долгое время не разбухать в воде.
Недостатки – а) низкая производительность;
б) высокая металлоемкость;
в) необходимость сушки и последующего охлаждения.
Приготовление гранул «сухим» способом.
Этот способ гранулирования в настоящее время самый распространенный. Исходная влажность 17-30 %.
Смесь перед гранулированием увлажняют паром или мелассой.
Гранулирование производят в основном на прессах с кольцевыми матрицами. Во время прессования гранулы нагреваются и для их охлаждения применяют охладитедьные колонки.
Преимущества – а) простота технологии;
б) высокая производительность;
в) сохранение введенных в состав гранул витаминов и антибиотиков;
Недостатки – а) сложность конструкции;
б) сравнительно высокая энергоемкость.
Технологический процесс гранулирования кормов сухим способом состоит из 3-х основных, последовательно осуществляемых операций: кондиционирование сырья, прессование и охлаждение.
Кондиционирование: изменение механических свойств и физического состояния (влажность, температура), а также введение связующих веществ (меласса, жир).
3. Классификация пресс – грануляторов.
Пресс – грануляторы делятся на формирующие, в которых образование гранул ведется в закрытой камере, прокатывающие и выдавливающие, в которых прессование корма происходит за счет сил трения, возникающих при движении предварительно уплотненного корма через отверстия прессовальной камеры.
Наибольшее распространение получили прессы, работающие по принципу выдавливания.
В отечественных грануляторных установках используются вальцовые пресс-грануляторы с пассивными вальцами.
Процесс гранулирования сухим способом включает следующие основные этапы:
а) подготовка комбикорма к прессованию;
б) прессование;
в) охлаждение гранул;
г) просеивание гранул;
д) изготовление крупок из гранул.
Подготовка комбикорма к прессованию.Подготовка нужна для придания компонентам определенных физических свойств (вязкости, влажности, температуры).
Комбикорм подвергают гидротермической обработке паром при определенном давлении. Под воздействием пара комбикорм подвергается с одной стороны структурно-механическим, с другой – биохимическим изменениям. В результате получается продукт необходимой вязкости для прессования (биохимические изменения сводятся к изменению состояния крахмала, белка и активных ферментов).
Для нагрева используют пар с минимальным влагосодержанием и давлением 2,5 – 3 атм.
Процесс прессования: при воздействии усилия на материал пространство между частицами и слой влаги уменьшаются. При уменьшении толщины слоя до мономолекулярного в спрессованном материале в полной мере проявляются силы поверхностного натяжения, что способствует получению прочной гранулы.
Прочность гранулы тем выше, чем больше степень изменения материала.
Охлаждение гранул.Гранулы выходят из пресса с температурой 65 – 96 0С. при такой температуре они не пригодны к складированию и хранению. Поэтому их охлаждают.
Интенсивность удаления тепла и влаги находится в зависимости от температуры и размера гранул, от скорости движения гранул в охладителе.
Влажность гранул снижается при охлаждении на 1–2,5 %, а температура до 20–30 0С. это способствует повышению их механической прочности.
Просеивание гранул. В процессе гранулирования получается большое количество крошки, которая не пригодна к хранению.
При просеивании получают однородные гранулы. Количество крошки не должно превышать 5 % при использовании решета с отверстиями Ø 2мм .
Получение крупок. Считается более экономичным приготавливать гранулы большого диаметра, а потом перед скармливанием измельчать их на вальцовых дробилках.
Оборудование для гранулирования кормов.
В настоящее время нашей промышленностью выпускаются грануляторы ОГМ–0,8; ОГМ–1,5; ОГМ–3 для гранулирования травяной муки, и гранулятор ДГ–1 для гранулирования комбикормов.
Таблица 13.1. - Технические характеристики грануляторов.
|
Показатели |
ОГМ–0,8 |
ОГМ–1,5 |
ДГ-1 |
|
|
1 |
Производительность, кг/с а) травяной муки б) комбикормов в) кормосмеси |
2500 500-600 |
1500 - |
- 10000 |
|
2 |
Давление пара, к/Па |
- |
- |
35 - 40 |
|
3 |
Температура гранул после гранулирования, 0С |
64 - 96 |
64 - 96 |
50 - 80 |
|
4 |
Температура гранул после охлаждения, 0С |
на 7 – 10 0 выше t воздуха |
||
|
5 |
Общая установленная мощность,кВт |
59,8 |
98,2 |
108,2 |
|
6 |
Частота вращения матрицы, об/мин |
228 |
138 |
4. Основы расчета пресс – гранулятора с кольцевой матрицей.
Исследованиями процесса
гранулирования установлено, что наиболее точной характеристикой спрессованного
образца является его плотность
в кг/м3.
Связь между удельным давлением и плотностью образца при прессовании следует степенному закону:
![]()
где
и
- постоянные коэффициенты, зависящие
от свойств кормов.
Этой зависимости подчиняются многие материалы (солома, отруби, концентраты, травяная мука).
Анализируя процесс прессования, можно отметить в нем 3 этапа (Рис.13.4.):
1. слеживание, когда
корм уплотняется без заметного приложения внешнего усилия до
.
2. подпрессовка –
уплотнение корма до
.
3. собственно
прессование – уплотнение корма до
и выше.
Для получения прочных гранул плотность корма должна быть в пределах 1200 – 1300 кг/м3. дальнейшее увеличение плотности не вызывает повышения прочности и ведет к повышенным энергозатратам.
В качестве характеристики
гранулируемости (брикетируемости) корма служит степень уплотнения
, представляющая собой
отношение объема порции материала до прессования (
) к объему полученной гранулы
или брикета (
), т. е.
или
,
где
- плотность рыхлого (исходного)
материала, кг/м3;
- плотность полученного монолита, кг/м3.
Существует несколько теорий процесса уплотнения: капиллярная, коллоидная, молекулярная и др.
Признание получила молекулярная теория, разработанная В. М. Наумовичем на основе термодинамической теории прилипания Б. В. Дерягина. Согласно последней – основная причина соединения твердых частиц между собой усматривается в явлении прилипания. По этой теории наличие сил молекулярного притяжения между атомами и молекулами приводит к появлению сил между макроскопическими телами, аналогичных силам прилипания.
Повышение давления способствует упрочению монолита за счет устранения воздушных пор и увеличения площади контакта между частицами, что приводит к возрастанию сил молекулярного прилипания.
При достижении телом беспористого состояния дальнейшее повышение давления становится не эффективным.
Исследовали процесс прессования академики: В. П Горячкин,
И. И. Вольф, Е. М. Гутьер, М. Н. Летошнев, М. А. Пустичин, С. А. Алферов, И. А.
Дотов, Е. А. Храпач.
Процесс образования гранул показан на рисунке 13.5., а изменение удельных давлений по длине канала – на рисунке 13.6.
Весь процесс образования гранул в прессах с кольцевой матрицей разделяется на 3 фазы.
В первой фазе корм, поданный внутрь матрицы 1, под действием центробежной силы прижимается к ее внутренней поверхности. Вначале происходит уплотнение материала, не требующее значительных усилий. По мере приближения материала к месту контакта вальца с внутренней поверхностью матрицы увеличивается его плотность и растет давление прессования. Радиальное давление вальца превышает сопротивление корма, ранее спрессованного в отверстиях матрицы, и новая порция корма поступает в них.
Происходит 2 – я фаза процесса.
3-я фаза – в момент встречи выдавленного из отверстия матрицы столбика с неподвижным ножом происходит отделение готовой гранулы от оставшегося в отверстии корма.
Определение пропускной способности пресс – гранулятора.
При работе пресс – гранулятора за один оборот матрицы через каждое ее отверстие продавливается одна гранула. Таким образом, масса гранул, получаемых за 1 оборот матрицы будет равна (кг/об):
,
где
- диаметр гранулы, м;
- длина гранулы, м;
- плотность гранулы, кг/м3;
- число прессующих вальцов;
- число отверстий в матрице.
Производительность пресс – гранулятора с вращающейся кольцевой матрицей определяется по формуле (кг/мин):
,
где
- коэффициент буксования
;
- коэффициент использования живого сечения матрицы
.
Мощность двигателя на привод пресс – гранулятора:
,
где
- мощность расходуемая на процесс
прессования;
- мощность холостого хода;
- к. п.д. трансмиссии и электрического двигателя.
Мощность на процесс прессования:
,
где
- сила трения, возникающая при
движении монолита по каналу;
- средняя скорость движения монолита по каналу;
- число каналов, в которых производится прессование
одновременно.
Сила трения монолита о стенки канала:
,
где
- коэффициент трения покоя,
;
- коэффициент бокового распора,
;
- давление на упоре,
,
где
- максимальное осевое давление
прессования;
- периметр канала,м;
- длина канала, м.
Число каналов, в которых одновремено производится прессование:
,
где
- число отверстий в матрице;
- число прессующих вальцов;
- угол прессования.
4. Оборудование производства травяной муки и гранулирования кормов
В настоящее время производство травяной муки в нашей стране начинает налаживаться. В первую очередь сушильные агрегаты начали вновь функционировать в комбикормовом производстве птицефабрик. Надо отметить, что производство травяной муки экономически целесообразно и возможно только в крупных специализированных хозяйствах, располагающих значительными площадями многолетних трав и кормовых культур на орошаемых землях, гарантирующих получение необходимого количества зеленой массы даже при неблагоприятных погодных условиях.
Для производства травяной муки требуется довольно сложный комплекс технологического оборудования и машин, включающий большой набор кормоуборочной техники, транспортных средств, сушильные агрегаты ё оборудованием для гранулирования, прессования и т.д.
Свежескошенные травы сушат в специализированных цехах, в которых размещены сушильные агрегаты. Для ритмичной и налаженной работы этих цехов обязательным условием является рациональная организация сырьевой база при скашивании и заготовке зеленой массы.
Основу зеленого конвейера
в любом хозяйстве должны составлять многолетние травы. При правильном их
подборе, достаточном внесении удобрений и рациональных режимах скашивания можно
обеспечить регулярное поступление зеленой массы высокого качества в течение
лета.
При расчете суточной потребности сушильного агрегата в зеленой массе, идущей на сушку, необходимо иметь в виду, что в зависимости от вида трав и их влажности на приготовление 1 т травяной муки требуется 2,7...5 т зеленой массы.
При уборке зеленой массы применяют два варианта скашивания трав для приготовления травяной муки: без провяливания и с провяливанием скошенных трав (рис. 85).
Первый вариант применяют наиболее широко. Основным его достоинством является то, что скашивание, измельчение и погрузка травы в транспортные средства совмещаются в едином технологическом процессе, за счет чего обеспечиваются поточность работ и возможность их выполнения даже в неблагоприятную погоду, а самое главное - в готовом корме сохраняются высокие - качества свежескошенной травы.
Уборку трав с предварительным провяливанием применяют реже, но она способствует эффективной работе сушильных агрегатов. Снижение начальной влажности уменьшает расход топлива, идущего на приготовление 1 кг травяной муки, с 0,8 до 0,12 кг. Поэтому целесообразно провяливать траву в полевых условиях до 60... 65 %. Однако необходимо строго соблюдать меры по сохранению ее качества. Делать это можно лишь в хорошую погоду и непродолжительное время, иначе потери питательных веществ и каротина могут быть такими большими, что производство травяной муки из провяленной зеленой массы окажется нерациональным.
Для приготовления, гранулирования и хранения травяной муки широко используют поточные технологические линии (рис. 86, а). В этих линиях агрегаты для приготовления травяной муки работа ют в комплекте с грануляторами и герметичными металлическими емкостями, в которые собирают и хранят готовую продукцию.
Технологическая схема сушильного агрегата для приготовления травяной муки показана на рис. 86, 6. Измельченная трава подается транспортером 10 в сушильный барабан 6, где смешивается с потоком топочных газов и воздуха. Здесь измельченная трава отдаёт влагу теплоносителю и поступает в циклон 4, где отделяется от теплоносителя. Через шлюзовой затвор 3 трава попадает в дробилку 2 и в виде муки направляется в следующий циклон 1, где отделяется от воздуха и затем поступает на хранение.
Для лучшего режима сушки зеленой массы барабаны сушилок делают вращающимися, что обеспечивает перемешивание продукта.
Гранулирование травяной муки является завершающей операцией производства. В гранулированном виде она имеет ряд преимуществ перед рассыпной.
Для гранулирования травяной муки применяют гранулятор. Гранулирование осуществляется следующим образом: травяная мука подается дозатором в смеситель, в котором увлажняется до 14... 17 % водой и интенсивно перемешивается. Затем мука поступает в пресс, где происходит гранулирование. Из пресса гранулы самотеком поступают в норию, которая подает их в охладительную колонку. В этой колонке гранулы продуваются воздушным потоком, создаваемым циклоном-охладителем. При этом снижаются температура и влажность гранул, а также повышается их прочность.
Далее гранулированная травяная мука направляется на хранение в герметичные металлические емкости-башни, в которых процессы загрузки и выгрузки механизированы.
Тема:
Технология и технологические средства механизированной раздачи кормов.
ПЛАН:
1. Требования к кормораздающим устройствам, их классификация и сравнительная оценка.
2. Технологическое оборудование для раздачи кормов.
3. Установки для транспортировки и раздачи кормов по трубам.
4. Энергетическая характеристика средств механизации для раздачи кормов.
5. Машины и оборудование для механизации погрузочно-разгрузочных и транспортных работ
1. Требования к кормораздающим устройствам, их классификация и сравнительная оценка.
Обеспеченность животноводства кормом определяется не только их количеством и качеством, но и эффективностью их использования. Эффективность использования кормов в очень сильной степени зависит от своевременности их раздачи: - вареный картофель через 2 часа полностью теряет витамин С; измельченные корнеклубнеплоды обесцениваются, так как теряют клеточный сок. Учеными установлено, что нарушение режима кормления (которое может быть, как по причине субъективной, так и по причине технической и технологической), без изменения суточного рациона, приводит к снижению продуктивности животных на%.
Важно – совершенствование технологии раздачи кормов и применяемых для этой цели технических устройств. Это предопределяет рациональное использование рабочей силы (и снижение трудозатрат, и укрепление трудовой дисциплины). На долю раздачи кормов приходится до 30-40 % трудозатрат по уходу за животными.
Устройства предназначенные для нормированной раздачи кормов по кормушкам называются кормораздающими устройствами или проще кормораздатчиками.
Кормораздатчик выполняет две операции:
1. перемещение (транспортировку) корма.
2. дозированное распределение его вдоль всего фронта кормления.
Операция №2 является главной, и это отличает его принципиально от обычных транспортных средств.
Кормораздающие устройства должны удовлетворять зоотехническим и техническим требованиям. Основные из них:
1. Обеспечивать раздачу различных кормов и их смесей (универсальность).
2. Обеспечивать
равномерность выдачи корма с максимально допустимым отклонением от нормы
15 % (для стебельчатых кормов),
5 % (для концентрированных кормов).
3. Максимально возвратимые потери корма не должны превышать 1% от розданного количества. Невозвратимых потерь корма не допускается.
4. Обеспечивать изменение нормы выдачи корма от минимальной до максимальной.
5. Не допускать расслоения корма по фракциям и его загрязнения.
6. Поверхности рабочих органов должны быть устойчивыми к агрессивной среде.
7. Не допускать травмирования обслуживающего персонала и животных.
8. Не оказывать отрицательного влияния на физиологическое состояние животных (повышенный шум или др.).
9. Продолжительность времени раздачи корма в одном помещении не должна превышать 30 мин. для мобильных раздатчиков и 20 мин. для стационарных средств раздачи.
10. Быть простыми в устройстве и обслуживании.
11. Обеспечивать высокую эксплуатационную надежность (коэффициент эксплуатационной надежности должен быть не ниже 0,98).
Мобильные кормораздатчики должны отвечать ряду дополнительных требований:
а) быть устойчивыми в рабочем и транспортном положениях;
б) иметь высокую маневренность и хорошее сцепление с грунтом;
в) допускать выдачу корма в стационарные средства.
Срок службы кормораздатчиков должен быть не менее 7 лет; срок окупаемости для мобильных – не более 2 лет, для стационарных – не более 1.5 лет.
В настоящее время в технологии существует 2 способа раздачи кормов: передвижными кормораздатчиками и стационарными кормораздатчиками.
Принцип действия мобильных кормораздатчиков заключается в том, что предварительно заполненная емкость перемещается вдоль фронта кормления скота и дозировано выдает корма, последовательно заполняя кормушки.
Преимущества раздачи кормов мобильными средствами:
1. Универсальность, низкая стоимость и простота применения.
2. Позволяют совместить доставку кормов от хранилищ (или с поля) с дозированием и раздачей их в кормушки.
3. Устраняются трудоемкие операции по перевозке кормов.
Недостатки:
1. Нерациональное использование полезной площади животноводческих помещений (кормовые проезды занимают до 25-30 % площади пола).
2. Использование мобильных кормораздатчиков приводит к нарушению микроклимата в помещениях (выхлоп вредных газов, открытие ворот в зимний период и т. д.).
3. Повышенный шум отрицательно влияет на продуктивность животных.
4. Существующие раздатчики служат в основном для раздачи концентратов и плохо приспособлены для раздачи отходов пищевой промышленности (например – свекловичного жома).
5. Значительная неравномерность выдачи кормов.
Дальнейшее развитие отечественных мобильных кормораздатчиков будет идти по пути увеличения их грузоподъемности, скорости и маневренности, совершенствования механизмов для дозирования кормов, снижения металлоемкости и энергоемкости.
Стационарные кормораздатчики отличаются большим разнообразием конструкций, принципов действия, расположения относительно кормушек, типов рабочих органов, степени автоматизации и т. д.
Стационарные кормораздатчики делятся на 2 вида: расположенные в кормушках и расположенные над кормушками (Рис.14.1.).
Кормораздатчики, расположенные в кормушках, имеют следующие преимущества: экономия площади, минимальная металлоемкость легкость уборки остатков корма из кормушек.
основные недостатки: рабочие органы, находящиеся в кормушках мешают полному поеданию корма, что увеличивает отходы; перемещение кормовой массы вдоль всего фронта кормления способствует переносу инфекций.
Кормораздатчики над кормушками лишены названных недостатков. Однако здесь существенно увеличивается металлоемкость, усложняется очистка кормушек, имеют, как правило, более низкий коэффициент эксплуатационной надежности.
По типу рабочих органов стационарные кормораздатчики бывают: шнековые, цепочно – скребковые, цепочно–ленточные, тросово–ленточные, штанговые, спирально–пружинные, тросово–шайбовые. Сюда же относятся вибротранспортеры, транспортеры с ковшами – кормушками, кормопроводы.
|
|
|
|
а) |
б) |
|
Рис.14.1. Схемы стационарных кормораздатчиков а – расположенных в кормушке; б – расположенных над кормушкой |
Перспективным направлением является создание малогабаритных электрифицированных мобильных раздатчиков. Они сочетают в себе положительные стороны мобильных и стационарных раздатчиков (электрический привод бесшумен, экономичен, удобен в обслуживании, не выделяет вредных газов).
Мобильные кормораздатчики.
1. Кормораздатчик тракторный универсальный КТУ –10 (МТЗ –80, МТЗ - 82).
Предназначен для транспортировки и выгрузки на ходу в кормушки на одну или две стороны корма (измельченной кукурузы, травы, сена, сенажа).
2. Раздатчик кормов мобильный, малогабаритный РММ – 5,0 (Т –25; ДТ -20).
Он выполняет те же операции, что и кту –10, но в отличие от него может раздавать корм в помещениях с узкими проездами (шириной 1,4 м.).
3. Кормораздатчик универсальный тракторный КУТ –3А (МТЗ –80).
Для подвоза и раздачи в кормушки комбикормов. Так же его можно использовать для раздачи зеленой массы, силоса, сенажа, измельченных корнеплодов, свекловичного жома. Он может выполнять смешивание кормов.
4. Кормораздатчик тракторный прицепной КТП – 10У «Иван»
Предназначен для транспортировки и раздачи с кормушки листестебельных кормов, измельченной соломы, сена, силоса, сенажа, жома, корнеплодов и кормовых смесей. Агрегатируется с тракторами тягового класа 1.4 (МТЗ -82)
5. Кормораздатчик тракторный КТ – Ф – 12
Предназначен для транспортировки и раздачи кормов и кормовых смесей, а также подачи их в загрузочные воронки стационарных кормораздатчиков. Агрегатируется с тракторами тягового класса 1.4 (МТЗ - 82).
6. Автомобильный раздатчик кормов РКА – 8,0.
Предназначен для транспортировки и раздачи в кормушки зеленой массы, силоса, сенажа, грубых кормов, жома. Разгрузка кормов односторонняя – левая. Емкость кузова – 8 м3.
7. Электрифицированный мобильный кормораздатчик КБ –4.
Предназначен для транспортировки и раздачи крупному рогатому скоту измельченных и сочных кормов, а также для очистки кормушек от остатков корма.
Основные рабочие органы: два битера в передней части бункера и цепочно–планетарный транспортер, образующий подвижное дно.
Процесс работы: загруженный кормораздатчик въезжает в кормушку и, продвигаясь вдоль нее, скребком очищает остатки кормов, передвигая их к краю кормушки.
В конце кормушки срабатывает конечный выключатель и электродвигатель реверсируется, кормораздатчик изменяет направление движения. В этот момент с помощью обгонной муфты включаются рабочие органы и корм выгружается в кормушку.
В конце кормушки с помощью концевого выключателя кормораздатчик автоматически останавливается.
Мощность двигателя 4,5 кВт, емкость бункера 3,2 м3.
Питание электрического двигателя от сети переменного тока с помощью кабеля КРПТ, подвешенного вдоль помещения над каждой кормушкой на несущем тросе в виде кабель-шторы.
8. Электрифицированный мобильный раздатчик кормов КЭМ.
Это кормораздатчик с аккумуляторно-кабельным питанием. Служит для транспортировки и раздачи к. р.с. зеленых кормов, силоса, сенажа.
Имеет 2 бункера – для грубых кормов и для концентрированных кормов.
Питание электропривода механизма передвижения – от аккумуляторной батареи, а электропривод рабочих органов от сети переменного тока напряжением 380/220 В с помощью кабель-шторы.
Применение комбинированного питания обеспечивает номинальный режим разряда батареи, а следовательно напряжение, а значит и скорость движения кормораздатчика во время работы остаются практически постоянными.
Привод рабочих органов от асинхронного короткозамкнутого электрического двигателя с жесткой характеристикой, способствует повышению равномерности раздачи кормов.
9. Кормораздатчик универсальный электромобильный КУС-Ф-2 .
Предназначен для нормированной раздачи влажных кормовых смесей и сухих концентрированных кормов различным половозрастным группам животных на свинофермах. корм раздается в автоматическом или ручном режиме.
Суммарная мощность электропривода 4.86 кВт
Стационарные кормораздатчики.
1. Транспортер – раздатчик кормов ТВК-80Б (ленточный).
Предназначен для раздачи грубых и сочных кормов и кормосмесей к. р.с. при привязном их содержании. Привод транспортера осуществляется от электрического двигателя мощностью 4,5 кВт. Отключение автоматическое.
2. Унифицированный транспортер для раздачи кормов ТРК –100.
Предназначен для раздачи грубых и сочных кормов к. р.с.
3. КЛО–75 – ленточный, с односторонним подходом животных.
Рабочий орган – стальная лента.
4. КЛК–75 - ленточный, с двухсторонним подходом животных.
5. Раздатчик кормов РКУ–200.
Имеет 4 электрических двигателя: для привода кормоприемника – питателя; транспортера загрузки кормов; горизонтального транспортера и раздатчика кормов.
Общая мощность электрических двигателей – 13,4 кВт.
6. Универсальный ленточный раздатчик кормов с раздающей тележкой УЛРК.
7. Ленточный кормораздатчик КЛ.
Необходимо отметить на важность правильного выполнения заземления всех электроприводов. Электропроводку силовых цепей и цепей управления необходимо выполнять в трубах, проложенных на полу или по стенам здания.
Б. свиноводческие фермы.
Из мобильных раздатчиков используется – КУТ – 3М – для транспортировки и раздачи концентрированных и полужидких кормов.
Наибольшее распространение получили стационарные кормораздатчики:
1. РКС-3000 – для приема и раздачи сухих, сочных и влажных кормов, при обслуживании до 3000 свиней. Установлено 3 электрических двигателя: для привода транспортера бункера – дозатора; платформы и транспортера загрузки кормов.
2. Кормораздатчик РКА–60/600 обеспечивает по заданной программе нормированное кормление 60 маток и 600 поросят.
3. Автоматизированный раздатчик РКА–2000 - для обслуживания 2000 свиней (управление осуществляется автоматизированной станцией ЭСУ–2000М).
4. Автоматизированный раздатчик РКА–1000.
Оба эти кормораздатчика – для механизированной раздачи гранулированных комбикормов.
5. РС–5А; КС–1,5; КЭС–1,7; КПС–0,18 – электрифицированные кормораздатчики для смешивания и раздачи полужидких кормов.
В. овцеводческие фермы.
Для раздачи кормов используются ленточные кормораздатчики, переоборудованные ТВК–80Л, раздатчики ТС–2; КП–1000 – для раздачи рассыпных кормосмесей.
Для раздачи гранулированных кормов используют мобильный раздатчик РГК–4 и самокормушки (круглые и прямоугольные).
КОО–5.08.000 – стационарный кормораздатчик скребкового типа для раздачи грубых кормов, силоса.
Г. птицеводческие фермы.
Для раздачи кормов используют: цепные, спирально-пружинные, тросово-шайбовые, цепочно-скребковые, тросово-ленточные, колебательные раздатчики.
При клеточном содержании птицы кормораздатчики являются составной частью клеточной батареи. Для подвоза сухих кормов и загрузки их в бункера используется загрузчик сухих кормов ЗСК–10.
Для заполнения бункеров клеточных батарей используются цепочно-скребковые транспортеры типа БЦМ.
3. Установки для транспортировки и раздачи кормов по трубам.
Пневмогидравлические системы (установки) классифицируются следующим образом:
а). По назначению:
- для раздачи кормов и их смесей;
- для транспортировки других материалов (например, навоза).
б). По виду несущей среды:
- пневматические (среда - воздух);
- гидравлические (среда - жидкость).
в). По принципу действия:
- напорные (работают под действием напора);
- самотечные (под действием силы тяжести).
При раздаче кормов по трубам в основном используются напорные системы.
г). По расположению нагнетателя:
- с вертикальным нагнетателем;
- с горизонтальным нагнетателем;
- с прямоточным нагнетателем.
Прямоточная установка работает на сжатом воздухе, снабжена устройством для обратной продувки в случае образования пробок.
д). По конструкции:
- стационарные;
- мобильные.
Пневматические установки, как правило – стационарные.
е). По характеру управления:
- с ручным управлением;
- с автоматическим управлением.
ж). По величине развиваемого напора:
- низконапорные (до 4,9•105, Па);
- средненапорные (до 9,8•105, Па);
- высоконапорные (>9,8•105, Па).
При использовании шаровых разделителей время перемещения корма в 2-3 раза, а расход воздуха в 3-5 раз меньше, чем при транспортировке без разделителей.
4. Энергетическая характеристика средств механизации раздачи кормов на фермах.
Основным показателем по которому оценивают энергетические расходы при использовании разнородных машин является удельный расход энергии кВт•ч/т. Данные по удельному расходу энергии для некоторых марок кормораздатчиков приведены в таблице 14.1.
Таблица 14.1. – Удельный расход энергии кормораздатчиками
|
Наименование машины |
Марка |
Удельный расход энергии, кВт·ч/т |
|
1. Электрифицированный кормораздатчик (мобильный) |
РС – 5А |
0.3 |
|
2. Электрифицированный кормораздатчик (мобильный) |
КБ – 4 |
1.0 |
|
3. Электрифицированный кормораздатчик (мобильный) аккумуляторно-кабельный |
КЭМ |
0.7 |
|
4. Пневмогидроустановки |
- |
0.16-2.0 |
|
5. Транспортер ленточный |
УЛРК |
0.7 |
|
6. Кормораздатчик |
ТВК – 80 |
1.1 |
|
7. Кормораздатчик. |
РКУ - 200 |
2.7 |
|
8. Кормораздатчик платформенный |
РКС - 3000 |
2.5 |
|
9. Кормораздатчик автоматизированный |
РКА – 1 |
3.8 |
|
10. Передвижной ленточный раздатчик над кормушками. |
ТРК - 100 |
0.4 |
наименьшей энергоемкостью отличаются мобильные электрифицированные кормораздатчики над кормушками и пневмо - гидроустановки.
5. Машины и оборудование для механизации погрузочно-разгрузочных и транспортных работ
Механизация погрузочно-разгрузочных работ — использование машин и механизмов для
погрузки грузов на ж.-д. и автомобильный подвижной состав, выгрузки с него,
перегрузки с одного вида транспорта на другой и перемещения грузов внутри
складских помещений, на территории грузовых районов, подъездных путях
промышленных предприятий и т. п. Основная цель механизации трудоемких
и тяжелых погрузочно-разгрузочных работ — облегчение труда занятых на их
выполнении людей. На ж.-д. транспорте при переработке грузов механизация наряду
с повышением производительности труда — важное средство сокращения времени
простоя подвижного состава, улучшения сохранности грузов и вагонов.
Для осуществления механизации
погрузочно-разгрузочных работ на ж.-д. транспорте применяют различные
подъемно-транспортные, погрузочно-разгрузочные машины и оборудование, в
зависимости от полноты использования которых в выполнении конкретных операций
различают механизированную, комплексно-механизированную и автоматизированную
грузопереработку. К механизированной грузопереработке относят работы, при
выполнении которых только основные операции производятся машинами (например,
захват и перемещение груза из вагона в кузов автомобиля грузоподъемным краном),
а вспомогательные операции — застропка груза, его направление, отстропка,
оттяжка при укладке в штабель и т. п.- осуществляются вручную.
К комплексно-механизированной грузопереработке
относят работы, при ведении которых весь производственный процесс от начала до
конца операции выполняют машины, а труд людей сведен к управлению этими
машинами или осуществлению вспомогательных операций без применения ручного
труда. При этом обычно используются специализированные погрузочно-разгрузочные
средства, выполняющие определенные операции с рядом однотипных грузов. К таким
работам относятся погрузка, выгрузка, сортировка контейнеров, тяжеловесных и
тарно-штучных грузов в пакетах; переработка грузов на поддонах; перегрузка
лесоматериалов. При выгрузке металлов и изделий из них используют также
электромагнитные захваты. Грузопереработка насыпных и навалочных грузов
осуществляется с применением грузоподъемных кранов, ковшовых погрузчиков,
экскаваторов, погрузчиков и разгрузчиков непрерывного действия. При перевозке
таких грузов в полувагонах и на специализированном подвижном составе
осуществляется выгрузка в вагоноопрокидывателях и с применением инерционных
разгрузочных машин, на сливных эстакадах, на специально оборудованных
повышенных путях. Выгрузку легкосыпучих грузов (цемента, зерна
и т. п.) ведут пневматическими установками, а в ряде случаев (из
бункеров) — самотеком.
Комплексная механизация создает предпосылки для
организации автоматизированной грузопереработки, при которой могут быть
автоматизированы только отдельные (гл. обр. основные) грузовые операции (частичная
автоматизация) либо весь процесс может осуществляться без непосредственного
участия человека (полная автоматизация).
Показатели оценки механизации работ (в том числе
комплексной) — уровень и степень механизации. Уровень механи заци и
определяется как отношение объема работ, выполненных механизированным способом,
ко всему объему погрузочно-разгрузочных работ (в %), степень
механизации — как отношение трудовых затрат при механизации к общим
трудовым затратам на весь объем работы (в %). При учете произведенных
работ их оценивают в тонно-операциях, понимая под одной операцией комплекс
работ, выполняемых с грузом от момента его захвата рабочим органом машины (или
руками человека) до освобождения. К учету выполненных работ принимаются
тонно-операции при перемещении грузов из крытого или открытого склада в вагон
или на автомобиль (погрузка); из вагона или автомобиля в крытый (или открытый)
склад (выгрузка); из вагона в вагон или на автомобиль, из автомобиля в вагон
(перегрузка); внутри крытого или открытого склада с целью перевески,
перекладки, проверки груза, освобождения складской площади и др. (не в процессе
погрузки, выгрузки из вагонов и автомобилей), когда в выполнении этих операций
возникает производственная необходимость, а также с целью проверки штучных и
тарно-упаковочных грузов при расформировании пакетов по требованию
грузополучателя (автопредприятия) с последующей погрузкой их на автомобили
(внут-рискладские операции).
Для выполнения отдельных операций погрузки, выгрузки, сортировки грузов и др. погрузочно-разгрузочных работ машины и устройства включаются в определенной технологической последовательности в схему комплексной механизации. Схема комплексной механизации переработки тарно-штучных грузов, перевозимых в крытых вагонах, предусматривает выгрузку груза из вагона, промежуточное складирование, а затем погрузку его электропогрузчиками или малогабаритными автопогрузчиками на автомобили. По этой схеме возможно как напольное, так и стеллажное хранение грузов в складе на стандартных поддонах. Для грузовых станций с небольшим объемом грузоперера-ботки сыпучих и кусковых грузов схема комплексной механизации предусматривает использование козлового крана грузоподъемностью 5 т, оснащенного съемными грейферами вместимостью 1,5-2 м3 В схеме комплексной механизации переработки сыпучих и кусковых грузов на повышенных путях и с помощью одноковшовых тракторных погрузчиков предусмотрена разгрузка грузов из полувагонов самотеком через открытые люки. Наиболее перспективной является схема комплексной механизации, в которой повышенный путь высотой 2,4 м перекрыт двухконсольным козловым краном, оснащенным моторным грейфером для загрузки автомобилей-самосвалов с применением виброрыхлителя смерзшихся грузов и с использованием вибратора для очистки полувагонов от остатков сыпучих грузов, двух электрических или пневматических люкоподъемников. В типовых схемах комплексной механизации выгрузки сыпучих грузов из закрытых складов принята технология работ в основном по варианту «вагон — автомобиль». Для этого используются электропогрузчики и автопогрузчики, оборудованные ковшами, бульдозерно-грейферными и другими захватами. Наибольшую производительность обеспечивает применение разгрузчиков непрерывного действия с рабочими органами, позволяющими выгружать также и слеживающиеся грузы. При выгрузке сыпучих грузов из хопперов и цистерн-цементовозов применяются схемы выгрузки самотеком и с использованием всасывающих устройств автоцементовозов. Комплексная механизация переработки лесоматериалов и тяжеловесных грузов по типовой схеме осуществляется с применением козловых, мостовых и стреловых грузоподъемных кранов со сменными приспособлениями для захвата металлических, железобетонных изделий, круглого леса и пиломатериалов. Технологический процесс работы контейнерных пунктов предусматривает схему комплексной механизации с использованием двухконсольных козловых кранов, позволяющих осуществлять операции погрузки, выгрузки и сортировки универсальных контейнеров. Для перегрузки контейнеров брутто 3 и 5 т применяются козловые краны грузоподъемностью 5 т с пролетом 11,3 и 16 м. Застропка, отстропка и перегрузка среднетоннажных контейнеров производится автостропами. Перегрузку крупнотоннажных контейнеров осуществляют специальными козловыми кранами с пролетом 25 м грузоподъемностью на захвате 20, 32 и 40 т. Для работы с крупнотоннажными контейнерами краны оснащают захватами с жесткой рамой на один типоразмер контейнеров и с раздвижной телескопической рамой — на несколько типоразмеров.
Тема 3.14. Механизация водоснабжения животноводческих ферм и комплексов.
ПЛАН:
1. Общие сведения о воде. Системы механизированного водоснабжения. Инновационные технологии и оборудование для поения животных и птиц.
2. Водопроводные сети. Схемы водопроводных сетей. Классификация водоподъемного оборудования.
3. Водоснабжение ферм. Источник водоснабжения и водозаборные сооружения
4. Насосы и водоподъемные установки. Напорно-регулирующее и водопроводное оборудование. Автоматические поилки и водораздатчики.
5. Выбор электронасосной установки. Оборудование для поения животных.
6. Определение потребности в воде и выбор схемы водоснабжения
1. Общие сведения о воде. Системы механизированного водоснабжения. Инновационные технологии и оборудование для поения животных и птиц
На планете насчитывается 1.45 млрд. км3 воды, что составляет 0.13 % от объема земного шара.
Пригодной для непосредственного использования человеком воды всего 5…6 млн. км3, то есть 0.3…0.4 % от общего объема.
Вода – это самое драгоценное ископаемое. Вода – это действенный проводник культуры, это живая кровь, которая создает жизнь там, где ее не было.
Вода на животноводческих фермах расходуется на поение животных, приготовление кормов, тушение пожаров, содержание в чистоте оборудования и помещений и другие технологические нужды.
Механизация и автоматизация водоснабжения позволяют:
- увеличить продуктивность животных (продуктивность молочных коров повышается на 10 – 15%);
- снизить стоимость воды в 25 – 30 раз.
Природная вода не бывает чистой. Основные способы улучшения качества воды:
- осветление (отстаивание, фильтрование);
- опреснение;
- обеззараживание (кипячение, хлорирование, УФ облучение).
Системы механизированного водоснабжения.
Система водоснабжения объединяет комплекс сооружений и устройств на территории хозяйства, обеспечивающих всех потребителей доброкачественной водой в необходимых количествах.
Системы водоснабжения делятся на:
а) централизованные (все точки потребления воды обслуживаются одним водопроводом);
б) децентрализованные (для снабжения водой каждого пункта служит отдельный водопровод);
в) смешанные (часть точек питается централизованно, часть - децентрализовано).
Схема водоснабжения – это цепь взаимосвязанных устройств, при помощи которых осуществляется подача воды от источника к потребителям и все необходимые мероприятия по ее обработке.
Выбор системы водоснабжения и ее схемы должен быть оптимальным и обладать наилучшими техническими и экономическими показателями.
Напорные применяются тогда, когда уровень воды в источнике находится на одном уровне с потребителем или ниже его.
Водонапорную башню рекомендуется ставить на самом высоком месте. Если территория ровная, то башню следует размещать в центре фермы.
В безбашенных водопроводах (ВЭ – 2.5 м; ВУ – 5/30) напорно – регулирующим устройством служит герметически закрытый воздушно – водяной котел, снабженный реле давления, которое автоматически включает или выключает насосную станцию в зависимости от количества воды в котле. Схема такой установки приведена на рисунке 15.3.
Самотечные водопроводы используют там, где уровень воды в источнике выше уровня расположения потребителя.
2. Водопроводные сети. Схемы водопроводных сетей. Классификация водоподъемного оборудования.
Водопроводная сеть состоит из магистрального трубопровода, по которому вода доставляется от места добывания к месту распределения, и сети трубопроводов, предназначенной для непосредственного распределения воды между потребителями.
Внешняя и внутренняя водопроводные сети.
Вода из источников водоснабжения водоподъемником подается в водонапорную башню. Этот участок называется напорным трубопроводом. Из башни под действием гидростатического напора она поступает к потребителям и распределяется между ними. Та часть распределительной сети, которая проложена на территории фермы за пределами помещений, называется внешней магистральной водопроводной сетью.
Внешние водопроводные сети делятся на разветвленные и кольцевые.
Разветвленная (тупиковая) сеть состоит из отдельных линий. Вода от водопроводной башни проходит по главной магистрали с ответвлениями, которые оканчиваются тупиками, и поступает к потребителю с одной стороны.
Кольцевая сеть обеспечивает движение по замкнутому кольцу и подводит воду потребителю с двух сторон. Несмотря на то что длина кольцевых водопроводных сетей больше, чем тупиковых, они имеют значительные преимущества перед тупиковыми и чаще применяются на фермах и комплексах.
На небольших фермах внешнюю водопроводную сеть часто прокладывают по тупиковой схеме, на крупных фермах и комплексах применяют кольцевую сеть. Внешнюю водопроводную сеть обычно сооружают из чугунных и асбестоцементных труб. Реже применяют стальные трубы. В этом случае их покрывают антикоррозийной изоляцией. При прокладке водопровода соблюдают два правила: трассу выбирают из условия кратчайшей доставки воды потребителю; трубы укладывают на такую глубину, чтобы они не промерзли.
При расчете внешней водопроводной сети определяют оптимальные диаметры труб на отдельных участках сети и потери напора.
Скорость воды в трубах рекомендуется принимать для наружного водопровода диаметром до 350 мм равной 0,4…1,25 м/с, а для труб диаметром более 350 мм- 1,25…1,4 м/с; для магистральных труб внутренних водопроводных сетей- 1…1,75 м/с, а для ответвлений к приборам- 2…2,5 м/с.
Потери напора в сети складываются из двух составляющих: линейных и местных потерь. Линейные потери прямо пропорциональны длине трубопровода и гидравлическому уклону. Для облегчения расчетов в справочной литературе имеются таблицы, в которых приведены значения линейных потерь в зависимости от длины трубопровода. Местные потери напора в сети незначительны и составляют 5…10% от потерь по длине трубопровода.
Внутренние водопроводные сети предназначены для непосредственного распределения воды между потребителями внутри зданий. Схема разводки труб и виды водораздаточных приборов, устанавливаемых на водопроводной сети, зависят от технологических операций, на которые расходуется вода. Для бесперебойной подачи воды на производственные нужны внутренние водопроводные сети, как правило, выполняют кольцевыми. Если по условиям производства допускается перерыв в подаче воды, то можно применять тупиковые водопроводные сети.
Кольцевые сети внутренних водопроводов производственных зданий крупных ферм присоединяют к кольцевой сети наружного водопровода двумя вводами раздельно к разным участкам наружной сети.
Для устройства внутренних водопроводов в основном применяют стальные оцинкованные водогазопроводные трубы, соединяемые на резьбе или сваркой.
Водопроводные сети перед сдачей в эксплуатацию испытывают на прочность и герметичность, а установленную на них арматуру- на исправность ее действия. Испытания проводят под давлением воды, создаваемым в сети гидравлическим прессом.
Наружные водопроводные из чугунных, стальных и асбестоцементных труб испытывают 2 раза: при открытых траншеях и после их засыпки.
Схемы водопроводных сетей .По начертанию в плане различают два основных вида сетей: тупиковые (рис. 8.1, а) и кольцевые (рис. 8.1,б).

Рис. 8.1. Схемы водопроводных сетей:
а – тупиковая; б – кольцевая; 1 – 11 – расчетные колодцы водопроводной сети
Тупиковые сети в оптимальном варианте обеспечивают подачу воды к потребителю по кратчайшему пути, но не полностью удовлетворяют требование бесперебойности водоснабжения. Поэтому, как правило, в городах и на промышленных предприятиях проектируют кольцевые водопроводные сети.
Кольцевые сети имеют несколько бо́льшую протяженность, но обеспечивают более высокую степень надежности и бесперебойности подачи воды к потребителю, чем тупиковые.
Тупиковые водопроводные сети разрешается применять для снабжения водой объектов, допускающих перерыв в водоснабжении на время ликвидации аварии, и в населенных пунктах с населением до 500 человек.
Линии водопроводной сети в зависимости от их назначения можно разделить на магистральные и распределительные.
Магистральными называют линии, которые предназначены в основном для транспортирования воды по территории населенного пункта.
Распределительными называют линии, которые получают воду из магистральных линий и подают ее к потребителям через центральные пункты или домовые вводы. При этом, как правило, гидравлический расчет производят только для магистральных линий. Минимальный диаметр распределительных линий городского хозяйственно-противопожарного водопровода принимается не менее 100 мм и диктуется в основном расходом воды на пожаротушение. В крупных городах подача пожарного расхода требует увеличения диаметра труб распределительной сети до 150 мм, а иногда и до 200 мм.
При проектировании магистральной сети руководствуются следующими соображениями.
Кольца, образуемые транзитными магистралями и перемычками, должны иметь вытянутую форму в направлении основного движения воды.
По основному направлению движения воды должно быть проложено несколько параллельных магистральных линий (не менее двух). С точки зрения экономики число параллельно работающих транзитных магистралей должно быть по возможности наименьшим. Однако чтобы обеспечить бесперебойность водоснабжения, количество транзитных линий должно быть не менее двух.
Опыт проектирования магистральных сетей показывает, что оптимальное расстояние между магистральными линиями составляет 300...600 м. Соответственно расстояние между перемычками принимается равным 400...800 м. Диаметры трубопроводов (перемычек), соединяющих магистральные линии, должны назначаться с учетом работы их при аварии на магистральной линии, так как при нормальной работе они несут весьма малую нагрузку. Обычно диаметр трубопровода перемычки назначается на один-два размера меньше диаметра магистральной линии.
Магистральные линии водопроводных сетей рекомендуется трассировать по наиболее возвышенным отметкам территории для создания достаточных напоров в распределительной сети.
Магистральная сеть должна охватывать всех крупных потребителей и подавать воду к регулирующим емкостям. Крупные потребители и регулирующие емкости должны иметь не менее двух присоединений по возможности от магистральных линий смежных колец.
При трассировке магистральных линий необходимо учитывать строительно-эксплуатационные условия и увязывать трассы магистральной сети с размещением других сетей и сооружений городского хозяйства.
На крупных магистральных линиях рекомендуется устраивать сопроводительные линии в тех случаях, когда транзитный расход составляет не менее 80% суммарного расхода.
Водопроводные линии располагают в проездах по одной из сторон, по возможности вне бетонных или асфальтовых покрытий, прямолинейно и параллельно линии застройки. Трубопроводы должны пересекать проезды под прямым углом.
Выбирая трассу водопроводной линии, необходимо соблюдать минимальные расстояния от наружной поверхности трубопровода до различных подземных коммуникаций в соответствии с требованиями СНиПа. Глубину заложения водоводов и водопроводных сетей следует принимать с учетом исключения возможности замерзания воды в зимний период и недопустимого нагрева в летний период. Минимальную глубину заложения трубопроводов, считая от низа труб, принимают на 0,3...0,5 м больше расчетной глубины промерзания грунта.
3. Водоснабжение ферм. Источник водоснабжения и водозаборные сооружения
Для выбора машин и средств механизации системы водоснабжения ферм и пастбищ, необходимо знать вид и количество потребителей, их нормы суточного водопотребления, а также режимы потребления воды в течение суток.
Нормы водопотребления на ферме складываются из расхода воды на поение, приготовление кормов, мойку технологического оборудования и производственных помещений.
Среднесуточный расход воды Qcp. сyт. (л/сут) на ферме определяют по формуле
Qcyт.cp=,где qi — суточная норма расхода воды одним потребителем, м3; ni — число потребителей, имеющих одинаковую норму расхода.
Расход воды в течение суток, летом и зимой неравномерен: днем и летом больше, ночью и зимой меньше. Для расчета водопроводных сооружений и оборудования необходимо знать максимальные расходы воды: суточный, часовой и секундный.
Максимальный суточный расход воды (м3) определяют по формуле
Qсут.max=Qсут.ср αсут, где άсут — коэффициент суточной неравномерности водопотребления (принимают равным 1,3).
Часовые колебания расхода воды учитываются коэффициентом часовой неравномерности άч=2,5. Максимальный часовой расход (м3) Qч.max=Qсут.max αч/24,
Правильный выбор Qсут.max и Qч.max имеет важное значение. При повышенных коэффициентах система водоснабжения обходится дорого, а при пониженных — возникают перебои в подаче воды.
Максимальный секундный расход (м3) Qс.max=Qч.max/3600,
По максимальному суточному расходу выбирают вместимость водонапорных баков и резервуаров, оборудование станции первого подъема, по максимальному часовому расходу - оборудование станции второго подъема, по максимальному секундному расходу – диаметр труб.
Расход воды на животноводческих фермах тесно связан с принятой технологией производственных процессов. Так, на распределение суточного расхода воды на фермах по часам большое влияние оказывает кратность кормления и доения, при которой возникают максимальные значения («пики») водопотребления. При больших колебаниях расхода это создает неблагоприятные условия работы водопроводных сооружений и оборудования. Чем совершеннее организация технологических процессов на ферме, тем лучше сглаживаются неравномерности расхода воды. Для создания оптимальных условий работы системы водоснабжения необходимо составить график потребления воды на ферме с таким расчетом, чтобы изменение расхода воды по отдельным часам суток было достаточно равномерным. Это достигается рациональным распределением по часам суток технологических операций, на которые расходуется вода. Например, такие работы, как гидросмыв навоза и уборку помещений, выполняют по сдвинутому режиму.
Режим водопотребления (колебание расхода воды в часы суток) определяют для расчета сооружений системы водоснабжения. Неравномерность потребления воды в течение суток изображают в виде таблиц или графиков. Расходы воды по часам суток часто выражают в процентах от суточного расхода воды. Такие таблицы или графики составляют на основании многолетних наблюдений, замеряя расход воды в течение суток.
На противопожарные нужды расход воды устанавливают, руководствуясь степенью огнестойкости построек. Запас воды должен обеспечивать непрерывную трехчасовую работу пожарных брандспойтов.
Максимальный срок восстановления неприкосновенности противопожарного запаса воды должен быть не более 72 ч.
Водопроводы на фермах обычно рассчитывают только на хозяйственные нужды, а для противопожарного водоснабжения устраивают открытые водоемы или резервуары, где держат неприкосновенный запас воды. Число, вместимость и расположение резервуаров согласуют с инспекцией пожарной охраны.
Состав машин и инженерных сооружений зависит в основном от источника водоснабжения и требований, предъявляемых к качеству воды.
При водоснабжении животноводческих ферм наибольшее распространение получили местные и централизованные хозяйственно-производственные системы водоснабжения с подземными источниками воды и пожаротушения из противопожарных резервуаров мотопомпами или автонасосами.
В свою очередь, централизованные системы могут быть частью группового сельскохозяйственного водопровода, обеспечивающего водой несколько населенных пунктов, ферм и других производственных объектов, расположенных, как правило, на значительном расстоянии друг от друга.
Схема водоснабжения — это технологическая линия, связывающая в той или иной последовательности водопроводные сооружения, предназначенные для добывания, перекачки, улучшения качества и транспортировки воды к пунктам ее потребления. Воду можно подавать к потребителям по различным схемам.
В зависимости от конкретных условий (рельефа местности, мощности источника водоснабжения, надежности электроснабжения и др.) схемы водоснабжения могут иметь один или два подъема воды, предусматривать хранение регулируемого ее количества в водонапорных башнях или подземных резервуарах, подачу противопожарного запаса воды непосредственно из источника и др.
Система механизированного водоснабжения животноводческой фермы (комплекса) состоит из водозабора с насосной станцией, разводящей сети и регулирующего сооружения. В некоторых случаях систему водоснабжения дополняют сооружениями по очистке и обеззараживанию воды. В сельском хозяйстве наибольшее распространение получили локальные системы, когда отдельный объект обслуживается соответствующей системой водоснабжения. Они, как правило, имеют одну ступень подъема.
Окончательный выбор той или иной схемы водоснабжения в каждом конкретном случае должен быть обоснован технико-экономическим расчетом. К строительству принимается вариант с наименьшими капитальными и эксплуатационными затратами.
Основными установками механизированного водоснабжения на пастбищах являются:
1. Стационарный водоприемник, работающий от энергии ветра, солнца или двигателя внутреннего сгорания
2. Стационарный водоподъемник, работающий от передвижных источников энергии.
3. Передвижные водоприемник и источник энергии привода, смонтированные на автомашине или тракторе.
4. Вода подвозится извне цистернами от базового водоисточника.
При выборе схемы установки пастбищного водоснабжения предпочтительнее использование энергии ветра и солнца. Так, применение ветронасосной установки или солнечного генератора позволяет снизить стоимость 1 м3 воды в 4,5 раза по сравнению с применением ленточных водоприемников с двигателем внутреннего сгорания.
Источники водоснабжения и водозаборные сооружения
Источники водоснабжения могут быть поверхностными (реки, озера, водохранилища и др.) и подземными (родниковые, грунтовые и межпластовые воды). Они должны обеспечивать наибольший суточный расход воды потребителями независимо от времени года и условий потребления.
При выборе источника централизованного водоснабжения предпочтение отдают подземным водам по сравнению с поверхностными. Это объясняется повсеместным распространением подземных вод и возможностью использования их без очистки. Поверхностные воды применяют реже, так как они более подвержены загрязнению и перед подачей потребителю нуждаются в специальной очистке.
Грунтовые подземные воды залегают на первом от поверхности земли водонепроницаемом слое, практически не защищены от загрязнения и имеют резкие колебания дебита. Малые запасы грунтовых вод и их санитарная ненадежность делают их непригодными для использования в качестве источников централизованного водоснабжения.
Межпластовые подземные воды (напорные и безнапорные) отличаются высоким качеством. Они расположены в водоносных слоях, имеющих одно или несколько водоупорных перекрытий. Обычно эти воды залегают на значительных глубинах и, фильтруясь через почву, освобождаются от бактериальных загрязнений, а также от взвешенных веществ. Meжпластовые воды, как правило, подают на ферму без очистки, поэтому облегчается эксплуатация такой системы водоснабжения и существенно снижается ее стоимость.
Если межпластовых вод недостаточно или они по качественному составу не могут использоваться для хозяйственно-питьевого водоснабжения, устраивают водопроводы из открытых водоемов (рек, озер, водохранилищ). В южных районах страны источниками централизованного водоснабжения могут служить оросительно-обводнительные каналы. Место водозабора необходимо располагать выше населенного пункта по течению реки или канала. Водопой скота устраивают на водоемах, не используемых для водоснабжения населения. Если таких водоемов нет, делают лотки, отводящие воду из водоема к местам водопоя. При выборе источника водоснабжения необходимо учитывать технико-экономические показатели: стоимость сооружений и оборудования для подъема, обработки и транспортировки воды, затраты на эксплуатацию и ремонт и др. Например, стоимость 1 м3 воды из поверхностных источников с устройством очистки примерно в 3 ... 5 раз выше, чем стоимость воды из межпластовых источников, которую можно использовать без очистки.
Иногда в качестве источника водоснабжения используют атмосферные осадки (дождь или снег).
Источник водоснабжения выбирают в соответствии с требованиями ГОСТа и согласовывают с органами Государственного санитарного надзора. Выбрав источник водоснабжения, определяют его подачу.
Подачей (дебитом) источника называют объем жидкости, поступающей из него в единицу времени.
Водозаборные сооружения служат для забора воды из источника. Для забора воды из поверхностных (открытых) источников устраивают береговые колодцы или простейшие водозаборы, а для забора воды из подземных (закрытых) источников — шахтные, буровые (трубчатые) и мелкотрубчатые колодцы. Подземные воды, выходящие на поверхность, собирают в каптажные колодцы.
Водоприемная часть полного шахтного колодца опущена на всю глубину водоносного слоя и опирается на водонепроницаемый пласт. Водоприемная часть неполного шахтного колодца только частично погружена в водоносный слой и не достигает водонепроницаемого пласта.
Если один шахтный колодец не обеспечивает потребность в воде, то устраивают групповой шахтный колодец. При этом воду забирают из центрального колодца, соединенного с остальными самотечными или другими трубами. Расстояние между колодцами колеблется в пределах 10 ... 60 м в зависимости от толщины водоносного слоя и его фильтрующей способности.
Буровые (трубчатые) колодцы устраивают для забора воды из обильных водоносных пластов, залегающих на большой глубине (50 ... 150 м). Скважина состоит из устья 1 (рис. 4.5, б), эксплуатационной колонны 2, фильтра 3 и отстойника 4.
Стенки скважины предохраняют от обрушения, укрепляя их обсадными трубами, соединяемыми муфтами. Такие трубы изолируют водоносные горизонты, непригодные для водоснабжения.
Тип фильтра выбирают в зависимости от гранулометрического состава водоносных пород. Фильтры должны обладать хорошей пропускной способностью.
Подача шахтных и буровых (трубчатых) колодцев не должна превышать дебита источника. Для определения подачи колодцев проводят пробную откачку, во время которой контролируют изменение уровня воды в колодце при помощи приборов.
Зона санитарной охраны вокруг места водозабора включает в себя территорию, на которой расположены водозаборные сооружения, и водопроводную станцию. В нее входит также участок водоема на расстоянии 200 м выше и ниже места водозабора. Этот участок задерживает поступление загрязнений с берега непосредственно к водозабору.
На территории зоны санитарной охраны разрешается строительство только тех сооружений, которые непосредственно связаны с нуждами водопровода.
Подземные источники водоснабжения окружают зонами санитарной охраны. В такую зону входит территория, на которой расположен водозабор, и все головные водопроводные сооружения (скважины и каптажи, насосные станции, установки для обработки воды, резервуары). Например, зона санитарной охраны артезианских скважин составляет около 0,25 га, причем радиус территории должен быть не менее 30 м вокруг скважины. При использовании грунтовых вод размеры зоны санитарной охраны увеличиваются до 1 га при радиусе 50 м.
На территории зоны санитарной охраны разрешается строительство только тех сооружений, которые непосредственно связаны с нуждами водопровода. Вся территория зоны планируется так, чтобы поверхностный сток отводился за границы этой территории и поступал в водоем за пределами ее нижней границы.
На участке водоема, входящем в зону санитарной охраны, запрещается спуск сточных вод (даже в очищенном виде), а также бытовое использование водоема.
Санитарный режим на территории зоны санитарной охраны подземных источников должен быть таким же, как и на территории зоны санитарной охраны открытых источников водоснабжения.
4. Насосы и водоподъемные установки. Напорно-регулирующее и водопроводное оборудование. Автоматические поилки и водораздатчики.
Подачу воды от источника водоснабжения к водонапорным сооружениям или непосредственно к месту потребления осуществляют насосами и водоприемниками.
Насосы создают свободный напор, достаточный для подъема воды на некоторую высоту над поверхностью земли.
По принципу действия насосы подразделяют на лопастные, объемные, струйные и инерционные.
Лопастные насосы могут быть центробежными, вихревыми и пропеллерными.
Центробежные насосыприменяют для подачи воды с открытых источников, шахтных и трубчатых колодцев. По конструкции они могут быть горизонтальные, вертикальные, одно-, двух — и многоступенчатые, одностороннего и двухстороннего входа. По величине создаваемого напора центробежные насосы разделяют на насосы низкого давления — напор до 15 м, среднего — до 50 м и высокого - свыше 50 м.
Для механизированного водоснабжения животноводческих ферм применяют центробежные насосы типов К, КМ и НМГ, артезианские (погружные) типов АП, АПВ, ЭПЛ, ЭПВ, ЭПН, ЭЦВ и АВН, плавающие ПН-1 и вихревые В, ВС и ВО. В сельскохозяйственной практике для подачи воды наибольшее применение получили центробежные насосы с консольным расположением рабочего колеса — типов К и КМ. Они могут забирать воду из наземных источников или неглубоких шахтных колодцев. Так как проточная часть насосов К и КМ одинакова, то и все параметры соответствующих марок насосов полностью совпадают, а их особенности заключаются в следующем. Насосы марки К имеют собственный вал, вращающийся в шариковых подшипниках, помещенных в масляной ванне опорной станции. Привод их в работу может осуществляться как от электродвигателя, так и от двигателей внутреннего сгорания через упругую соединительную муфту или при помощи шкива и ременной передачи.
Погружные центробежные насосы применяют для подачи воды из шахтных и трубчатых буровых колодцев (скважин). Агрегат состоит из насоса 5, электродвигателя 7, водоподъемной трубы 4, а также оборудования горловины скважины, кабеля для питания электродвигателя 3 и станции управления 1.
Погружной насос состоит из нескольких вертикально расположенных ступеней рабочих колес 7, разделенных перегородками 4. Выходящая с большой скоростью из рабочего колеса вода поступает на направляющие аппараты 3, лопасти которых выгнуты против направления вращения рабочего колеса. Ударяясь о стенки лопастей, вода с большим напором выбрасывается наружу. Насос соединен непосредственно с электродвигателем через соединительную муфту 9.
Вихревые насосывследствие простоты конструкции, малой массы и повышенной подачи получили в последнее время широкое распространение в сельскохозяйственном производстве. Они представляют собой разновидность центробежных лопастных насосов, рабочее колесо которых имеет не отогнутые, а прямые радиальные лопасти.
Большим преимуществом вихревых насосов является то, что при повторных пусках их не надо предварительно заливать водой (как центробежные типа К и КМ), так как всасывающий и нагнетательный патрубки расположены выше рабочей камеры и камера постоянно залита водой.
Насос с электродвигателем соединяется напрямую или через ременную передачу, образуя насосный агрегат, закрепленный на общей фундаментной плите.
Пропеллерные(осевые) насосы имеют лопасти рабочего колеса, расположенные наклонно по отношению к оси вала, которые перемещают жидкость вдоль оси насоса.
Объемные насосы, или насосы вытеснения, разделяют на поршневые, плунжерные, ротационные (винтовые, шестеренчатые и пластинчатые), диафрагменные и насосы замещения. Работа этих насосов основана на попеременном изменении объема рабочей камеры. В первой половине процесса объем рабочей камеры увеличивается, в камере создается разрежение, и жидкость из источника вследствие разностей давлений засасывается в камеру. В течение второй половины процесса объем рабочей камеры уменьшается, и жидкость вытесняется из нее.
Объемные насосы отличаются от центробежных тем, что их подача не зависит от напора, развиваемого насосом. Напор объемных насосов практически ограничивается лишь механической прочностью деталей насоса и мощностью приводного двигателя. Кроме того, они способны работать как самовсасывающие, т.е. без предварительного залива перекачиваемой жидкости.
Поршневые насосыприменяют реже центробежных, и только в тех случаях, когда необходимо создать высокий напор при небольшой производительности. Параметры, характеризующие поршневые насосы, те же, что и у центробежных.
По способу приведения в действие они делятся на приводные и ручные; по расположению оси насоса — на горизонтальные и вертикальные; по конструкции поршня — на дисковые и плунжерные, по роду действия различают насосы одинарного и двойного действия. Приводом поршневых насосов являются электро — или ветродвигатели и двигатели внутреннего сгорания.
На животноводческих фермах и пастбищах применяют в основном поршневые насосы. Эти насосы относятся к типу глубинных насосов, предназначенных для подачи воды из буровых скважин диаметром 150-200 мм и с динамическим уровнем воды 40-60 м.
Инерционные (вибрационные) насосы могут быть с поверхностным и погружным вибратором. Работа инерционных насосов основана на использовании силы инерции, возникающей в столбе жидкости при изменении давления в трубопроводе насоса.
Особенность эксплуатации таких насосов — возможность их использования в виде агрегатов, в которых несколько насосов установлены параллельно (для увеличения подачи) или последовательно (для увеличения напора). В первом случае насосы монтируют на общем понтоне, а во втором подвешивают на раме, элементы которой также используют при последовательном соединении. Все это позволяет широко применять инерционные насосы в пастбищных установках с автономным бензоэлектрическим и ветроэлектрическими агрегатами или солнечным генератором. При питании от трехфазной сети целесообразно число насосов с однофазными электродвигателями выбирать кратным трем.
Водоструйные установкипредназначены для подачи воды из шахтных колодцев и буровых скважин.
Любой насос может перекачивать воду лишь при условии, если высота всасывания не превышает определенного значения, теоретически равного 10 м, а практически— 6 ... 7 м. В сочетании со струйным аппаратом насос может поднимать воду с глубины больше 10 м.
Безнапорные водоподъемники (ленточные, шнуровые, водочерпальные) используют для механизации подъема воды на пастбищах.
Ленточные водоподъемники применяют для подачи воды из шахтных колодцев.
Работа водоподъемника основана на выносе тонкого слоя воды, удерживающегося на поверхности движущейся ленты благодаря силам сцепления. При вращении ведущего блока лента перемещается и, проходя через толщу воды в колодце, захватывает с собой частицы воды. При выносе воды наверх в момент перехода через ведущий блок эти частицы под действием центробежных сил отбрасываются в кожух, из которого по сливному патрубку стекают в резервуар.
Ленточные водоподъемники используют при подъеме воды с глубины до 100 ... 250 м.
Шнуровые водоподъемники предназначены для подачи воды из буровых скважин. По своему устройству и принципу действия они аналогичны ленточным. В качестве рабочего органа, захватывающего воду, применяется шнур. Дополнительно шнуровой водоподъемник оборудован трубой, в которой шнур перемещается снизу вверх. Подача шнурового водоподъемника зависит не только от силы сцепления шнура с водой, но и от их взаимодействия со стенками трубы, через которую проходит рабочая ветвь шнура. Водочерпальные водоподъемники относят к типу безнапорных водоподъемников. Их подразделяют на черпаковые и капиллярные.
Черпаковые водоподъемники поднимают жидкость, непосредственно зачерпывая ее ковшами, черпаками или другими рабочими органами, установленными на бесконечной ленте.
Работа капиллярных водоподъемников основана на явлении смачивания. При перемещении рабочей ветви бесконечной ленты снизу вверх последняя, проходя через слой жидкости в источнике, смачивается, захватывает прилипшие к ней частицы жидкости и выносит их на поверхность.
Гидравлические тараны работают автоматически и не требуют для приведения их в действие какого-либо двигателя, они применяются для подъема воды из открытых источников при наличии естественного или искусственного перепада высотой 1...10 м.
Чтобы запустить гидравлический таран в работу, нужно воздействовать на ударный клапан. Вода под напором будет вытекать через этот клапан до тех пор, пока гидродинамический напор не преодолеет массу клапана и не захлопнет его, произойдет гидравлический удар, сопровождающийся резким повышением давления. Давление на нагнетательный клапан со стороны питающего трубопровода превысит давление, действующее на него со стороны воздушного колпака, клапан откроется, воздух в колпаке сожмется, и вода устремится по напорному трубопроводу в водоприемник. Затем в питающем трубопроводе давление понижается, нагнетательный клапан закрывается, а отбойный открывается, цикл повторяется.
Насосная станция представляет собой комплекс гидротехнических сооружений и насосно-энергетического оборудования, предназначенный для забора воды из источника водоснабжения и подачи ее в напорный резервуар или в водораспределительную сеть. В зависимости от назначения насосные станции подразделяют на станции первого и второго подъемов.
Станции первого подъема используют для забора воды непосредственно из источника водоснабжения и подачи ее на очистные сооружения или в промежуточные сборные резервуары.
Станции второго подъема служат для подачи воды из промежуточных резервуаров в водопроводную сеть и напорно-регулирующие сооружения.
При больших высотах водоподъема или при длинных водоводах в связи со значительными потерями напора применяют насосные станции третьего и даже четвертого подъемов.
Для сокращения строительных затрат здания насосных станций можно совмещать с водозаборными и другими сооружениями системы водоснабжения. При заборе подземных вод здания насосных станций располагают, как правило, над колодцем.
Напорно-регулирующее оборудование
На животноводческих фермах для повышения надежности и бесперебойной подачи воды, выравнивания режима работы насосных станций в линии водоснабжения ставят дополнительные емкости, которые по своему назначению делятся на регулирующие, запасные и запасно-регулирующие, а по расположению — на безнапорные и напорные.
При водоснабжении животноводческих ферм наибольшее распространение получили металлические безшатровые башни и водовоздушные котлы с насосным оборудованием и аппаратурой управления.
Водоподъемные установки с гидроаккумулирующим бакомтипа ВУ (ВУ-5-30А, ВУ-10-30А, ВУ-16-28, ВУ-10-80 и др.) предназначены для автоматического водоснабжения животноводческих ферм, жилых зданий, полевых станов из открытых и закрытых водоисточников, шахтных колодцев и скважин диаметром не менее 150 мм.
Гидроаккумулирующий бак 3, который служит напорно-регулирующей емкостью, конструктивно выполнен в виде стального цилиндра с эллиптическими днищами. Нижнее днище бака разъемное, а между верхним днищем и цилиндром установлена разделяющая диафрагма, препятствующая насыщению воды воздухом, вследствие чего поддерживается стабильная работа напорно-регулирующей системы.
Станция управления совместно с реле давления обеспечивает работу установки в автоматическом режиме, защиту от токов короткого замыкания и перегрузок. Реле давления отрегулировано на давление включения не менее 0,1 МПа и давление выключения не более 0,4 МПа, а предохранительный клапан - на давление срабатывания 0,45 МПа.
Установки типа ВУ работают следующим образом. После включения электродвигателя вода по напорному трубопроводу от насоса 7поступает к потребителю, а ее избыток — в бак 3, заполненный воздухом. Вода сжимает воздух и давление в баке повышается. Установленное в верхней части бака реле 5, когда достигается заданное давление, размыкает цепь питания катушки магнитного пускателя, и электродвигатель насоса отключается от сети. При неработающем насосе вода подается под давлением сжатого в баке воздуха. Когда давление в баке уменьшится до нижнего предела, контакты реле замыкаются, к катушке магнитного пускателя поступает питание и электродвигатель включается. Вода вновь начинает подаваться к потребителю и в бак.
Датчик уровней воды предназначен для работы в вертикальном положении при температуре от 4 до 40°С. Расстояние между датчиками верхнего и нижнего уровней образует высоту регулирующего объема бака и принимается равным 500 мм. Промышленностью выпускаются бесшатровые водонапорные башни объемом 15, 25 и 50 м3.
Водонапорные башнипредназначены для создания напора в водонапорной сети, хранения запасов воды и регулирования работы водоподъемных установок при водоснабжении животноводческих и птицеводческих фирм, сельских населенных пунктов и других объектов.
Наиболее распространены сборно-блочные металлические башни типа БР. Металлический бак на башнях такого типа установлен на цилиндрическом стволе, который служит также для хранения запаса воды. Внутри и снаружи ствола и бака приварены металлические скобы, играющие роль лестницы.
Водонапорные башни БР комплектуют станциями автоматического управления типа ПЭТ и ШЭТ с беспоплавковыми контактными датчиками уровня. Датчик подвешивают так, чтобы расстояние от него до стенок бака было не менее 1 м и приемное отверстие сливной трубы располагалось выше контактов верхнего уровня, но ниже кожуха датчика.
Башня состоит из резервуара, шатра и ствола (опоры). Резервуары изготавливают из металла и железобетона. Вместимость резервуара определяется с учетом расхода воды и времени работы насосной установки в течение суток. За время работы насосной установки в резервуаре должен накапливаться аварийный запас воды на случай временного прекращения работы насосной установки. Обычно резервуар выбирают вместимостью, равной 15...20 % суточного расхода воды.
Ствол башни выполняют кирпичным, железобетонным, стальным и в редких случаях деревянным. Конструктивно он имеет вид сплошного цилиндра или пространственных стержневых конструкций.
Шатром называют конструкцию, размещаемую вокруг резервуара, которая защищает его от охлаждения и замерзания воды. Шатер изготавливают из железобетона или дерева. Вместо шатра резервуар можно утеплять теплоизолирующим материалом. Башни с шатрами дороже, чем бесшатровые.
Бесшатровые башни можно строить в различных климатических зонах, что обосновывается теплотехническим расчетом. Резервуар бесшатровой башни при отрицательной внешней температуре не промерзает полностью, если в него поступает вода с положительной температурой и обеспечен соответствующий водообмен. На стенках резервуара образуется слой льда, служащий хорошим теплоизолятором. При проектировании учитывают уменьшение объема резервуара, которое требует изменения режима работы насосной установки.
Для водоснабжения животноводческих предприятий в настоящее время широко применяются стальные бесшатровые башни — колонны конструкции А.А. Рожновского вместимостью 15, 25 и 50 м3.
Башни этой конструкции без утепления можно использовать в местностях с зимней температурой до —40 ºС, если вода водоисточника имеет температуру не ниже 4 ºС. Такие башни собираются из отдельных блоков (резервуара, цилиндрической опоры под резервуар и железобетонных фундаментных башмаков). Цилиндрическая опора одновременно является и емкостью для воды, что увеличивает запас воды в башне почти в 2 раза. Башня комплектуется и собирается полностью в горизонтальном положении, ее установка осуществляется с помощью автокрана, трактора или лебедки и мачты.
Для хранения запасов воды иногда используют безнапорные резервуары, из которых вода может подаваться в водопроводную сеть насосами.
Вместимость баков водонапорных башен и резервуаров выбирают в зависимости от суточного расхода воды, характера расходования ее по часам суток и работы насосной станции. Характер расходования воды по часам суток может быть установлен в результате подсчетов значений коэффициентов часовой неравномерности для каждого потребителя с учетом принятого на ферме распорядка дня.
Регулирующая вместимость бака или резервуара зависит от продолжительности работы насосной станции. Расчетами и практикой определено, что бак или резервуар минимальной вместимости может быть выбран в том случае, если насосная станция работает в сутки не менее 16 ... 19 ч.
Пастбищное водоподъемное оборудование
Водоподъемник диафрагменный пастбищный ВДП-50 предназначен для подъема воды из шахтных колодцев и скважин диаметром не менее 150 мм и глубиной до динамического уровня воды не более 50 м.
Водоподъемник устанавливают на стационарных пунктах и пастбищах пустынных и полупустынных районов и в зонах сухих степей. Он может поднимать воду с механическими примесями (песком) до 1% и повышенной минерализацией до 15 г/л, при этом не требуется наличия специального утепленного помещения.
Устройство диафрагменного водоприемникапоказано на рис. 4.18. Технологический процесс подъема воды заключается в следующем: шкив двигателя через клиноременную передачу и пару шестерен передает вращение на коленчатый вал, который через шатун сообщает возвратно-поступательное движение поршню. Поршень создает переменное давление в гидропроводе, верхняя часть которого до середины расширителя заполнена маслом, а нижняя часть гидропривода и внешняя полость насоса заполнены водой. Диафрагма под действием воды гидропровода деформируется и, принимая форму оребренной трубы, вытесняет воду, которая проходит в отверстия оребреннной трубы, открывает нагнетательный клапан, проходит в напорный водопровод и через амортизатор выходит на поверхность. При перемещении поршня вверх (цикл всасывания) давление в гидроштанге падает и резиновая диафрагма занимает первоначальное положение. Внутри диафрагмы создается разрежение, открывается нагнетательный клапан, впуская очередную порцию воды, которая заполняет пространство между стержнем и диафрагмой. Затем начинается цикл нагнетания.
Система трубопроводов 2 соединяет электронасос с емкостью 5 или другим потребителем воды. Она состоит из труб с внутренним диаметром 50 мм. Верхняя муфта колонны водоподъемных труб имеет отверстие для слива воды из труб, расположенных между скважиной и емкостью, в момент остановки электронасоса. Производительность установки УПЭ-6,3-85 6,3 м'/ч.
Установка УПЭ-4-130 в отличие от УПЭ-6,3-85 имеет электронасос ЭЦВ6-4-130-45. В остальном устройство и принцип работы такие же. Производительность установки УПЭ-4-130 4 м3/ч.
Установки типа УПЭ с автономным источником электроэнергии применяют в основном в отдалении от электросетей, а вырабатываемую бензоэлектрическим агрегатом электроэнергию используют не только на водоподъеме, но и для обеспечения бытовых нужд обслуживающего персонала на отгонных пастбищах.
Автоматические поилки.
Система автопоения животных представляет собой внутреннюю сеть с водопроводной арматурой (вентили, задвижки, клапана) и водоразборными устройствами (краны, колонки, гидранты, автопоилки).
Вентили позволяют плавно
изменять сечение проходного отверстия трубопровода (при Р
10 атм., и D
80 мм.).
Задвижки то же самое при P – до 16 атм., и D >80 мм..
Автопоилки делятся на индивидуальные и групповые.
Групповые в свою очередь бывают стационарными и передвижными.
Групповые поилки применяют для поения коров и молодняка к. р.с.. при беспривозном (боксовом) содержании, свиней при крупно групповом содержании и птицы. Их также используют в летних лагерях и на пастбищах.
Индивидуальные поилки используют для поения к. р.с. при привязном содержании и поения свиней при содержании их в стойках.
|
|
|
Рис.15.11. Схема автопоилки АГК – 4 1-корпус; 2-электронагреватель; 3- отражатель; 4-терморегулятор; 5- поплавковый механизм. |
Поилки для к. р.с.
1. индивидуальное – ПА–1 (металлические), АП–1 (пластмассовые).
2. групповые (АГК–12, АГК–12А, АГК–4) - с электроподогревом) (Рис.15.11.).
Поилка одновременно обслуживает – 4 коровы.
Рассчитывается на 100 коров.
Поилки для свиней.
1. индивидуальные поилки – ПБС–1 (поилка бесчашечная сосковая) – для поения свиноматок и в станках.
2. групповые – ПАС–2, АГС–24, АПТ.
3. групповая универсальная автопоилка УАС–500 для поения поросят водой, сывороткой и др..(Рис.15.12.).
|
|
|
Рис.15.12. Схема универсальной автопоилки УАС – 500. 1 – сливная труба; 2 – вакуумная цистерна для жидкостей; 3 – гибкий шланг; 4 – регулятор уровня жидкости; 5 – стопор регулятора уровня жидкости; 6, 12 - краны; 7 - поплавковый регулятор уровня воды; 8 - электроводонагреватель; 9 - водопровод; 10 - трубопровод для подачи воды, сыворотки, обрата…;11 - автопоилка. |
|
|
|
Рис.15.12. Поилка для выпойки ягнят ПВЯ-Ф-5-10: 1 - смеситель; 2 - пускозащитная аппаратура; 3 - молокопровод; 4 -устройство для выпойки. |
Поилки для овец.
АО –3,0 (на пастбищах обслуживает до 1500 овец).
АГО –3 – для поения овцематок.
АС –0,2 – для поения овцематок в период окота.
ПВЯ-Ф-5-10 – для выпойки ягнят (Рис.15.13.).
Поилки для птицы.
АВП–1,5 - выполнена в виде бочки и восьмью корытами.
АПК–2 – желобковая.
АВ–1,5 – для поения цыплят от 15 до 90 дней при содержании их на подстилке.
П–1 – желобковая для взрослых кур.
П–4 – чашечная для взрослой птицы.
ПВ и П–2С – чашечные вакуумные – для цыплят от 1 до 10 дней.
Также выпускаются капельные (ниппельные) поилки.
Схемы поилок для птицы приведены на рисунке 15.14.
|
|
|
Рис.15.14. Поилки для птицы: а - вакуумная поилка: 1 - емкость с водой; 2 - чаша; 3 - окно для воды; б - ниппельная поилка: 1 - труба; 2 - верхний клапан; 3 - седла клапанов; 4 - корпус; 5 - нижний клапан; в - чашечно-клапанная поилка П-4: 1 - угольник водопроводной трубы; 2 - стойка; 3 - кронштейн; 4 - водопровод; 5 - шланг к водопроводу; 6 - резиновая прокладка клапана; 7 - корпус клапана; 8 - прокладка; 9 - стержень; 10 - пружина; 11 - чаша; 12 - ось; г - подвесная чашечная поилка: 1 - подвеска; 2 - водоподводящий патрубок; 3 - клапанная коробка; 4 - чаша; 5 - стержень-фиксатор (противораскачиватель). |
Водораздатчики
Для доставки воды и поения животных на пастбищах и открытых площадках при температуре окружающего воздуха выше 0°С применяют автоводовозы, а также прицепные водораздатчики ВУ-3А и водораздатчики-поилки ВУО-3, ВУО-3А, агрегатируемые с трактором.
Автоводовозпредназначен для доставки воды на удаленные пастбища. Оборудование автоводовоза (рис. 4.23) смонтировано на шасси автомобиля и состоит из следующих сборочных единиц: цистерны 7, вакуумного насоса 1, привода насоса, приемного люка 5 с заборным шлангом 4 и трубопровода, сигнально-предохранительного устройства 2, поильных корыт 6. Цистерна установлена на опорах и крепится стремянками к раме автомобиля. Наклон цистерны в сторону слива 2-4°. Насос предназначен для создания вакуума в цистерне и смонтирован на специальной раме. В корпусе насоса эксцентрично установлен ротор с лопатками, смазываемыми маслом под воздействием разрежения и центробежных сил. На нагнетательном патрубке установлен глушитель.
Привод насоса осуществляется от коробки перемены передач автомобиля через коробку отбора мощности, карданный вал и клиноременную передачу. Насос включают и выключают рукояткой, расположенной в кабине автомобиля.
Сигнально-предохранительное устройство смонтировано на крышке горловины цистерны. Оно обеспечивает автоматический контроль за наполнением воды и остановку двигателя при наполнении цистерны до заданного уровня и перекрытие всасывающего трубопровода.
Приемный люк установлен на петлях на патрубке заднего днища цистерны. К приемному люку накидной гайкой подсоединяется заборный шланг. Всасывающий патрубок насоса соединен с патрубком, вмонтированным в крышку горловины цистерны.
Боковые площадки, расположенные по обе стороны цистерны, служат для размещения на них поильных корыт.
Забор воды осуществляется следующим образом: навинчивают на заборный шланг колпак-фильтр и опускают его в водоем. Рукоятку приемного люка устана
5. Выбор электронасосной установки. Оборудование для поения животных.
Выбор насосной станции осуществляется по требуемому напору и подаче.
Напор определяют по формуле:
Н = Нвс ± Нг + hл + hм ,
где Нг - геометрический (геодезический) напор – расстояние по вертикали от нижнего до верхнего уровня, м;
hл = hлн + hлв - сумма потерь напора по длине напорного и всасывающего трубопроводов, м;
hм = hмн + hмв - сумма потерь напора на преодоление местных сопротивлений в напорном и всасывающем трубопроводах, м.
Подача насоса принимается равной требуемому расходу в м3/ч:
,
где Ксут = 1.3 – 1.5;
Кчас = 2.0 – 2.5;
- к. п.д. установки, учитывающий потери воды (
= 0.9).
Мощность для привода насоса (кВт):

где Q - подача насоса, м3/с;
Н - напор, Па;
- к. п.д. насоса (
= 60 – 75% для
центробежных,
18 – 25% - для вихревых);
- к. п.д. передачи;
КЗ - коэффициент запаса мощности (при N < 0.7 кВт КЗ = 2, при N > 10 кВт КЗ = 1,7).
Наибольшее распространение получили центробежные (одно - и многоступенчатые) насосы.
Механическая
характеристика таких насосов представлена на рисунке 15.7.).
начальный статический момент М0 зависит от условий запуска насоса.
Для снижения его величины запуск выполняют при закрытой задвижке, а после разгона ее постепенно открывают. При этом асинхронный двигатель с короткозамкнутым ротором по механической характеристике всегда будет соответствовать процессу пуска и разгона при мощности двигателя, равной потребной мощности электропривода.
Нагрузочная диаграмма при постоянстве Q и H – прямая, параллельная оси абсцисс (Рис.15.8).
|
|
|
Рис.15.8. Нагрузочная характеристика насоса. |
Величины Q, H и N зависят от частоты вращенияn1 рабочего колеса. Если n1 >n2, то:

.
Эти зависимости справедливы, если n изменяется в пределах до 20 %.
Для выявления режима работы привода рассмотрим график работы электронасосного агрегата (Рис.15.9.).
|
|
|
|
Рис.15.9. График работы электронасосного агрегата. |
Рис.15.10. К расчету регулируемого объема бака. |
Продолжительность работы агрегата tP определяется (Рис.15.10.) из уравнения:
,
. (1)
При
,
где WP – регулируемый объем бака, м3;
QH – подача насоса, м3/ч;
QP – расход воды в системе, м3/ч.
Продолжительность паузы (остановки):
. (2)
Частота включений двигателя:
, (3)
где Т – период работы (Т=tr+t0).
После подстановки (1) и (2) в (3), получаем:
. (4)
Определим расход воды, при
котором частота включений будет максимальна. Это будет если первая
производная
, т. е.:
. (5)
Данное условие будет выполнено
при
, т. е. при расходе
равном
насосная станция
будет работать с максимальной частотой включения.
Подставим (5) в (4):
;
.
отсюда
.
Таким образом, для нормальной работы привода необходимо определенное соотношение регулируемого объема бака и производительности насоса.
Обычно принимают Zmax= 6. В последнее время в результате улучшенных конструкций электродвигателей и пусковой аппаратуры появились рекомендации по увеличению Zmax до 30. это приводит к значительному снижению WP.
Оборудование для поения животных.
Система автопоения животных представляет собой внутреннюю сеть с водопроводной арматурой (вентили, задвижки, клапана) и водоразборными устройствами (краны, колонки, гидранты, автопоилки).
Вентили позволяют плавно
изменять сечение проходного отверстия трубопровода (при Р
10 атм., и D
80 мм.).
Задвижки то же самое при P – до 16 атм., и D >80 мм..
Автопоилки делятся на индивидуальные и групповые.
Групповые в свою очередь бывают стационарными и передвижными.
Групповые поилки применяют для поения коров и молодняка к. р.с.. при беспривозном (боксовом) содержании, свиней при крупно групповом содержании и птицы. Их также используют в летних лагерях и на пастбищах.
Индивидуальные поилки используют для поения к. р.с. при привязном содержании и поения свиней при содержании их в стойках.
|
|
|
Рис.15.11. Схема автопоилки АГК – 4 1-корпус; 2-электронагреватель; 3- отражатель; 4-терморегулятор; 5- поплавковый механизм. |
Поилки для к. р.с.
1. индивидуальное – ПА–1 (металлические), АП–1 (пластмассовые).
2. групповые (АГК–12, АГК–12А, АГК–4) - с электроподогревом) (Рис.15.11.).
Поилка одновременно обслуживает – 4 коровы.
Рассчитывается на 100 коров.
Поилки для свиней.
1. индивидуальные поилки – ПБС–1 (поилка бесчашечная сосковая) – для поения свиноматок и в станках.
2. групповые – ПАС–2, АГС–24, АПТ.
3. групповая универсальная автопоилка УАС–500 для поения поросят водой, сывороткой и др..(Рис.15.12.).
|
|
|
Рис.15.12. Схема универсальной автопоилки УАС – 500. 1 – сливная труба; 2 – вакуумная цистерна для жидкостей; 3 – гибкий шланг; 4 – регулятор уровня жидкости; 5 – стопор регулятора уровня жидкости; 6, 12 - краны; 7 - поплавковый регулятор уровня воды; 8 - электроводонагреватель; 9 - водопровод; 10 - трубопровод для подачи воды, сыворотки, обрата…;11 - автопоилка. |
|
|
|
Рис.15.12. Поилка для выпойки ягнят ПВЯ-Ф-5-10: 1 - смеситель; 2 - пускозащитная аппаратура; 3 - молокопровод; 4 -устройство для выпойки. |
Поилки для овец.
АО –3,0 (на пастбищах обслуживает до 1500 овец).
АГО –3 – для поения овцематок.
АС –0,2 – для поения овцематок в период окота.
ПВЯ-Ф-5-10 – для выпойки ягнят (Рис.15.13.).
Поилки для птицы.
АВП–1,5 - выполнена в виде бочки и восьмью корытами.
АПК–2 – желобковая.
АВ–1,5 – для поения цыплят от 15 до 90 дней при содержании их на подстилке.
П–1 – желобковая для взрослых кур.
П–4 – чашечная для взрослой птицы.
ПВ и П–2С – чашечные вакуумные – для цыплят от 1 до 10 дней.
Также выпускаются капельные (ниппельные) поилки.
Схемы поилок для птицы приведены на рисунке 15.14.
|
|
|
Рис.15.14. Поилки для птицы: а - вакуумная поилка: 1 - емкость с водой; 2 - чаша; 3 - окно для воды; б - ниппельная поилка: 1 - труба; 2 - верхний клапан; 3 - седла клапанов; 4 - корпус; 5 - нижний клапан; в - чашечно-клапанная поилка П-4: 1 - угольник водопроводной трубы; 2 - стойка; 3 - кронштейн; 4 - водопровод; 5 - шланг к водопроводу; 6 - резиновая прокладка клапана; 7 - корпус клапана; 8 - прокладка; 9 - стержень; 10 - пружина; 11 - чаша; 12 - ось; г - подвесная чашечная поилка: 1 - подвеска; 2 - водоподводящий патрубок; 3 - клапанная коробка; 4 - чаша; 5 - стержень-фиксатор (противораскачиватель). |
6. Определение потребности в воде и выбор схемы водоснабжения
Для выбора машин и средств механизации системы водоснабжения ферм и пастбищ, необходимо знать вид и количество потребителей, их нормы суточного водопотребления, а также режимы потребления воды в течение суток.
Нормы водопотребления на ферме складываются из расхода воды на поение, приготовление кормов, мойку технологического оборудования и производственных помещений.
Среднесуточный расход воды Qcp. сyт. (л/сут) на ферме определяют по формуле
Qcyт.cp=,
где qi — суточная норма расхода воды одним потребителем, м3; ni — число потребителей, имеющих одинаковую норму расхода.
Расход воды в течение суток, летом и зимой неравномерен: днем и летом больше, ночью и зимой меньше.
Для расчета водопроводных сооружений и оборудования необходимо знать максимальные расходы воды: суточный, часовой и секундный.
Максимальный суточный расход воды (м3) определяют по формуле
Qсут.max=Qсут.ср αсут,
где άсут — коэффициент суточной неравномерности водопотребления (принимают равным 1,3).
Часовые колебания расхода воды учитываются коэффициентом часовой неравномерности άч=2,5. Максимальный часовой расход (м3)
Qч.max=Qсут.max αч/24,
Правильный выбор Qсут.max и Qч.max имеет важное значение. При повышенных коэффициентах система водоснабжения обходится дорого, а при пониженных — возникают перебои в подаче воды.
Максимальный секундный расход (м3)
Qс.max=Qч.max/3600,
По максимальному суточному расходу выбирают вместимость водонапорных баков и резервуаров, оборудование станции первого подъема, по максимальному часовому расходу - оборудование станции второго подъема, по максимальному секундному расходу – диаметр труб.
Расход воды на животноводческих фермах тесно связан с принятой технологией производственных процессов. Так, на распределение суточного расхода воды на фермах по часам большое влияние оказывает кратность кормления и доения, при которой возникают максимальные значения («пики») водопотребления. При больших колебаниях расхода это создает неблагоприятные условия работы водопроводных сооружений и оборудования. Чем совершеннее организация технологических процессов на ферме, тем лучше сглаживаются неравномерности расхода воды. Для создания оптимальных условий работы системы водоснабжения необходимо составить график потребления воды на ферме с таким расчетом, чтобы изменение расхода воды по отдельным часам суток было достаточно равномерным. Это достигается рациональным распределением по часам суток технологических операций, на которые расходуется вода. Например, такие работы, как гидросмыв навоза и уборку помещений, выполняют по сдвинутому режиму.
Режим водопотребления (колебание расхода воды в часы суток) определяют для расчета сооружений системы водоснабжения. Неравномерность потребления воды в течение суток изображают в виде таблиц или графиков. Расходы воды по часам суток часто выражают в процентах от суточного расхода воды. Такие таблицы или графики составляют на основании многолетних наблюдений, замеряя расход воды в течение суток.
На противопожарные нужды расход воды устанавливают, руководствуясь степенью огнестойкости построек. Запас воды должен обеспечивать непрерывную трехчасовую работу пожарных брандспойтов.
Максимальный срок восстановления неприкосновенности противопожарного запаса воды должен быть не более 72 ч.
Водопроводы на фермах обычно рассчитывают только на хозяйственные нужды, а для противопожарного водоснабжения устраивают открытые водоемы или резервуары, где держат неприкосновенный запас воды. Число, вместимость и расположение резервуаров согласуют с инспекцией пожарной охраны.
Состав машин и инженерных сооружений зависит в основном от источника водоснабжения и требований, предъявляемых к качеству воды.
При водоснабжении животноводческих ферм наибольшее распространение получили местные и централизованные хозяйственно-производственные системы водоснабжения с подземными источниками воды и пожаротушения из противопожарных резервуаров мотопомпами или автонасосами.
В свою очередь, централизованные системы могут быть частью группового сельскохозяйственного водопровода, обеспечивающего водой несколько населенных пунктов, ферм и других производственных объектов, расположенных, как правило, на значительном расстоянии друг от друга.
Схема водоснабжения — это технологическая линия, связывающая в той или иной последовательности водопроводные сооружения, предназначенные для добывания, перекачки, улучшения качества и транспортировки воды к пунктам ее потребления. Воду можно подавать к потребителям по различным схемам.
В зависимости от конкретных условий (рельефа местности, мощности источника водоснабжения, надежности электроснабжения и др.) схемы водоснабжения могут иметь один или два подъема воды, предусматривать хранение регулируемого ее количества в водонапорных башнях или подземных резервуарах, подачу противопожарного запаса воды непосредственно из источника и др.
Для забора воды из открытого источника на берегу сооружают приемный береговой колодец 7 , куда вода поступает по трубе самотеком. Из колодца вода центробежным или вихревым насосом насосной станции 2 подается в водонапорный бак 3 и далее по магистральному водопроводу самотеком поступает к потребителям 5.
Схема, изображенная на рисунке 4.2, б, аналогична предыдущей с той лишь разницей, что забор воды осуществляется из шахтного или трубчатого (бурового) колодца. Шахтные колодцы сооружают не глубже 40 м, а трубчатые - глубиной до 150 м и более. В этом случае вода забирается поршневыми, погружными и винтовыми насосами или водоструйными установками и ленточными водоподъемниками. Здание насосной станции строят над колодцем.
Водонапорный резервуар(рис 4.2, в) служит для создания запаса воды, который необходим для надежной и бесперебойной подачи воды на ферму. Вместо водонапорной башни можно применять воздушно-водяной бак, который входит в комплект безбашенных автоматических водокачек.
Система механизированного водоснабжения животноводческой фермы (комплекса) состоит из водозабора с насосной станцией, разводящей сети и регулирующего сооружения. В некоторых случаях систему водоснабжения дополняют сооружениями по очистке и обеззараживанию воды. В сельском хозяйстве наибольшее распространение получили локальные системы, когда отдельный объект обслуживается соответствующей системой водоснабжения. Они, как правило, имеют одну ступень подъема.
Представленный на рисунке состав инженерных сооружений непостоянен, его можно изменить в зависимости от качества воды в источнике, рельефа местности и прочих условий. Например, очистные сооружения, резервуары чистой воды и насосная станция второго подъема могут отсутствовать, если качество воды в источнике соответствует ГОСТу на питьевую воду.
Окончательный выбор той или иной схемы водоснабжения в каждом конкретном случае должен быть обоснован технико-экономическим расчетом. К строительству принимается вариант с наименьшими капитальными и эксплуатационными затратами.
Основными установками механизированного водоснабжения на пастбищах являются:
1. Стационарный водоприемник, работающий от энергии ветра, солнца или двигателя внутреннего сгорания
2. Стационарный водоподъемник, работающий от передвижных источников энергии.
3. Передвижные водоприемник и источник энергии привода, смонтированные на автомашине или тракторе.
4. Вода подвозится извне цистернами от базового водоисточника.
При выборе схемы установки пастбищного водоснабжения предпочтительнее использование энергии ветра и солнца. Так, применение ветронасосной установки или солнечного генератора позволяет снизить стоимость 1 м3 воды в 4,5 раза по сравнению с применением ленточных водоприемников с двигателем внутреннего сгорания.
Водопойные пункты на пастбищах сооружают чаще всего на базе шахтных и трубчатых колодцев. Они должны иметь резервные емкости и водопойные корыта.
Тема 3.15.Механизация уборки навоза на фермах и комплексах, машины и установки для удаления, транспортировки и обработки навоза.
ПЛАН:
1. Общие сведения. Выход и физические свойства навоза. Расход подстилки
2. Технология механизированного навозоудаления. Классификация способов и средств механизации уборки навоза
3. Машины и установки для удаления навоза. Машины и установки для погрузки и транспортировки навоза Технология и машины для переработки навоза
4. Инновационные технологии удаления и переработки навоза Переработка навоза для получения подстилки и энергии
1. Общие сведения. Выход и физические свойства навоза. Расход подстилки
Навоз является наилучшим органическим удобрением при возделывании сельскохозяйственных культур, так как имеет в своём составе значительное количество органических и минеральных веществ легко усваиваемых растениями.
Основной составной частью навоза является экскременты животных, получаемые в качестве побочного продукта на животноводческих фермах и комплексах. На выход и состав экскрементов влияют вид, возраст, продуктивность, условия содержания, масса животных, а также кормовой рацион. Ориентировочный расчёт выхода массы экскрементов можно выполнять по массе животных, годовому выходу основной продукции, составу и массе кормов, суточным нормам выхода экскрементов от одного животного.
При нормальном кормлении животных принимают суточный выход экскрементов пропорционально массе животного: для крупного рогатого скота - 8...10 % от живой массы, для свиней - 6 ...8 %.
Выход экскрементов прямопропорционален годовому производству основной продукции и превышает его на молочных комплексах в 6...7 раз, на откормочных комплексах крупного рогатого скота в 20…22 раза, на свинокомплексах в 9...10 раз.
Определение годового выхода экскрементов по массе и составу кормов основано на учёте переваримости различными видами животных сухого вещества, содержащегося в кормовом рационе. Для расчёта пользуются формулой
Эг
=kи(1-
)×Gг
,
где kи - коэффициент использования кормов, учитывающий их потери во
время кормления;
kп - средневзвешенный коэффициент переваримости органического
вещества корма, %;
kо - относительное содержание органического вещества в кормоовом
рационе, %;
kэ - относительное содержание органического вещества в экскрементах,
%;
Gг - масса годового кормового рациона, т.
Расчёт выхода экскрементов по суточным нормам является предпочтительным и ведётся по формуле
Эс
=
,
где Z - число производственных групп на ферме(комплексе);
gi - суточный выход экскрементов от одного животного
производственной группы (принимается по табл. 1), кг;
ni - среднегодовое поголовье животных, i-ой группы, гол.
Таблица 1. Примерный суточный выход экскрементов от одного животного
|
Производственные группы крупного рогатого скота |
Выход экскрементов, кг |
Производственные группы свинопоголовья |
Выход экскрементов, кг |
|
Быки-производители Коровы Телята до 6 месяцев и до 4 месяцев на откорме Молодняк ремонтный: 6…12 месяцев 12…18 месяцев и нетели Молодняк на откорме: 4…6 недель 6…12 месяцев старше 12 месяцев |
40 55 7,5
14 27
14 26 35 |
Хряки производители Свиноматки: холостые супоросные подсосные с приплод. Поросята-отъемыши Свиньи на откорме и ремонтный молодняк живой массой, кг до 40 40…80 более 80 |
11,1
8,8 10,0 15,3 2,4
3,5 5,1 6,6 |
Однако удаляемый с фермы навоз значительно отличаются в количественном и качественном отношении от экскрементов животных, так как в его состав, кроме экскрементов, входят остатки корма, посторонние включения (песок, земля и т.п.), подстилочный материал и вода. Соотношения этих составляющих зависит от технологии содержания животных, типа кормления, состава кормового рациона, качества кормов, применяющихся средств механизации уборки навоза, а также от общей культуры производства на животноводческой ферме (комплексе).
Суточный выход навоза определяется по формуле:
Н = Э +П + О + С + Вт + Ву ,
где Э,П,0,С,Вт,Ву - соответственно, масса экскрементов, подстилки, остатков корма, посторонних включений, технологической воды, воды, используемой для удаления навоза из помещений, кг/сут.
Выход навоза, его химический состав и физико-механические свойства зависят от массовой доли входящих в него компонентов. Кроме того не все перечисленные компоненты могут присутствовать в навозе. Так, при бесподстилочном содержании животных, используемом на большинстве животноводческих комплексов, в навозе, удаляемом с комплекса, отсутствует подстилка. При применении механических средств для уборки навоза (скребковые транспортёры. бульдозеры) в состав навоза не входит вода, используемая обычно при гидравлических методах навозоудаления.
Подстилка оказывает значительное влияние на микроклимат в помещении, на количество и качество удобрений. Она впитывает (связывает) свободную жидкость, содержащуюся в экскрементах, и технологическую воду, поглощает влагу и вредные газы, выделяемые животными, улучшает условия содержания животных, так как создает более мягкое, тёплое и сухое ложе, улучшает физико-механические и биологические свойства навоза. Липкость навоза уменьшается, он становится рыхлым, что создаёт условия для интенсивного протекания биотермических процессов. Для подстилки использует солому, торф, мох, мякину, древесные листья и опилки.
Суточную потребность в подстилочном материале рассчитывают по формуле
П
=
,
где Wэ, Wн, Wп - соответственно, влажность экскрементов, необходимая влажность навоза, влажность подстилочного материала, % .
Остатки кормов и посторонние включения не превышают 5% от массы экскрементов и не могут существенно влиять на физико-механические свойства подстилочного навоза.
Технологическая вода поступает в навоз при мойке и дезинфекции технологического оборудования, аппаратов, полов, подмывании вымени коров, из-за неисправности автоматических поилок. В среднем расход воды на технологические нужды в сутки составляет 2,5…3 л на корову; 3…3,5 л на свинью, 1...1,5 - на голову откормочного молодняка крупного рогатого окота.
В все же значительную часть навоза составляет влага. В зависимости от ее количества навоз подразделяется на твердый (подстилочный) влажностью до 81%, полужидкий - 82...88%, жидкий (бесподстилочный) - 88…93%, на фермах крупного рогатого скота и до 97% на свинооткормочных фермах. Состояние навоза на фермах и комплексах зависит от способа и метода содержания животных, способа удаления навоза и других факторов.
2. Технология механизированного навозоудаления. Классификация способов и средств механизации уборки навоза
Уровень механизации работ по уборке и удалению
навоза достигает 70...75 %, а трудовые затраты составляют 20...30 % общих
затрат.
Проблема рационального использования навоза как
удобрения при одновременном соблюдении требований защиты окружающей природы от
загрязнений имеет важное народнохозяйственное значение. Эффективное решение
данной проблемы предусматривает системный подход, включающий рассмотрение во
взаимосвязи всех производственных операций: удаление навоза из помещений,
транспортирование его, переработку, хранение и использование. Технологию и
наиболее эффективные средства механизации для удаления и утилизации навоза
следует выбирать на основ технико-экономического расчета с учетом вида и
системы (способа) содержания животных, размеров ферм, производственных условий
и почвенно-климатических факторов.
В зависимости от влажности различают твердый,
подстилочный (влажность 75...80%), полужидкий (85...90 %) и жидкий (90...94 %) навоз, а
также навозные стоки (94...99 %). Выход экскрементов от различных животных за
сутки колеблется приблизительно от 55 кг (у коров) до 5,1 кг (у откормочных свиней)
и зависит в первую очередь от кормления. Состав и свойства навоза влияют на
процесс его удаления, обработки, хранения, использования, а также на
микроклимат помещений и окружающую природную среду.
К технологическим линиям уборки, транспортирования и утилизации навоза любого вида предъявляют следующие требования:
Ø своевременное и качественное удаление навоза из животноводческих помещений при минимальном расходе чистой воды;
Ø обработка его с целью выявления инфекций и последующего обеззараживания;
Ø транспортировка навоза к местам переработки и хранения;
Ø дегельминтизация;
Ø
максимальное сохранение питательных веществ в
исходном навозе и продуктах его переработки;
исключение загрязнения окружающей природной
среды, а так же распространения инфекций и инвазий;
Ø
обеспечение оптимального микроклимата,
максимальной чистоты животноводческих помещений.
Сооружения по обработке навоза следует размещать
с подветренной стороны и ниже водозаборных объектов, а прифермские
навозохранилища — за пределами фермы. Необходимо предусматривать санитарные
зоны между животноводческими помещениями и жилыми поселками. Участок под
очистные сооружения не должен затапливаться паводковыми и ливневыми водами. Все
сооружения системы удаления, обработки и утилизации навоза должны быть
выполнены с надежной гидроизоляцией.
Многообразие технологий содержания животных
вызывает необходимость использования различных систем уборки навоза в
помещениях. Наиболее широко применяют три системы удаления навоза:
механическую, гидравлическую и комбинированную (щелевые полы в сочетании с
подпольным навозохранилищем или каналами, в которых размещены механические
средства уборки).
Механическая система предопределяет удаление
навоза из помещений всевозможными механическими средствами: навозными транспортерами,
бульдозерными лопатами, скреперными установками, подвесными или наземными
вагонетками.
Гидравлическая система уборки навоза бывает
смывная, рециркуляционная, самотечная и отстойно-лотковая (шиберная).
^ Смывная
система уборки предусматривает ежедневную промывку каналов водой из
смывных насадков. При прямом смыве навоз удаляют струей воды, создаваемой
напором водопроводной сети или подкачивающим насосом. Смесь воды, навоза и
навозной жижи стекает в коллектор и для повторного смыва уже не используется.
^ Рециркуляционная
система предусматривает использование для удаления навоза из каналов
осветленной и обеззараженной жидкой фракции навоза, подаваемой по напорному
трубопроводу из резервуара-накопителя.
^ Самотечная
система непрерывного действия обеспечивает удаление навоза за счет сползания
его по естественному уклону, образующемуся в каналах. Ее применяют на фермах
крупного рогатого скота при содержании животных без подстилки и кормлении их
силосом, корнеклубнеплодами, бардой, жомом и зеленой массой и в свинарниках при
кормлении жидкими и сухими комбикормами без использования силоса и зеленой
массы.
^ Самотечная
система периодического действия обеспечивает удаление навоза, который
накапливается в продольных каналах, обустроенных шиберами за счет сброса его
при открытии шиберов. Объем продольных каналов должен обеспечивать накопление
навоза в течение 7...14 дней. Обычно размеры канала следующие: длина З...50м,
ширина 0,8 м (и более), минимальная глубина 0,6 м. При этом чем гуще навоз, тем
короче и шире должен быть канал.
Все самотечные способы удаления навоза из
помещений особенно эффективны при привязном и боксовом содержании животных без
подстилки на теплых керамзитобетонных полах или на резиновых ковриках.
Основной способ утилизации навоза —
использование его в качестве органического удобрения. Наиболее эффективным
способом удаления и использования жидкого навоза является утилизация его на
полях орошения. Известны также способы переработки навоза в кормовые добавки,
для получения газа и битоплива.
Все технические средства для удаления и
утилизации навоза делят на две группы: периодического и непрерывного действия.
Транспортные устройства безрельсовые и
рельсовые, наземные и надземные, мобильные погрузки, скреперные установки и
другие средства относятся к оборудованию периодического действия.
Транспортирующие устройства непрерывного
действия бывают с тяговым органом и без него (самотечный, пневматический и
гидравлический транспорт).
По назначению различают технические средства для
ежедневной уборки и периодической, для удаления глубокой подстилки, для очистки
выгульных площадок.
В зависимости от конструктивного исполнения
различают:
Ø наземные и подвесные рельсовые вагонетки и безрельсовые ручные тележки:
Ø
скребковые транспортеры кругового и возвратно-поступательного
движения;
канатные скреперы и тросовые лопаты;
Ø навесные устройства на тракторах и самоходных шасси;
Ø устройства для гидравлического удаления навоза (гидротранспорт);
Ø устройства с применением пневматики.
Технологический процесс уборки навоза из
животноводческих помещений и транспортировки его на поле можно разделить на
следующие последовательно выполняемые операции:
Ø сбор навоза из стойл и сбрасывание его в канавки или погрузка в вагонетки (тележки);
Ø транспортировка навоза от стойл по животноводческому помещению к месту сбора или погрузки;
Ø погрузка на транспортные средства;
транспортировка по территории фермы к навозохранилищу или месту компостирования и разгрузки:
Ø погрузка из хранилища на транспортные средства;
Ø транспортировка на поле и выгрузка из транспортного средства.
Для выполнения этих операций применяют много
различных вариантов машин и механизмов. Наиболее рациональным следует, считать
тот вариант, в котором один механизм выполняет две операции и более, а
стоимость уборки 1 т навоза и перемещения его на удобряемые поля наименьшая.
Механические средства для удаления навоза
подразделяют на мобильные и стационарные. Мобильные средства применяют в
основном при беспривязном содержании скота с использованием подстилки. В
качестве подстилки обычно используют солому, торф, мякину, опилки, стружку,
опавшие листья и хвою деревьев. Примерные суточные нормы внесения подстилки на
одну корову 4...5 кг, овцу — 0,5... 1 кг.
Навоз из помещений, где содержатся животные,
удаляют один-два раза в год с помощью различных навешиваемых на транспортное
средство устройств для перемещения и погрузки различных грузов, в том числе и
навоза.

3. Машины и установки для удаления навоза. Машины и установки для погрузки и транспортировки навоза Технология и машины для переработки навоза
В животноводстве широко применяют навозоуборочные
транспортеры ТСН-160А, ТСН-160Б, ТСН-ЗБ, ТР-5, ТСН-2Б, продольные скреперные
установки УС-Ф-170А или УС-Ф250А в комплекте с поперечными УС-10, УС-12 и
УСП-12, скреперные продольные транспортеры ТС-1ПР в комплекте с поперечным
ТС-1ПП, скреперные установки УС-12 в комплекте с поперечной УСП-12, шнековые
транспортеры ТШН-10.
^ Скребковые
транспортеры ТСН-ЗБ и ТСН-160А (рис. 2.8) кругового действия предназначены для
удаления навоза из животноводческих помещений с одновременной погрузкой его в
транспортные средства.
Горизонтальный транспортер ^ 6, устанавливаемый в навозном канале, состоит из
шарнирной разборной цепи с закрепленными на ней скребками 4,приводной станции 2, натяжного 3 и поворотных 5 устройств. Привод цепи осуществляется
от электродвигателя через клиноременную передачу и редуктор.

Рис. 2.8. Навозоуборочный транспортер
ТСН-160А:
1 - шкаф управления; 2 — приводная станция; 3 — натяжное устройство; 4— цепь со скребками; 5— поворотные
устройства; 6, 7— горизонтальный и наклонный
транспортеры
Наклонный транспортер ^ 7 состоит из приводного устройства, опор, несущих
блоков с корытами и нижним сектором 5 в которых движется замкнутая цепь со
скребками. Нижний конец наклонного транспортера находится внутри
животноводческого помещения и расположен ниже уровня пола с таким расчетом,
чтобы навоз, перемещаемый горизонтальным транспортером, падал в нижнюю часть
желоба наклонного транспортера. Верхний конец наклонного транспортера располагают
обычно в тамбуре животноводческого помещения.
^ Шнековый
транспортер ТШН-10 используют для удаления навоза и коровников на 200 голов.
Комплект включает в себя четыре продольных и один поперечный транспортеры,
вращающиеся с частотой 15...60 мин-1.
Шнековые транспортеры производительны, надежны и долговечны.
Скреперная установка УС-Ф-170 (рис. 2.9) состоит из приводной 1 и натяжной 2 станций,
цепи 5, направляющих
роликов 7, скребков 4 и 6. совершающих возвратно-поступательное
движение по навозоприемной плоскости желоба, ширина которой равна ширине навозного прохода
коровника. При рабочем ходе скребки за счет сил трения их о желоб раскрываются
в рабочее положение и перемещают массу на размер хода скребка. При холостом
ходе скребки складываются, оставляя порции навозной массы неподвижными на полу
желоба. Во время следующего рабочего хода скребков этот навоз будет удален.
^ Скреперная
установка УС-250 аналогична по назначению, устройству и рабочему процессу
УС-Ф-170. В привод входят: электродвигатель мощностью 2.2 кВт и редуктор с
ведущей звездочкой. Скребок состоит из ползуна, шарнирного устройства, правого
и левого скребков и
натяжного устройства.
Длину скребков можно регулировать по ширине
навозного прохода от 1,8 до 3 м при глубине 0,8 м. Для очистки стенок прохода
на концах скребков установлены резиновые шишки. Установка работает 18...20 ч в
сутки (кроме периода сна животных). Уборка навоза происходит в присутствии
животных, выгонять которых из навозных проходов не требуется. Они свободно
переступают через скребки.
Скреперные установки УС-15, УС-250, УС-Ф-170 имеют автоматически действующий механизм реверса движения скребков.
^ Установка
УВН-800 (рис. 2.10) производительностью 90...95 т/ч предназначена для
удаления навоза из открытых и подпольных 4 навозохранилищ. Она состоит из
насосной установки 2 для жидкого навоза и скрепера 3, перемещающегося по рельсовому пути
вдоль торца навозохранилища. Насос и скрепер могут работать раздельно. Насос
служит для выгрузки жидкой фракции навоза, которую не может выбрать скрепер.
Скрепер разрушает верхнюю корку навоза в хранилище, перемешивает его, а затем
выгружает и транспортное
средство.

Рис. 2.9. Скреперная установка УС-Ф-170:
1, 2 - приводная и натяжная станции; 3- ползун; 4, 6-скребки; 5-цепь; 7-направляющие ролики; 8 — штанга

^ Рис. 2.10.
Установка для выгрузки навоза УВН-800:
1 – цистерна; 2- насосная установка; 3- скрепер; 4 - траншея (подпольное
навозохранилище); 5 - грузовая
лебедка; 6- натяжная (ручная) лебедка; 7-
блок; 8 - поперечная траншея

Рис. 2.11. Технологическая схема установки
УТН-10А:
1 - скреперная итаповкаУС-Ф-170(УС-250); 2- гидроприводная станция; 3 – навозохранилище; 4 – навозопровод; 5 —загрузочная воронка; 6 — насос; 7 — навозоуборочный конвейер
КНП-10
Шнековые и центробежные насосы типа НШ, НЦИ,
НВЦ используют для выгрузки и перекачки жидкого навоза по
трубопроводам. Производительность их находится в пределах от 70 до 350 т/ч.
Скреперная установка ТС-1 предназначена для
свиноводческих ферм. Ее устанавливают в навозном канале, который перекрывают
решетчатыми полами. Установка состоит из поперечного и продольного
транспортеров. Основные сборочные единицы транспортеров: скреперы, цепи,
привод. На установке ТС-1 применяют скрепер типа «Каретка». Привод, состоящий
из редуктора и электродвигателя, сообщает скреперам возвратно-поступательное
движение и предохраняет их от перегрузок.
Навоз от животноводческих помещений к местам
обработки и хранения транспортируют мобильными и стационарными средствами.
С точки зрения охраны окружающей среды от
загрязнения навоз целесообразно транспортировать по трубопроводам. Для этих
целей применяют поршневую установку УТН-10А(рис. 2.11). Дальность
транспортировки до 150м. Для перекачивания жидкого навоза устраивают
стационарные насосные станции, оборудованные фекальными насосами типа ФГ,
НЖН-200, НШ и др.
^ СРЕДСТВА ДЛЯ
ВЫГРУЗКИ, ПОГРУЗКИ И ТРАНСПОРТИРОВАНИЯ НАВОЗА К МЕСТАМ ИСПОЛЬЗОВАНИЯ
Для очистки проходов и выгульных площадок от
навоза и остатков корма применяют бульдозерные навески БН-Ф-2,5 производительностью
18...20 т/ч.
Погрузку твердого (подстилочного) навоза чаще
всего выполняю! бульдозерами-погрузчиками фронтального типа ПБ-35, ПКУ-08,
ПФБ-Ф-0,6, а перевозят его в основном тракторными прицепами 2ПТС-4, 2ПТС-6 и
1ПТС-9.
Технологическая линия транспортировки жидкого
навоза состоит из навозоприемника (жижесборника), мобильного или
гидротранспорта и навозохранилища. Жидкий навоз самотеком поступает из
помещения в навозоприемник, откуда с помощью мобильных или насосного агрегатов
транспортируется к месту хранения, использования или обработки.
Для перекачивания жидкого навоза на крупных
фермах и комплексах применяют насосные станции, оборудованные фекальными насосами
ФГ-144/46, 1ЦМ160-10У, а также используют специальные насосы для жидкого
навоза НЖН-200, НШ-50-1, НШ-50-2, НЦВ-2 и др.
Для транспортировки навоза в навозохранилища
применяют пневматические установки, в которых навоз перемешается по стальным
трубопроводам диаметром 125... 150 мм. Для этой цели выпускают установку
УПН-15, состоящую из компрессора, ресивера, продувочного котла, в который
навоз поступает из помещений, воздухопровода и навозопровода. Расстояние
транспортирования до 300 м. Для транспортирования жидкого навоза используют
также тракторные цистерны-разбрасыватели РЖТ-4, РЖТ-8, жижеразбрасыватели
ЗЖВ-3.2, мобильный погрузчик жидких органических удобрений ПЖН-250.
Из подпольных траншей навоз удаляется
стационарной скреперной установкой УВН-800 в сочетании с насосом НЖН-200. При
этом влажность навоза должна быть не менее 85 %. Насосом откачивается жидкая
фракция, а твердая удаляется скрепером установки УВН-800 и перегружается в
транспортные средства. При выгрузке навоза влажностью менее 85 % из подпольных
траншей используют погрузчик-бульдозер ПБ-35.
ПОДГОТОВКА ТЕХНИЧЕСКИХ СРЕДСТВ К РАБОТЕ И КОНТРОЛЬ КАЧЕСТВА УДАЛЕНИЯ И УТИЛИЗАЦИИ НАВОЗА
Современные технологические схемы по удалению,
обработке, обеззараживанию, транспортировке, хранению навоза и подготовке его
к использованию включают разнообразное технологическое оборудование различной
степени сложности.
При подготовке к работе оборудования проверяют
состояние рабочих органов, надежность крепления рам к фундаменту и рабочих
органов и узлов к раме, состояние цепных и клиноременных передач, зубчатых
передач, соединительных муфт, подшипниковых узлов, смазку в редукторах и
трущихся деталях.
При подготовке к работе механических средств
удаления навоза—транспортеров ТСН-ЗБ, ТСН-160 проверяют правильность монтажа
редуктора с натяжной и поворотной звездочками, сборку цепи и ее натяжение,
прямолинейность дна и боковых стенок канала. В зимнее время следят за
примерзанием скребков наклонного транспортера к дну желоба.
В скреперных установках УС-10, УС-15, УС-250
перед началом работы проверяют направление вращения электродвигателя в зависимости
от установки концевых выключателей. Одновременно проверяют правильность
реверсирования движения скребков. Следят за состоянием чистиков скребков.
Скрепер должен двигаться плавно, без рывков.
Гидравлические системы удаления навоза,
состоящие из различных гидротранспортных каналов, просты по устройству и надежды
в работе. При работе в первую очередь обращают внимание на состояние внутренней
поверхности этих каналов и их гидроизоляцию.
Пневматические системы удаления навоза работают
под давлением 600 кПа. Поэтому обслуживающий персонал должен периодически
следить за давлением, состоянием предохранительных клапанов, температурой
компрессора.
Контроль качества удаления навоза за пределы
фермы оценивают в целом по санитарному состоянию фермы.
Поскольку навоз опасен как источник грязи,
возбудителей инфекции и инвазии не только в животноводческих помещениях, но и
за их пределами, то при транспортировке навоза с фермы необходимо
предусмотреть наличие отдельных дорог, проездов, которые используются только
для этих целей.
При использовании жидкого навоза на поливе
долголетних культурных пастбищ устанавливают карантинный срок—21 день между
последним поливом и началом стравливания травы в загоне.
4. Инновационные технологии удаления и переработки навоза Переработка навоза для получения подстилки и энергии
Кроме широко используемого естественного обеззараживания в лагунах с вывозом на
поля сельскохозяйственные предприятия ограниченно применяют компостирование и
вермикомпостирование, биотермическое обеззараживание, ускоренную ферментацию и
некоторые другие способы переработки. При изучении проблемы было установлено, что ни
одна из вышеперечисленных технологий в полной мере не соответствует современным
требованиям:
1. Обеспечение полной утилизации отходов в качестве эффективных органических
удобрений;
2. Получение в процессе переработки дополнительных энергетических ресурсов,
позволяющих заместить традиционные источники их обеспечения, возместить затраты на
переработку навоза и получить дополнительную прибыль.
Установленным задачам наиболее полно соответствуют способ анаэробного
сбраживания навоза/помета и, пока малоизвестные, но, на наш взгляд, перспективные
технология обеззараживания в генераторе резонаторных колебаний и термохимическая
газификация с получением электрической и тепловой энергии и комплексных минеральных
удобрений (зола) в сочетании с производством биологических органо-бактериальных ЭМ-
удобрений.
Тема 3.16. Микроклимат в животноводческих помещениях.
ПЛАН:
1. Понятие о микроклимате и его значение для животноводства. Технические средства для создания оптимального микроклимата. Воздухо-влаго- и теплообмен животноводческого помещения.
2. Вентиляционно-отопительное оборудование. Оборудование для получения пара и горячей воды Схема отопления животноводческих помещений . Канализация.
3. Технологические схемы, назначение и устройство калориферов, кондиционеров, теплогенераторов.
4. Основные параметры микроклимата. Вентиляционные системы и устройства, животноводческих помещений
1. Понятие о микроклимате и его значение для животноводства. Технические средства для создания оптимального микроклимата. Воздухо-влаго- и теплообмен животноводческого помещения.
Понятие о микроклимате и его значение для животноводства.
По современным воззрениям, успех животноводства определятся на 60% кормлением, на 20 % разведением и возрастом животных и на 20 % микроклиматом и условиями содержания (Рис.17.1.).
|
||
|
Рис.17.1. Факторы, определяющие эффективность животноводства. |
От животных при самых лучших условиях кормления невозможно добиться наилучшей продуктивности, если условия микроклимата небезупречны в течение всего года.
С другой стороны, оптимальные условия микроклимата сами по себе еще не могут считаться предпосылками высокой продуктивности, если этого не позволяет уровень кормления и качество животных.
Параметры микроклимата в сильной мере влияют на срок службы зданий и оборудования, на условия труда обслуживающего персонала. Срок службы электродвигателей, пускозащитной аппаратуры в животноводческих помещениях составляет всего 1-2 года.
Под микроклиматом понимают совокупность физических свойств и химического состава воздушной среды помещений, в особенности температуру, влажность, содержание вредных газов, а также содержание микроорганизмов и частиц пыли. Кроме того, сюда относят движение воздуха (его направление и скорость), освещенность в помещении, тишину.
Факторы, влияющие на формирование микроклимата.
В процессе жизнедеятельности животных и в результате их обслуживания в воздух помещения выделяются пары воды, газа, пыль и микроорганизмы.
Количество поступающих в воздух указанных компонентов зависит от вида и возраста животных, плотности их размещения, температуры воздуха, его влажности, скорости и направления движения, а также от способов удаление навоза, кормораздачи и типа кормления.
Микроклимат определяется физиологическими, метеорологическими, техническими и технологическими факторами.
1. Требования животных к параметрам микроклимата (температуре, влажности и скорости движения воздуха, содержания вредных газов, освещенности, тишине).
2. Количество теплоты, влаги и газов, отдаваемые (выделяемые) непосредственно животными.
Метеорологические факторы.
1. Условия наружного климата, влияющие на микроклимат через ограждающие конструкции и систему вентиляции:
а) интенсивность солнечной радиации;
б) количество облачных и солнечных дней в году;
в) движение воздушных масс;
г) температура летних и зимних месяцев;
д) влажность воздуха;
е) почвенные условия и др.
Технические факторы.
1. Конструкция здания (размеры, форма, отделка помещения, теплоизоляция). Огромную роль играет конструкция пола (свиньи в течении суток лежат 70 – 90 % времени, коровы – до 50 % времени).
2. Вентиляция.
3. Отопление.
4. Освещение.
Технологические факторы.
1. Способ содержания животных.
2. Технология раздачи кормов.
3. Система навозоудаления.
Способ содержания животных.
беспривязный способ содержания крупного рогатого скота с их свободным выходом из помещений приводит к понижению температуры (это ведет к повышению затрат кормов). Так на производство 1 кг молока расход кормов увеличивается на 10 – 30 % по сравнению с закрытыми помещениями.
В США проводили исследования на откорме крупного рогатого скота в закрытых помещениях и открытых площадках. При содержании в помещении период откорма сокращен на 35 дней, среднесуточный прирост массы на 100 гр выше, расход кормов на 1 ц прироста массы ниже на 110 кг.
Тип кормления.
При сухом кормлении в помещение меньше вносится влаги с кормом. Однако животные чаще пьют воду, что приводит к повышению влажности.
Система навозоудаления.
При напольных способах удаления навоза увеличивается площадь испарения влаги и выделения вредных газов.
При канальных способах – площадь испарения уменьшается, однако влага и газы накапливаются в локальных участках здания.
влияние на продуктивность животных основных физиологических факторов.
Температура воздуха – оказывает наибольшее влияние на продуктивность сельскохозяйственных животных и использование ими корма. Ею определяется и влияние других факторов (скорости движения воздуха, влажности и др.).
Под оптимальной температурой понимают температуру, при которой животные имеют наивысшую продуктивность при наименьшем расходе корма (Рис.17.2.).
|
|
|
Рис. 17.2. Влияние температуры окружающей среды на удои в % к нормальной продуктивности (1) и на расход условного корма (2). |
Оптимальная температура для молочных коров , а минимально допустимая . Верхняя граница оптимальной температуры считается +25 0С.
На рисунках 17.3. и 17.4. показано влияние температуры воздуха на изменение массы у откармливаемых свиней и на яйценоскость кур. Оптимальные значения температуры, влажности и содержания углекислого газа представлены в таблице 17.1.
|
|
|
|
Рис.17.3. Влияние температуры на изменение массы у откармливаемых свиней. |
Рис.17.4. Влияние температуры воздуха на яйценоскость кур. |
Таблица 17.1. – Оптимальные значения температуры, влажности и содержания углекислого газа для различных видов животных.
|
Вид животных |
Температура, 0С |
Влажность, % |
СО2, г/м3 |
|
Крупный рогатый скот |
6-25 |
70-85 |
2,5 |
|
Свиньи |
12-16 |
70-75 |
2,5 |
|
Птицы |
10-20 |
60-70 |
2,0 |
|
овцы |
8-15 |
80 |
3,0 |
Технические средства для создания оптимального микроклимата.
Все технические средства для создания оптимального микроклимата делятся на 3 большие группы:
1. Устройства, обеспечивающие воздухообмен и освещение.
2. Устройства, обеспечивающие обработку воздуха.
3. Средства создания локального микроклимата.
|
|
|
Рис.17.5. Схема вентиляционной установки: 1-электродвигатель; 2-вентилятор; 3-заслонка; 4-воздуховод; 5-отвод. |
К устройствам, обеспечивающим воздухообмен, относятся вентиляционные установки, которые состоят из вентилятора с электродвигателем и вентиляционной сети, состоящей из систем воздуховодов и приспособлений для забора и выпуска воздуха и регулирования производительности.
Принципиальная схема вентиляционной установки показана на рисунке 17.5.
У систем с принудительным побудителем основным узлом является вентилятор.
По конструкции и принципу действия вентиляторы делятся на осевые (рабочим органом является лопасть) и центробежные (рабочим органом является колесо) (Рис.17.6.).
Вентиляторы бывают низкого (до 1 кПа), среднего (до 3 кПа) и высокого давления (> 3 кПа).
|
|
|
Рис.17.6. Схемы электровентиляторов: а – осевой; б – центробежный. |
Номер вентилятора показывает диаметр рабочего органа в дециметрах (№4–d= 400 мм).
Осевые вентиляторы обеспечивают более низкое давление, поэтому их используют при коротких трубопроводах.
Устройства, обеспечивающие обработку воздуха:
а) нагрев воздуха (теплогенераторы, воздушно-отопительные агрегаты на воде и паре, калориферы);
б) охлаждение воздуха (установки для мокрого и сухого охлаждения воздуха,вихревые трубы);
в) кондиционирование воздуха (кондиционеры);
г) очистку воздуха (воздухоочистители).
Теплогенераторы используются для воздушного
отопления животноводческих помещений. Бывают на твердом (К-11М) и жидком
топливе (ТГ–75А, ТГ–150А). Принципиальная схема теплогенератора показана на
рисунке 17.7.
Рис.17.7. Схема теплогенератора:
1-камера сгорания; 2-электровентилятор; 3-водонагреватель.
Кроме нагрева воздуха теплогенератор обеспечивает подогрев 200 л/ч воды на 50 0С.
Станцией управления предусмотрена высокая степень автоматизации режимов работы теплогенератора.
1. Автоматическое включение в следующем порядке:
- продувка камеры сгорания в течение 10 – 15 с;
- подача топлива в форсунку;
- подача искры;
- включение электрического двигателя вентилятора после прогрева камеры сгорания до температуры 35 – 40 0С.
2. Автоматическое включение и отключение на рабочем режиме в зависимости от сигнала датчика температуры, установленного в обогреваемом помещение. Пределы регулирования от 5 до 35 0С.
3. Автоматическое отключение в случаях перегрева, при не зажигании факела в течение 20 – 25 секунд с момента подачи команды на включение, при срыве факела, а также при отказе отдельных элементов схемы.
Отключение теплогенератора осуществляется в такой последовательности: сначала прекращается подача топлива и воздуха на горение, а затем после остывания камеры сгорания до температуры 25 – 30 0С отключается вентилятор.
Калориферы бывают: водяные, паровые, электрические.
Наиболее высоким к. п.д. обладают электрические колориферы. Они позволяют осуществлять полную автоматизацию управления.
Широко используются калориферы типа СФОА мощностью от 16 до 100 кВт.
Устройства для очистки воздуха от пыли.
«Пыль» - система из мельчайших частиц твердого или жидкого вещества с размерами от 0,1 до 0,0001 мм.
Сюда относятся, пылеосадочные камеры, циклоны, инерционные пылеуловители, матерчатые и слоистые фильтры, электрофильтры.
Циклоны: СИОТ; ЛИОТ; НИИОГАЗ; ВЦНИИОТ.
Эффективность пылеулавливания циклона – 85 %. Электрофильтры – основаны на электростатическом осаждении частиц. Степень очистки – 98 %.
Охладители воздуха.
Существует два способа охлаждения воздуха: мокрый и сухой.
Мокрый способ основан на непосредственном контакте воздуха с водой (осуществляется в оросительных камерах). Здесь нужна холодная вода с температурой 5-10 0С. Такой процесс изменения состояния воздуха называется политропическим.
При сухом способе – воздух пропускают через воздухоохладители (по принципу калориферов), через которые прокачивают холодную воду (Рис.17.8.).
|
|
|
Рис.17.8. Принципиальная схема воздухоохладителя: 1-компрессор; 2-конденсатор; 3-испаритель; 4- теплообменник. |
Кондиционирование воздуха применяется для создания и поддержания в помещении искусствен - ного микроклимата, т. е. заданной температуры, влажности и чистоты воздуха.
В данных установках воздух нагревается, охлаждается, увлажняется и осушивается. Кроме того, воздух подвергается озонированию и ионизации.
Общая схема кондиционера показана на
рисунке 17.9..
Рис.17.9. Схема кондиционера:
1 - решетка; 2 - фильтр; 3 - подводящий воздуховод; 4 - калорифер первого подогрева; 5 - оросительная камера; 6 - каплеотделитель; 7 - калорифер второго подогрева; 8 - вентилятор.
В зимнее время воздух забирается частично снаружи через решетку 1 и фильтр 2 и частично из помещения через воздуховод 3.
Средства создания локального микроклимата.
К ним относятся:
1. Электрические брудеры Б-4, БП-1А;
2. Лампы инфракрасного излучения ИКО–2, ИКО–4 (светлые), ИКУФ–1 (темные);
3. Электрообогреваемые полы и коврики;
4. Газовые горелки инфракрасного излучения.
Электрообогреваемые полы особенно большой эффект дают при выращивании поросят и цыплят. Опыт показывает, что при использование электрообогреваемых полов падеж поросят уменьшается на 20 %, а их среднесуточный привес увеличивается на 17,8 %.
Применяются два типа обогреваемых полов:
1 -полы с нагревательными элементами, заложенными в их массив;
2 -полы с нагревательными элементами, уложенными на их поверхности (коврики, плиты).
В качестве нагревательного элемента используют провод ПОСХВ, ПОСХП, ПОСХВТ.
В настоящее время промышленность выпускает вентиляционные системы «Агровент», предназначенные для создания и автоматического поддержания оптимального температурно-влажностного режима воздуха в коровниках на 30…50 голов. Расположение установки в помещении показано на рисунке 17.10, а ее схема – на рисунке 17.11.
|
|
|
Рис.17.10. Расположение вентиляционной установки «Агровент» в помещении: / - станция управления; 2 - вентиляционная установка; 3 - приточная шахта; 4 - вытяжной вентилятор; 5 - стена помещения. |
|
|
|
Рис.17.11. . Функциональная схема установки «Агровент»: 1 - приточный теплообменник; 2 - приточный вентилятор; 3 - рециркуляционная заслонка; 4 - заслонка обводного канала; 5 - вытяжной теплообменник; 6 - насос циркуляционного контура; 7 - электромагнитный клапан; 8 - вытяжной вентилятор. |
|
|
|
Рис. 17.12. Схема системы обеспечения динамического микроклимата: 1 - приточный вентилятор; 2 - электрокалорифер; 3 -воздушный дроссельный клапан; 4 - узел порционной подачи воздуха; 5 - воздуховоды равномерной раздачи; 6 и 8 -датчики внутренней и наружной температуры; 7 - щит управления |
Также разработана и выпускается система динамического микроклимата (Рис.17.12.). Предназначена для помещений с содержанием до 100 голов телят молочного возраста до шести недель.
Динамический микроклимат поддерживается за счет периодической подачи порций свежего воздуха непосредственно в зону нахождения телят.
Воздухо - влаго и теплообмен в животноводческих помещениях.
За основу расчетов вентиляции приняты физиологические нормативы оптимальных температур, относительной влажности воздуха и предельно-допустимого содержания углекислого газа. Полученный наибольший показатель величины воздухообмена принимают за основу расчета вентиляционных систем.
Уравнение теплового баланса для расчета
воздухообмена по оптимальной температуре:
,
где
- количество теплоты, выделяемое животными, кДж;
- количество животных;
- количество теплоты, выделяемое
одним животным в час, кДж/ч;
- потери теплоты помещением через
наружные ограждения, кДж;
- потери теплоты на вентиляцию, кДж;
- потери теплоты на испарение влаги
в помещении.
Количество теплоты, теряемой через наружные ограждения:
,
где
- площадь ограждающих конструкций здания, м2;
- суммарный коэффициент
теплопередачи (
3,36 кДж/м2·ч·0С).
Потери теплоты на вентиляцию:
,
где
- расчетный воздухообмен, м3/ч;
- весовая теплоемкость воздуха (
1,008 кДж/кг. 0С );
![]()
- объемная масса воздуха (
=1,29 кг/м3);
Потери теплоты на испарение влаги:
.
Тогда:
.
Отсюда:

Количество теплоты, требуемое на обогрев помещения:
.
Воздухообмен по предельно допустимой влажности воздуха (м3/ч):
,
где
-
количество влаги, выделяемое животными, г/ч;
- количество влаги, испаряемое с
пола, г/ч
(
);
- содержание влаги в свежем
воздухе, г/м3;
- предельно допустимое значение
абсолютной влажности воздуха, г/м3, при которой
относительная влажность не превышает допустимой нормы.
Воздухообмен по предельному содержанию СО2 (м3/ч):
![]()
где
- количество СО2, выделяемое одним животным, л/ч;
- допустимое содержание СО2 в
помещении, л/м3;
- содержание СО2 в чистом воздухе (
=
0,3 – 0,4 л/м3 ).
Определив часовую величину воздухообмена и зная внутренний объем помещения, определяют кратность воздухообмена в час:

При К
3
– назначают вентиляцию с естественным побудителем; при К = 3
5
– с искусственным побуждением воздуха; при К > 5 – с искусственным побуждением
подогретого воздуха.
Требуемый воздухообмен в животноводческом помещении обеспечивается системой вентиляции, в общем случае к которой предъявляются следующие требования:
1. Обеспечивать расчетный воздухообмен.
2. Автоматически изменять параметры микроклимата в помещении.
3. Равномерно распределять свежий воздух по всему объему помещения.
4. Не превышать нормативной скорости движения воздуха.
Классификация систем вентиляции:
а) по принципу действия:
- с естественным побудителем (естественная вентиляция);
- с механическим побудителем ( принудительная или искусственная);
- комбинированного действия.
б) по назначению:
- приточная (нагнетает воздух);
- вытяжная (отсасывает воздух);
- комбинированная (приточно-вытяжная).
2. Вентиляционно-отопительное оборудование. Оборудование для получения пара и горячей воды Схема отопления животноводческих помещений . Канализация.
Вентиляционное и отопительное оборудование
Осевые вентиляторы низкого давления (до 1,96 кПа), применяемые в вентиляционных системах животноводческих помещений, можно устанавливать в стенных проемах и непосредственно в воздуховодах. Довольно часто такие вентиляторы размещают на кровлях зданий; при этом длина воздуховодов и расход материалов могут быть сокращены до минимума.
Вентиляторы должны удовлетворять двум требованиям: постоянно удалять излишки влаги, выделяемой животными в зимнее время (вентилятор работает при малой частоте вращения), и удалять излишки теплоты в летний период (вентилятор работает при повышенной частоте вращения). Чтобы обеспечить необходимый воздухообмен при заданных температурных режимах, вентиляционная система должна быть достаточно гибкой. В зимнее время воздух желательно подавать постоянно, а в летнее — периодически. Для этого в системе предусмотрены двухскоростные вентиляторы, хотя часто вместо одного двухскоростного устанавливают два: небольшой — для постоянной работы и большой — для периодической, когда требуется подать значительное количество воздуха.
Воздухоприемные и вытяжные шахты устраивают с внутренними водонепроницаемыми поверхностями. Чтобы водяные пары не конденсировались на внутренних поверхностях шахты с естественной вытяжкой, ее утепляют.
Шахты снабжают запорно-регулирующими устройствами (дроссель-клапанами, задвижками), предназначенными для отключения отдельных участков или всей системы и регулировки воздухообмена.
Приточные вытяжные вентиляционные (микроклиматические) камеры — это изолированные помещения, встраиваемые или пристраиваемые к основному животноводческому помещению.
В камерах устанавливают оборудование вентиляционных систем. По назначению камеры подразделяются на приточные и вытяжные.
Вентиляционные каналы устраивают под полом помещений, внутри ограждающих конструкций или делают приставными. В качестве материала используют кирпич, сборные железобетонные конструкции, асбестоцементные трубы, короба и шлакобетонные плиты. Для отвода образующегося конденсата каналы прокладывают с уклоном в сторону движения воздуха. В местах ответвлений или поворотов канала предусматривают колодцы для сбора воды или отводы в канализацию.
Воздуховоды в животноводческих помещениях прокладывают по стенам, потолку, колоннам и другим строительным конструкциям зданий. В основном применяют воздуховоды круглого сечения, изготовленные из стали, дерева, асбестоцементных и керамических труб, а также из синтетических материалов. Для защиты от коррозии стальные воздуховоды изнутри и снаружи покрывают защитными водостойкими лаками или изготовляют из оцинкованной стали.
Запорно-регулирующие устройства устанавливают в тех местах вентиляционной сети, где необходимо регулировать количество проходящего воздуха (у вентиляторов, у приточных и вытяжных отверстий и др.).
Дроссель-клапаны и шиберы, имеющие фиксаторы для установки в определенном положении, как правило, изготовляют из стали; если необходимо, их делают утепленными.
Насадки и воздухораспределители используют для рассредоточенной подачи воздуха.
Все приточные и вытяжные отверстия вентиляционных систем, не имеющих специальных насадок, снабжают жалюзийными решетками. Вентиляционная система должна быть герметизирована.
Воздушные и воздушно-тепловые завесы позволяют уменьшить или совсем предотвратить проникновение холодного воздуха в помещение. Принцип действия воздушных (без подогрева) и воздушно-тепловых (с подогревом приточного воздуха) завес заключается в том, что холодный или подогретый воздух подается вентилятором в воздуховыпускаемые конструкции, расположенные внизу и сбоку от входа в помещение. Нижние завесы экономичнее и эффективнее, однако они часто засоряются. Боковые завесы обычно изготовляют из листовой стали, а нижние — из кирпича и бетона.
Автоматические устройства, регулирующие объем вентиляции в зависимости от условий микроклимата помещений, широко применяют в животноводстве.
Наиболее распространены в животноводческих помещениях полупроводниковые двухпозиционные терморегуляторы ПТР-2, пропорциональные ПТР-П и биметаллические датчики ДТК.М.
Приточно-вытяжные установки типа ПВУ автоматически поддерживают заданную температуру воздуха в помещении и регулируют воздухообмен в зависимости от наружной и внутренней температуры. Установка состоит из приточно-вытяжных шахт (с цилиндрическими заслонками), установленных в перекрытии здания, силовых блоков с вентиляторами и пульта управления с датчиками. Для подогрева холодного приточного воздуха используются электронагревательные элементы.
В установках ПВУ поток свежего воздуха омывает потолочное перекрытие и стены помещения, поступает в зону, где содержатся животные, захватывает загрязненный воздух и направляет его к всасывающему отверстию вентилятора. Отличительная особенность установок ПВУ — совмещение притока и вытяжки в одном агрегате (шахте), что исключает необходимость устройства воздуховодов. Производительность установок ПВУ-4, ПВУ-6 и ПВУ-9 соответственно 4000, 6000 и 9000 м3/ч приточного воздуха, а установленная мощность нагревательных элементов 15 ... 19 кВт. Комплекты оборудования «Климат» предназначены для автоматизированной вытяжной вентиляции в животноводческих помещениях. Комплекты снабжены системами воздушного обогрева при помощи отопительно-вентиляционных агрегатов с водяными (паровыми) калориферами. Зимой необходимая температура воздуха в помещении поддерживается путем одновременного автоматического изменения частоты вращения вытяжных и приточных вентиляторов вплоть до их полного отключения («Климат-2» и «Климат-4») или изменения теплоотдачи калориферов («Климат-3»).
Комплект «Климат-2» позволяет регулировать относительную влажность воздуха при помощи турбоувлажнителей (только в сторону увеличения), а «Климат-4», кроме того, и осушать воздух.
Во всех комплектах предусмотрена защита калориферов от замерзания при уменьшении температуры воды в обратном трубопроводе ниже 30 °С. Летом температуру воздуха в помещении регулируют, изменяя частоту вращения вала вытяжных вентиляторов. Приточные установки могут работать при самой низкой частоте вращения только для поддержания необходимой влажности.
Для регулировки температурного режима воздуха применяют нагревательные приборы, системы отопления и специальные установки: теплогенераторы, калориферы, котлы-преобразователи, устройства для подогрева пола и др.
Теплогенераторы типа ТГ предназначены для воздушного отопления и вентиляции животноводческих, производственных и служебных помещений, а также для досушивания травы способом активного вентилирования, сушки зерна и семян.
Работает такой теплогенератор следующим образом. Воздух подается вентилятором 2 в теплообменник 7. Часть воздуха из общего потока поступает к форсунке 6 для распыливания и горения топлива.
Рабочая смесь, воспламененная от искры, сгорает в камере 8 и нагревает ее стенки. Последние передают теплоту омывающему их воздуху. Отработанные газы выходят в дымовую трубу и одновременно подогревают воздух в трубе. Нагретый воздух выбрасывается под давлением вентилятора в распределительное устрой ство, через окна которого выходит в помещение, имея температуру 60 ... 65 °С.
Система подачи топлива состоит из двух емкостей топливного бака (верхней разборной и нижней запасной), насоса для подачи топлива из нижнего бака в верхний, форсунки для распиливания и смешивания топлива с воздухом, топливопроводов и контрольно-измерительных приборов.
Топливо из нижней емкости перекачивается в верхнюю насосом с ручным приводом. Для фильтрации топлива в топливоподающей магистрали установлен фильтр. Топливо из верхней емкости подается к форсунке самотеком.
С целью предотвращения взрыва топлива в раскаленной камере сгорания при прекращении подачи электроэнергии или срыве форсунки предусмотрена защита, отключающая подачу топлива.
Водогрейные и паровые котлы являются частью котельной установки животноводческой или птицеводческой фермы (комплекса).
Водогрейные чугунные котлы КЧ-2 «Универсал-6» и КЧ-3 «Энергия-6» состоят из отдельных полых секций, соединенных между собой в пакеты. Благодаря этому можно изменять число секций, подбирая расчетную поверхность нагрева, а также заменять секции, поврежденные при аварии. Котлы могут работать на твердом, жидком и газообразном топливе.
Котлы-парообразователи низкого давления с вертикальным и горизонтальным размещением нашли самое широкое применение на фермах и комплексах страны. Они просты по устройству, надежны в работе, оборудованы системой автоматической регулировки. Паропроизводительность котла КВ-300М составляет 250 ... 400 кг/ч, а КТ-1500 до 1500 кг/ч. На крупных комплексах и птицефабриках применяют паровые котлы ДКРВ (двухбарабанные, реконструированные, водоструйные) с высокой паропроизводи-тельностью: от 2,5 до 20 т/ч. Они работают на газе, мазуте и твердом топливе.
Калориферные установки предназначены для отопления животноводческих помещений. Установки в зависимости от вида теплоносителя подразделяют на паровые, водяные, электрические и газовые.
Калориферные установки включают в себя источники теплоты, теплообменники и устройства для перемещения теплоносителя.
Теплообменники паровых и водяных калориферов состоят из пакета труб (в три или четыре ряда), концы которых заделаны в камеры. Теплоноситель (пар или горячая вода) подается в верхнюю камеру, а удаляется через патрубок нижней камеры. При продувании воздуха вентилятором через систему труб он нагревается. Для лучшего теплообмена и увеличения коэффициента теплоотдачи у некоторых калориферов (КФСО, КФБО) трубы обвиты стальной лентой.
Электрические калориферы имеют меньшие габаритные размеры и металлоемкость, чем водяные, поэтому их совмещают в одном агрегате с вентиляционными установками. Они более надежны в работе и не требуют постоянного ухода. Их легче автоматизировать. Электрокалориферы рассчитаны на работу в среде повышенной влажности, содержащей активные примеси. Широкое применение нашли калориферы с оребренными трубчатыми электронагревателями (ТЭНами) типа СФОА, имеющими мощность от 45 до 94 кВт.
Для приготовления кормов, мытья молочной посуды, доильной аппаратуры, подмывания вымени коров и других нужд на фермах, кроме холодной, нужна и горячая вода. СНиП предусматривают потребление горячей воды в количестве 5 л/сут на одну корову, а в телятниках — 2 л/сут на голову. Горячую воду получают в специальных аппаратах, называемых водонагревателями. В зависимости от источника тепловой энергии водонагреватели делятся на электрические, паровые, водяные и газовые. По принципу действия они могут быть порционными (емкостными) или проточными (непрерывными). В свою очередь электрические водонагреватели подразделяются по типу основного рабочего органа на элементные — с трубчатыми электронагревателями (ТЭНы) и электродные — с непосредственным нагревом воды при протекании через нее электрического тока.
Паровые емкостные водонагреватели (типа бойлеров) для нагрева воды используют получаемый от другого источника пар, который пропускается по змеевику, помещенному в бак цилиндрической формы с водой из водопровода. Наряду с водогрейными в животноводстве все более широкое применение получают электродные котлы-парообразователи (типа КЭПР-110/04), которые позволяют получать пар для отоп-
|
Рис. 102. Трубчатый электронагреватель (ТЭН) герметического исполнения: / — гайка; 2 — вывод; 3 — герметизирующая втулка; 4 — выводная шпилька; 5 — наполнитель; 6 — трубка; 7 — нихромовая спираль |
Ления помещений на ферме и технологических нужд, а также горячую воду, используемую в паровых водонагревателях.
Унифицированные трубчатые электронагреватели герметического исполнения применяются в водонагревателях, калориферах, термосах, электрообогреваемых полах, бытовых кипятильниках и т. д. Нагреватель, показанный на рис. 102, состоит из металлической трубки 6 (изготовленной из нержавеющей стали), в которую вмонтирована нихромовая спираль 7 с приваренными к ней концами, и шпильки 4 для подключения к сети. Спираль изолируется от стенок трубки наполнителем 5 из периклаза (кристаллическая окись магния Л^О), обладающего высокими электроизоляционными свойствами и хорошо проводящего тепло. Торцы трубки герметизированы втулками 3 с огнеупорным изолирующим составом. К достоинствам ТЭНов относятся их универсальность, надежность и безопасность при обслуживании. Нагревательная спираль надежно изолирована от наружной трубки 6, поэтому ТЭН можио помещать непосредственно в нагреваемую среду (вода, молоко, обрат и др.). Рабочая температура поверхности ТЭНов может достигать 953... 973 К. Промышленность выпускает ТЭНы мощностью от 15 Вт до 15 кВт с длиной заготовки от 250 до 6300 мм и наружным диаметром от 7 до 19 мм на номинальные напряжения от 12 до 380 В в одно - и трехэлементном исполнении.
Проточный электроводонагревательЭПВ-2А, показанный иа рис. 103, состоит из корпуса 2, который помещен в кожух 3 и закрыт сверху съемным колпаком. В корпус вмонтированы три ТЭНа / общей мощностью 12 кВт. В нижней части резервуара имеется штуцер 8 для подачи холодной воды, а в верхней части — штуцер 4 для отбора горячей. В целях защиты ТЭНов от перегорания при повышении температуры свыше до-
Рис. ЮЗ. Проточный электронагреватель ЭПВ-2А:
I _
ТЭН; .2 — корпус; 3— наружный кожух; 4 — отводящий штуцер; 5 —
предохранительный клапан; 6 — гнездо для термометра; 7 — вывод нагревателей: 8
— подводящий штуцер
Пустимой предусмотрено установленное на верхнем днище резервуара температурное реле ТР-200, которое отключает электронагреватель от электрической сети при температуре воды выше 368 К. На выходном штуцере 4 установлен предохранительный клапан 5, срабатывающий при давлении свыше 0,2 МПа. В корпусе клапана имеется гнездо 6, в которое помещен термометр для визуального контроля температуры воды. К электроводо - иагревателю ЭПВ-2А прилагаются магнитный пускатель ПМЕ-221 со встроенным промежуточным реле ПЭ-1 (вместо теплового реле) и кнопкой управления КЕ-100; электрический кабель; термометр; термостойкий водоразборный шланг; электроизоляционная трубчатая вставка, при помощи которой водонагреватель присоединяется к водопроводной сети.
Электрический водонагреватель проточного типа УД.35.010 для подмывания вымени коров входит в комплекты оборудования доильной установки УДА-16 «елочка» и УДА-8 «тандем» и др. Автономный водонагреватель представляет собой закрытый резервуар, в котором вода подогревается ТЭНом мощностью 10,5 кВт. Необходимая температура для подмывания вымени (318...323 К) поддерживается автоматическим регулятором. К расходному трубопроводу водонагревателя гибкими шлангами присоединены наконечники (пистолеты) для подвода теплой воды при подмывании вымени коровы с использованием разбрызгивателей клапанного типа с изменяющимся углом распыла воды. На рабочее давление пистолеты настраивают таким образом, чтобы длина струи теплой воды при полностью открытом пистолете была не более 4 м. Для обслуживания молочных ферм с поголовьем 200, 400 и 800 коров типоразмерный ряд включает унифицированные водонагреватели ВЭТ-400, ВЭТ-800 и ВЭТ-1600 вместимостью 400, 800 и 1600 л.
Емкостный водонагреватель ВЭТ-400 схематически изображенный на рис. 104, представляет собой резервуар
Рис. 104. Электрический водонагреватель-терм ос ВЭТ-400:
/ —
запорно-регулирующий вентиль; 2 — нижний патрубок для наполнения холодной
водой; 3 — тепловая изоляция; 4 — изолирующая вставка (шланг); 5 — кожух;
6 — резервуар; 7 — крышка;
8 — термометр в металлической оправе; 9 — верхний патрубок для разбора горячей воды; 10 — температурное реле; 11 — трубчатый электронагреватель
6, окруженный минеральной теплоизоляцией 3 и наружным кожухом 5, внутри которого находится нагревательное устройство П (три ТЭНа). В верхней его части имеется выводной патрубок 9 для отбора горячей воды, в котором установлен термометр 8, а внизу — патрубок 2 для наполнения резервуара холодной водой, подсоединяемый к водопроводной трубе через резинотканевый шланг 4, запорно-регулирующий вентиль 1 и обратный клапан. Сверху нагреватель закрыт крышкой 7. Автоматическое включение и выключение ТЭНов для нагрева воды в заданных
|
Рис. 105. Температурное реле: / — корпус; 2 — контактная головка; 3 — стопорный винт; 4 — биметаллическая спираль; 5 — валик; 6 — кожух; 7 — фланец; 8 — рычаг; 9 — регулируемый контакт; 10 — неподвижный контакт |
|
Рис. 106. Электроводонагреватель ВЭП-600; / _ корпус; 2 — станция управления; 3 — предохранительный клапан; 4 — термодатчик; 5 — термометр. 6 — обратный клапан; 7, 8, 10, II — резиновые шланги; 9 — насос |
Пределах температур производится при помощи показанного на рис. 105 температурного реле, в кожухе которого имеется термодатчик (биметаллическая спираль) 4. На наружном конце валика 5 закреплен рычаг 8 с двухсторонним контактом. При нагреве спираль скручивается, поворачивая валик с рычагом до замыкания с контактом предельной температуры (358...363 К). При этом коммутируется электрическая цепь, и исполнительный механизм отключает ТЭНы. Водонагреватель подсоединяется к питающему водопроводу и к системе автопоения только через шланг.
Аналогично ВЭТ-400 устроены и водонагреватели типа ЭВ-150 и УАП. В модификации УАП-800 ТЭНы в нижней и верхней частях резервуара расположены параллельно.
Электрический настенный проточный во - доподогреватель ВЭП-600 предназначен для подогрева в холодное время года воды в системе трубопроводов технологической линии автопоения в коровниках, рассчитанных на 200 голов. Автоматическая нагревательная циркуляционная система поддерживает необходимую температуру питьевой воды для животных и предохраняет внутренний водопровод от замерзания. При соответствующей настройке термодатчиков нагрев воды обеспечивается в пределах от 278...289 до 283...295 К. Водопо - догреватель ВЭП-600, схема которого представлена на рис. 106, монтируется на стене при входе в молочное отделение. Нагревательные элементы установлены в корпусе / на фланце, который крепится к днищу резервуара. Водонагреватель подключается к системе автопоения и питающему водопроводу через резино-
Вые шланги 7, 8, 10, 11. Циркуляция воды в системе осуществляется насосом 9 с подачей воды 6 м3/ч, работающим при давлении в сети до 0,3 МПа. Основные показатели водонагревателей приведены в табл. 38.
Система вентиляции и отопления на животноводческих фермах и комплексах
На животноводческих фермах и комплексах применяют вентиляционные установки различных типов.
Эффективное средство для создания оптимальных режимов микроклимата в животноводческих помещениях — применение комбинированных систем отопления и механической вентиляции с частичной или полной автоматизацией. С этой целью в микроклиматической камере устанавливают теплогенераторы и приточные вентиляторы для смешивания горячего и холодного воздуха. В зимний период работает приточно-вытяжная вентиляция с прогревом воздуха теплогенераторами. В переходный и летний периоды, когда нет потребности в подогреве приточного воздуха, действует только вытяжная вентиляция, а свежий воздух в помещение поступает через регулируемые жалюзийные решетки, установленные рассредоточенно в окнах. Система управления теплогенераторами предусматривает автоматическую регулировку их теплопроизводительности по принципу «Большой огонь» — «Малый огонь». Вся аппаратура управления приточной и вытяжной вентиляции размещается в шкафах, установленных в климатической камере.
На животноводческих и птицеводческих комплексах можно применять систему электротермического оборудования «Электроклимат» мощностью до 400 кВт. Представляет практический интерес и сочетание обогреваемых полов с комбинированными системами отопления и вентиляции. Это существенно улучшает микроклимат непосредственно в зоне нахождения животных, что очень важно при выращивании молодняка.
Поддержание оптимального микроклимата в помещениях молочно-товарного комплекса часто приводит к повышенному расходу теплоты. В самом деле, по зоогигиеническим нормам в расчете на одну голову крупного рогатого скота расход воздуха должен составлять 70 ... 100 м3/ч. В коровнике на 200 голов средний расход воздуха составляет 17 000 м3/ч. Расчеты, подтвержденные теплофизическими измерениями, показывают, что при таком воздухообмене лишь 10 ... 15 % теплоты уходит через стены, покрытия, окна, ворота и пол, а 85 ... 90 % теплоты теряется при вентиляции зданий. В этом случае экономия топлива при использовании отопительных систем возможна в первую очередь за счет теплоты, уходящей с отработанным воздухом. Это достигается благодаря применению теплообменников-рекуператоров. Наиболее простой и достаточно эффективный теплообменник такого рода устроен по принципу труба в трубе и имеет коэффициент теплопередачи около 21 Вт/(м2°С) при площади теплообмена 80 м2. При наружной температуре — -25 ... 30 °С и внутренней — + 10 °С он утилизирует примерно 60 тыс. Вт теплоты, что равноценно расходу более 80 кВт.ч электроэнергии. Необходимый расход энергии для двигателей вентиляторов теплообменника при этом примерно равен 7,5 кВт.ч, т. е. в 11 раз меньше.
Стоимость системы такого отопления составляет от 3 до 6 % от общей стоимости животноводческих зданий. Применение теплообменников позволяет снизить единовременные затраты на устройство систем обеспечения микроклимата не менее чем в 2 раза.
Но главное преимущество таких устройств заключается в резком снижении эксплуатационных расходов.
Эффективность вентиляции зависит от многочисленных факторов, среди которых основные следующие: герметичность помещений и их хорошая теплоизоляция с защитным барьером от влаги; правильная циркуляция воздуха внутри помещения; объем помещений, приходящийся на одно животное; правильное устройство приточных каналов для свежего и вытяжных для загрязненного воздуха; наличие аппаратуры для автоматического контроля температуры и воздухообмена.
В последние годы все шире применяют калориферные установки, которые осуществляют смену загрязненного воздуха и обогрев помещений.
Эффективность вентиляционно-отопительных систем зависит от качества функционирования их конструктивных элементов.
Для обеспечения оптимального микроклимата необходимо рассматривать здание как единую энергетическую систему, включающую в себя отопление, вентиляцию и теплотехнические особенности ограждающих конструкций.
Смоченной поверхностью в животноводческом помещении счиают поверхность глубокой подстилки, вертикальные стены навозного лотка до водяного зеркала, площадь помещения на расстоянии 50 см от навозного лотка, поверхность влажного корма.
В случае применения гидросмыва навоза за смоченную поверхность принимают всю поверхность, подвергаемую гидросмыву. При содержании животных на решетчатых полах всю площадь этого пола считают смоченной поверхностью.
За открытую водную поверхность принимают водную поверхность поилок и навозных лотков.
На создание в помещении определенного влажностного баланса в значительной степени влияет система приточно-вытяжной вентиляции, следует учесть и влагу Wпр и Wуд, приносимую приточным и удаляемым воздухом.
Воздухообмен — наиболее важный фактор регулируемого микроклимата. При недостаточном воздухообмене скапливаются вредные газы и усиливается образование конденсата (сырости), повышается температура. Слишком большой воздухообмен вызывает сквозняки и приводит к увеличению потерь теплоты животными.
Для создания нормальных зоогигиенических условий в животноводческих помещениях применяют различное санитарно-техническое оборудование: внутреннюю водопроводную сеть, вентиляционные устройства, канализацию, освещение, отопительные устройства.
Канализация
Для создания нормальных зоогигиенических условий в животноводческих помещениях применяют различное санитарно-техническое оборудование: внутреннюю водопроводную сеть, вентиляционные устройства, канализацию, освещение, отопительные устройства.
Канализация предназначена для самотечного удаления жидких экскрементов и грязной воды из животноводческих и производственных помещений. Канализация состоит из жижесточных канавок, труб, жижесборника. Конструкция и размещение элементов канализации зависят от типа здания, способа содержания животных и принятой технологии. Жижесборники необходимы для временного хранения жидкости. Объем их определяют в зависимости от числа животных, суточной нормы жидких выделений и принятого срока хранения.
Вентиляция предназначена для удаления загрязненного воздуха из помещений и замены его чистым. Загрязнение воздуха происходит в основном водяными парами, углекислым газом (С02) и аммиаком (NH3).
Отопление животноводческих помещений осуществляют теплогенераторами, в одном агрегате которых объединены вентилятор и источник теплоты.
Освещение бывает естественное и искусственное. Искусственное освещение достигается применением электрических светильников.
3. Технологические схемы, назначение и устройство калориферов, кондиционеров, теплогенераторов.
ОБОРУДОВАНИЕ ДЛЯ ВЕНТИЛЯЦИИ, ОТОПЛЕНИЯ, ОСВЕЩЕНИЯ
Автоматизированные комплекты оборудования
«Климат» предназначены для вентиляции, отопления и увлажнения воздуха в
животноводческих помещениях.
Комплект оборудования «Климат—3» состоит из двух
приточных вентиляционно-отопительных агрегатов ^ 3 (рис. 2.14), системы увлажнения воздуха,
приточных воздуховодов 6,
комплекта вытяжных вентиляторов 7,
станции управления 1 с панелью датчиков 8.
Вентиляционно-отопительный агрегат 3 нагревает и подает aтмосферный воздух,
при необходимости увлажняет.
Система увлажнения воздуха включает напорный бак ^ 5 и электромагнитный клапан, который автоматически регулирует
степень и увлажнение воздуха. Подача горячей воды в калориферы регулируется
клапаном 2.
Комплекты приточно-вытяжных установок ПВУ-4М,
ПВУ-ЬМ предназначены для поддержания температуры воздуха и его циркуляции в
заданных пределах в холодный и переходный периоды года.

^ Рис. 2.14. Оборудование «Климат—3»:
1—станция
управления; 2—регулирующий клапан; 3
— вентиляционно-отопительные
агрегаты; 4 — электромагнитный клапан; 5—напорный бак для воды; 6 — воздуховоды; 7—вытяжной вентилятор; 8 -
датчик
Электрокалориферные установки серии СФОЦ
мощностью 5— 100 кВт применяют для нагрева воздуха в системах приточной вентиляции
животноводческих помещений.
Тепловентиляторы типа ТВ-6 состоят из
центробежного вентилятора с двухскоростным электродвигателем, водяного
калорифера, жалюзийного блока и исполнительного механизма.
Огневые теплогенераторы ТГГ-1А. ТГ-Ф-1.5А,
ТГ-Ф-2,5Г, ТГ-Ф-350 и топочные агрегаты ТАУ-0,75, ТАУ-1,5 применяют для
поддержания оптимального микроклимата в животноводческих и других помещениях.
Нагрев воздуха осуществляется продуктами сгорания жидкого топлива.
Вентиляционная установка с утилизацией теплоты
УТ-Ф-12 предназначена для вентиляции и обогрева животноводческих помещений с
использованием теплоты удаляемого воздуха. Воздушно-тепловые (воздушные завесы) позволяют поддерживать
параметры микроклимата в зимнее время в помещении при открытии ворот большого
сечения для пропуска транспорта или животных.
^ ОБОРУДОВАНИЕ ДЛЯ
ОБОГРЕВА И ОБЛУЧЕНИЯ ЖИВОТНЫХ
При выращивании высокопродуктивного поголовья
животных необходимо рассматривать их организмы и окружающую среду как единое
целое, важнейшей составляющей которой является лучистая энергия. Применение в
животноводстве ультрафиолетового облучения для ликвидации солнечного голодания
организма, инфракрасного локального обогрева молодняка, а также светорегуляторов,
обеспечивающих фотопериодический цикл развития животных, показало, что
использование лучистой энергии дает возможность без больших материальных затрат
существенно повысить сохранность молодняка — основу воспроизводства поголовья
скота. Ультрафиолетовое облучение положительно влияет на рост, развитие, обмен
веществ и воспроизводительные функции сельскохозяйственных животных.
Благотворное влияние на животных оказывают
инфракрасные лучи. Они проникают на 3...4 см в глубь тела и способствуют усилению
тока крови в сосудах, благодаря чему улучшаются обменные процессы,
активизируются защитные силы организма, значительно повышаются сохранность и
прирост массы молодняка.
В качестве источников ультрафиолетового
излучения в установках наибольшее практическое значение имеют эритемные люминесцентные
ртутные дуговые лампы типа ЛЭ; бактерицидные, ртутные дуговые лампы типа ДБ;
дуговые ртутные трубчатые лампы высокого давления типа ДРТ.
Источниками ультрафиолетовых излучений служат
также ртутно-кварцевые лампы типа ПРК, эритемные люминесцентные лампы типа ЭУВ
и бактерицидные лампы типа БУВ.
Ртутно-кварцевая лампа ПРК представляет собой
трубку из кварцевого стекла, заполненную аргоном и небольшим количество ртути.
Кварцевое стекло хорошо пропускает видимые и ультрафиолетовые лучи. Внутри кварцевой
трубки у ее концов вмонтированы вольфрамовые электроды, на которые навита
спираль, покрытая слоем оксида. Во время работы лампы между электродами
возникает дуговой разряд, являющийся источником ультрафиолетового излучения.
Эритемные люминесцентные лампы типа ЭУВ имеют
устройство, аналогичное люминесцентным лампам ЛД и ЛБ, но отличаются oт них
составом люминофора и сортом стекла трубки.
Бактерицидные лампы типа БУВ устроены подобно
люминесцентным. Применяют их для обеззараживания воздуха в родильных
отделениях КРС, свинарниках, птичниках, а также для обеззараживания стен, пола,
потолка и ветеринарного инструмента.
Для инфракрасного обогрева и ультрафиолетового
облучения молодняка применяют установку ИКУФ-1М, состоящую из шкафа управления
и сорока облучателей. Облучатель представляет собой жесткую коробчатую
конструкцию, на обеих концах которой размещены инфракрасные лампы ИКЗК-220-250,
а между ними — ультрафиолетовая эритемная лампа ЛЭ-15. Над лампой установлен
отражатель. Пускорегулирующее устройство лампы смонтировано сверху на
облучателе и закрыто защитным кожухом.
4. Основные параметры микроклимата. Вентиляционные системы и устройства, животноводческих помещений
Параметры микроклимата различны для холодного (отапливаемого), переходного и теплого (летнего) периодов года. Устанавливают их на основе технико-экономического обоснования, которое исходит из того, что затраты на улучшение микроклимата окупаются повышением производительности труда, увеличением продуктивности животных, повышением сохранности оборудования и другими факторами. Установленные таким образом параметры называют оптимальными.
Создание оптимального микроклимата предусматривает комплекс мероприятий, в который входят использование эффективных систем отопления и вентиляции, рациональная планировка объемов здания, применение строительных конструкций с соответствующими теплотехническими свойствами и прогрессивных технологий кормления, поения и удаления навоза. В этом комплексе мероприятий по созданию заданного микроклимата большое значение имеют отопление и вентиляция. Если в регионах расчетная температура воздуха позволяет поддерживать заданные условия в помещении за счет биологической теплоты, выделяемой животными, и этой теплоты достаточно для подогрева необходимого количества свежего наружного воздуха, то следует стремиться к обеспечению требуемого микроклимата средствами естественного воздухообмена. Отопление применяют в тех случаях, когда тепловыделений от животных недостаточно для компенсации теплопотерь через ограждающие конструкции, а также для нагрева приточного и инфильтрующегося воздуха для испарения влаги со смоченной и открытой водной поверхности, а дальнейшее утепление экономически нецелесообразно по сравнению с подачей искусственной теплоты. Это относится к районам с низкими наружными температурами, где животноводческие помещения рекомендуется оборудовать системами искусственного обогрева и механической вентиляцией (с искусственным побуждением тяги).
В животноводческих помещениях, как правило, применяют воздушное отопление, совмещенное с приточной вентиляцией. Это, прежде всего, относится к помещениям большого объема — коровникам с привязным содержанием животных и свинарникам с откормочным поголовьем. Совмещение систем воздушного отопления и приточной вентиляции обеспечивает уменьшение приведенных затрат.
В родильных отделениях помещений для крупного рогатого скота в качестве основной может быть также рекомендована система воздушного отопления. В этих помещениях целесообразно предусматривать дополнительную систему водяного отопления с отопительными приборами, температура поверхности которых может быть до 100 оС, и электрообогрев полов с целью повышения температуры поверхности пола и температуры воздуха припольной зоны.
Помещения для содержания и выращивания молодняка характеризуются значительными колебаниями тепло- и влаговыделений (по мере роста молодняка). В связи с этим в таких помещениях рекомендуется использовать комбинированные системы отопления, состоящие из систем воздушного и водяного (парового) отопления. В этих же помещениях наряду с воздушным отоплением часто дополнительно используют локальные источники теплоты в виде ламп или газовых горелок инфракрасного излучения. Системы локального обогрева предназначены для создания более высокой температуры, необходимой по зоотехническим соображениям в местах пребывания молодняка.
В свинарниках-маточниках также используют совмещенную систему воздушного отопления и приточной вентиляции. Кроме того, в этих помещениях дополнительно устраивают системы локального обогрева или электроподогрев пола в местах расположения поросят.
К основным требованиям, предъявляемым к системам вентиляции, является обеспечение наиболее совершенного, с экономической и физиологической точки зрения, воздухообмена. При недостаточном воздухообмене создается неудовлетворительный температурно-влажностный режим, что приводит к повышению затрат кормов на единицу продукции, снижению продуктивности животных, преждевременной их выбраковке и, как следствие, большим экономическим потерям.
Излишне большой воздухообмен вызывает сквозняки в помещение, отрицательно влияющие на здоровье и продуктивность животных, ведет к перерасходу электроэнергии и теплоты на нагрев вентиляционного воздуха в осенне-зимний период.
По принципу действия и конструктивным особенностям различают системы вентиляции следующих типов:
· Естественная
· С механическим притоком воздуха - принудительная
· Комбинированная
Естественная вентиляция является наиболее рациональной. Помимо простоты сооружения оборудования такой вентиляции, она позволяет подавать свежий воздух непосредственно в зону дыхания животных и хорошо вентилирует помещение. Оборудование естественной вентиляции не требует расхода энергии, занимает минимальный объем в помещении, работает бесшумно, дешево в изготовлении и пожаробезопасно.
При естественной вентиляции воздух поступает в здание и удаляется из него благодаря разной плотности воздуха внутри помещения и вне его, то есть здесь используются физические свойства воздуха, который при нагревании расширяется, становится более легким и по вытяжным шахтам поднимается вверх. В результате этого в помещении образуется разряжение и свежий воздух через соответствующие каналы и воздуховоды поступает в помещение.
На эффективность работы этой системы существенно влияет сила и направление ветра. Чтобы естественная система вентиляции работала в оптимальном режиме, разность температуры воздуха внутри и снаружи помещения должна составлять 5-10 градусов. Поэтому естественная вентиляция менее эффективна летом и более пригодна в холодный период года. При температуре наружного воздуха ниже 15 градусов теплоты, выделяемой животными, становится недостаточно для поддержания нормальной температуры воздуха в помещении и объем вентиляции следует искусственно уменьшить.
Система естественной вентиляции состоит из приточных и вытяжных устройств. Приточные устройства располагают, как правило, в торцах здания. Они представляют собой отверстия в стенах любой конструкции с заслонками для регулирования потока воздуха. В качестве вытяжных устройств применяют шахты квадратного сечения с гладкой внутренней поверхностью. Приточными устройствами тяги служат дефлекторы, который насаживают на внешний обрез шахты.
Воздухообмен регулируется крышкой – шибером – откидывающейся под действием собственного веса или выдвигающейся по направляющей. Для эффективной работы естественной вентиляции необходимо подобрать оптимальное соотношение площади поперечного сечения приточных и вытяжных каналов.
Общая площадь поперечного сечения приточных каналов должна составлять около 85% площади вытяжных каналов. При устройстве естественной вентиляции помещение следует хорошо утеплить, устранив все щели и проверив исправность окон с двойным остеклением, а также предусмотреть тамбуры.
Свежий воздух в холодное время года должен подаваться только через приточные каналы. Выполнение этих требований будет способствовать высокой производительности и эффективности работы системы вентиляции.
3. ВОПРОСЫ И ЗАДАНИЯ ДЛЯ САМОПРОВЕРКИ
ПРОЙДЕННОГО МАТЕРИАЛА
1. Задачи и перспективы развития механизации животновод-ства на современном этапе.
2. Опишите виды животноводческих ферм и комплексов.
3. Опишите способы содержания животных и птицы.
4. Требования, предъявляемые к планировке ферм.
5. Классификация животноводческих построек, требования к основным постройкам.
6. Санитарно- зоотехнические требования к микроклимату основных построек фермы.
7. Охарактеризуйте устройство и работу системы естествен-ной вентиляции.
8. Охарактеризуйте устройство и работу принудительной вентиляции.
9. Опишите устройство и работу установок ПВУ.
10. Опишите устройство и работу теплогенератора ТГ-3,5.
11. Опишите устройство и работу котла Д-721А.
12. Способы отопления животноводческих помещений.
13. Охарактеризуйте источники водоснабжения.
14. Опишите устройство шахтных и буровых колодцев.
15. Начертите схему, опишите устройство и работу центро-бежного насоса.
16. Начертите схему, опишите устройство и работу вихревого насоса.
17. Какие виды труб применяются для водопроводных сетей? Способы их соединения.
18. Опишите устройство и работу водоподъёмной установки типа ВУ.
19. Начертите схему, опишите устройство и работу автопоил-ки АГК-4А
(или АГК-4Б).
20. Опишите устройство, работу и регулировки кормораздат-чика КТУ-10А.
21. Опишите устройство, работу и регулировки кормораздат-чика КСП-0,8.
22. Какие кормораздатчики предназначены для ферм крупного скота?
Ответы: 1) РК-50А, КТУ-10А, КСП-0,8;
2) КТУ-10А, РСП-10, РММ-5,0;
3) КУТ-3,0, КСА-5Б, КС-1,5.
23. Опишите устройство, работу и регулировки погрузчика ПСК-5А.
24. Опишите устройство, работу и регулировки транспортера ТСН-160А.
25. Начертите схему, опишите устройство и работу скрепер-ной установки
типа УС.
26. Начертите схему, опишите устройство и работу установки УТН-Ф-10А.
27. Опишите устройство и работу отстойно-лотковой системы уборки навоза.
28. Опишите устройство и работу установок для разделения жидкого навоза на фракции.
29. Общее устройство и технологический процесс биогазовых установок.
30. Опишите способы приготовления кормов.
31. Опишите возможные схемы приготовления грубых, соч-ных и концентрированных кормов.
32. Начертите схему, опишите устройство и работу измельчи-теля ИКМ-5.
33. Начертите схему, опишите устройство и работу измельчи-теля «Волгарь-5».
34. Опишите (с графическими пояснениями) способы дробле-ния кормов.
35. Начертите схему, опишите устройство и работу кормодро-билки ДБ-5.
36. Опишите устройство и работу измельчителя-смесителя ИСК-3.
37. Опишите устройство и технологический процесс запарни-ка ЗПК-4.
38. Охарактеризуйте кормоцех КЦС-100/1000 или комплект КОРК-15.
39. Опишите устройство и технологический процесс грануля-тора ОГМ-0,8А.
40. Опишите операции ТО кормодробилки ДБ-5.
41. Опишите операции ТО кормодробилки КДУ-2.0.
42. Опишите операции ТО измельчителя «Волгарь-5».
43. Опишите операции ТО измельчителя ИКМ-5.
44. Опишите операции ТО кормоприготовительного агрегата ЗПК-4.
45. Опишите операции ТО смесителя- запарника С-12.
46. Опишите операции ТО навозоуборочного транспортера ТСН-160А.
47. Опишите операции ТО скреперной установки УС-15.
48. Опишите операции ТО установки УТН-10.
49. Виды технического обслуживания и ремонта машин и оборудования животноводческих ферм и их содержание.
50. Формы и методы организации Т.О. оборудования живот-новодческих ферм.
51. Обязанности инженера по механизации животноводческих ферм.
52. Обязанности слесаря фермы.
53. Порядок составления графиков проведения технического обслуживания.
54. Классификация видов изнашивания деталей.
55. Виды ремонта машин.
56. Технологический процесс ремонта машин (общие требо-вания).
57. Правила эксплуатации задвижек и вентилей.
58. Зарисовать схему, опишите технологию гидропневматиче-ского способа очистки водопроводной сети.
59. Опишите неисправности и способы ремонта дробильного барабана
КДУ-2.0.
60. Технология механической очистки котлов-парообразователей от накипи.
4. СПИСОК ИСПОЛЬЗУЕМОЙ ЛИТЕРАТУРЫ
Скачано с www.znanio.ru
Материалы на данной страницы взяты из открытых источников либо размещены пользователем в соответствии с договором-офертой сайта. Вы можете сообщить о нарушении.