ФЕДЕРАЛЬНОЕ КАЗЕННОЕ ПРОФЕССИОНАЛЬНОЕ
ОБРАЗОВАТЕЛЬНОЕ УЧРЕЖДЕНИЕ № 264
ФЕДЕРАЛЬНОЙ СЛУЖБЫ ИСПОЛНЕНИЯ НАКАЗАНИЙ
Дисциплина «Чтение чертежей»
Рабочая тетрадь по черчению
Методическая разработка
2021 г.
Рассмотрено на заседании
методической комиссии и
рекомендовано к применению
________________________
Протокол № ____________
«___»______________ 20____ г.
Рецензенты: __________________
Автор: И.А. Овчинникова
Рецензия
На методическую разработку «Рабочая тетрадь по черчению», выполненную преподавателем Овчинниковой И.А.
В методической разработке содержится теоретический материал по основным правилам оформления чертежей, написанию чертежного шрифта, контрольные вопросы для самостоятельной подготовки и задания для выполнения упражнений.
В результате работы с тетрадью обучающийся имеет возможность получить первичные навыки выполнения чертежей. Разработку возможно применять на занятиях по «Чтению чертежей».
Рецензент: ___________
Аннотация
Данная методическая разработка предназначена для обучающихся всех профессий, изучающих «Чтение чертежей». Методическая разработка содержит теоретический материал о принципах выполнения чертежей и правила их оформления по теме «Основные сведения по выполнению чертежей».
По каждой теме предусмотрены задания и упражнения, которые выполняются непосредственно в тетради.
Целью выполнения данных заданий является приобретение обучающимися навыков и знаний по оформлению и чтению чертежей, оформлению учебной документации.
Содержание
| 
 1. Введение. 
  | 
 4  | 
| 
 2. Что изучает черчение? 
  | 
 5  | 
| 
 3. Основные правила оформления чертежей. 
  | 
 8  | 
| 
 4. Шрифты чертежные. Титульный лист. 
  | 
 12  | 
| 
 5. Правила нанесения размеров на чертеже. 
  | 
 15  | 
Введение
Учитывая, что многие обучающиеся имеют слабую подготовку по черчению, на занятии планируется ознакомить их с основными принципами выполнения чертежей и правилами их оформления. Графические задания, приведенные в тетради, направленные на развитие у обучающихся первоначальных навыков и знаний по составлению и чтению чертежей.
Работа над заданиями способствует развитию навыков самостоятельной работы. Основная работа по выполнению каждого задания проводится в учебном кабинете под контролем преподавателя. Это позволит ускорить освоение изучаемого материала, повысить качество выполняемых чертежей, уменьшить число возможных ошибок и обеспечить своевременную сдачу работ.
ТЕМА: Что изучает черчение. Инструменты, материалы и принадлежности, применяемые для выполнения чертежей.
ЦЕЛЬ: Ознакомить с тем, какую роль выполняет чертеж в жизни человека, с историей развития чертежа. Научиться подготовить к работе чертежные инструменты и правильно пользоваться ими.
Черчение – дисциплина, которая изучает правила выполнения и чтения чертежей.
Чертеж – документ, содержащий изображения предмета и другие данные, необходимые для его изготовления и контроля. Он выполняется с помощью чертежных инструментов по определенным правилам.
Чертежные инструменты и принадлежности
Для выполнения чертежей потребуется: рейсшина или линейка, 2 угольника, циркуль, измеритель.
К чертежным материалам относятся: бумага (ватман, бумага в клетку), карандаш. Карандаши бывают: твердые (Т, 2Т), мягкие (М, 2М), средней твердости (ТМ). В других странах, например в Чехословакии, твердые карандаши обозначают буквой Н, а мягкие В.
Подготовка карандаша к работе: графитовый стержень должен выступать на 10 мм. Длина всей очищенной части должна быть около 30 мм. Графитовый стержень затачивают на конус или в виде плоского среза.
Упражнение № 1
С помощью линейки и угольника провести 5 горизонтальных линий длиной 100 мм на расстоянии 5 мм друг от друга.
Упражнение № 2
С помощью угольника и линейки провести 20 вертикальных линий высотой 20 мм на расстоянии 7 мм друг от друга.
Упражнение № 3.
Провести несколько параллельных линий одинаковой длины под углом 450, 300 , 600 к горизонтальной линии.
Упражнение № 4.
Провести из намеченных центров окружности диаметром 30,20 мм.
Упражнение № 5.
Разделить отрезок АВ в отношении 2:3.
Упражнение № 6.
Разделить окружность на 3,4,6 равных частей.
Вопросы для самостоятельной подготовки:
1. Что изучает черчение?
2. Что называется чертежом?
3. Как подготовить к работе циркуль, карандаш?
4. Как разделить окружность на 6 равных частей?
5. Как разделить отрезок в данном отношении?
ТЕМА: Основные правила оформления чертежей.
ЦЕЛЬ: Ознакомить с основными стандартами ЕСКД на оформление чертежей и закрепить это на практической работе.
Форматы Строительная графика СЭВ 1181 – 78 (ГОСТ 2.301 – 68)
Чертежи выполняют только на листах определенных размеров. Форматы листов определяются размерами внешней рамки. Стандарт устанавливает определенный формат листов.
Записать размеры форматов
| 
 Обозначение формата  | 
 АО  | 
 А1  | 
 А2  | 
 А3  | 
 А4  | 
| 
 Размеры формата  | 
 
  | 
 
  | 
 
  | 
 
  | 
 
  | 
Формат А4 располагается только вертикально, расположение остальных форматов предпочтительно горизонтальное. Выполнение любого чертежа всегда начинается с нанесения внешней рамки (формат) рабочего поля чертежа и основной надписи (рис. 1). Основную надпись выполняют по форме 1 и заполняют, исходя из учебных потребностей (рис. 2).
В графе 1: ЧГ – черчение геометрическое, 003 – номер работы, 009 – номер варианта. Графы (1), (2) заполняются шрифтом 7, графа (3) – шрифтом 5, остальное шрифтами 3,5.

Масштабы. ГОСТ 2.302 – 68 (Строительная графика СЭВ 1180 – 78)
Масштабом называется отношение линейных размеров изображения предмета к его действительным размерам.
Масштабы увеличения: 2:1; 2,5:1; 4:1; 5:1; 10:1; 20:1; 40:1; 50:1; 100:1.
Масштабы уменьшения 1:2; 1:2,5; 1:4; 1:5; 1:10; 1:15; 1:20; 1:25; 1:40.
Масштабы основных изображений, отличающихся от основного, указывают над этим изображением по типу М 1:2.
Линии чертежа. ГОСТ 2.303 – 68 (Строительная графика СЭВ 1178 – 78).
Стандарт устанавливает начертание и основные назначения линий. Проставить толщину обводки, длину штрихов и расстояние между ними. На свободной половине листа вычертить заданные линии.
![]()  | 
                                            S![]()
![]()
![]()
![]()
![]()
![]()
![]()
![]()
                                                                               
                                                        
 
 
 
 
 
 
 
 
 
 
 
 
 
 ![]()
 
 
 
 
 ![]()
 ![]()
 
 
 
 
 ![]()
 
 
 
 
 ![]()
 ![]()
 
 
 
 ![]()
 
 
 
 ![]()
 
 
 ![]()
 
 
![]()
                                         
 
 
 
 
 
 
 
 
 
 
 
 ![]()
 
 
 
 
 ![]()
 ![]()
 
 
 
 
 ![]()
 ![]()
 ![]()
Упражнение № 1
Вычертить контур детали в масштабе 2:1, нанести размеры, указать масштаб.
Ø 15
 
 
 
 
 
 
 
 
 
 
 ![]()
 
 
                          25
Упражнение № 2
 2
Указать типы линий:                                                                        
 
 
 
 
 
 1
 
 
 
 
 
![]()
![]()


 1 –
 3
 
 
 
 
 
![]()
 2 – 
![]()
 3 – 
4 –
5 –
 
Вопросы для самостоятельной подготовки:
1. Какие вы знаете форматы?
2. Что называется масштабом? Какие вы знаете масштабы?
3. Какие проставляют размеры для выполнения чертежа в масштабе отличном от М 1:1?
4. Какие вы знаете типы линий чертежа?
ТЕМА: Шрифты чертежные.
ЦЕЛЬ: Научиться выполнять надписи чертежным шрифтом.
Шрифты чертежные. ГОСТ 2.304 – 81 (Строительная графика СЭВ 851 – 79 – Строительная графика СЭВ 855 – 78)
Все надписи на чертежах выполняются чертежным шрифтом. Размер шрифта – величина, определенной высотой прописных букв, мм.
Установлены следующие размеры шрифта 1,8; 2,5; 3,5; 5; 7; 10; 14; 20; 28; 40.
Шрифт типа Б (d = h/10)
| 
 Параметры шрифта  | 
 Обозна- чение  | 
 Относительный размер  | 
 Размеры, мм.  | 
||||||||
| 
 Размер шрифта – высота прописных букв  | 
 h  | 
 (10/10) h  | 
 10 d  | 
 1.8  | 
 2.5  | 
 3.5  | 
 5.0  | 
 7.0  | 
 10.0  | 
 14.0  | 
 20.0  | 
| 
 Высота строчных букв  | 
 c  | 
 (7/10) h  | 
 7 d  | 
 1.3  | 
 1.8  | 
 2.5  | 
 3.5  | 
 5.0  | 
 7.0  | 
 10.0  | 
 14.0  | 
| 
 Расстояние между буквами  | 
 a  | 
 (2/10) h  | 
 7 d  | 
 0.35  | 
 0.5  | 
 0.7  | 
 1.0  | 
 1.4  | 
 2.0  | 
 2.8  | 
 4.0  | 
| 
 Минимальный шаг строк (высота вспомогательной сетки)  | 
 b 
 e  | 
 (17/10) h 
 (6/10) h  | 
 17 d 
 6 d 
  | 
 3.1 
 1.1  | 
 4.3 
 1.5  | 
 6.0 
 2.1  | 
 8.5 
 3.0  | 
 12.0 
 4.2  | 
 17.0 
 6.0  | 
 24.0 
 8.4  | 
 34.0 
 12.0  | 
| 
 Минимальное расстояние между словами. Толщина линий шрифта  | 
 d  | 
 
 
 (1/10) h  | 
 
 
 d  | 
 
 
 0.18  | 
 
 
 0.25  | 
 
 
 0.35  | 
 
 
 0.5  | 
 
 
 0.7  | 
 
 
 1.0  | 
 
 
 1.4  | 
 
 
 2.0  | 
Ширина букв и цифр
| 
 Шрифт  | 
 Буквы и цифры  | 
 Относительный размер, h  | 
| 
 
 
 
 
 
 Типа Б  | 
 Прописные буквы: Б,В,И,Й,К,Л,Н,О,П,Р,Т,У,Ц,Ч,Ь,Э,Я,Ъ;  | 
 (6/10)  | 
| 
 А,Д,М,Х,Ы,Ю;  | 
 (7/10)  | 
|
| 
 Ж,Ф,Ш,Щ;  | 
 (8/10)  | 
|
| 
 Строчные буквы: а,б,в,г,д,е,и,й,к,л,н,о,п,р,у,х,ч,ц,ь,э,я;  | 
 (5/10)  | 
|
| 
 м,ъ,ы,ю;  | 
 (6/10)  | 
|
| 
 ж,т,ф,ш,щ;  | 
 (7/10)  | 
|
| 
 с,з  | 
 (4/10)  | 
|
| 
 Цифры: 2,3,5,6,7,8,9,0;  | 
 (5/10)  | 
|
| 
 4;  | 
 (6/10)  | 
|
| 
 1  | 
 (4/14)  | 
Упражнение № 1
Выполнить следующие надписи: название образовательного учреждения, название города, фамилию, имя.

Вопросы для самостоятельной подготовки:
1. Назовите размер шрифта, которые рекомендует стандарт?
2. Что определяет размер шрифта?
ТЕМА: Правила нанесения размеров на чертеже. ГОСТ 2.307 – 68. (Строительная графика СЭВ 1976 – 79)
ЦЕЛЬ: Научить наносить размеры на чертежах.
Общие положения
1. Графическая форма размера состоит из размерной и выносной линии.
2. Размеры одного и того же элемента детали наносят один раз.
3. Линейные размеры указывают в миллиметрах, без нанесения единицы измерения.
4. Размеры на чертеже не допускается наносить в виде замкнутой цепи, за исключением случая, когда один из них справочный, его отмечают знаком * (рис. 3).

Рис. 3

Рис. 4
Выносные и размерные линии.
1. Выносные и размерные линии проводят тонкой сплошной линией, они не должны пересекаться с другими линиями. размерная линия не должна совпадать с контурной, осевой, центровой линиями.
2. Расстояние между размерными линиями должно быть не менее 7 мм, а между контурной и размерной – не менее 10 мм. (рис. 4).
3. Выносные линии должны выступать за концы размерной линии на 1 – 5 мм. (рис. 4).
4. Размерные линии ограничивают стрелками. При недостатке места стрелки допускается заменять засечками или точками (рис.5)

Рис. 6
6. При указании размера радиуса размерную линию проводят от центра дугу или от направления нахождения центра. Размерную линию ограничивают одной стрелкой (рис. 7).

Рис. 7
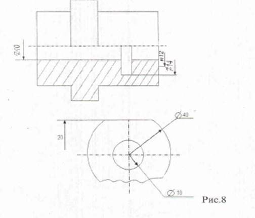
7. Размерные линии допускается проводить с обрывом (рис. 8)

Размерные числа.
1. Размерные числа на чертеже выполняют шрифтом № 3, № 5 наносят над размерной линией ближе к её середине или на её продолжении (рис. 3,8)
2. Зазор между размерным числом и размерной линией равен 1 мм (рис. 4)
3. При указании размеров радиуса, диаметра и т.д., наносят перед размерным числом соответствующие знаки.
4. Размер сферы может быть задан радиусом или диаметром (рис. 9).
         
Допускается наносить слово «Сфера» или знак 
 
5. Размер квадратного отверстия или сечения указывают размером двух сторон или одной со знаком  (рис 10)

6. Размеры цилиндрических отверстий равного диаметра обозначают по типу 2 отв. Æ 15 (рис. 3)
7. Размерные числа не должны пересекаться линиями чертежа, размерными, выносными.
Упражнение № 1.
Нанести размерные линии, проставить условные знаки, размерные числа измеряемых элементов.

Упражнение № 2.
Проставить размеры в изображениях.

Вопросы для самостоятельной подготовки.
1. В каких единицах представляют размеры на чертежах?
2. Каков тип линий для обозначения выносных и размерных линий и их толщина?
3. Чему равно расстояние между контуром детали и размерной линией, между параллельными размерными линиями?
Материалы на данной страницы взяты из открытых источников либо размещены пользователем в соответствии с договором-офертой сайта. Вы можете сообщить о нарушении.