Закон Ома для участка цепи

  • docx
  • 21.05.2025
Публикация на сайте для учителей

Публикация педагогических разработок

Бесплатное участие. Свидетельство автора сразу.
Мгновенные 10 документов в портфолио.

Иконка файла материала К.р. 5. Закон Ома для участка цепи. Соединение проводников..docx

Вариант 1

1.       Какое напряжение нужно приложить к проводнику сопротивлением 0,25 Ом, чтобы сила тока в проводнике была 30 А?

2.       Каково напряжение на концах алюминиевой проволоки при силе тока 0,5 А, если ее длина 150 см и площадь поперечного сечения 0,1 мм2.

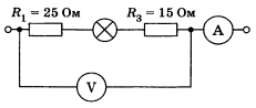
3.       Определите общее сопротивление и силу тока цепи.

4.       Определите сопротивление лампы и напряжение на каждом проводнике, если показания приборов 0,5 А и 30 В.

Вариант 2

1.       Напряжение в сети 220 В. Найти силу тока в спирали электроплитки, имеющей сопротивление 44 Ом.

2.       Сварочный аппарат присоединяют в сеть медными проводами длиной 100 м и площадью поперечного сечения 50 мм2. Определите напряжение на проводах, если сила тока в них 125 А.

3.       Определите общее сопротивление и силу тока цепи.

4.       Определить силу тока в лампочке и ее сопротивление.

Вариант 3

1.       Определить напряжение на концах проводника сопротивлением 20 Ом, если сила тока в проводнике 0,4 А.

2.       Какая будет сила тока в никелиновой проволоке длиной 4 м и площадью поперечного сечения 2 мм2 при напряжении на ее концах 2 В?

3.       Определите общее сопротивление и силу тока цепи.

4.       Определите сопротивление лампы и напряжение на каждом проводнике, если показания приборов 0,5 А и 30 В.

 

 

 

Вариант 4

1.       При сварке при напряжении 30 В сила тока в дуге достигает 150 А. Каково сопротивление дуги?

2.       Определите напряжение на концах железного проводника длиной 150 см и площадью поперечного сечения 0,025 мм2, в котором сила тока 250 мА.

3.       Определите общее сопротивление и силу тока цепи.

4.       Определить силу тока в лампочке и ее сопротивление.

 

 

 


 

Посмотрите также