32_Lesson_plan_V2_Computer Science_10_Revision_Presentation of Data

  • docx
  • 01.05.2020
Публикация на сайте для учителей

Публикация педагогических разработок

Бесплатное участие. Свидетельство автора сразу.
Мгновенные 10 документов в портфолио.

Иконка файла материала 32_Lesson_plan_V2_Computer Science_10_Revision_Presentation of Data.docx

Long-term plan unit: Unit 10.1B: Data presentation

School:  

Date:

Teacher's name:

Grade:  

Number of absentees:

attendees:

Topic of a lesson

Data presentation

 

 

Learning objectives to be achieved at this lesson (reference to the subject programme)

10.2.1.1

converting integrals from decimal to binary, octal, hexadecimal and the other way round

10.2.2.1

use logical operations (OR operation, AND operation, inversion)

10.2.2.2

make truth tables for a given Boolean expression

10. 2. 2. 3

explain the purpose of the main logical elements: OR operator, AND operator, invertor

10.2.2.4

convert logical expressions into logic circuits and the other way round

10.1.1.1

describe the functions of the control device (CD), arithmetic logical unit (ALU) and memory registers as individual processor components

10.2.3.1

compare the Unicode and ASCII  coding tables

 

Lesson objectives

Learners are able to:

·    explain the rules for converting numbers to binary notation and back;

·    explain the common and distinctive features of encoding text information in different encoding systems

·    know what is a numeral system, binary system and decimal system alphabet

·    know, how to translate numbers from decimal to binary and vice versa, how to translate numbers from decimal to binary and vice versa

·    Understand translations of the number of one number system to another

·    Use different methods of translation decimal numbers to binary

Success criteria

Students explain and use the rules for converting numbers to binary notation and back;

Explain the common and distinctive features of encoding text information in different encoding systems.

 

Language objectives

 

Useful phrases for dialogue / writing

Numeral system is a ____

Translate number from binary system to decimal system…

Binary numeral system ...

Decimal numbering system ...

The octal number system ...

Hex number system ...

The translation algorithm is carried out ........

Skill cultivation

 

 

Specify the values from subject programme and national and  human values which the lesson focuses on.   

Cultivation of skills is implemented through/by … (description of activities and/or content of the topic).

Cross-curricular links

Discuss the possible cross-curricular link with a colleague or refer to primary sources.   

Specify how the cross-curricular integration is implemented at the lesson (through activities and/or the content).

Prior knowledge

 

What do learners already know or what do they need to know before this lesson? (basic concepts, facts, formulas, theories)

How can you activate learners’ prior learning?

Course of the lesson

Planned lesson stages

Planned activities at the lesson

 

Resources

Beginning of the lesson

 

   0-3min

 

 

 

 

 

 

 

 

 

 

4-10 min

 

 

 

 

 

 

 

 

Middle of the lesson

 

11-15 min

 

 

 

 

 

 

 

 

 

 

 

 

 

 

16-20 min

 

 

 

 

 

 

 

 

 

 

 

 

 

 

 

 

21-25 min

 

 

 

 

 

 

 

 

 

 

 

 

 

 

 

 

 

 

 

 

 

 

 

 

 

 

 

 

 

 

 

 

 

 

26-28 min

 

 

 

 

 

 

 

 

 

 

 

 

 

 

 

 

 

 

 

 

 

 

 

 

 

 

 

 

 

 

 

 

 

 

 

 

 

 

 

 

 

 

 

 

 

 

 

 

 

 

 

 

 

 

 

 

 

 

 

 

 

 

 

 

 

 

 

 

 

 

 

 

 

 

29-33 min

 

 

 

 

 

 

 

 

 

 

 

 

 

 

 

 

 

 

 

34-37 min

 

 

 

 

Updating knowledge

Teacher:

  1. How are the data represented in computer memory?
  2. How can we represent decimal numbers in binary notation?
  3. What arithmetic operations can we perform with binary numbers?
  4. How can we represent real numbers in binary notation?

Students answer questions.

 

 

Practise work 1

Convert the following decimal number to binary number system

15=

65=

79=

123=

To check you answers please use  Harvard’s website

http://cdn.cs50.net/2016/x/psets/0/pset0/bulbs.html

 

Individual work

Fill in and translate from one number system to another table.

(cards can be prepared for each student)

Binary

Octal

Decimal

Hexadecimal

110101

247

261

4АС

Аnswer:

Binary

Octal

Decimal

Hexadecimal

110101

65

53

35

10001111

217

143

8F

100000101

405

261

105

10010101100

2254

1196

4АС

 

https://learningapps.org/578718

 

 

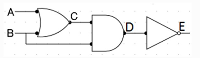
According to this scheme, fill in the truth table

A

B

C

D

E

0

0

 

 

 

1

0

 

 

 

0

1

 

 

 

1

1

 

 

 

 

 

Test

1. A register that temporarily stores an instruction just retrieved from memory.

A)the program counter (PC)

B) memory address register (MAR)

C) memory buffer register (MBR)

D) current command register (CIR)

2. A register that stores location data in memory.

A)the program counter (PC)

B) memory address register (MAR)

C) memory buffer register (MBR)

D) current command register (CIR)

5. A register that stores data received from memory.

A)the program counter (PC)

B) memory address register (MAR)

C) memory buffer register (MBR)

D) current command register (CIR)

6. Counter which keeps track of the memory address which the instruction will be executed

following.

A)the program counter (PC)

B) memory address register (MAR)

C) memory buffer register (MBR)

D) current command register (CIR)

 

 D  B  C  A

 

Registers

 

Characteristic

1.The cycle of instruction execution (fetch decode execute)

 

A) processor register, which is used to store intermediate results of arithmetic and logical operations and I / o instructions

2.Register (register)

B) the processor register, which contains data that will be stored in the computer memory (for example, RAM) after the command is selected.

3.The program counter (PC register)

C) the processor register that stores the current command.

4.Address register (MAR)

D) a processor unit that controls the operation of processor components like memory unit, ALU and input and output devices.

5.An arithmetic logic unit (ALU)

E) this is a sequence of actions that is performed by the processor when executing a single machine command.

6.Battery (accumulator)

E) a processor register that stores the memory address from which data will be retrieved or the address to which data will be sent and stored.

7.The control unit (CU)

G) the processor register containing the address of the current executed command. After the command is executed, the counter is automatically incremented to move to the next command.

8.The command register (CIR)

H) the processor unit, which is controlled by the UU is used to perform arithmetic and logical operations.

9.Memory Data Register (MDR)

I) this is a certain area of memory inside the processor itself, which is used for intermediate storage of information processed by the processor.

10.The system bus (system bus)

J) this is the Central device of the computer, which performs data processing operations and controls the peripheral devices of the computer.

11.The memory block (memory)

L) it is a " web " that connects all devices and is responsible for the transfer of information between them.

12.Data bus (data bus)

M) a computer hardware component responsible for controlling access to memory requested by the Central processor.

13.Central processing unit (CPU)

H) the part of the system bus intended for data transfer between components of the computer.

14.Address bus (address bus)

(O) a computer bus, which transmits signals that determine the nature of information exchange along the highway.

15.The control bus (control bus)

(N) a computer bus used by a Central processing unit or devices to indicate a physical address to which the device may refer for a read or write operation.

 

Draw a logical diagram that matches the following logical statement

 

End of the lesson

 

38-40 min

At the end of the lesson, learners reflect on their learning:

            What has been learned

            What remained unclear

            What needs more attention

Reflection Thermometer:

http://cs313826.vk.me/v313826507/998a/8YrriHaVI3U.jpg                          36,60С  interesting, useful

                          380С is not interesting, hard

                          340С useless, priceless

 

 

Assessment – how are you planning to check learners’ learning?

 

Differentiation - how do you plan to provide learners with  Evaluation - how do you plan to check learners for more support?

Evaluation - how do you plan to check learners for the level of learning acquisition?

Health and safety rules


Differentiation can be expressed by choosing tasks, an expected outcome from a specific learner, giving individual support to a learner, selecting teaching materials and resources taking into account individual abilities of learners (Theory of Multiple Intelligences by Gardner). 

Differentiation can be used at any stage of the lesson considering efficient use of time

Use this section to record the methods you will use to assess what learners have learned during the lesson.

Health promoting techniques.

Breaks and physical activities used.

Safety Rules items that are applicable in this lesson.  

 

Reflection

 

Were the lesson objectives/learning objectives realistic?  

Did all learners achieve the LO?

If not, why?

Did my planned differentiation work well?  

Did I stick to timings?  

What and why were the deviations from the lesson plan?

Use this section to think about the lesson.  Answer the most important questions about the lesson in the left column. 

 

Overall evaluation

 

 

Write down two aspects of the lesson that went well (think about teaching and learning).

1:

 

2:

 

What would improve the lesson (think about teaching and learning)?

1:

 

2:

 

What have I studied during the lesson or learned about achievements/challenges of certain learners that I should focus on the next lesson?

 

 


 

Скачано с www.znanio.ru

Посмотрите также