|
|||||||||||||||||||||||||||||||||||||||||||||||||||||||||||||||||||||||||||||||||||||||||||||||||||||||||||||||||||||||||||||||||||||||||||||||||||||||||||||||||||||||||||||||||||||||||||||||||||||||||||||||||||||||
|
Дата: |
ФИО учителя: |
||||||||||||||||||||||||||||||||||||||||||||||||||||||||||||||||||||||||||||||||||||||||||||||||||||||||||||||||||||||||||||||||||||||||||||||||||||||||||||||||||||||||||||||||||||||||||||||||||||||||||||||||||||||
|
Класс: 10 |
Количество присутствующих: |
отсутствующих: |
|||||||||||||||||||||||||||||||||||||||||||||||||||||||||||||||||||||||||||||||||||||||||||||||||||||||||||||||||||||||||||||||||||||||||||||||||||||||||||||||||||||||||||||||||||||||||||||||||||||||||||||||||||||
|
Тема урока |
2.2 Логические операции (дизъюнкция, конъюнкция, инверсия) |
||||||||||||||||||||||||||||||||||||||||||||||||||||||||||||||||||||||||||||||||||||||||||||||||||||||||||||||||||||||||||||||||||||||||||||||||||||||||||||||||||||||||||||||||||||||||||||||||||||||||||||||||||||||
|
Цели обучения, которые достигаются на данном уроке (ссылка на учебную программу) |
10.2.2.1 использовать логические операции (дизъюнкция, конъюнкция, инверсия)
|
||||||||||||||||||||||||||||||||||||||||||||||||||||||||||||||||||||||||||||||||||||||||||||||||||||||||||||||||||||||||||||||||||||||||||||||||||||||||||||||||||||||||||||||||||||||||||||||||||||||||||||||||||||||
|
Цели урока |
|
||||||||||||||||||||||||||||||||||||||||||||||||||||||||||||||||||||||||||||||||||||||||||||||||||||||||||||||||||||||||||||||||||||||||||||||||||||||||||||||||||||||||||||||||||||||||||||||||||||||||||||||||||||||
|
Критерии успеха |
· описывать простые и сложные, истинными и ложными высказывания, · определять логические операции (И – конъюнкцией, ИЛИ – дизъюнкцией, НЕ - инверсией); · сравнивать логические операции (И – конъюнкцией, ИЛИ – дизъюнкцией, НЕ - инверсией); · решать логические операции (И – конъюнкцией, ИЛИ – дизъюнкцией, НЕ - инверсией); · классифицировать логические операции (И – конъюнкцией, ИЛИ – дизъюнкцией, НЕ - инверсией); · создавать логические выражений, соответствующих сложным высказываниям. · строит таблицы истинности, находить количество строк и определять порядок действий в таблице; · строит таблиц истинности для сложных выражений · выполняет вычисления по логическим схемам, и строит логические выражения. · знает правило составления логических схем и вентилей |
||||||||||||||||||||||||||||||||||||||||||||||||||||||||||||||||||||||||||||||||||||||||||||||||||||||||||||||||||||||||||||||||||||||||||||||||||||||||||||||||||||||||||||||||||||||||||||||||||||||||||||||||||||||
|
Языковые цели
|
Воспитать творческий подход к решению поставленных задач и культуру речи учащихся. Учащиеся могут:
Словарь специфических терминов и терминология: применяется для … для решения логической задачи с помощью таблицы истинности необходимо … условное форматирование предназначено для … |
||||||||||||||||||||||||||||||||||||||||||||||||||||||||||||||||||||||||||||||||||||||||||||||||||||||||||||||||||||||||||||||||||||||||||||||||||||||||||||||||||||||||||||||||||||||||||||||||||||||||||||||||||||||
|
Привитие ценностей
|
Привитие ценностей сотрудничество осуществляется через организацию работы в парах и в группах |
||||||||||||||||||||||||||||||||||||||||||||||||||||||||||||||||||||||||||||||||||||||||||||||||||||||||||||||||||||||||||||||||||||||||||||||||||||||||||||||||||||||||||||||||||||||||||||||||||||||||||||||||||||||
|
Реализация миссии и видения, ГГ |
Самостоятельное овладение новыми знаниями через групповую работу и парную работу |
||||||||||||||||||||||||||||||||||||||||||||||||||||||||||||||||||||||||||||||||||||||||||||||||||||||||||||||||||||||||||||||||||||||||||||||||||||||||||||||||||||||||||||||||||||||||||||||||||||||||||||||||||||||
|
Межпредметные связи |
Межпредметная связь с математикой, физикой, русский язык Реализуется меж предметная интеграция на уроке при изучении, объяснении и понятие – при составления логических выражений, соответствующих сложным высказываниям. |
||||||||||||||||||||||||||||||||||||||||||||||||||||||||||||||||||||||||||||||||||||||||||||||||||||||||||||||||||||||||||||||||||||||||||||||||||||||||||||||||||||||||||||||||||||||||||||||||||||||||||||||||||||||
|
Навыки использования ИКТ |
Развиваемые навыки использования ИКТ: Осуществление поиска информации в интернете, умение работать в образовательных порталах |
||||||||||||||||||||||||||||||||||||||||||||||||||||||||||||||||||||||||||||||||||||||||||||||||||||||||||||||||||||||||||||||||||||||||||||||||||||||||||||||||||||||||||||||||||||||||||||||||||||||||||||||||||||||
|
Предварительные знания
|
Из курса 7-9 класса учащиеся имеют представление о логических операциях и о таблицах истинности. |
||||||||||||||||||||||||||||||||||||||||||||||||||||||||||||||||||||||||||||||||||||||||||||||||||||||||||||||||||||||||||||||||||||||||||||||||||||||||||||||||||||||||||||||||||||||||||||||||||||||||||||||||||||||
Ход урока |
|||||||||||||||||||||||||||||||||||||||||||||||||||||||||||||||||||||||||||||||||||||||||||||||||||||||||||||||||||||||||||||||||||||||||||||||||||||||||||||||||||||||||||||||||||||||||||||||||||||||||||||||||||||||
|
Запланированные этапы урока |
Запланированная деятельность на уроке
|
Ресурсы |
|||||||||||||||||||||||||||||||||||||||||||||||||||||||||||||||||||||||||||||||||||||||||||||||||||||||||||||||||||||||||||||||||||||||||||||||||||||||||||||||||||||||||||||||||||||||||||||||||||||||||||||||||||||
|
Начало урока 5 мин |
1. Актуализация знаний. · Что такое логика? (Логика – это наука о формах и способах мышления) · Что такое высказывание? (Высказывание – это формулировка своего понимания окружающего мира) · Что такое умозаключение? (Умозаключение — это форма мышления, с помощью которой из одного или нескольких суждений может быть получено новое суждение (знание или вывод)) · С какой точки зрения рассматриваются высказывания? (с точки зрения истинности или ложности) · Может ли высказывание одновременно быть истинным и ложным? Обсудите с учащимися - Цель и задачи урока (совместное определение задач урока) |
Презентация
|
|||||||||||||||||||||||||||||||||||||||||||||||||||||||||||||||||||||||||||||||||||||||||||||||||||||||||||||||||||||||||||||||||||||||||||||||||||||||||||||||||||||||||||||||||||||||||||||||||||||||||||||||||||||
|
3 мин
10 мин
3 мин
2 мин
10 мин
5 мин
15 мин
2 мин
15 мин
8 мин
|
Объясните, почему следующие предложения не являются высказываниями:
Работа в паре. Исследуйте логические операции и заполните таблицу
(взаимообмен информацией, каждый ученик обменивается информацией с другой парой)
Взаимооценка. (обсудить с учащимися критерии успеха, учащиеся предлагаю свои варианты) Критерии оценивания: · Определять логические операции (И – конъюнкцией, ИЛИ – дизъюнкцией, НЕ - инверсией); · Сравнивать логические операции (И – конъюнкцией, ИЛИ – дизъюнкцией, НЕ - инверсией); · Решать логические операции (И – конъюнкцией, ИЛИ – дизъюнкцией, НЕ - инверсией); · Классифицировать логические операции (И – конъюнкцией, ИЛИ – дизъюнкцией, НЕ - инверсией); · уметь сотрудничать и работать в группе Упражнение для глаз
Индивидуальная работа Задание 1: заполните таблицу. Истина – 1, Ложь – 0 Задание 2: Запишите высказывание “если яблоко зеленое или мелкое, то оно твердое”, используя знаки логических операций. Задание 3: определите результат логического выражения при заданных параметрах ¬ (¬B & ¬C) U ¬( ¬A & ¬C ), при А=1, В=1, С=0. Задание
4: Сформулируйте
сложные высказывания по заданной формуле: где, а - идет дождь; В - прогулка отменяется; С - я вымок; Д - я останусь дома;
Взаимопроверка Учащиеся могут обменятся работами и проверить работы друг друга.
Дополнительное задание. Соедините правильные определения или обозначения:
Работа в группе Постройте таблицы истинности для следующих логических выражений.
1)
2)
3)
Организуйте взаимопроверку между группами.
Критерии оценивания 1. Перечисляют все логические операции 2. Дает определение конъюнкции и строит таблицу истинности. 3. Дает определение дизъюнкции и строит таблицу истинности. 4. Дает определение инверсии и строит таблицу истинности. 5. Объясняет порядок логических операций в сложном логическом выражении.
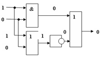
Логический элемент компьютера — это часть электронной логической схемы, которая реализует элементарную логическую функцию. Электронные схемы, реализующие различные логические операции называют вентилями. Работа в паре. Проведите исследование вентилей и схем логических операции
Критерии успеха 1. уметь сотрудничать и работать в группе 2. называет основные логические операции и дайте им определение 3. выполняет вычисления по логическим схемам, и строит логические выражения. 4. знает правило составления логических схем и вентилей После выполнения парной работы обсудить и закрепить. Алгоритм построения логических схем. 1) Определить число логических переменных. 2) Определить количество базовых логических операций и их порядок. 3) Изобразить для каждой логической операции соответствующий ей вентиль. 4) Соединить вентили в порядке выполнения логических операций. Индивидуальная работа на составление логических схем и вентилей Составить логическую схему для логического выражения: F=A ∨B ∧ A.
2.
Постройте логическую схему, соответствующую логическому выражению
F=А&Вv
Поведение итогов урока Какова была цель нашего урока? Достигли ли мы этой цели? |
http://pandia.ru/text/80/111/30846.php
http://www.yaklass.ru/p/bosova-l-l-informatika-dlya-5-9-klassov/8-klass/matematicheskie-osnovy-informatiki-13971/logicheskie-operatcii-13960/re-fe68e54d-6166-458d-9c7f-f55a1f439cc8
http://xn--i1abbnckbmcl9fb.xn--p1ai/%D1%81%D1%82%D0%B0%D1%82%D1%8C%D0%B8/649464/
https://www.youtube.com/watch?v=7M7Qv8pGPNM
https://www.semestr.ru/scheme
https://www.mindmeister.com/ru/238630023/_
|
|||||||||||||||||||||||||||||||||||||||||||||||||||||||||||||||||||||||||||||||||||||||||||||||||||||||||||||||||||||||||||||||||||||||||||||||||||||||||||||||||||||||||||||||||||||||||||||||||||||||||||||||||||||
|
Конец урока 2 мин |
Рефлексия В конце урока предложить учащимся оценить свою работу на каждом этапе в виде ступенек, ведущих к успеху «Лестница успеха» |
|
|||||||||||||||||||||||||||||||||||||||||||||||||||||||||||||||||||||||||||||||||||||||||||||||||||||||||||||||||||||||||||||||||||||||||||||||||||||||||||||||||||||||||||||||||||||||||||||||||||||||||||||||||||||
|
Дифференциация – каким образом Вы планируете оказать больше поддержки? Какие задачи Вы планируете поставить перед более способными учащимися? |
Оценивание – как Вы планируете проверить уровень усвоения материала учащимися? |
Здоровье и соблюдение
техники безопасности |
|||||||||||||||||||||||||||||||||||||||||||||||||||||||||||||||||||||||||||||||||||||||||||||||||||||||||||||||||||||||||||||||||||||||||||||||||||||||||||||||||||||||||||||||||||||||||||||||||||||||||||||||||||||
|
· Работа в группах – поддержка одноклассников. · Помощь учителя, если требуется. · В качестве дифференциации подготовьте ряд заданий на перевод из одной системы счисления в другую Построить таблицы истинности для таких составных высказываний:
|
|
Соблюдение правил ТБ в кабинете информатики: - Контролировать расстояние до экрана и правильную осанку - бережное обращение с клавиатурой и мышкой
Здоровье сберегающие технологии. Используемые физминутки и активные виды деятельности.
|
|||||||||||||||||||||||||||||||||||||||||||||||||||||||||||||||||||||||||||||||||||||||||||||||||||||||||||||||||||||||||||||||||||||||||||||||||||||||||||||||||||||||||||||||||||||||||||||||||||||||||||||||||||||
|
Рефлексия по уроку
Были ли цели урока/цели обучения реалистичными? Все ли учащиеся достигли ЦО? Если нет, то почему? Правильно ли проведена дифференциация на уроке? Выдержаны ли были временные этапы урока? Какие отступления были от плана урока и почему? |
Используйте данный раздел для размышлений об уроке. Ответьте на самые важные вопросы о Вашем уроке из левой колонки. |
||||||||||||||||||||||||||||||||||||||||||||||||||||||||||||||||||||||||||||||||||||||||||||||||||||||||||||||||||||||||||||||||||||||||||||||||||||||||||||||||||||||||||||||||||||||||||||||||||||||||||||||||||||||
|
|
|||||||||||||||||||||||||||||||||||||||||||||||||||||||||||||||||||||||||||||||||||||||||||||||||||||||||||||||||||||||||||||||||||||||||||||||||||||||||||||||||||||||||||||||||||||||||||||||||||||||||||||||||||||||
|
Общая оценка
Какие два аспекта урока прошли хорошо (подумайте как о преподавании, так и об обучении)? 1:
2:
Что могло бы способствовать улучшению урока (подумайте как о преподавании, так и об обучении)? 1:
2:
Что я выявил(а) за время урока о классе или достижениях/трудностях отдельных учеников, на что необходимо обратить внимание на последующих уроках?
|
|||||||||||||||||||||||||||||||||||||||||||||||||||||||||||||||||||||||||||||||||||||||||||||||||||||||||||||||||||||||||||||||||||||||||||||||||||||||||||||||||||||||||||||||||||||||||||||||||||||||||||||||||||||||
Скачано с www.znanio.ru
Материалы на данной страницы взяты из открытых источников либо размещены пользователем в соответствии с договором-офертой сайта. Вы можете сообщить о нарушении.